Rationale for the Design of the Stand for Dynamic Testing of Drive Wheels of Agricultural Transport and Technological Machines

Cover Page


Cite item

Full Text

Abstract

Introduction. The development of agricultural production technical support implies the creation of new working tools and machines for soil treatment, and their improvement and research. This process is continuously associated with the use of soil channels and experimental facilities that help to determine the nature of interaction of working elements and wheeled drivers of agricultural machinery, including means of small-scale mechanization, with the soil. The purpose of this study is to provide the rationale for the design of the stand for testing the working elements of tillage units and wheels of transport and technological machines in the agro-industrial complex.
Materials and Methods. In order to obtain reliable experimental data on the interaction of wheeled propellers of small-scale mechanization with the soil, the analysis of the basic design of the experimental stand to study the working elements of agricultural machinery was conducted. The requirements for the experimental stand were defined. The experimental-measuring complex “Soil Channel” was developed and manufactured on the basis of production facilities of the Prof. Leshchankin Chair of Mobile Power Tools and Agricultural Machinery of the Institute of Mechanics and Power Engineering of National Research Mordovia State University.
Results. The analysis of ensuring the stability of translational motion of the experimental stand movable module is given, the technical solution to ensure the uniformity of its motion is substantiated and the choice of the electromagnetic powder brake type size is made. Discussion and Conclusion. Improvement of the soil channel design by introducing a removable module into it, will provide tests not only of active, traction and traction-driven working tools of tillage machines, but will also allow studying the nature of interaction of their driving wheels with the soil, carrying out simultaneous control of traction force and slipping. These data can be used for modernization of existing machines and working tools, and for developing new units.

Full Text

Введение

Развитие технического обеспечения сельскохозяйственного производства должно быть направлено на внедрение энергосберегающих технологий. Среди них использование комбинированных почвообрабатывающих агрегатов, создание новой техники и замена устаревшей, модернизация машин и рабочих органов и др.

Создание, усовершенствование и исследование новых рабочих органов и машин для обработки почвы неразрывно связано с применением почвенных каналов и экспериментальных установок. Их конструкции в обязательном порядке должны учитывать все возможные факторы проведения исследований: влажность почвы, ее твердость и состав, глубина обработки, поступательная скорость агрегатов, буксование колесных движителей1. Важно иметь возможность находить величины сил, которые действуют на рабочие поверхности почвообрабатывающих орудий и их элементы (например лемешно-отвальную поверхность плуга, режущую кромку ножа фрезерного барабана и др.), или определять тягово-сцепные характеристики колесных движителей транспортно-технологических машин [1–4].

В настоящее время различные конструкции почвенных каналов применяются для определения силовых характеристик, действующих на рабочие части и элементы существующих и модернизированных сельскохозяйственных машин и агрегатов, в том числе средств малой механизации. Эти конструкции могут быть оснащены разного рода экспериментальными установками, модулями и стендами.

Целью данного исследования является обоснование конструкции экспериментального стенда для испытаний рабочих органов почвообрабатывающих агрегатов и колес транспортно-технологических машин в агропромышленном комплексе.

Обзор литературы

Ученые Пензенского ГАУ и Всероссийского научно-исследовательского института механизации сельского хозяйства (г. Москва) разработали и изготовили передвижной почвенный канал (рис. 1) [5].

 

 
 
Рис. 1. Схема передвижного почвенного канала

Fig. 1. Diagram of a mobile soil channel
 

Его конструкция позволяет проводить исследования рабочих органов сельскохозяйственных машин в полевых естественных условиях, что является положительным фактором. Среди недостатков – ограниченность в определении силовых показателей взаимодействия рабочих органов с почвой, только в продольно-горизонтальной плоскости (по ходу движения), и отсутствие возможности исследовать активные рабочие органы и колесные движители.

Круговой почвенный канал разработан в ФГБНУ «Федеральный научный агроинженерный центр ВИМ» (рис. 2) [6]. Он состоит из каркаса 1, механизма привода 2, уплотнительных катков 3, грузов 4, рыхлителей почвы 5, емкости с водой 6 и приспособления для установки испытуемого образца 7. Изобретение относится к стендам для испытаний почворежущих элементов сельскохозяйственных машин и позволяет повысить точность экспериментов на 10–15 % по отношению к другим испытательным установкам.

 

 
 
Рис. 2. Схема кругового почвенного канала для исследований по изнашиванию
почворежущих лезвий

Fig. 2. Diagram of a circular soil channel for research on the wear of soil-cutting blades
 

Однако такая схема конструкции почвенного канала не позволяет определить силы, действующие на рабочие органы сельскохозяйственных машин (корпус плуга, стойку культиватора и пр.), с ее помощью можно исследовать только изнашивание почворежущих лезвий (лемехов, стрельчатых лап и пр.).

Фирмы ООО НПП «Учтех-Профи» (г. Москва), ООО «Профкабинет» и ООО «Новый стиль» (г. Ярославль) предлагают конструкции почвенных каналов2. С их помощью можно определить качественные показатели обработки почвы, изучить конструкции и принципы работы почвообрабатывающих машин, а также провести испытания. К положительным сторонам данных конструкций следует отнести их компактность и мобильность, возможность имитации различных условий состояния почвы с анализом их влияния на работу почвообрабатывающих машин, а также высокую оснащенность программного обеспечения.

Однако анализ технических характеристик представленных каналов показал, что мощность их силовых установок (не более 2,5 кВт), рабочий ход тележки (2,7 м) и ее скорость (от 0 до 2,45 км/ч) не удовлетворяют требованиям к испытаниям элементов большинства почвообрабатывающих машин и агрегатов, применяемых в сельском хозяйстве. Это является существенным недостатком и может приводить к искажению или некорректным показаниям, полученным в ходе испытаний.

Обзор литературы показал, что большинство почвенных каналов не подходят для вычисления сил, которые действуют на рабочие органы и составные элементы существующих почвообрабатывающих машин [7; 8]. Они также не способны определить тягово-сцепные характеристики колесных движителей [9; 10].

Подводя итог анализа конструкций почвообрабатывающих агрегатов, их ведущих колес, условий функционирования и современных методик проведения исследований, можно сформулировать следующие требования к экспериментальному стенду для испытания ведущих колес почвообрабатывающих машин, в том числе и малогабаритных, к числу которых относятся и средства малой механизации, в частности мотоблоки:

– универсальность конструкции, то есть возможность проводить исследования ведущих пневматических колес и колес с металлическими грунтозацепами;

– обеспечение изменения сцепного веса на испытуемых колесах;

– обеспечение изменения угла наклона оси вращения испытуемого колеса;

– обеспечение бесступенчатого регулирования поступательной скорости движения и частоты вращения приводного вала испытуемого колеса3 [11–14].

Материалы и методы

Для решения сформулированных выше задач на базе Института механики и энергетики МГУ им. Н. П. Огарёва разработан и изготовлен экспериментально-измерительный комплекс «Почвенный канал» (рис. 3), представляющий собой почвенный канал 1, в верхней части которого закреплен рельсовый путь 2. По нему перемещается подвижный модуль 3 с установленными на нем электрическими приводом перемещения модуля 4 и приводом 5 испытуемых активных рабочих органов (АРО) 6 почвообрабатывающих машин, установленных на приводных валах цепного редуктора 7. Цепной редуктор 7 закреплен на динамометрическом модуле 8, зафиксированном на подвижном модуле 3. Перемещение подвижного модуля 3 осуществляется при помощи привода 4 и цепи 9, закрепленной на почвенном канале 1. Управление двигателями привода 4 подвижного модуля 3 и приводом 5 испытуемых АРО 6 обеспечивается от преобразователей частоты 10 и 11 через питающий электрический кабель 12, подвешенный на стальном тросе 13. Сигнал с датчиков модуля 8 поступает на автоматизированный измерительный комплекс 14 с последующей обработкой.

 

 
 
Рис. 3. Общее устройство экспериментального стенда

Fig. 3. The general structure of the experimental stand
 

Из анализа конструкции экспериментального стенда следует, что при условии установки на приводных валах цепного редуктора испытуемых ведущих колес он будет соответствовать требованиям, предъявляемым к экспериментальному стенду и сформулированным выше.

Однако вопрос изменения угла наклона оси вращения испытуемого колеса требует решения [15]. Как показывают исследования, при испытаниях АРО почвообрабатывающих машин из-за подталкивающего эффекта возникает необходимость стабилизации обеспечения равномерности движения подвижного модуля4.

Результаты исследования

В случае испытания ведущих колес мотоблока будет возникать сила тяги, которая, так же как и подталкивающие силы, возникающие на АРО при их взаимодействии с почвой, предположительно, будет вызывать нарушение устойчивости движения модуля. В связи с этим рассмотрим условие устойчивого движения подвижного модуля (рис. 4). Для этого используем методику, изложенную в одном из наших предыдущих исследований [14].

 

 
 
Рис. 4. Схема нагружения подвижного модуля

Fig. 4. Loading scheme of the mobile module
 

Из рисунка 4 следует, что для исключения отрицательного влияния подталкивающего усилия на устойчивое движение подвижного модуля необходимо выполнение условия

FстFтк. р. ,                   (1)

где Fст суммарная сила сопротивления перекатыванию модуля, Н; Fтк.р. – расчетная сила тяги на колесе мотоблока, Н; примем Fтк.р. = Fтк max / 2 =1 200 / 2 = 600 Н (здесь Fтк max – максимальная сила тяги, развиваемая мотоблоком, Н; в предыдущих исследованиях было выяснено, что Fтк max = 1 200 Н)5 [16].

Определим значение силы Fст. Для рисунка 4 силу сопротивления Fст вычисляем по формуле

Fст=Fст1+Fст2 ,                (2)

где Fст1 и Fст2 – силы сопротивления перекатыванию передних и задних колес модуля соответственно, Н.

Учитывая рекомендации М. П. Александрова, а также результаты предыдущих исследований, для колес с ребордами сила сопротивления их перекатыванию будет определяться зависимостью

Fст1(2)=Rт1(2)2μ+fdDкβ ,      (3)

где Rт1 и Rт2 – силы давления на передних и задних колесах модуля соответственно, Н; μ – коэффициент трения качения, мм; μ = 0,5 мм для чугунного колеса и стального рельса; f – коэффициент трения; f = 0,01 для подшипников качения; d – диаметр оси колес под подшипник, мм; d = 35 мм; Dк – диаметр колес, мм; Dк = 150 мм; β – коэффициент, учитывающий сопротивление от трения реборд; β = 0,5 мм6 [14; 17].

Для определения сил Rт1 и Rт2 воспользуемся уравнением моментов, то есть, с учетом нагружения, получим (векторы сил Fст и Rx не учитываются)

M A =0

R т1 l 2 F gт ( l 2 l 1 )=0,

R т2 = F gт ( l 2 l 1 )/ l 2 ,  

где Fgт – сила тяжести тележки, Н; l1 и l2 – расстояние от центра масс до оси задних колес и колесной базы модуля соответственно, мм; l1 = 300 мм и l2 = 1 100 мм.

Силу тяжести, с учетом массы подвижного модуля mт = 380 кг, определим как

F gт =g m т =9,81650=6377Н,

R т2 =6377(1100300)/1100=4638Н.

Аналогично находим значение силы Rт1. Согласно рисунку 4 получаем

M B =0 ,

R т1 l 2 + F gт l 1 =0,

R т1 = F gт l 1 / l 2 =6377300/1100=1739Н.

 

После последовательной подстановки в выражения (3) и (2) найденных значений получим

F ст1 =1739 20,5+0,0135 150 0,5=8Н,

F ст2 =4638 20,5+0,0135 150 0,5=21Н,

F ст =8+21=29Н.

После последовательной подстановки известных и найденных значений в (1) получим

Fст=29Н<FТк. р.=600Н.

Условие устойчивого движения подвижного модуля вследствие действия создаваемого тягового усилия не выполняется. Поэтому в дальнейшем при разработке экспериментального стенда для исследования ведущих колес мотоблока необходимо обеспечить устойчивость движения подвижного модуля.

Для решения задачи по обеспечению устойчивости движения подвижного модуля экспериментального стенда предлагается использовать динамический стабилизатор (рис. 5), представляющий собой электромагнитный порошковый тормоз, связанный цепной передачей с одним из валов подвижного модуля (рационализаторское предложение ФГБОУ ВО «МГУ им. Н. П. Огарёва» от 22.01.2018 г. № 1172 «Подвижный модуль экспериментального стенда с динамическим стабилизатором устойчивости движения для исследования почвообрабатывающих активных рабочих органов»).

 

 
 
Рис. 5. Динамический стабилизатор устойчивости движения подвижного модуля
экспериментального стенда

Fig. 5. Dynamic stabilizer of motion stability of the mobile module of the experimental stand
 

Использование в качестве стабилизатора движения подвижного модуля электромагнитного порошкового тормоза позволит обеспечить его дистанционное управление и регулирование тормозного момента7 [18; 19].

Для выбора типоразмера электромагнитного порошкового тормоза проведем кинематический расчет его привода. Для этого определим передаточное отношение iцп цепной передачи привода электромагнитного порошкового тормоза [20]:

iцп = nок / nт,                 (4)

где nок – частота вращения опорных колес подвижного модуля, мин–1; nт – рабочая частота вращения вала электромагнитного порошкового тормоза, мин–1.

Частоту вращения опорных колес nок подвижного модуля можно определить по формуле

n ок = 60000 v п π D к ,               (5)

где vп – скорость движения подвижного модуля, м/с; примем, что скорость движения подвижного модуля будет изменяться в интервале от 0,57 до 3,3 м/с.

Учитывая, что Dк = 150 мм, то, согласно (5), получим

n ок = 60000(0,57...3,3) 3,14150 =72,6...420,4 мин 1 .

Для определения nт воспользуемся характеристиками электромагнитных порошковых тормозов типа ПТ, для которых рабочий диапазон частот вращения равен nт = 25...4 000 мин–1.

Подставив nок = 72,6...420,4 мин–1 и nт = 25...4 000 мин–1 в (4), получим

iцп = (72,6...420,4) / (25...4 000) = 0,018 …16,8.

Принимаем для дальнейших расчетов iцп = 0,37.

Тогда при nок = 72,6...420,4 мин–1, согласно (4), значение nт будет равно

nт = nок / iцп = (72,6...420,4) / 0,37 = 196,2…1 136,2 мин–1.

Условие выбора тормоза позаимствуем из материалов ранее проводимых исследований устойчивости движения подвижного модуля экспериментального стенда, изучающего функционирование активных ротационных рабочих органов почвообрабатывающих машин [14]:

TтрTт,                     (6)

где Tтр и Tт – расчетное и табличное значение тормозного момента, Н∙м.

Значение момента Tтр определим по формуле8:

Tтр = kт Tp min,                 (7)

где kт – коэффициент запаса тормозного момента; kт = 1,5; Tp min – расчетный минимальный тормозной момент, Н∙м [14].

Момент Tp min определяем с учетом особенностей конструкции привода электромагнитного порошкового тормоза и функционирования подвижного модуля по следующей формуле:

T pmax = F f2 D к i цп 2 10 3 =928 1500,37 2 1 0 3 =25,8Нм.   (8)

После подстановки известных и рассчитываемых значений в формулу (7) получим

ТТР=1,525,8=38,7Нм.

Далее по каталогу  выбираем тормоз ПТ-6М19. Его тормозной момент Тт = 60 Н·м.

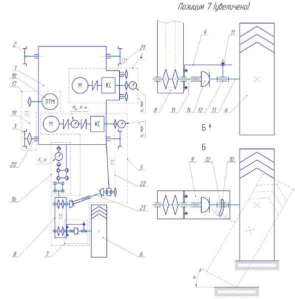
Для реализации возможности изменения угла наклона оси вращения испытуемого колеса предлагается конструкция подвижного модуля экспериментального стенда (рис. 6) [11; 21].

 

 
 
Рис. 6. Съемный модуль для исследования силы тяги на ведущих колесах средств малой
механизации: a) положение испытуемых пневматического колеса и колеса с металлическими
грунтозацепами при угле наклона осей их вращения α = 0°; b) положение испытуемых
пневматического колеса и колеса с металлическими грунтозацепами при угле наклона осей их
вращения α = 28°

Fig. 6. Removable module for the study of traction force on the driving wheels of small mechanization
vehicles: a) the position of the subjects of the pneumatic wheel and the wheel with metal ground hooks at
the angle of inclination of the axes of their rotation equal to α = 0°; b) the position of the subjects of the
pneumatic wheel and the wheel with metal ground hooks at the angle of inclination of the axes of their
rotation equal to α = 28°
 

Предлагаемое устройство позволяет исследовать колесные движители транспортно-технологических машин на различных режимах функционирования, определяемых его частотой вращения и положением (углом наклона) относительно грунта.

Для реализации требований обеспечения изменения угла наклона оси вращения испытуемого колеса и устойчивости движения подвижного модуля обобщим полученные результаты.

На основании объединения предложенных технических решений и базовой конструкции подвижного модуля экспериментального стенда предлагается обобщенная кинематическая схема подвижного модуля, предназначенного для исследования ведущих колес средств малой механизации (рис. 7).

 

 
 
 
Рис. 7. Кинематическая схема подвижного модуля экспериментального стенда для
исследования силы тяги на ведущих колесах средств малой механизации

Fig. 7. Kinematic diagram of the mobile module of the experimental stand for the study of the traction
force on the driving wheels of small mechanization vehicles
 

Подвижный модуль экспериментального стенда представляет собой раму 1 с опорными передними 2 и задними 3 колесами. На раме смонтирован электрический привод 4 перемещения подвижного модуля и электрический привод 5, обеспечивающий вращательное движения ведущего колеса 6, закрепленного с помощью предлагаемого съемного модуля 7 на цепном редукторе 8. Съемный модуль 7 представляет собой закрепленный на цепном редукторе 8 кронштейн 9 с установленной в его направляющем отверстии 10 и зафиксированной гайкой 11 подшипниковой опорой 12. При этом в подшипниковую опору 12 вмонтирован приводной вал 13 с жестко установленным на одном его конце испытуемым колесом 6. Противоположный конец вала 13 через шарнирную угловую муфту 14 соединен с приводным валом 15 цепного редуктора 8. Цепной редуктор 8 установлен с возможностью свободного строго вертикального перемещения на динамометрическом модуле 16, обеспечивающем измерение тягового усилия, создаваемого на испытуемом ведущем колесе 6.

Такой способ установки редуктора 8 позволяет обеспечить регулировку сцепного веса на испытуемом колесе 6 за счет установки балластных грузов. При этом сам динамометрический модуль 16 жестко закреплен на раме 1 подвижного модуля [22–24]. Также на раме 1 смонтирован предлагаемый динамический стабилизатор 17, обеспечивающий стабилизацию движения подвижного модуля. Он представляет собой электромагнитный порошковый тормоз (ПТ-6М1) 18, вал которого соединен цепной передачей 19 с валом 20 задних опорных колес 3.

Разработаем опытный образец на основании базовой конструкции существующего подвижного модуля экспериментального стенда, предназначенного для исследования рабочих органов почвообрабатывающих машин (рис. 1). Следуют учесть предложенную кинематическую схему подвижного модуля экспериментального стенда для исследования силы тяги на ведущих колесах средств малой механизации (рис. 7) и рекомендуемые технические решения. Разработанный опытный образец, а также фрагменты его рабочих элементов представлены на рисунках 8–10.

 

 
 
Рис. 8. Общий вид экспериментального стенда для исследования силы тяги на ведущих
колесах средств малой механизации

Fig. 8. General view of the experimental stand for the study of the traction force on the driving
wheels of small mechanization vehicles

 

 
 
Рис. 9. Общий вид пульта управления электрическими двигателями приводов перемещения
подвижного модуля и вращения испытуемых ведущих колес

Fig. 9. General view of the control panel for electric motors of the drives for moving the movable
module and rotating the test driving wheels
 
 
 
 
Рис. 10. Общий вид автоматизированного измерительного комплекса экспериментального
стенда для сбора и обработки данных

Fig. 10. General view of the automated measuring complex of the experimental stand for data
collection and processing 
 

Обсуждение и заключение

Разработанная конструкция съемного модуля позволяет обеспечить испытание ведущих колес средств малой механизации с учетом особенностей их функционирования и контроля силы тяги. В частности, съемный модуль стенда позволяет обеспечить изменение угла наклона α оси вращения испытуемых пневматических колес или колес с металлическими грунтозацепами относительно горизонта почвы в пределах от 0 до 28°, что позволяет охватить возможные положения испытуемых колес при выполнении основных технологических операций, в том числе и вспашки почвы на глубину до 30 см.

Кроме этого, стенд за счет свободной установки цепного редуктора позволяет обеспечить регулировку сцепного веса на испытуемом колесе путем установки балластных грузов весом 20, 40 и 60 кг.

Независимые друг от друга электрические приводы перемещения подвижного модуля и вращения испытуемого ведущего колеса позволяют бесступенчатым способом обеспечить требуемые значения поступательной скорости и частоты вращения, а также вариацию коэффициента буксования. Это происходит за счет использования для управления двигателями преобразователей частоты.

Применение в качестве стабилизатора движения подвижного модуля электромагнитного порошкового тормоза компенсирует тяговое усилие, создаваемое работой испытуемого ведущего колеса, и стабилизирует его скорость движения. При этом использование электромагнитного порошкового тормоза позволяет обеспечить дистанционное управление и регулирование тормозного момента.

Таким образом, усовершенствование конструкции почвенного канала путем внедрения в него съемного модуля обеспечит проведение испытаний не только активных, тяговых и тягово-приводных рабочих органов почвообрабатывающих машин, но и позволит исследовать характер взаимодействия ведущих колес с почвой. Можно одновременно контролировать силу тяги и буксования. Эти данные могут быть использованы для усовершенствования существующих машин и рабочих органов к ним, а также для разработки новых агрегатов.

 

 

1           Кожевников Г. Н. Разработка метода физического моделирования процессов почвообработки в условиях почвенных каналов : автореф. дис. ... канд. техн. наук. М., 1975. 29 с. URL: https://search.rsl.ru/ru/record/01006986060 (дата обращения: 11.11.2021).

2           01.02.00.01 Лабораторный стенд «Почвенный канал» [Электронный ресурс]. URL: https://labstand.ru/catalog/01_02_laboratornye_stendy_pochvoobrabatyvayushchie_mashiny/01_02_00_01_ls_pochvennyy_kanal_4489 (дата обращения: 10.11.2021) ; 01.02.00.01 ЛС «Почвенный канал» [Электронный ресурс]. URL: http://www.profkabinet.ru/products/2899 (дата обращения: 10.11.2021) ; Лабораторный стенд «Почвенный канал» [Электронный ресурс]. URL: https://newstyle-y.ru/high-school/sh/avtomatizaciya/upravlenie-oborudovaniem-obrabotki/item_9908 (дата обращения: 10.11.2021).

3           ГОСТ P 28523–1990. Мобильные средства малой механизации сельскохозяйственных работ. Тракторы малогабаритные. Типы и основные параметры. М., 1990. 3 с. URL: https://docs.cntd.ru/document/1200023741 (дата обращения: 10.11.2021) ; Коптяев В. А. Повышение эффективности функционирования колесных энергосредств, работающих в составе машинно-тракторных агрегатов, за счет улучшения их тягово-сцепных свойств : дис. ... канд. техн. наук. СПб., 2002. 135 с. URL: https://search.rsl.ru/ru/record/01003231092 (дата обращения: 10.11.2021) ; Горячкин В. П. Собрание сочинений. М. : Колос, 1965. Т. 1. 720 с.

4           Купряшкин В. Ф., Наумкин Н. И., Чаткин М. Н. Анализ устойчивости хода экспериментальной тележки испытательного стенда для исследования почвообрабатывающих машин с фрезерными рабочими органами // Материалы Междунар. науч.-практ. конф. Серия : Энергоэффективные и ресурсосберегающие технологии и системы. Саранск, 2010. С. 372–378. URL: https://www.elibrary.ru/item.asp?id=29180691 (дата обращения: 10.11.2021).

5           Купряшкин В. Ф., Уланов А. С. Эффективное использование почвообрабатывающих агрегатов на базе мотоблоков : моногр. Саранск, 2021. 160 с.

6           Александров М. П. Грузоподъемные машины : учебник. М. : Изд-во МГТУ им. Н. Э. Баумана, 2000. 552 с. URL: https://search.rsl.ru/ru/record/01000698980 (дата обращения: 10.11.2021).

7           Баранов А. В., Лукашук О. А. Методика испытаний электромагнитных тормозов // Материалы Всерос. науч.-практ. конф. «Инновационное развитие подъемно-транспортной техники». Брянск : Брянский государственный университет, 2019. С. 138–172. URL: https://elibrary.ru/item.asp?id=41556318 (дата обращения: 10.11.2021).

8           Наумкин Н. И., Кильмяшкин Е. А. Расчет механизма подъема кранов общего назначения : методические указания. Саранск : Изд-во Мордов. ун-та, 2006. 36 с.

9           Завод Станкоконструкция : сайт [Электронный ресурс]. URL https://www.stancons.ru/ (дата обращения: 21.05.2021).

 

×

About the authors

Aleksandr S. Ulanov

National Research Mordovia State University

Email: ulanow.aleksandr2010@yandex.ru
ORCID iD: 0000-0001-6041-6911
ResearcherId: L-4662-2018

Lecturer of the Prof. Leshchankin Chair of Mobile Power Tools and Agricultural Machinery, Cand.Sci. (Engr.)

Russian Federation, 68 Bolshevistskaya St., Saransk 430005

Vladimir F. Kupryashkin

National Research Mordovia State University

Email: kupwf@mail.ru
ORCID iD: 0000-0002-7512-509X
ResearcherId: L-5153-2018

Head of the Prof. Leshchankin Chair of Mobile Power Tools and Agricultural Machinery, Cand.Sci. (Engr.)

Russian Federation, 68 Bolshevistskaya St., Saransk 430005

Nikolay I. Naumkin

National Research Mordovia State University

Author for correspondence.
Email: naumn@yandex.ru
ORCID iD: 0000-0002-1109-5370
ResearcherId: L-4643-2018

Head of the Chair of Basic Design of Mechanisms and Machines, Dr.Sci. (Ped.), Cand.Sci. (Engr.), Associate Professor

Russian Federation, 68 Bolshevistskaya St., Saransk 430005

Sergey V. Timokhin

Penza State Agricultural Academy

Email: eltech@pnzgu.ru
ORCID iD: 0000-0001-7521-4482
ResearcherId: AAD-8339-2022

Professor of the Technical Service Machines Chair, Dr.Sci. (Engr.)

Russian Federation, 30 Botanicheskaya St., 440014 Penza

Aleksandr Yu. Gusev

National Research Mordovia State University

Email: a.gusev57@yandex.ru
ORCID iD: 0000-0002-5808-4169

Postgraduate Student of the Prof. Leshchankin Chair of Mobile Power Tools and Agricultural Machinery,

Russian Federation, 68 Bolshevistskaya St., Saransk 430005

Vladimir V. Kupryashkin

National Research Mordovia State University

Email: kupvovan@mail.ru
ORCID iD: 0000-0001-5327-4089

Postgraduate Student of the Prof. Leshchankin Chair of Mobile Power Tools and Agricultural Machinery

Russian Federation, 68 Bolshevistskaya St., Saransk 430005

References

  1. Guskov V.V., Dzioma A.A., Kolola A.S., et al. Investigation of Process Pertaining to Interaction of Tractor Driving Wheels with Ground Surface. Nauka i tekhnika = Science & Technique. 2017; 16(1):83-88.(In Russ., abstract in Eng.) doi: https://doi.org/10.21122/2227-1031-2017-16-1-83-88
  2. Osinenko P.V., Geissler M., Herlitzius T. A Method of Optimal Traction Control for Farm Tractors with Feedback of Drive Torque. Biosystems Engineering. 2015; 129:20-33. (In Eng.) doi: https://doi.org/10.1016/j.biosystemseng.2014.09.009
  3. Rasool S., Raheman H. Improving the Tractive Performance of Walking Tractors Using Rubber Tracks. Biosystems Engineering. 2018; 167:51-62. (In Eng.) doi: https://doi.org/10.1016/j.biosystemseng.2017.12.013
  4. Geris J., Verrot L., Gao L., et al. Importance of Short-Term Temporal Variability in Soil Physical Properties for Soil Water Modelling under Different Tillage Practices. Soil and Tillage Research. 2021;213. (In Eng.) doi: https://doi.org/10.1016/j.still.2021.105132
  5. Yemelyanov P.A., Sibiryov A.V., Aksenov A.G. The Mobile Soil Channel Use Efficiency When Conducting the Laboratory Research. Vestnik Krasnoyarskogo GAU = Bulletin of KrasSAU. 2013;(10):216-219. Available at: https://clck.ru/arrdY (accessed 11.11.2021). (In Russ., abstract in Eng.)
  6. Sidorov S.A., Mironov D.A., Liskin I.V. Circular Soil Stand. Patent 2,613,292 Russian Federation.2017 March 15. Available at: https://patenton.ru/patent/RU2613292C1 (accessed 10.02.2021). (In Russ.,abstract in Eng.)
  7. Myasnikov Yu.A., Grishchyenko N.V., Krivyenko A.N., Talanov S.P. Device for Testing Tools in Soil Channel. Patent 960,569 USSR. 1982 September 23. Available at: https://yandex.ru/patents/doc/SU960569A1_19820923 (accessed 10.11.2021). (In Russ., abstract in Eng.)
  8. Batsuev G.A., Krasnoshchekov N.V., Pozhidaev P.N., Chupiko A.D. [Soil Channel]. Patent 244,670 USSR. 1969 May 28. Available at: https://yandex.ru/patents/doc/SU244670A1_19690528 (accessed 10.11.2021). (In Russ.)
  9. Kupryashkin V.F., Ulanov A.S., Shlyapnikov M.G., Knyazkov A.S. Substantiation of Modes of Arable Unit on the Basis of Motoblock Neva MB-23C-MULTIAGRO Pro Plow P1-20/3 by the Criterion of Absence of Slipping of Wheels with the Soil. Vestnik NGIEI = Bulletin of NGIEI. 2019; (7):5-15. Available at: https://yadi.sk/i/BJtkW-_KB3l5HQ (accessed 05.12.2021). (In Russ., abstract in Eng.)
  10. Ucgul M., Saunders C. Simulation of Tillage Forces and Furrow Profile during Soil-Mouldboard Plough Interaction Using Discrete Element Modelling. Biosystems Engineering. 2020; 190:58-70.(In Eng.) doi: https://doi.org/10.1016/j.biosystemseng.2019.11.022
  11. Kupryashkin V.F., Ulanov A.S., Kupryashkina V.N., et al. Stand for Determining the Force of Traction on the Driving Wheels Compact Machinery. Selskiy Mekhanizator = Rural Mechanic. 2019; (2):38-39.Available at: http://www.selmech.msk.ru/219.html (accessed 11.11.2021). (In Russ., abstract in Eng.)
  12. Narang S., Varshney A.C. Draftability of a 8.95 kW Walking Tractor on Tilled Land. Journal of Terramechanics. 2006; 43(4):395-409. (In Eng.) doi: https://doi.org/10.1016/j.jterra.2005.04.006
  13. Balappa B.U., Lokesh A.C., Babu N.C.M. Development of Semi-Automated Sowing Machine for Multiple Crops. Materials Today: Рroceedings. 2021; 42:1317-1320. (In Eng.) doi: https://doi.org/10.1016/j.matpr.2020.12.1147
  14. Kupryashkin V.F., Naumkin N.I., Kupryashkin V.V. Stability of Motion of Mobile Module of Experimental Setup in the Study of Active Rotary Working of Machines for Soil Treatment. Vestnik Mordovskogo universiteta = Mordovia University Bulletin. 2016; 26(2):246-258. (In Russ., abstract in Eng.) doi:https://doi.org/10.15507/0236-2910.026.201602.246-258
  15. Ulanov A.S., Kupryashkin V.F., Shlyapnikov M.G., et al. [Fundamentals of Static Stability of a Power Tiller With a Plow]. Zhurnal E-SCIO = E-SCIO Journal. 2019; (12). Available at: https://clck.ru/as9uX (accessed 11.09.2021). (In Russ.)
  16. Kupryashkin V.F., Ulanov A.S., Shlyapnikov M.G., et al. Experimental Stand Movable Module for Determining the Traction-Linked Properties of Wheel Engines and the Results of Laboratory Researches for Determining the Traction Force of Two-Wheel Tractors. Inzhenernyye tekhnologii i sistemy = Engineering Technologies and Systems. 2021; 31(1):143-160. (In Russ., abstract in Eng.) doi: https://doi.org/10.15507/2658-4123.031.202101.143-160
  17. Chernous D.A. Refining the Calculated Evaluation of the Rolling Friction Coefficient. Mekhanika.Issledovaniya i innovatsii = Mechanics. Researches and Innovations. 2019; (12):198-205. Available at:https://elibrary.ru/item.asp?id=42417376 (accessed 11.11.2021). (In Russ., abstract in Eng.)
  18. Chinnov A.A., Kurdov A.V. [Coefficient of Sliding Friction]. Alleya nauki = Science Alley. 2020;1(1):226-230. Available at: https://clck.ru/dXnP7 (accessed 13.11.2021). (In Russ., abstract in Eng.)
  19. Bakhanovich A.G., Kusyak V.A., Le Van Nghia. Operability Investigation of Electronic Control System of Powder Electromagnetic Brake. Mekhanika mashin, mekhanizmov i materialov = M echanics of Machines, Mechanisms and Materials. 2018; (1):21-28. Available at: https://elibrary.ru/item.asp?id=32651655 (accessed 11.11.2021). (In Russ., abstract in Eng.)
  20. Belousov Y.V. Method for Determining the Optimal Parameters of the Chain Transmission, Taking into Account the Design of the Drive Chain. Vestnik Rossiiskogo universiteta druzhby narodov. Seriya:inzhenernye issledovaniya = RUDN Journal of Engineering Researches. 2021; 22(1):72-83. (In Russ., abstract in Eng.) doi: https://doi.org/10.22363/2312-8143-2021-22-1-72-83
  21. Kupryashkin V.F., Ulanov A.S., Kupryashkin V.V. [Movable Module of a Test Bench]. Patent 188,610 Russian Federation. 2019 April 17. 5 p. Available at: https://yandex.ru/patents/doc/RU188610U1_20190417 (accessed 10.11.2021). (In Russ.)
  22. Kupryashkin V.F., Ulanov A.S., Naumkin N.I. Design of a Dynamometric Module for Studying a Motoblock Share-Moldboard Plow and Its Practical Testing by Using Reverse Engineering. Vestnik Mordovskogo universiteta = Mordovia University Bulletin. 2018; 28(3):400-415. (In Russ., abstract in Eng.) doi: https://doi.org/10.15507/0236-2910.028.201803.400-415
  23. Yin Y., Guo Sh., Meng Zh., et al. Method and System of Plowing Depth Online Sensing for Reversible Plough. IFAC-PapersOnLine. 2018; 51(17):326-331. (In Eng.) doi: https://doi.org/10.1016/j.ifacol.2018.08.199
  24. Mattetti М., Varani M., Molari G., Morelli F. Influence of the Speed on Soil-Pressure over a Plough. BiosystemsEngineering. 2017; 156:136-147. (In Eng.) doi: https://doi.org/10.1016/j.biosystemseng.2017.01.009

Supplementary files

Supplementary Files
Action
1. JATS XML
2. Fig. 1. Diagram of a mobile soil channel

Download (23KB)
3. Fig. 2. Diagram of a circular soil channel for research on the wear of soil-cutting blades

Download (30KB)
4. Fig. 3. The general structure of the experimental stand

Download (40KB)
5. Fig. 4. Loading scheme of the mobile module

Download (20KB)
6. Fig. 5. Dynamic stabilizer of motion stability of the mobile module of the experimental stand

Download (59KB)
7. Fig. 6. Removable module for the study of traction force on the driving wheels of small mechanization vehicles: a) the position of the subjects of the pneumatic wheel and the wheel with metal ground hooks at the angle of inclination of the axes of their rotation equal to α = 0°; b) the position of the subjects of the pneumatic wheel and the wheel with metal ground hooks at the angle of inclination of the axes of their rotation equal to α = 28°

Download (142KB)
8. Fig. 7. Kinematic diagram of the mobile module of the experimental stand for the study of the traction force on the driving wheels of small mechanization vehicles

Download (82KB)
9. Fig. 8. General view of the experimental stand for the study of the traction force on the driving wheels of small mechanization vehicles

Download (132KB)
10. Fig. 9. General view of the control panel for electric motors of the drives for moving the movable module and rotating the test driving wheels

Download (36KB)
11. Fig. 10. General view of the automated measuring complex of the experimental stand for data collection and processing

Download (59KB)

Copyright (c) 2022 Ulanov A.S., Kupryashkin V.F., Naumkin N.I., Timokhin S.V., Gusev A.Y., Kupryashkin V.V.

Creative Commons License
This work is licensed under a Creative Commons Attribution 4.0 International License.

We use cookies and Yandex.Metrica to improve the Site and for good user experience. By continuing to use this Site, you confirm that you have been informed about this and agree to our personal data processing rules.

Согласие на обработку персональных данных

 

Используя сайт https://journals.rcsi.science, я (далее – «Пользователь» или «Субъект персональных данных») даю согласие на обработку персональных данных на этом сайте (текст Согласия) и на обработку персональных данных с помощью сервиса «Яндекс.Метрика» (текст Согласия).