Thermodynamic Analysis of a Trinary Power Plant
- Authors: Kindra V.O.1, Komarov I.I.1, Zlyvko O.V.1, Maksimov I.A.1, Ostrovsky M.A.1
-
Affiliations:
- Moscow Power Engineering Institute
- Issue: No 1 (2024)
- Pages: 70-81
- Section: Articles
- URL: https://journal-vniispk.ru/0002-3310/article/view/259122
- DOI: https://doi.org/10.31857/S0002331024010091
- ID: 259122
Cite item
Full Text
Abstract
Combined-cycle plants operating on natural gas are today one of the most efficient and environmentally friendly energy systems. High energy efficiency and low specific emissions are achieved primarily due to the high average integral temperature of heat supply in the Brayton-Rankine cycle. In this case, the main sources of energy losses are heat losses in the condenser of a steam turbine unit and heat losses with the exhaust gases of the waste heat boiler. This work is devoted to the thermodynamic analysis of the transition from traditional binary cycles to trinary ones, in which, in addition to the gas and steam-water circuits, there is an additional circuit using a low-boiling coolant. Based on the results of the thermodynamic optimization of the structure and parameters of thermal circuits, it was established that the use of an organic Rankine cycle with R236ea freon to utilize the low-grade heat of exhaust gases of a power plant operating with a gas turbine GTE-160 allows achieving a net electrical efficiency of 51.3%, which is higher the efficiency of single-circuit CCGT units with similar initial parameters is by 2.2% and double-circuit CCGT units by 0.5%. The increased level of energy efficiency is due to an increase in the thermal efficiency of the steam turbine part due to the addition of low-pressure heaters, as well as the effective utilization of heat from exhaust gases in a circuit with a low-boiling coolant.
Full Text
ВВЕДЕНИЕ
Основное количество электрической и тепловой энергии в мире производится тепловыми электростанциями, доля которых в выработке составляет более 60%. Наиболее эффективным способом преобразования энергии топлива является применение парогазовых энергетических циклов, электрический коэффициент полезного действия (КПД) нетто которых может достигать 64% [1, 2]. Столь высокий уровень энергоэффективности обусловлен, прежде всего, высокими начальными параметрами: температура рабочей среды на входе в современные газовые турбины может достигать 1650°C [3].
Широкое применение получили парогазовые установки (ПГУ), работающие по бинарному циклу, в которых паротурбинная часть может быть представлена в виде одного, двух и трех контуров теплоносителя. Основные потери энергии для данных установок наблюдаются в конденсаторе. Наиболее очевидный путь их сокращения, заключающийся в создании развитой системы регенеративного подогрева водяного теплоносителя, не нашел широкого применения, поскольку увеличение температуры питательной воды на входе в котел-утилизатор обычно сопровождается ростом температуры уходящих газов и, соответственно, увеличением потерь энергии [4].
В то же время для утилизации низкопотенциальной теплоты уходящих газов ПГУ могут быть использованы дополнительные утилизационные циклы. Так, в работе [5] рассматривается термодинамический эффект от надстройки установки, работающей по органическому циклу Ренкина (ОЦР) к парогазовому энергоблоку для дополнительной выработки электроэнергии. При использовании фреона R134a в качестве рабочей среды утилизационного цикла эффективность ПГУ повышается на более чем 1.1%, а при использовании фреона R123 – на 1.19%. В работе [6] были рассмотрены аммиак, бутан, пентан, R236fa и R245fa в качестве теплоносителей для утилизации теплоты в конденсаторе паровой турбины ПГУ в ОЦР с регенератором. На ПГУ с газовой турбиной НК-36СТ и одноконтурным котлом-утилизатором с начальными параметрами пара 16 МПа и 440°C применение ОЦР на пентане позволяет обеспечить КПД установки выше 60%. В работе [7] были проведены исследования схемы ПГУ с утилизационным циклом на пентане, бутане, R365mfc, RC318, R236ea, R236fa, R123, R245ca, R245fa. Авторами было определено наиболее эффективное рабочее тепло для ОЦР – R365mfc, а также установлено, что КПД ПГУ сильно зависит от температуры конденсации вещества. Так, при использовании пентана при снижении температуры конденсации на 10°C эффективность цикла увеличивается на более чем 0.7%.
Малоизученным является выбор оптимальных схемных решений для ПГУ с дополнительным утилизационным контуром – большое разнообразие низкопотенциальных утилизационных циклов обуславливает необходимость проведения их сравнения для случая использования в тепловых схемах ПГУ. Существует большое количество фреонов для органических энергоустановок и холодильной техники. Новые органические соединения, утечка которых не приводит к разрушающему воздействию на озоновый слой и не способствует процессам глобального изменения климата, активно разрабатываются, в том числе для применения в ОЦР.
Выбор рабочего теплоносителя для утилизационного контура тринарной энергоустановки является малоизученным, отсутствуют рекомендации по выбору фреона для эффективного восприятия теплоты уходящих газов газотурбинной установки (ГТУ) в диапазоне температур свыше 100°C. В связи с этим актуально проведение термодинамических исследований, направленных на выбор как структуры и параметров тепловых схем утилизационного контура тринарной установки, так и ее рабочей среды.
В настоящей работе представлены результаты термодинамического исследования схемных решений для ПГУ, работающих по тринарным энергетическим циклам, где дополнительный утилизационный контур на низкокипящем рабочем теле используется для дополнительной выработки электроэнергии за счет полезного использования теплоты уходящих газов.
ОБЪЕКТ ИССЛЕДОВАНИЙ
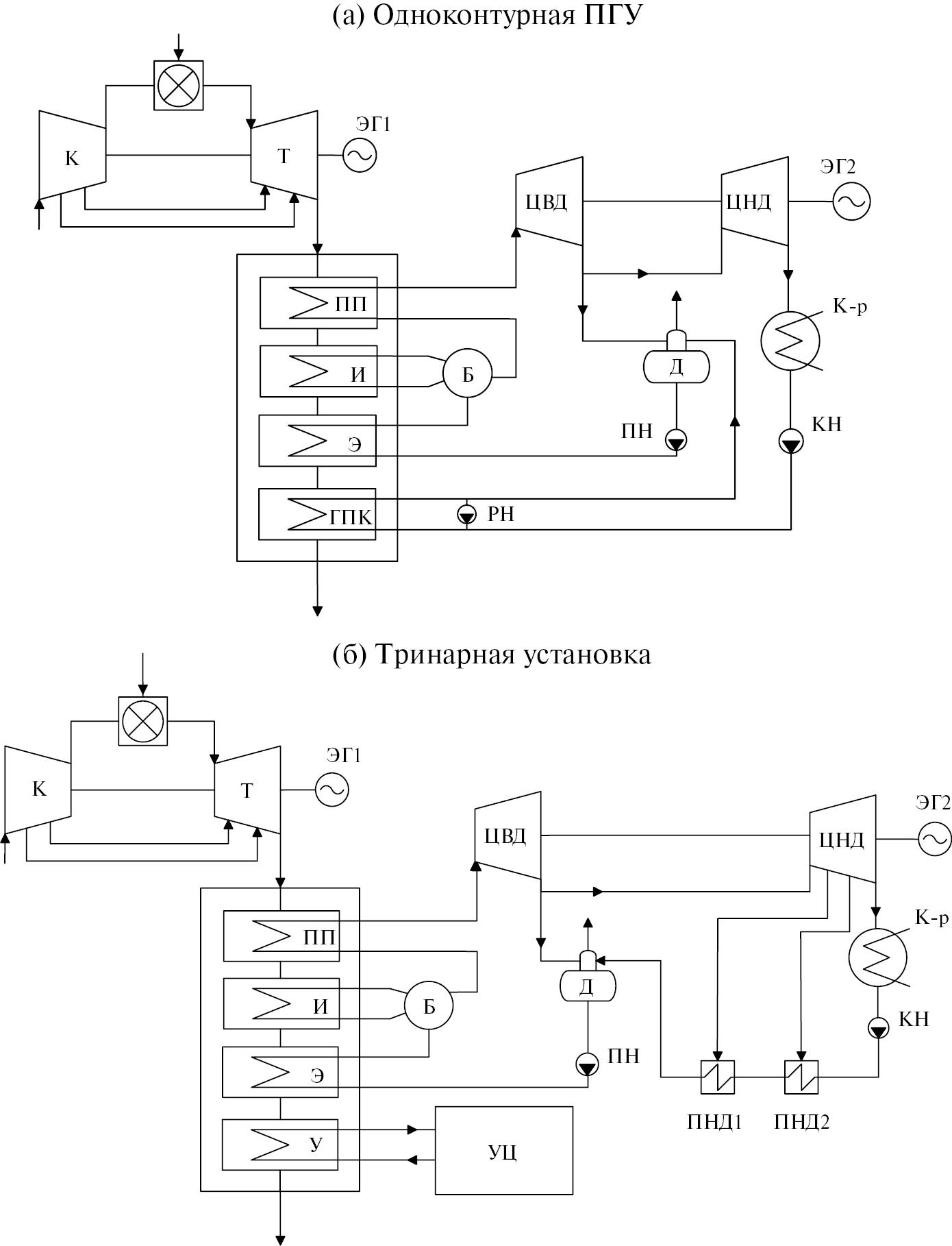
Объектом исследования являются тепловые схемы энергетических установок, работающих по бинарным и тринарным циклам. В качестве базовой рассматривается схема ПГУ, состоящей из газовой турбины, одноконтурного котла-утилизатора и паротурбинной установки (рис. 1а). В работе проводился расчет ПГУ с широко распространенной в России газовой турбиной ГТЭ-160 (V94.2), номинальные параметры которой приведены в табл. 1.
Рис. 1. Схемы исследуемых парогазовых установок: ЭГ – электрогенератор; К – воздушный компрессор; Т – газовая турбина; ПП – пароперегреватель; И – испаритель; Э – экономайзер; У – утилизатор; Б – барабан; ЦВД, ЦНД – цилиндр высокого и низкого давления; Д – деаэратор; К-р – конденсатор; КН, ПН, РН – конденсационный, питательный и рециркуляционный насосы; ПНД – подогреватели низкого давления; УЦ – утилизационный цикл; ГКП – газовый подогреватель конденсата
Таблица 1. Параметры ГТЭ-160
Параметр | Значение |
Расход уходящих газов, кг/с | 509 |
Расход природного газа, кг/с | 8.67 |
Электрическая мощность нетто, МВт | 153 |
Температура на входе в газовую турбину, °C | 1060 |
Степень сжатия в воздушном компрессоре | 10.9 |
Температура уходящих газов после турбины, °C | 537 |
КПД ГТУ, % | 33.9 |
Для сокращения потерь в конденсаторе паровой турбины и повышения эффективности паротурбинного контура может быть использована развитая система регенерации. Для подогрева конденсата используются два подогревателя низкого давления поверхностного типа, в которых отработавший пар от отборов сбрасывается в конденсатор. Их применение позволяет отказаться от газового подогревателя конденсата, что способствует повышению температуры уходящих газов и делает возможным полезное использование их теплоты в утилизационном цикле (рис. 1б), в котором теплота подводится через дополнительные поверхности нагрева котла-утилизатора [8].
Утилизационный контур представляет собой ОЦР на низкокипящем теплоносителе. В работе рассматриваются два варианта исполнения контура: простая схема (рис. 2а) и схема с регенератором (рис. 2б). Добавление регенератора в тепловую схему ОЦР позволяет сократить расход теплоты в холодный источник, что приведет к росту КПД цикла, однако это способствует росту температуры органической среды на входе в горячий источник цикла, что может привести к росту температуры уходящих газов и сокращению выработки электроэнергии тринарной установкой.
Рис. 2. Тепловые схемы рассматриваемых утилизационных установок: У – утилизатор; Т – турбина; К-р – конденсатор; Н – насос; Рег – регенератор
Выбор рабочего теплоносителя для ОЦР будет напрямую определять эффективность утилизации теплоты уходящих газов, в связи с чем необходимо проведение термодинамического анализа циклов с различными органическими средами. В работе [9] был проведен анализ различных характеристик фреонов для органических циклов, в том числе токсичность, воспламеняемость, стоимость, потенциал глобального потепления и влияние на разложение озонового слоя, и в рамках этого анализа был сделан вывод о том, что фреоны R22, R41, R124, R134a, R236ea, вода и CO2 являются перспективными теплоносителями для низкотемпературных установок, поэтому в настоящей работе рассматривается данный перечень рабочих сред для утилизационного цикла тринарной установки.
МЕТОДИКА ПРОВЕДЕНИЯ ИССЛЕДОВАНИЯ
Разработанная модель тринарной энергоустановки состоит из нескольких основных блоков: охлаждаемой ГТУ, паротурбинной установки, котла-утилизатора, представленного набором последовательно установленных теплообменников, и утилизационной установки.
Параметры газовой турбины подбирались таким образом, чтобы получить полное соответствие с параметрами турбины ГТЭ-160. Расчет расходов потока на охлаждение производился по методике, изложенной в [10], для этого компрессор и турбина были условно разделены на ступени, из которых отбирался и в которые подавался воздух. Расчет процесса сгорания в камере сгорания проводился с условием протекания реакции стехиометрического горения метана. Исходные данные для моделирования турбины приведены в табл. 2.
Таблица 2. Исходные данные для математической модели газовой турбины
Параметр | Значение |
Температура наружного воздуха, °C | 15 |
Давление наружного воздуха, кПа | 101.3 |
Топливо | CH4 |
КПД относительный внутренний компрессора, % | 88 |
КПД относительный внутренний турбины, % | 89 |
Гидравлические потери давления в камере сгорания, % | 3 |
Распределение расхода на охлаждение в первых двух ступенях, %/% | 70/30 |
КПД электромеханический, % | 99 |
Процессы расширения и сжатия в турбомашинах рассчитываются с постоянным изоэнтропическим КПД по приведенным ниже уравнениям.
Энтальпия на выходе из турбины рассчитывалась по формуле:
, (1)
где h1 и h2 – энтальпии на входе в турбину и на выходе из турбины, кДж/кг; h'2 – энтальпия при изоэнтропийном расширении в турбине, кДж/кг; hoi.T – внутренний относительный КПД турбины.
Энтальпия в результате сжатия в компрессоре или насосе рассчитывалась по формуле:
, (2)
где hoi.C – внутренний относительный КПД компрессора или насоса.
Котел-утилизатор паротурбинного блока состоит из последовательно установленных теплообменников, в которых рассчитывается тепловой баланс:
, (3)
где h11 и h21 – энтальпии холодного и горячего потоков на входе в теплообменный аппарат, кДж/кг; h12 и h22 – энтальпии холодного и горячего потоков на выходе из теплообменного аппарата, кДж/кг; G1 и G2 – расходы горячей и холодной сред, кг/с; Q – тепловая мощность теплообменного аппарата, кВт.
Исходные данные для моделирования тепловых схем ПГУ приведены в табл. 3.
Таблица 3. Основные параметры ПГУ с одноконтурным котлом-утилизатором для моделирования
Параметр | Значение |
Расход уходящих газов ГТУ, кг/с | 509 |
Внутренний относительный КПД паровой турбины, % | 90 |
Недогрев на горячем конце пароперегревателя, °C | 20 |
Максимальная температура пара на выходе из котла-утилизатора, °C | 560 |
Недогрев на холодном конце испарителя, °C | 10 |
Недогрев на входе в экономайзер, °C | 10 |
Недогрев на входе в деаэратор, °C | 10 |
Давление в конденсаторе, МПа | 0.004 |
Минимальная температура теплоносителя на входе в котел-утилизатор, °C | 60 |
Минимальная температура уходящих газов на выходе из котла-утилизатора, °C | 80 |
Давление в деаэраторе, МПа | 0.12 / 0.3 / 0.7 |
Потери давления в пароперегревателе, % | 5 |
Превышение давления в отборе на деаэратор над давлением в деаэраторе, % | 40 |
Превышение давления в конденсатном насосе над давлением в деаэраторе, % | 40 |
Внутренний КПД питательного и конденсатного насосов, % | 85 |
Степень сухости на выходе из паровой турбины, % | 90 |
КПД механический, % | 99 |
КПД электрогенератора, % | 99 |
Электрическая мощность нетто ГТУ рассчитывалась по формуле:
, (4)
где NГТ – мощность газовой турбины, МВт; NК – мощность воздушного компрессора, МВт; NДК – мощность топливного дожимного компрессора, МВт; hм, hэд и hэг – КПД механический, электропривода и электрогенератора.
Электрическая мощность нетто ПТУ рассчитывалась по формуле:
, (5)
где NПТ – мощность паровой турбины, МВт; NКН и NПН – мощность конденсатного и питательного насосов, МВт.
Электрическая мощность нетто ПГУ рассчитывалась как:
. (6)
Электрическая мощность нетто утилизационной установки определялась как:
, (7)
где NФТ и NФН – мощность фреоновой турбины и насоса, МВт.
Электрический КПД нетто тринарной установки определяется по формуле:
, (8)
где B – расход топлива в ГТУ, кг/с; – низшая рабочая теплота сгорания природного газа, МДж/кг.
Основные параметры для математического моделирования утилизационного контура представлены в табл. 4. Для определения теплофизических свойств фреонов и других рабочих тел использовалась база данных NIST REFPROP.
Таблица 4. Исходные данные для математической модели утилизационной установки
Параметр | Значение |
Температура в конденсаторе цикла, °C | 30 |
Минимальный температурный напор в утилизаторе, °C | 10 |
Минимальный недогрев в регенераторе, °C | 5 |
Внутренний относительный КПД насоса/компрессора | 0.85 |
Внутренний относительный КПД турбины | 0.85 |
КПД электрогенераторов и электродвигателей | 0.99 |
Механический КПД | 0.99 |
Минимальная степень сухости пара на выходе из турбины | 0.90 |
ТЕРМОДИНАМИЧЕСКИЙ АНАЛИЗ
Результаты термодинамического анализа показали, что добавление подогревателей низкого давления в паротурбинной части приводит к возрастанию температуры питательной воды и, как следствие, температуры уходящих газов, что обуславливает падение эффективности парогазового цикла. На рис. 3 приведены графики зависимости эффективности ПГУ и температуры уходящих газов Tух. от температуры питательной воды Тп.в. для одноконтурной установки без регенерации, с регенерацией и двухконтурной установки. Изменение температуры питательной воды производилось за счет изменения давления в деаэраторе (использовался ряд давлений для деаэраторов – 0.12, 0.3 и 0.7 МПа). Увеличение температуры питательной воды на 60°C приводит к уменьшению эффективности цикла на 2.3% в цикле с регенерацией и на 0.6% при применении двухконтурной ПГУ (рис. Рис 3а). Добавление в одноконтурную установку подогревателей низкого давления приводит к падению общей эффективности цикла ввиду повышенных потерь с теплотой уходящих газов. Эффективность двухконтурной установки в среднем на 1.7–1.1% выше, чем одноконтурной, в первую очередь за счет более глубокой утилизации теплоты уходящих газов. Одновременно с этим увеличение температуры питательной воды на 60°C в одноконтурной установке приводит к росту потерь теплоты с уходящими газами на 15.7 МВт и сокращению потерь в конденсаторе паровой турбины на 10.4 МВт (рис. 3б).
Рис. 3. Графики зависимости КПД нетто ПГУ и мощности тепловых потерь в ПГУ от температуры питательной воды
В двухконтурных установках температура уходящих газов в зависимости от температуры питательной воды варьируется от 86 до 118°C, в связи с чем надстройка утилизационной установки нецелесообразна: она будет работать при малом перепаде температур, а ее мощность будет сравнительно низкой. Перспективным является добавление ОЦР в схемы одноконтурных ПГУ, где температура газов на выходе может достигать 183°C.
Для утилизации теплоты уходящих газов с повышенной температурой в работе были рассмотрены ОЦР на различных видах рабочих тел. На рис. 4 приведено сопоставление их энергетической эффективности. При надстройке утилизационного цикла к ПГУ с температурой уходящих газов 183°C (с дальнейшим их охлаждением до 80°C в цикле) наиболее эффективным является ОЦР с фреоновым рабочим телом R236ea. КПД нетто ОЦР достигает 15.72% в базовом варианте и доходит до 17.35% при использовании схемы с регенератором.
Рис. 4. Эффективность различных утилизационных циклов для тринарной энергоустановки
Таким образом, наиболее эффективным схемным решением будет использование в качестве утилизационной установки для тринарного энергоблока ОЦР на фреоне R236ea. Итоговая схема и параметры тринарной энергоустановки, а также T-S диаграмма тринарного цикла приведены на рис. 5.
Рис. 5. Схема дренажной установки и ее цикл на T-S диаграмме
За счет того, что низкопотенциальная часть теплоты уходящих газов не используется в пароводяном цикле, как в традиционной ПГУ, а переносится в более энергетически эффективный утилизационный цикл на низкокипящем теплоносителе, общая выработка электрической энергии увеличивается. Это позволяет тринарным энергоблокам конкурировать не только с одноконтурными ПГУ, но и двухконтурными установками – абсолютный прирост КПД по сравнению с одноконтурной составляет более чем 2.2%, а при сопоставлении с двухконтурной эффективность тринарной выше более чем на 0.5% (рис. 6).
Рис. 6. Сравнение эффективности парогазовых установок
Более высокая тепловая экономичность тринарных циклов по сравнению с бинарными обуславливается несколькими факторами. В первую очередь, за счет развития системы регенерации в паротурбинном контуре сокращаются потери энергии в конденсаторе турбины, одновременно с этим позволяя убрать газовый подогреватель конденсата и повысить температуру среды на входе в утилизационный цикл. Утилизационный цикл за счет использования теплоносителя с низкой температурой кипения позволяет более эффективно утилизировать остаточную теплоту уходящих газов для дополнительной выработки электроэнергии по сравнению с традиционной схемой (рис. 7). Глубокая утилизация низкопотенциальной теплоты в цикле производится при повышенном значении среднеинтегральной температуры подвода, что обеспечивает высокий КПД цикла.
Рис. 7. T-Q диаграмма тринарной установки с ГТЭ-160
Такие результаты справедливы при глубине охлаждения уходящих газов в данных энергоблоках до 80°C. Однако перспективным является направление создания котлов-утилизаторов с конденсационными теплообменниками, в которых глубина охлаждения уходящих газов может достигать 40–50°C для выработки большей мощности [11]. При работе в таких условиях сравнительная энергетическая эффективность тринарных установок будет еще выше, чем у традиционных бинарных за счет эффективного использования теплоты конденсации водяных паров уходящих газов в утилизационном цикле.
Цикл Ренкина с органическим теплоносителем R236ea при данных начальных параметрах – наиболее энергоэффективный способ утилизации теплоты уходящих газов. Причиной тому являются различные факторы: более высокая среднеинтегральная температура подвода тепла за счет формы кривой при сверхкритическом переходе, а также высокая степень регенерации в цикле и, как следствие, сравнительно низкий уровень потерь теплоты в холодном источнике. С термодинамической точки зрения, эффективность работы регенеративной системы можно охарактеризовать степенью регенерации j, являющейся отношением передаваемой в теплообменнике мощности к максимально возможной при нулевом недогреве, а также уровнем потерь давления по горячему и холодному каналам. Отсутствуют общепринятые рекомендации по выбору допустимых потерь на прокачку сред и по выбору степени регенерации в ОЦР – эти параметры влияют как на КПД, так и суммарную стоимость системы.
На рис. 8 приведены графики зависимости КПД нетто ОЦР на фреоне R236ea от степени регенерации в цикле и потерь давления в регенераторе. Степень регенерации и потери давления существенно влияют на конечное значение КПД органического цикла. Так, при увеличении потерь давления в регенераторе на 10 кПа эффективность органического цикла снижается на 0.25%, а при увеличении степени регенерации на 10% эффективность цикла увеличивается в среднем на 0.2%.
Рис. 8. График зависимости КПД нетто ОЦР от потерь давления в регенераторе (а) и степени регенерации (б)
Степень регенерации в цикле может варьироваться от 0 до 1, что соответствует случаю отсутствия теплообменника и случаю максимально эффективного теплообменника с нулевым недогревом теплоносителей. Первый случай схематично эквивалентен ОЦР без регенерации и соответственно будут равны значения КПД нетто этих циклов. Второй же физически можно обеспечить при бесконечно большой площади теплообмена. При этом следует учитывать, что потери давления в дополнительном теплообменнике могут снизить эффективность цикла, и при некотором значении эффективность может стать даже меньше, чем в цикле без регенерации. В таком случае установка регенератора не имеет смысла.
На рис. 9 приведен график зависимости КПД нетто ОЦР на R236ea от степени регенерации и потерь давления в регенераторе при оптимальных начальных давлениях. Верхняя синяя линия соответствует циклу с регенератором без потерь давления, а красная – циклу без регенератора. Два этих случая определяют область, в которой установка регенератора термодинамически обоснована. На графике видно, что при потерях давления 80 кПа и более эффективность цикла при любой, даже максимально большой, степени регенерации становится ниже эффективности цикла без регенерации. Таким образом, экономически обоснованные характеристики регенеративной системы для утилизационной установки могут быть определены в довольно ограниченном диапазоне рабочих параметров. В связи с этим эффект от внедрения системы регенерации теплоты в утилизационном цикле будет определяться во многом уровнем теплогидравлической эффективности течения в каналах теплообменного оборудования цикла.
Рис. 9. График зависимости КПД нетто ОЦР от степени регенерации и потерь давления при оптимальных параметрах в цикле
ЗАКЛЮЧЕНИЕ
В настоящей работе представлены результаты термодинамического анализа тепловых схем парогазовых энергоблоков, работающих по тринарным циклам.
- Добавление подогревателей низкого давления в паротурбинный контур ПГУ приводит к повышению ее тепловой экономичности, росту температуры питательной воды и, как следствие, росту температуры уходящих газов из котла-утилизатора. Благодаря этому перспективной становится схема с дополнительным контуром на низкокипящем теплоносителе, в котором появляется возможность эффективной утилизации теплоты уходящих газов для генерации дополнительной электрической энергии.
- Применение ОЦР с фреоном R236ea в качестве теплоносителя для утилизации теплоты уходящих газов позволяет достичь максимальной эффективности тринарной энергоустановки. КПД нетто цикла тринарной установки с газовой турбиной ГТЭ-160 достигает 51.3%, что выше эффективности современных двухконтурных ПГУ на 0.5% и одноконтурных ПГУ на 2.2%. Это свидетельствует о том, что применение схем тринарных энергоустановок может способствовать повышению эффективности генерации электроэнергии и, как следствие, сокращению выбросов вредных веществ в атмосферу.
- Применение регенератора в ОЦР позволяет повысить его КПД более чем на 1.6%, при этом конечный уровень эффективности будет определяться выбором рабочей степени регенерации в цикле – ее увеличение на 10% приводит к росту КПД в среднем на 0.2%. Одновременно с этим введение дополнительного оборудования приведет к дополнительным затратам энергии на прокачку теплоносителей. Установлено, что увеличение потерь давления в регенераторе на 10 кПа приводит к падению эффективности ОЦР в среднем на 0.25%. Это приводит к тому, что положительный термодинамический эффект от внедрения регенерации в ОЦР может быть обеспечен в ограниченном диапазоне степени регенерации и потерь давления в каналах теплообменников.
Работа выполнена при финансовой поддержке Министерства науки и высшего образования Российской Федерации в рамках государственного задания № FSWF-2023-0014 (соглашение № 075-03-2023-383 от 18 января 2023 г.) в сфере научной деятельности на 2023–2025 гг.
About the authors
V. O. Kindra
Moscow Power Engineering Institute
Author for correspondence.
Email: kindra.vladimir@yandex.ru
Russian Federation, Moscow
I. I. Komarov
Moscow Power Engineering Institute
Email: kindra.vladimir@yandex.ru
Russian Federation, Moscow
O. V. Zlyvko
Moscow Power Engineering Institute
Email: kindra.vladimir@yandex.ru
Russian Federation, Moscow
I. A. Maksimov
Moscow Power Engineering Institute
Email: kindra.vladimir@yandex.ru
Russian Federation, Moscow
M. A. Ostrovsky
Moscow Power Engineering Institute
Email: kindra.vladimir@yandex.ru
Russian Federation, Moscow
References
- Okajima Y., Torigoe T., Mega M., Kuwabara M., Okaya N. Development of Advanced TBC for 1650°C Class Gas Turbine. ITSC2021. ASM International. 2021. С. 695–699.
- Morimoto K., Matsumura Y., Iijima T., Wakazono S., Kataoka M., Yuri M. Validation Results of 1650°C Class JAC Gas Turbine at T-point 2 Demonstration Plant. Mitsubishi Heavy Industries Technical Review. 2021. Т. 58. № 1. С. 12.
- Ольховский Г. Г. Наиболее мощные энергетические ГТУ (обзор) // Теплоэнергетика. 2021. № 6. С. 87–93.
- Киндра В.О., Наумов В. Ю., Скляр Н. С., Львов Д. Д., Максимов И. А. Тринарные энергетические циклы для высокоэффективного производства электроэнергии из ископаемого топлива // Новое в российской электроэнергетике. 2022. № 4. С. 7–25.
- Bălănescu D.-T., Homutescu V.-M. Performance analysis of a gas turbine combined cycle power plant with waste heat recovery in Organic Rankine Cycle. Procedia Manufacturing. – 2019. Т. 32. С. 520–528.
- Galashov N., Tsibulskiy S., Serova T. Analysis of the Properties of Working Substances for the Organic Rankine Cycle Based Database “REFPROP”. EPJ web of conferences. EDP Sciences. 2016. Т. 110. С. 01068.
- Галашов Н.Н., Цибульский С. А. Параметрический анализ схемы парогазовой установки с комбинацией трех циклов для повышения кпд при работе в северных газодобывающих районах // Изв. Томского политехнического университета. 2019. Т. 330. № 5. С. 44–55.
- Kindra V., Rogalev N., Osipov S., Zlyvko O., Naumov V. Research and Development of Trinary Power Cycles: 3. Inventions. Multidisciplinary Digital Publishing Institute. 2022. Т. 7. № 3. С. 56.
- Киндра В.О., Рогалев Н. Д., Рогалев А. Н., Наумов В. Ю., Сабанова Е. Н. Термодинамическая оптимизация низкотемпературных циклов для теплоэнергетики // Новое в российской электроэнергетике. Учредители: Информационное агентство “Энерго-пресс”. № 5. С. 6–30.
- Наумов В.Ю., Осипов С. К., Злывко О. В., Киндра В. О. Утилизация низкопотенциальной теплоты в углекислотных циклах Брайтона и Ренкина // Энергосбережение – теория и практика. 2022. С. 19–25.
- Vannoni A., Giugno A., Sorce A. Integration of a flue gas condensing heat pump within a combined cycle: Thermodynamic, environmental and market assessment. Applied Thermal Engineering. 2021. Т. 184. С. 116276.
Supplementary files











