Generating repair schedules for generating equipment based on planned reliability indicators of electric power systems
- Authors: Krupenev D.S.1, Boyarkin D.A.1, Iakubovskii D.V.1
-
Affiliations:
- Melentiev Energy Systems Institute of Siberian Branch of the Russian Academy of Sciences
- Issue: No 3 (2024)
- Pages: 64-80
- Section: Articles
- URL: https://journal-vniispk.ru/0002-3310/article/view/269770
- DOI: https://doi.org/10.31857/S0002331024030048
- ID: 269770
Cite item
Full Text
Abstract
The article discusses the problem of planning repairs of generating equipment during long-term planning of the operation of electric power systems. A mathematical model for the formation of repair schedules for power equipment is proposed, which takes into account two aspects: the current technical condition of power equipment and maximizing the planned reliability of electric power systems when carrying out repairs of power equipment. To solve problems based on a mathematical model for generating repair schedules for power equipment, a methodology for solving these problems is proposed. The final part of the article presents the results of applying the proposed methodology on a test circuit of the power system.
Full Text
ВВЕДЕНИЕ
Обеспечение надежного электроснабжения потребителей является неотъемлемым условием для их успешного функционирования и развития. В последние десятилетия кардинально меняются условия функционирования электроэнергетических систем (ЭЭС). В ЭЭС интегрируются новые элементы и технологии такие как возобновляемые источники энергии (ВИЭ), системы накопления энергии (СНЭ), распределенная генерация, и развиваются различные механизмы управления, например, управление спросом (demand response) [1]. Отдельно стоит отметить возрастание роли неопределенности природо- и погодообусловленных явлений, например, экстремальная водность, от которой зависит выработка электроэнергии и мощности на гидроэлектростанциях, повышение частоты экстремальных явлений: сильный ветер, снегопад, ледяной дождь и других, от которых зависит аварийность энергетического оборудования в различные периоды времени, а также износ энергетического оборудования [2, 3]. Все перечисленное приводит к усложнению технологической структуры энергосистем и сложности управления технологическими процессами, к которым можно отнести и процесс планирования ремонтов энергетического оборудования. В складывающихся условиях возрастает роль своевременного и адекватного комплексного анализа ЭЭС и выработки обоснованных решений по управлению их работой. Одним из аспектов такого анализа является оценка надежности ЭЭС с учетом максимального количества влияющих факторов.
В статье рассматривается задача формирования графиков ремонта энергетического оборудования ЭЭС, удовлетворяющих критерию оптимальной надежности. По своему содержанию решаемая задача является дискретной, динамической, вероятностной. Прямых математических методов для решения таких задач не существует. В современных энергосистемах, где неопределенность, в виду обозначенных выше причин, возрастает, применение специализированных средств для решения задачи планирования ремонтов становится крайне необходимым. Создание и применение методического и программного аппарата решения задачи планирования ремонтов энергетического оборудования позволит повысить корректность принятия решений при планировании работы (режимов и балансов) ЭЭС, обеспечить надежность работы ЭЭС и экономическую эффективность. В результате при практическом применении методического аппарата будут минимизированы риски возникновения чрезвычайных ситуаций в энергосистемах и негативного воздействия на экономику, экологию и социальную сферу.
Задача оптимального планирования ремонтов энергетического оборудования существует с момента появления ЭЭС. На протяжении истории ее решения разрабатывались и предлагались различные критерии и методы. Рассматриваемая задача становилась все более актуальной с усложнением структуры ЭЭС, повышением неопределенности функционирования и повышением зависимости экономической эффективности и безопасности потребителей электроэнергии от надежного электроснабжения. Основным пользователем результатов решения рассматриваемой задачи являются организации, которые осуществляют техническое управление энергосистемой. Например, в России основные пользователи результатов решения задачи оптимального планирования ремонтов энергетического оборудования – это службы Системного оператора и Объединенных диспетчерских управлений (ОДУ). В современных условиях на уровне ОДУ процесс планирования ремонтов практически не автоматизирован. Службы долгосрочного планирования энергетических режимов и балансов собирают заявки генерирующих компаний на ремонты генерирующего оборудования на предстоящий годичный период. Далее сотрудники этой службы с минимальным использованием автоматизированных средств (специального программного обеспечения) формируют графики ремонтов генерирующего и сетевого оборудования с учетом основных внешних влияющих условий на основании экспертного опыта. Специализированным программным обеспечением выступает Информационная система “Система автоматизированного планирования электроэнергетических режимов” (ИС “САПЭР”) [4]. В ИС “САПЭР” не производится непосредственное решение обозначенной проблемы. Это программное обеспечение выступает в роли помощника для выполнения вариантных расчетов балансов мощности и проверки реализуемости месячных и годовых графиков ремонтов основного энергетического и электросетевого оборудования по условиям балансов мощности, электроэнергии и режимным ограничениям. Естественно, вопросы системной надежности при применении этого программного обеспечения рассматриваются на поверхностном уровне, то же самое можно сказать и о вопросах учета природообусловленных явлений, например, экстремальной водности на каскадах ГЭС, вопросах экологии и безопасности.
Обоснованные научные подходы к решению рассматриваемой задачи начали предлагаться в 60–70 годы прошлого века. Постановка исследуемой задачи может иметь несколько вариантов. По сути, все варианты представляют классические постановки задачи оптимизации надежности, в которых в качестве целевой функции может выступать как надежностный критерий, например, минимум м.о. недоотпуска электроэнергии, так и экономический критерий, например, минимум операционных затрат, при том, что надежность энергосистемы учитывается в виде ограничений. Стоит отметить, что в некоторых работах предложены модели и методы планирования ремонтов только генерирующего оборудования, а в некоторых генерирующего и сетевого.
Что касается методов решения поставленной задачи, то их разработано достаточное количество [5–20], остановимся на некоторых из них. В СЭИ СО АН СССР под руководством Ю.Н. Руденко были начаты исследования и получены результаты в решении обозначенной проблемы с последующей разработкой программно-вычислительного комплекса “Резерв” [5, 6]. В дальнейшем эти работы были продолжены под руководством Н.И. Воропая [7]. Если в начальный период при решении обозначенной проблемы опирались на технические (надежностные) критерии, то в [7] решение по планированию ремонтов генерирующего оборудования основано на экономическом (рыночном) критерии (максимизации годовой прибыли генерирующих компаний). Интересный подход для решения поставленной задачи предложен в [8, 9]. Стоит отметить, что этот подход разработан чемпионом мира по шахматам М.М. Ботвинником. В источниках [8, 9] предлагается решать задачи планирования ремонтов генерирующего оборудования, которые имеют комбинаторный (переборный) характер, используя метод поиска хода шахматным мастером. На основании предлагаемого метода был разработан ряд модификаций программы “Пионер”. В [10, 11] представлены результаты по адаптации методов градиентной оптимизации для решения обозначенной проблемы, а в [12] представлены результаты подобного исследования, в которых предлагается для составления графика плановых ремонтов генерирующего оборудования использовать эвристический метод дифференциальной эволюции. В [13–15] авторы предлагают применение экспертных и эвристических методов для оптимизации графиков ремонтов, основываясь на надежностных критериях. Помимо технических критериев существуют подходы, основанные на экономических критериях, как, например, в [7, 16–19] применяются экономические критерии. Обзор методов планирования графиков ремонтом не ограничивается представленными, существуют и другие методы.
Во всех проанализированных работах учет системной надежности ЭЭС либо проводится не на достаточном уровне, либо вовсе отсутствует, хотя требования по обеспечению надежности являются основными при решении рассматриваемой задачи.
В целом современное состояние в рассматриваемой научной области можно охарактеризовать следующим образом: как отечественными исследователями, так и зарубежными сделаны значительные продвижения для грамотного решения рассматриваемой проблемы, но во всех проанализированных исследованиях нет комплексности учета влияния ремонтов на свойства энергосистем: экономика, надежность, безопасность, экология; также методическая часть, касающаяся системной надежности ЭЭС находится не на должном уровне, а в некоторых случаях и вовсе отсутствует.
Целью статьи является представление методики формирования графиков ремонта генерирующего оборудования при долгосрочном планировании работы (режимов и балансов) ЭЭС. Статья состоит из четырех разделов. В первом разделе представлены содержательная и математическая постановки решаемой задачи; во втором разделе представлена краткая характеристика задачи оценки плановой надежности ЭЭС; в третьем разделе представлена методика решения поставленной задачи; в четвертом разделе представлены результаты экспериментальных исследований по тестированию методики формирования графиков ремонтов генерирующего оборудования при долгосрочном планировании работы ЭЭС.
ПОСТАНОВКА ЗАДАЧИ ФОРМИРОВАНИЯ ОПТИМАЛЬНЫХ ГРАФИКОВ РЕМОНТА ЭНЕРГООБОРУДОВАНИЯ
Графики ремонта энергооборудования в ЭЭС формируются на основании необходимости проведения различных видов ремонтов. Такая необходимость может быть определена в результате определенной наработки энергообъекта, если на энергетических предприятиях принята планово-предупредительная стратегия профилактики энергооборудования [20, 21], либо в результате оценки технического состояния энергобъекта [21, 22]. В любом случае ремонт энергооборудования не всегда может быть проведен по требованию, так как существуют системные ограничения, накладываемые на вывод оборудования в ремонт, которые могут не позволить сделать этого. Стоит понимать, что отсрочка ремонта может привести к резкому снижению надежности энергооборудования в последующий период эксплуатации и, как следствие, снижению надежности ЭЭС и появлению экономического ущерба.
В рассматриваемом случае содержательно задачу формирования оптимальных графиков ремонта энергооборудования сформулируем следующим образом: для известной структуры ЭЭС, технических (в том числе надежностных) и экономических характеристик энергооборудования, прогнозных данных поведения погодо- и природообусловленных явлений на период планирования работы ЭЭС, известной потребности в ремонте генерирующих агрегатов и линий электропередачи необходимо сформировать график проведения ремонтов энергооборудования с обеспечением необходимого уровня надежности энергосистемы и максимальной экономической эффективности.
Необходимо отметить, что требуется определить только последовательность (порядок) выполнения ремонтов, а вопросы, связанные с наличием ресурсов для выполнения этих ремонтов, в этой работе не рассматриваются. Считается, что имеется достаточное количество ремонтных бригад для выполнения ремонтов в определенные сроки.
По сути, решаемая задача является задачей формирования оптимального расписания, в рассматриваемом случае ремонтов энергооборудования. Это означает, что ее описание будет справедливым при применении методического аппарата теории расписаний [23–25]. Решаемую задачу можно охарактеризовать как задачу упорядочивания. По сути, задано распределение ремонтов по исполнителям и определены параметры ремонтов, а именно продолжительность, необходимо определить только время начала проведения ремонтов, удовлетворяющее заданным критериям и ограничениям, при учете специфики работы ЭЭС.
По типу целевой функции решаемая задача будет являться задачей с суммарным критерием оптимизации. В процессе решения необходимо оптимизировать интегральный критерий эффективности функционирования ЭЭС. Также возможна постановка рассматриваемой задачи как многокритериальной задачи оптимизации; отличием от предыдущей постановки будет являться учет нескольких целевых функций, например, возможное время отключения потребителей электроэнергии и минимум расхода топлива на электростанциях.
По способу задания входной информации задача относится к стохастическим. Классически задача решается для разработки плана работы ЭЭС на заданный период, то есть задаются значения всех параметров до начала определения оптимального графика ремонтов. Но стоит отметить, что в процессе функционирования ЭЭС могут возникать ситуации, не совпадающие с прогнозными планами, например, неблагоприятные погодные условия, приводящие к повышению загрузки энергооборудования и повышению аварийности; форс-мажорные, катастрофические события, приводящие к вынужденным режимам работы энергосистемы. В таких случаях необходимо решение динамических задач и разработка для их формализации динамических моделей и методов.
Математическая постановка: рассматривается ЭЭС, состоящая из энергообъектов (генерирующих агрегатов, линий электропередачи), причем из них это энергообъекты, для которых необходимо провести ремонт в предстоящий период . Каждый ремонт, характеризуется продолжительностью , . Имеются оцененные значения показателей плановой надежности (стоит отметить, что в данном случае могут быть использованы такие показатели как вероятность бездефицитной работы, м.о. недоотпуска электроэнергии) для каждого подпериода , . Требуется составить график (расписание) вывода объектов в ремонт с соблюдением требований по нормативу надежности и минимизацией негативного влияния на потребителей электроэнергии, которая может быть выражена в математическом ожидании (м.о.) недоотпуска электроэнергии либо в другом критерии, отражающим надежность и экономичность ЭЭС.
Ремонт любого вида должен выполняться полностью без прерывания сроков его выполнения, для этого условия введем булевы переменные . Если , то ремонт выполняется, в обратном случае . Обозначим – множество вариантов изменения состава генерирующего и сетевого оборудования в узле , при выводе его в ремонт.
Стоит подчеркнуть, что ремонты проводятся для повышения надежности энергооборудования, это означает, что после ремонта показатели аварийности снижаются, что самым непосредственным образом влияет на надежность ЭЭС, в противном случае, при невыполнении ремонтов в предусмотренные сроки показатели аварийности оборудования могут иметь тенденцию к резкому повышению. Это следует учитывать при подобных вычислениях.
Целевую функцию при решении задачи формирования графиков ремонтов энергооборудования запишем следующим образом:
, (1)
учитывая ограничения
, (2)
, (3)
. (4)
, (5)
где
– значение м.о. недоотпуска электроэнергии в узлах ЭЭС в расчетных интервалах, МВт;
– количество рассматриваемых подпериодов (сутки, недели, месяцы);
– количество узлов ЭЭС;
– рабочая характеристика (мощность, пропускная способность) энергетического оборудования, выводимого в плановый ремонт, МВт;
– объем плановых ремонтов всех видов, МВт ч;
– множество вариантов вывода из работы энергетического оборудования для выполнения плановых ремонтов в узле ;
– фактическое значение показателя плановой надежности;
– нормируемое значение показателя плановой надежности;
ξ – случайная составляющая, отражающая вероятностную основу оценки плановой надежности.
КРАТКАЯ ХАРАКТЕРИСТИКА МЕТОДИКИ ОЦЕНКИ ПЛАНОВОЙ НАДЕЖНОСТИ ЭЛЕКТРОЭНЕРГЕТИЧЕСКИХ СИСТЕМ
Центральным моментом при решении задачи планирования ремонтов является корректный учет влияния ремонтов энергооборудования на системную надежность ЭЭС. Системная надежность подразделяется на три составляющих: режимная, плановая, балансовая [26] и для решения задач планирования работы ЭЭС, к которым относится решаемая, необходимо использовать показатели плановой надежности ЭЭС. Все три составляющие системной надежности взаимосвязаны и имеют свою специфику оценки. В рамка оценки плановой надежности интегрируются некоторые аспекты как режимной, так и балансовой надежности и, как уже отмечено, имеется ряд специфических особенностей. Самым эффективным методом оценки системной надежности является метод Монте-Карло [27]. Именно на его основе базируется и методика оценки плановой надежности. Содержательно задачу оценки плановой надежности ЭЭС можно сформулировать следующим образом: для заданного прогноза электропотребления на период до 1–2 лет известной структуры и состава оборудования ЭЭС (в том числе с учетом планов по вводу/выводу оборудования) необходимо определить показатели надежности, характеризующие обеспечение электроэнергией и мощностью потребителей, отражающие “слабые” места ЭЭС, и позволяющие принимать рациональные решения при решении последующих задач синтеза плановой надежности, учитывая случайные процессы поведения энергооборудования, случайный характер поставок топлива на электростанции, случайны колебания потребления электроэнергии, а также максимально корректное потокораспределение мощности.
Функционирование ЭЭС является многомерным случайным процессом, в котором происходит изменение во времени многих числовых параметров, характеризующих работу энергосистемы. Под случайным процессом функционирования ЭЭС будем понимать процесс, значение которого при любом фиксированном является случайным состоянием системы [28, 29]. В процессе функционирования ЭЭС происходят различные события (): отказы оборудования, изменения нагрузки потребителей, изменение параметров элементов, которые анализируются при оценке надежности. Учитывая последнее, случайный процесс функционирования ЭЭС можно записать в виде функции двух аргументов:
где – события, происходящие в ЭЭС;
– пространство событий;
– временной отрезок анализа надежности ЭЭС;
– множество возможных значений случайного процесса функционирования ЭЭС .
В составе ЭЭС работают различные элементы с различными особенностями работы. По сути, случайный процесс функционирования ЭЭС является процессом с непрерывным временем и с непрерывными состояниями (по факту состояния являются смешанные, так как присутствуют и непрерывные, и дискретные, в теории случайных процессов такие состояния тоже называются непрерывными). Непрерывное время объясняется тем, что для ЭЭС переходы системы из состояния в другие состояния могут происходить в любой момент t наблюдаемого периода T, но в процессе оценки надежности ЭЭС на основе метода Монте-Карло рассматриваемые периоды дискретны и равны какому-либо временному промежутку, как правило одну часу. Что касается случайных состояний, то, как уже отмечено, рассматриваются различные состояния как дискретные, так и непрерывные, например, отказы энергетического оборудования формируют дискретные состояния, а случайное поведение параметра ЭЭС, например, напряжение и параметра, влияющего на надежность ЭЭС, например, скорость ветра или инсоляция солнца формируют непрерывные состояния. Если углубиться в анализ случайного процесса функционирования ЭЭС, то можно заключить, что функционирование ЭЭС характеризуется множеством случайных процессов, которые связаны электротехническими и другими законами. При многократном моделирования динамики изменении параметров ЭЭС получим семейство реализаций случайного процесса. При анализе надежности ЭЭС требуется определить изменение параметров системы при реализации случайных событий. К примеру, траектория изменения напряжения на шинах подстанции, в течение определенного времени представляет случайный процесс, т.к. значение напряжения зависит от многих факторов: отказы оборудования, нагрузка потребителей, внешние погодные условия и др. В случае критического снижения напряжения, могут произойти неблагоприятные события в ЭЭС, например, такие как: повреждение асинхронных электродвигателей или отключение части потребителей от снабжения электроэнергией автоматическими устройствами. Для любого фиксированного момента напряжение представляет собой случайную величину . Результатом опытов является семейство траекторий изменения напряжения показанное на рис. 1. В момент времени формируется сечение случайного процесса , напряжение в этот момент является случайной величиной, значение случайной величины для каждой траектории будут следующие:
Рис. 1. Семейство траекторий изменения напряжения с течением времени на шинах подстанции.
Поток событий для ЭЭС неординарный, так как в любой момент времени могут произойти более одного события, например, отказ генерирующего агрегата, отказ линии электропередачи, изменение скорости ветра, которая влияет на выдачу мощности ВЭС. Если рассматривать поток событий для конкретного элемента ЭЭС, то его можно принять ординарным, так как события, в рассматриваемом случае – отказы и восстановления, появляются поодиночке. Поток событий для ЭЭС является потоком с последствиями, так как для любых непересекающихся участков времени число событий (например, отказов), попадающих на один из них, может зависеть от того, сколько событий попало на предшествующий, например, отказ некоторых элементов ЭЭС может привести в последующие периоды времени к перегрузке других элементов, их отказу и возникновению дефицита мощности и недоотпуску электроэнергии. В то же время поток событий для конкретного элемента будет являться без последствий, так как образующие поток события, появляются в последовательные моменты времени независимо друг от друга, например, отказы, ремонты и восстановления. Что касается стационарности потока событий в ЭЭС, то по факту он является нестационарным, так как вероятность анализируемых событий может меняться во времени в зависимости от разных факторов. Например, вероятность отказа воздушных линий электропередачи зависит от погодных условий, от их загрузки и других внешних и внутренних факторов, которые изменяются во времени.
Наиболее подходящим методом оценки плановой надежности будет являться последовательный метод Монте-Карло (Sequential Monte Carlo Methods) [30–32]. Использование этой вариации метода Монте-Карло позволяет учесть критические случайные процессы, происходящие в современных ЭЭС.
Представим некоторые требования, которые должны учитываться в методике оценки плановой надежности, основанной на последовательном методе Монте-Карло:
- анализ полной модели ЭЭС без разбивки на зоны надежности, что позволит учесть специфику работы сети и все возможные ограничения при передаче мощности. В некоторых случаях допускается агрегирование зон с распределенной генерацией в единую зону для учета влияния распределенной генерации на показатели надежности ЭЭС;
- учет почасового годового графика потребления мощности ЭЭС с учетом корреляционных зависимостей потребления мощности в различных узлах ЭЭС и в различные часы;
- поагрегатное представление генерирующих источников с учетом особенностей сложных структур агрегатов (например, структуры парогазовых установок должны быть представлены всеми входящими в их структуру агрегатами, а в процессе оценки плановой надежности необходимо определять выдаваемую ими мощность исходя из отказов конкретного агрегата или паровой, или газовой турбин);
- моделирование ВИЭ с учетом корреляционной зависимости активности первичного энергоресурса;
- моделирование режимов работы СНЭ с корректным отражением возможностей СНЭ по накоплению и отдаче энергии, при учете динамики по деградации СНЭ и снижению эффективности, а также отказов, приводящих к невыполнению заданной функции.
Алгоритм оценки плановой надежности ЭЭС на основе метода Монте-Карло состоит из следующих основных вычислительных этапов:
- Формирование -ого случайного состояния ЭЭС путем определения степени работоспособности каждой единицы энергетического оборудования. Это состояние характеризует работу энергосистемы в первый временной интервал (например, час) расчетного периода.
- Анализ режима сформированного состояния ЭЭС. Может быть два пути дальнейших вычислений:
- Расчет установившегося режима -ого состояния ЭЭС с последующим моделированием противоаварийной автоматики и определения мест и величины дефицита мощности;
- Решение оптимизационной задачи минимизации дефицита мощности -ого состояния ЭЭС с учетом баланса активной и реактивной мощностей (при решении этой задачи неявно будет проведен учет действий противоаварийной автоматики и диспетчерского персонала по минимизации дефицита мощности).
- Формирование случайного состояния ЭЭС путем определения степени работоспособности каждой единицы энергетического оборудования с учетом состояния энергооборудования, определенного на -м шаге. Это состояние характеризует работу энергосистемы во второй временной отрезок расчетного периода.
- Повторение этапов 2 и 3 до достижения последнего временного отрезка расчетного периода.
- Вычисление показателей плановой надежности ЭЭС: вероятность бездефицитной работы, м.о. дефицита мощности и недоотпуска электроэнергии, ряды распределения загрузки энергетического оборудования и др.
- Повторение этапов 1–5 до достижение требуемой точности оценки плановой надежности ЭЭС.
МЕТОДИКА ФОРМИРОВАНИЯ ГРАФИКОВ РЕМОНТОВ ГЕНЕРИРУЮЩЕГО ОБОРУДОВАНИЯ НА ОСНОВАНИИ ПОКАЗАТЕЛЕЙ ПЛАНОВОЙ НАДЕЖНОСТИ ЭЭС
Для решения задачи (1)–(5) была разработана методика, основанная на анализе показателей плановой надежности ЭЭС. Разработанная методика представляет последовательность следующих действий:
- Формирование состава генерирующих агрегатов, для которых необходимо проведение планового ремонта на период планирования работы ЭЭС.
- Ранжирование генерирующих агрегатов, предназначенных для вывода в плановый ремонт по критерию – относительный вес агрегата, который может быть определен следующим образом:
,
где – установленная мощность -го агрегата, МВт; – время на проведение планового ремонта -го агрегата, сут.
- Оценка плановой надежности исходного варианта ЭЭС на период планирования работы без вывода из работы энергетического оборудования, отобранного для проведения плановых ремонтов.
- Анализ значений контролируемого показателя надежности в каждые сутки расчетного периода и в каждом узле ЭЭС на предмет соответствия нормативу (в качестве контролируемого показателя может выступать любой показатель плановой надежности, для которого существует принятое нормативное значение). Выявление последовательности суток с наименьшим интегральным значение за рассматриваемый период суммы м.о. недоотпуска электроэнергии для ЭЭС и потребления электроэнергии, последовательность суток должна быть равной количеству суток, которые требуются для ремонта генерирующего агрегата.
- Оценка плановой надежности ЭЭС с учетом вывода из работы для ремонта отобранного генерирующего агрегата.
- Повторение третьего и четвертого этапов методики до тех пор, пока не будут учтены все генерирующие агрегаты, требующее ремонта, либо не нарушится ограничение, контролирующее нормативный уровень надежности.
В случае, если условие (5) нарушено, а энергооборудование, требующее ремонта, не учтено в графике ремонта, то возможны несколько вариантов решения данной проблемы, исходя из складывающихся условий:
- Перенос сроков ремонта оборудования, требующего ремонта, но не учтенного в текущем графике на более поздние периоды.
- Если сформированный график ремонтов оборудования является относительно “плотным” и возможности для переноса сроков ремонта не существует, то для рассматриваемой ЭЭС, в рамках планирования ее работы, требуется предусмотреть дополнительные управляющие воздействия, компенсирующие вывод оборудования в ремонт.
ЭКСПЕРИМЕНТАЛЬНЫЕ ИССЛЕДОВАНИЯ
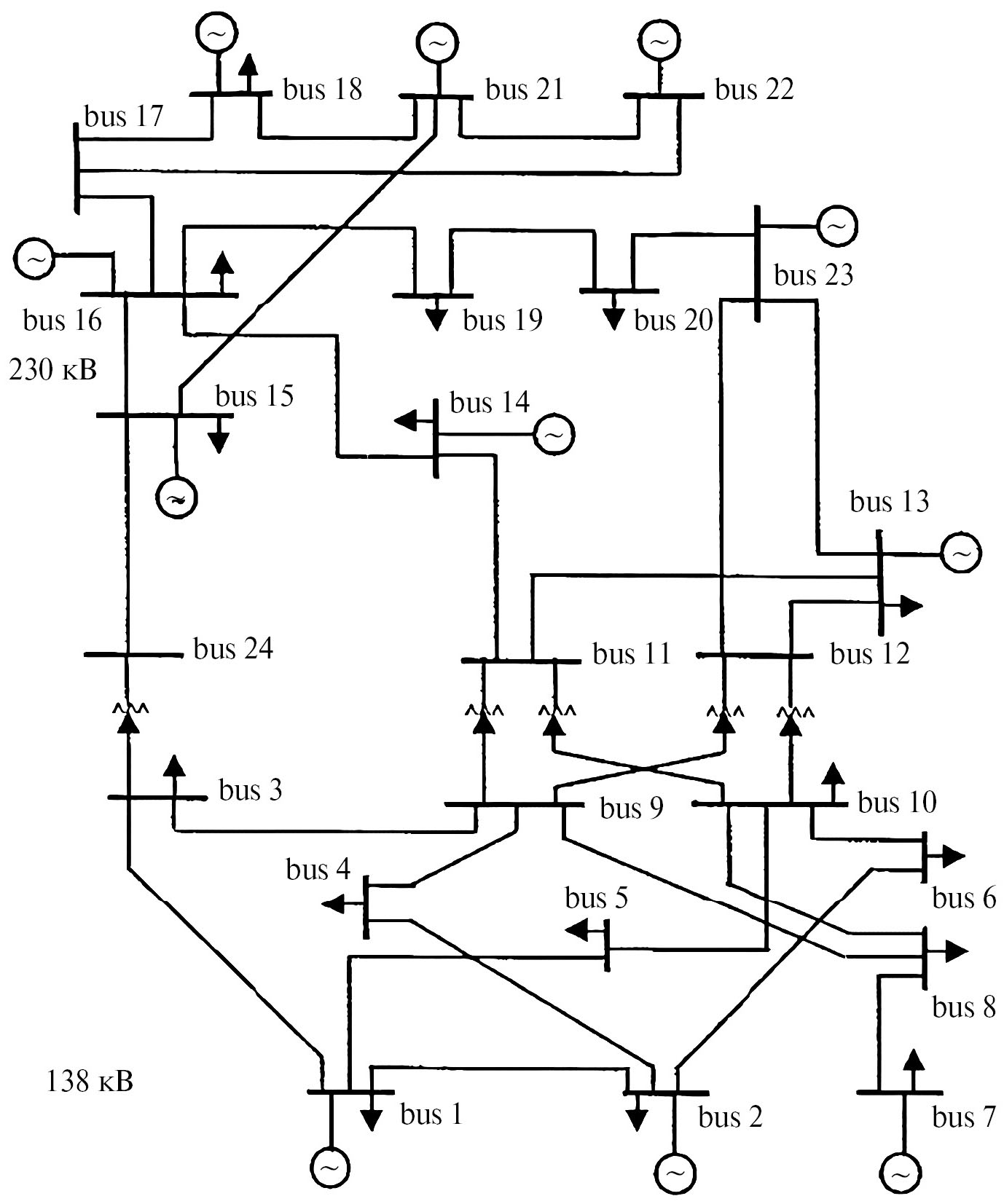
Были проведены экспериментальные исследования представленной методики формирования графиков ремонтов генерирующего оборудования. Экспериментальные исследования проводились на тестовой расчетной схеме IEEE RTS-96 (рис. 2). Основные исходные данные схемы, в том числе параметры элементов, используемые при экспериментальных исследованиях, представлены в [33].
Рис. 2. Схема исследуемой системы.
Исследование проводилось для двух вариантов графика потребления активной мощности. Первый вариант графика потребления мощности соответствовал данным IEEE RTS-96 [32], этот график представлен на рис. 3. Второй вариант графика потребления мощности был видоизменен в направлении создания провала потребления мощности в летний период, этот график представлен на рис. 4.
Рис. 3. Годовой график потребления мощности IEEE RTS-96.
Рис. 4. Годовой видоизмененный график потребления мощности IEEE RTS-96.
Далее были определены генерирующие агрегаты для выполнения плановых ремонтов. В табл. 1 представлены данные для определения удельного веса, отобранных генерирующих агрегатов.
Таблица 1. Данные по удельному весу генерирующих агрегатов для проведения плановых ремонтов.
№ узла | Установленная мощность генерирующего агрегата (), МВт. | Вид планового ремонта | Количество суток на выполнение планового ремонта (), сут. | Удельный вес генерирующего агрегата (). |
1 | 20 | Средний | 17 | 340 |
1 | 76 | Капитальный | 40 | 3 040 |
2 | 76 | Капитальный | 40 | 3 040 |
7 | 100 | Капитальный | 40 | 4000 |
15 | 12 | Средний | 17 | 204 |
15 | 155 | Капитальный | 44 | 6 820 |
16 | 155 | Средний | 25 | 3 875 |
22 | 50 | Капитальный | 37 | 1 850 |
22 | 50 | Средний | 17 | 1 850 |
23 | 155 | Средний | 25 | 3 875 |
Далее были проведены итерационные расчеты, на основании представленной выше методики по формированию графика ремонта отобранных для этого генерирующих агрегатов. На рис. 5 представлен оптимальный график ремонтов генерирующего оборудования для графика потребления мощности, соответствующего исходным данным IEEE RTS-96, а на рис. 6 – для видоизмененного графика потребления мощности.
Рис. 5. Оптимальный график ремонтов генерирующего оборудования для графика потребления мощности, соответствующего исходным данным IEEE RTS-96.
Рис. 6. Оптимальный график ремонтов генерирующего оборудования для видоизмененного графика потребления мощности IEEE RTS-96.
Как видно из полученных результатов на рис. 5, из-за того, что исходный график потребления мощности IEEE RTS-96 является относительно равномерным в течении года и имеет незначительные провалы в весенние и осенние месяцы, что соответствует повышению уровня плановой надежности ЭЭС в эти периоды, сроки плановых ремонтов распределились на весенний и осенний период. При формировании графика ремонтов генерирующего оборудования для схемы с графиком потребления мощности с явно выраженным провалом в летний период, сроки проведения ремонтом распределились в летний период, что соответствует наиболее благоприятным условиям с позиции обеспечения системной и плановой надежности ЭЭС.
ЗАКЛЮЧЕНИЕ
При планировании работы (режимов и балансов) электроэнергетических систем, которое осуществляется, как правило, на годичный период, решается ряд задач, одной из которых является формирование графика ремонтов энергетического оборудования. Решение обозначенной задачи зависит от многих факторов, основным из которых является надежность ЭЭС. Таким образом, решение о планировании ремонтов энергетического оборудования целесообразно проводить на основе оценки надежности ЭЭС, при максимально полном отражении специфики функционирования ЭЭС на рассматриваемый период работы и учете влияющих на надежность ЭЭС факторов.
В статье представлены результаты по обзору и анализу математических моделей и методов решения задачи формирования графиков плановых ремонтов энергетического оборудования при планировании работы ЭЭС. На основании проведенного анализа и с учетом требований по обеспечению системной надежности ЭЭС предложены содержательная и математическая постановки задачи, а также методика ее решения.
Экспериментальные исследования предложенной методики были проведены на двух идентичных схемах ЭЭС, отличающихся формами графиков потребления мощности. В первом случае график потребления мощности был относительно равномерным для всего годичного периода с незначительными провалами в весенний и осенний периоды, во втором случае график потребления мощности имел выраженный провал в летний период. Кроме специфики графиков потребления мощности при оценке плановой надежности учитываются все влияющие на надежность ЭЭС факторы, например, неравномерность аварийности энергетического оборудования в течение года, паводковые ситуации в водохранилищах ГЭС при их наличии в ЭЭС, неравномерность выработки электроэнергии на ВИЭ и др. В результате были получены оптимальные графики проведения плановых ремонтов генерирующего оборудования для исследуемых ЭЭС с учетом специфики их функционирования. Получение графики проведения плановых ремонтов логично интерпретируются на соответствие исходных данных для исследования.
Работа выполнена за счет гранта Российского научного фонда № 23-29-00435.
About the authors
D. S. Krupenev
Melentiev Energy Systems Institute of Siberian Branch of the Russian Academy of Sciences
Author for correspondence.
Email: krupenev@isem.irk.ru
Russian Federation, Irkutsk
D. A. Boyarkin
Melentiev Energy Systems Institute of Siberian Branch of the Russian Academy of Sciences
Email: boyarkin_denis@mail.ru
Russian Federation, Irkutsk
D. V. Iakubovskii
Melentiev Energy Systems Institute of Siberian Branch of the Russian Academy of Sciences
Email: dmitrii_iakubovskii@isem.irk.ru
Russian Federation, Irkutsk
References
- Воропай Н.И. Направления и проблемы трансформации электроэнергетических систем. Электричество, 2020. № 7. С. 12–21.
- Воропай Н.И., Крупенев Д.С., Подковальников С.В., Сендеров С.М. Блэкаут в штате Техас, США: анализ и некоторые выводы. ЭКО, 2021. № 9 (567). С. 125–143.
- Воропай Н.И., Крупенев Д.С., Подковальников С.В., Сендеров С.М. Два энергетических коллапса – в штате Техас, США, и в приморском крае, Россия. Электроэнергия. Передача и распределение, 2021. № 4 (67). С. 166–174.
- Информационная система “Система автоматизированного планирования электроэнергетических режимов” ОБЩЕЕ ОПИСАНИЕ СИСТЕМЫ. Москва, 2021. 19 с.
- Лебедева Л.М., Федотова Г.А. Программно-вычислительный комплекс РЕЗЕРВ – реализация методики рационального использования резервов мощности в ЭЭС. Методические вопросы исследования надежности больших систем энергетики. Иркутск: СЭИ СО АН СССР, 1981.
- Дубицкий М.А., Руденко Ю.Н., Чельцов М.Б. Выбор и использование резервов генерирующей мощности в электроэнергетических системах. М.: Энергоатомиздат, 1988.
- Воропай Н.И., Федотова Г.А. Планирование ремонтов электрогенерирующего оборудования в рыночной среде с учетом надежности. Автоматика и телемеханика, 2010. № 7. С. 179–184.
- Botvinnik M.M. Computers in Chess: Solving Inexact Search Problems. New-York: Springer-Verlag, 1984.
- Ботвинник М.М. Шахматный метод решения переборных задач. М: Советский спорт, 1989. 112 с.
- Арзамасцев Д.А., Обоскалов В.П. Определение плана капитальных ремонтов основного оборудования энергосистем методом покоординатной оптимизации. Известия ВУЗов. Энергетика, 1970, № 8. С. 106–110.
- Нестеренков В.П., Обоскалов В.П. К вопросу оптимального планирования капитальных ремонтов основных агрегатов станций энергосистем. Вопросы оптимизации развития и эксплуатации энергосистем, 1966. С. 83–90.
- Губин П.Ю., Обоскалов В.П. Применение метода дифференциальной эволюции в задаче планирования ремонтов генерирующего оборудования. Известия Российской академии наук. Энергетика, 2021. № 2. С. 50–64.
- Canto S. Application of Benders’ decomposition to power plant preventive maintenance scheduling. European Journal of Operational Research, 2008. № 184. P. 759–777.
- Volkanovski A., Mavko B. Genetic algorithm optimisation of the maintenance scheduling of generating units in a power system. Reliability Engineering & System Safety, 2008. № 93. P. 657–667.
- Anghinolfi D., Gambardella L., Montemanni R. A matheuristic algorithm for a large-scale energy management problem. Large-Scale Scientific Computing, 2012. № 7116. P. 173–181.
- Степанова Е.Л., Максимов А.С. Методика оценки влияния показателей надежности оборудования, графиков и объемов плановых ремонтов на надежность и эффективность работы ТЭЦ. Методические вопросы исследования надежности больших систем энергетики, 2018. Вып. 69. Книга 2.
- Brandt F., Bauer R., Velker M., Cardeneo A. A constraint programming-based approach to a large-scale energy management problem with varied constraints. Journal of Scheduling, 2013. № 16(6). P. 629–648.
- Shahidehpour S.M., Marwali M.K.C. Maintenance Scheduling in Restructure Power Systems. New York: Kluwer Academic Pub, 2000.
- Dahal K.P., Chakpitak N. Generator Maintenance Scheduling in Power Systems Using Metaheuristic – Based Hybrid Approach. Electric Power Syst. Res., 2007. V. 77. P. 771–779.
- Приказ Министерства энергетики РФ от 25 октября 2017 г. N 1013 “Об утверждении требований к обеспечению надежности электроэнергетических систем, надежности и безопасности объектов электроэнергетики и энергопринимающих установок “Правила организации технического обслуживания и ремонта объектов электроэнергетики”.
- Назарычев А.Н., Крупенев Д.С. Надежность и оценка технического состояния оборудования систем электроснабжения: учебное пособие. Новосибирск: Наука, 2020. 224 с.
- Назарычев А.Н., Пугачев А.А., Андреев Д.А. Риск-ориентированное управление эксплуатацией электрооборудования с учетом его технического состояния. Электроэнергия. Передача и распределение, 2020. № 6 (63). С. 134–135.
- Танаев В.С., Шкурба В.В. Введение в теорию расписаний. Главная редакция физико-математической литературы изд-ва “Наука”, 1975. 257 с.
- Лазарев А.А., Гафаров Е.Р. Теория расписаний. Задачи и алгоритмы. Москва: МГУ, 2011. 222 с.
- Brucker P. Scheduling algorithms. Springer Science & Business Media, 2004. 367 p.
- Крупенев Д.С. О плановой надежности электроэнергетических систем. В сборнике: Методические вопросы исследования надежности больших систем энергетики. Материалы 95-го заседания Международного научного семинара. Иркутск, 2023. С. 111–116.
- Krupenev D., Boyarkin D., Iakubovskii D. Improvement in the computational efficiency of a technique for assessing the reliability of electric power systems based on the Monte Carlo method. Reliability Engineering and System Safety, 2020. Vol.204. ID: 107171.
- Вентцель Е.С., Овчаров Л.А. Теория случайных процессов и ее инженерные приложения. М.: Наука. Гл. Ред. Физ.-мат. лит, 1991. 384 с.
- Вентцель А.Д. Курс теории случайных процессов. М.: Наука. Гл. Ред. Физ.-мат. лит, 1975. 320 с.
- Billinton R., Jonnavithula A. Composite system adequacy assessment using sequential Monte Carlo simulation with variance reduction techniques. IEE Proceedings - Generation, Transmission and Distribution, January 1997. Vol. 144, Is. 1. P. 1–6.
- Kantas N., Doucet A., Singh S.S., Maciejowski J.M. An Overview of Sequential Monte Carlo Methods for Parameter Estimation in General State-Space Models. Proceedings of the 15th IFAC Symposium on System Identification Saint-Malo, France, July 6–8, 2009.
- Henneaux P., Bouchez F.-X., Rese L. Confidence intervals for adequacy assessment using Monte Carlo sequential simulation. Published in: 2016 IEEE International Energy Conference (ENERGYCON).
- Grigg C. et al. The IEEE Reliability Test System-1996. A report prepared by the Reliability Test System Task Force of the Application of Probability Methods Subcommittee. IEEE Trans-actions on Power Systems, 1999. vol. 14. № 3. P. 1010–1020. doi: 10.1109/59.780914
Supplementary files








