Microstructure and Impact Toughness of Acicular Ferrite in Low Alloy Steel Weld Joints from Results of Multiple Impact Bending Tests
- Authors: Kantor M.M.1, Sudin V.V.1, Bozhenov V.A.1, Solntsev K.A.1
-
Affiliations:
- Baikov Institute of Metallurgy and Materials Science, Russian Academy of Sciences, 119991, Moscow, Russia
- Issue: Vol 59, No 4 (2023)
- Pages: 451-467
- Section: Articles
- URL: https://journal-vniispk.ru/0002-337X/article/view/140167
- DOI: https://doi.org/10.31857/S0002337X23040024
- EDN: https://elibrary.ru/GLTAYG
- ID: 140167
Cite item
Full Text
Abstract
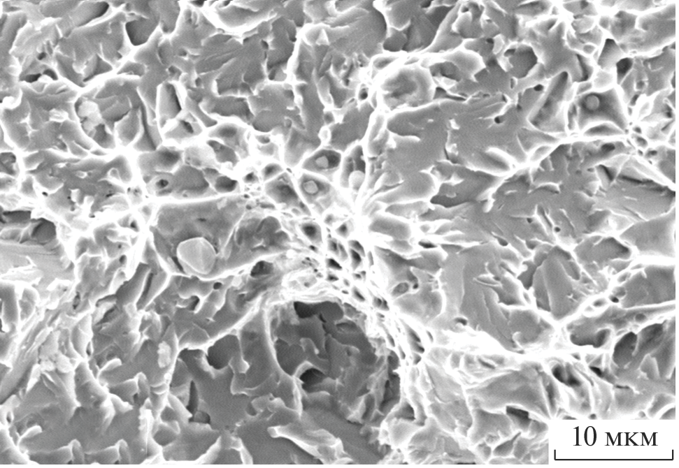
Analysis of impact bending test results for a large number of specimens is used to investigate fracture of a weld metal consisting predominantly of acicular ferrite. The metal has a very broad ductile-to-brittle transition interval: from +20 to below –60°C. In the temperature range studied, we observe three stable impact toughness levels. Transitions between them with decreasing temperature determine the scatter in the work done to fracture the specimen. According to fractography results, the ductile-to-brittle transition is due to a single-step change from a ductile fracture mechanism to cleavage. Cleavage cracks nucleate at large acicular ferrite grains. Their different arrangements on a cleavage site determine the impact toughness level. Comparison of dynamic fracture curves and the macroscopic structure of fracture surfaces demonstrates that cleavage cracks nucleate at the tip of a stably growing ductile crack. Examination of fracture surfaces makes it possible to identify individual cleavage events observed in the corresponding dynamic curve.
About the authors
M. M. Kantor
Baikov Institute of Metallurgy and Materials Science, Russian Academy of Sciences, 119991, Moscow, Russia
Email: vsudyin@imet.ac.ru
Россия, 119991, Москва, Ленинский пр., 49
V. V. Sudin
Baikov Institute of Metallurgy and Materials Science, Russian Academy of Sciences, 119991, Moscow, Russia
Email: vsudyin@imet.ac.ru
Россия, 119991, Москва, Ленинский пр., 49
V. A. Bozhenov
Baikov Institute of Metallurgy and Materials Science, Russian Academy of Sciences, 119991, Moscow, Russia
Email: vsudyin@imet.ac.ru
Россия, 119991, Москва, Ленинский пр., 49
K. A. Solntsev
Baikov Institute of Metallurgy and Materials Science, Russian Academy of Sciences, 119991, Moscow, Russia
Author for correspondence.
Email: vsudyin@imet.ac.ru
Россия, 119991, Москва, Ленинский пр., 49
References
- Easterling K. Introduction to the Physical Metallurgy of Welding. N. Y.: Elsevier, 2013.
- Tweed J.H., Knott J.F. Micromechanisms of Failure in C–Mn Weld Metals // Acta Metall. Mater. 1987. V. 35. № 7. P. 1401–1414. https://doi.org/10.1016/0001-6160(87)90087-3
- Ohkita S., Horii Y. Recent Development in Controlling the Microstructure and Properties of Low Alloy Steel Weld Metals // ISIJ Int. 1995. V. 35. № 10. P. 1170–1182. https://doi.org/10.2355/isijinternational.35.1170
- Svensson L.E., Gretoft B. Microstructure and Impact Toughness of C–Mn Weld Metals // Weld. J. 1990. V. 69. № 12. P. 454.
- Fattahi M. et al. Effect of Ti-Containing Inclusions on the Nucleation of Acicular Ferrite and Mechanical Properties of Multipass Weld Metals // Micron. 2013. V. 45. P. 107–114. https://doi.org/10.1016/j.micron.2012.11.004
- Sung H.K. et al. Effects of Oxides on Tensile and Charpy Impact Properties and Fracture Toughness in Heat Affected Zones of Oxide-Containing API X80 Linepipe Steels // Metall. Mater. Trans. A. 2014. V. 45. № 7. P. 3036–3050. https://doi.org/10.1007/s11661-014-2240-2
- Zhao L. et al. Influence of Ti on Weld Microstructure and Mechanical Properties in Large Heat Input Welding of High Strength Low Alloy Steels // J. Iron Steel Res. Int. 2015. V. 22. № 5. P. 431–437. https://doi.org/10.1016/S1006-706X(15)30023-6
- Xiong Z. et al. The Contribution of Intragranular Acicular Ferrite Microstructural Constituent on Impact Toughness and Impeding Crack Initiation and Propagation in the Heat-Affected Zone (HAZ) of Low-Carbon Steels // Mater. Sci. Eng. A. 2015. V. 636. P. 117–123. https://doi.org/10.1016/j.msea.2015.03.090
- Choi B.C. et al. Effect of Microstructure on Low-Temperature Fracture Toughness of a Submerged-Arc-Welded Low-Carbon and Low-Alloy Steel Plate // Metals. 2021. V. 11. № 11. P. 1839. https://doi.org/10.3390/met11111839
- Jiménez-Jiménez A. et al. CVN Impact Energy and Fracture Characteristics Correlations with Different Oxide Nanoparticles Improving Submerged Arc Welds // Mater. Res. Express. 2021. V. 8. № 1. P. 016536. https://doi.org/10.1088/2053-1591/abdaf2
- Farrar R.A., Harrison P.L. Acicular Ferrite in Carbon-Manganese Weld Metals: an Overview // J. Mater. Sci. 1987. V. 22. № 11. P. 3812–3820. https://doi.org/10.1007/BF01133327
- Madariaga I., Gutierrez I., Bhadeshia H. Acicular Ferrite Morphologies in a Medium-Carbon Microalloyed Steel // Metall. Mater. Trans. A. 2001. V. 32. № 9. P. 2187–2197. https://doi.org/10.1007/s11661-001-0194-7
- Bhadeshia H., Svensson L.E. Modelling the Evolution of Microstructure in Steel Weld Metal // Math. Model. Nat. Phenom. 1993. V. 1. P. 109–182.
- Loder D., Michelic S.K. Systematic Investigation of Acicular Ferrite Formation on Laboratory Scale // Mater. Sci. Technol. 2017. V. 33. № 2. P. 162–171. https://doi.org/10.1080/02670836.2016.1165902
- Costin W.L., Lavigne O., Kotousov A.A. Study on the Relationship between Microstructure and Mechanical Properties of Acicular Ferrite and Upper Bainite // Mater. Sci. Eng. A. 2016. V. 663. P. 193–203. https://doi.org/10.1016/j.msea.2016.03.103
- Chen J.H., Wang G.Z., Ma H. Fracture Behavior of C-Mn Steel and Weld Metal in Notched and Precracked Specimens: Part II. Micromechanism of Fracture // Metall. Mater. Trans. A. 1990. V. 21. № 1. P. 321–330. https://doi.org/10.1007/BF02782412
- Kantor M.M., Vorkachev K.G., Bozhenov V.A., Solntsev K.A. The Role of Splitting Phenomenon under Fracture of Low-Carbon Microalloyed X80 Pipeline Steels during Multiple Charpy Impact Tests // Appl. Mech. 2022. 3(3): 740–756. https://doi.org/10.3390/applmech3030044
- Sudin V.V. et al. Correlation of the Microstructural Factors Influence on the Impact Strength of the Weld Affected Zone of K60* Strength Class Welded Pipes // Steel Transl. 2022. V. 52. № 1. P. 121–128.
- Ishikawa T., Haze T. Significance of Fracture Facet Size in Cleavage Fracture Process of Welded Joints // Mater. Sci. Eng. A. 1994. V. 176. № 1–2. P. 385–391. https://doi.org/10.1016/0921-5093(94)91003-0
- Lee M. et al. Effects of Inclusion Size and Acicular Ferrite on Cold Cracking for High-Strength Steel Welds of YS 600 MPa Grade // Sci. Technol. Weld. Join. 2016. V. 21. № 8. P. 711–719. https://doi.org/10.1080/13621718.2016.1178833
- Bose Filho W.W., Carvalho A.L.M., Bowen P. Micromechanisms of Cleavage Fracture Initiation from Inclusions in Ferritic Welds: Part I. Quantification of Local Fracture Behaviour Observed in Notched Testpieces // Mater. Sci. Eng. A. 2007. V. 460. P. 436–452. https://doi.org/10.1016/j.msea.2007.01.115
- Hytönen N. et al. Effect of Weld Microstructure on Brittle Fracture Initiation in the Thermally-Aged Boiling Water Reactor Pressure Vessel Head Weld Metal // Int. J. Miner. Metall. 2021. V. 28. № 5. P. 867–876. https://doi.org/10.1007/s12613-020-2226-6
- Diaz-Fuentes M., Iza-Mendia A., Gutierrez I. Analysis of Different Acicular Ferrite Microstructures in Low-Carbon Steels by Electron Backscattered Diffraction. Study of their Toughness Behavior // Metall. Mater. Trans. A. 2003. V. 34. № 11. P. 2505–2516. https://doi.org/10.1007/s11661-003-0010-7
- Lan L. et al. Influence of Microstructural Aspects on Impact Toughness of Multi-Pass Submerged Arc Welded HSLA Steel Joints // Mater. Des. 2016. V. 90. P. 488–498. https://doi.org/10.1016/j.matdes.2015.10.158
- Terashima S., Bhadeshia H. Changes in Toughness at Low Oxygen Concentrations in Steel Weld Metals // Sci. Technol. Weld. Join. 2006. V. 11. № 5. P. 509–516. https://doi.org/10.1179/174329306X113299
- Curry D.A., Knott J.F. Effects of Microstructure on Cleavage Fracture Stress in Steel // Met. Sci. J. 1978. V. 12. № 11. P. 511–514.
- Shi Z. et al. Mechanism of BN-Promoting Acicular Ferrite Nucleation to Improve Heat-Affected Zone Toughness of VN-Ti Microalloyed Offshore Steel // J. Mater. 2022. V. 15. № 4. P. 1420. https://doi.org/10.1016/0001-6160(86)90222-1
- Yanagimoto F. et al. Local Stress in the Vicinity of the Propagating Cleavage Crack Tip in Ferritic Steel // Mater. Des. 2018. V. 144. P. 361–373. https://doi.org/10.1016/j.matdes.2018.02.037
- Gourgues A.F. Microtexture Induced by the Bainitic Transformation in Steels during Welding. Effect on the Resistance to Cleavage Cracking // Mater. Sci. Forum. 2003. V. 426. P. 3629–3634.
- Calcagnotto M. et al. Effect of Grain Refinement on Strength and Ductility in Dual-Phase Steels // Proc. 2d Int. Sym. Steel Sci (ISSS 2009), Kyoto. 2009. P. 21–24.
- Kawata H., Umezawa O. Effect of Pearlite Volume Fraction on Two-Step Ductile to Brittle Transition in Ferrite+ Pearlite Structure Steel Sheets // ISIJ Int. 2019. P. ISIJINT-2018-764. https://doi.org/10.2355/isijinternational.ISIJINT-2018-764
- Шевандин Е.М., Разов И.А. Хладноломкость и предельная пластичность металлов в судостроении. Ленинград: Судостроение, 1965.
- Graville B.A., Tyson W.R. Toughness Requirements for Welded Structures in the Arctic // Weld. J. 1992. V. 71. P. 437.
- Scott D.W. Multivariate Density Estimation: Theory, Practice, and Visualization // Wiley, N. Y.: 1992. https://doi.org/10.1002/9780470316849
- Bishop T.A., Markworth A.J., Rosenfield A.R. Analyzing Statistical Variability of Fracture Properties // Metall. Mater. Trans. A. 1983. V. 14. № 3. P. 687–693.
- Штремель М.А. Разрушение. М.: Издательский дом МИСиС, 2014. Кн. 2. С. 456–478.
- Кудря А.В., Кузько Е.И., Соколовская Э.А. Об оценке хладноломкости конструкционных сталей по результатам сериальных ударных испытаний // Деформация и разрушение материалов. 2013. № 12. С. 36–45.
- Кудря А.В., Соколовская Э.А. Неоднородность разномасштабных структур и сопротивление разрушению конструкционных сталей // Изв. Рос. академии наук. Сер. физ. 2004. Т. 68. № 10. С. 1495–1502.
- Кантор М.М., Судьин В.В., Солнцев К.А. Деформационные особенности распространения трещин скола в ферритно-перлитной микроструктуре в интервале вязко-хрупкого перехода // Неорган. материалы. 2021. Т. 57. № 6. С. 670–682. https://doi.org/10.31857/S0002337X2106004X
- Кантор М.М., Боженов В.А. Рассеяние значений ударной вязкости низколегированной стали в критическом интервале хладноломкости // Материаловедение. 2013. № 11. С. 3–14.
- Kawata H., Umezawa O. Middle Shelf during Ductile to Brittle Transition on Ferrite + Pearlite Structure Steel Sheet // Mater. Sci. Forum. 2018. V. 941. P. 453–457. doi: 10.4028/ href='www.scientific.net/MSF.941.453' target='_blank'>www.scientific.net/MSF.941.453
- Sudin V.V., Kantor M.M., Solntsev K.A. Features of Weld Metal Brittle Fracture in Charpy Tests // Procedia Struct. Integr. 2020. V. 28. P. 1637–1643. https://doi.org/10.1016/j.prostr.2020.10.135
- Sudin V.V., Kantor M.M., Solntsev K.A. Analysis of the Relationship between the Load-Displacement Curve and Characteristics of Fracture of Low-Alloy Steel by Neural Networks // Inorg. Mater.: Appl. Res. 2020 V. 11. № 4. P. 893–902. https://doi.org/10.1134/S2075113320040176
- Tanguy B., Besson J., Piques R., Pineau A. Ductile to Brittle Transition of an A508 Steel Characterized by Charpy Impact Test: Part I: Experimental Results // Eng. Fract. Mech. 2005. V. 72. № 1. P. 49–72. https://doi.org/10.1016/j.engfracmech.2004.03.010
- Martin-Meizoso A. et al. Modelling Cleavage Fracture of Bainitic Steels // Acta Metall. Mater. 1994. V. 42. № 6. P. 2057–2068. https://doi.org/10.1016/0956-7151(94)90031-0
- Lambert-Perlade A. et al. Mechanisms and Modeling of Cleavage Fracture in Simulated Heat-Affected Zone Microstructures of a High-Strength Low Alloy Steel // Metall. Mater. Trans. A. 2004. V. 35. № 13. P. 1039–1053. https://doi.org/10.1007/s11661-004-0030-y
- Pineau A. Practical Application of Local Approach Methods // Comprehensive Structural Integrity. Oxford: Elsevier, 2003. Chapter 7.05. V. 7. P. 177–225.
- Chen J.H., Zhu L., Ma H. On the Scattering of the Local Fracture Stress σf* // Acta Metall. Mater. 1990. V. 38. № 12. P. 2527–2535. https://doi.org/10.1016/0956-7151(90)90264-H
- Кантор М.М., Воркачев К.Г., Солнцев К.А. Природа микротрещин в ферритных сталях в условиях разрушения при температурах критического интервала хладноломкости // Неорган. материалы. 2018. Т. 54. № 10. С. 1133–1140. https://doi.org/10.1134/S0002337X18100093
Supplementary files


























