Synthesis of Robust Linear Stationary Dynamic Systems Based on Improvement of the Controllability and Observability of the Computational Model of the Object
- Authors: Abbyasov A.M.1, Anisimov A.A.1, Tararykin S.V.1
-
Affiliations:
- Lenin Ivanovo State Power Engineering University, 153003, Ivanovo, Russia
- Issue: No 6 (2023)
- Pages: 33-49
- Section: SYSTEMS THEORY AND GENERAL CONTROL THEORY
- URL: https://journal-vniispk.ru/0002-3388/article/view/148127
- DOI: https://doi.org/10.31857/S0002338823050025
- EDN: https://elibrary.ru/OFQVCR
- ID: 148127
Cite item
Full Text
Abstract
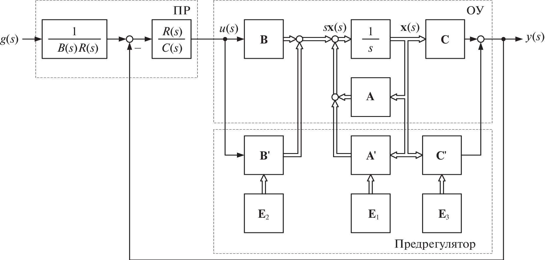
An iterative method is developed for the synthesis of control systems of low parametric sensitivity with dynamic (polynomial) controllers, at each step of which singular numbers of controllability and observability gramians are intentionally changed, and a precontroller is formed that transforms the structure of the computational model of an object to increase its controllability and observability, taking into account the available opportunities and limitations. The method of polynomial modal control calculates the parameters of the main controller and evaluates the robust properties of the synthesized system in the given intervals of variation of the internal parameters.
About the authors
A. M. Abbyasov
Lenin Ivanovo State Power Engineering University, 153003, Ivanovo, Russia
Email: alexx.bit@mail.ru
Россия, Иваново
A. A. Anisimov
Lenin Ivanovo State Power Engineering University, 153003, Ivanovo, Russia
Email: alexx.bit@mail.ru
Россия, Иваново
S. V. Tararykin
Lenin Ivanovo State Power Engineering University, 153003, Ivanovo, Russia
Author for correspondence.
Email: alexx.bit@mail.ru
Россия, Иваново
References
- Кузовков Н.Т. Модальное управление и наблюдающие устройства. М.: Машиностроение, 1976. 184 с.
- Воронов А.А. Введение в динамику сложных управляемых систем. М.: Наука, 1985. 352 с.
- Крутько П.Д. Полиномиальные уравнения и обратные задачи динамики управляемых систем // Изв. РАН. Техн. кибернетика. 1986. № 1. С. 125–133.
- Гайдук А.Р. Теория и методы аналитического синтеза систем автоматического управления (полиномиальный подход) / М.: Физматлит, 2012. 360 с.
- Тарарыкин С.В., Тютиков В.В. Робастное модальное управление динамическими системами // Изв. РАН. АиТ. 2002. № 5. С. 41–55.
- Поляк Б.Т. Международный симпозиум “Робастность в идентификации и управлении” // А и Т. 1999. № 8. С. 185–193.
- Подкучаев В.А. Аналитические методы теории автоматического управления. М.: Физматлит, 2002. 256 с.
- Поляк Б.Т., Щербаков П.С. Робастная устойчивость и управление. М.: Наука, 2002. 303 с.
- Анисимов А.А., Котов Д.Г., Тарарыкин С.В. и др. Анализ параметрической чувствительности и структурная оптимизация систем модального управления с регулятором состояния // Изв. РАН. ТиСУ. 2011. № 5. С. 58–72.
- Анисимов А.А., Тарарыкин С.В. Особенности синтеза параметрически грубых систем модального управления с наблюдателем состояния // Изв. РАН. ТиСУ. 2012. № 5. С. 3–14.
- Анисимов А.А., Тарарыкин С.В. Итерационный метод структурно-параметрического синтеза робастных систем с регулятором состояния // Изв. РАН. ТиСУ. 2018. № 4. С. 42–55.
- Бойченко В.А., Курдюков А.П., Тимин В.Н., Чайковский М.М., Ядыкин И.Б. Некоторые методы синтеза регуляторов пониженного порядка и заданной структуры // Управление большими системами. 2007. Вып. 19. С. 23–126.
- Мироновский Л.А., Соловьев Т.Н. Анализ и синтез модально-сбалансированных систем // А и Т. 2013. № 4. С. 59–79.
- Бирюков Д.С., Дударенко Н.А., Ушаков А.В. Контроль вырождения динамических систем: грамианный подход // Изв. вузов. Приборостроение. 2013. № 4. С. 34–37.
- Oder R., McFarlen D. Balanced Canonical Forms for Minimal System: A Normalized Coprime Factor Approach // Linear Algebra Appl. 1989. V. 122. P. 23–64.
- Moore B.C. Principal Component Analysis in Linear System: Controllability, Observability and Model Reduction // IEEE Trans. Automat. Control. 1981. V. AC–26. P. 17–32.
- Tararykin S.V., Anisimov A.A., Gerasimov A.A. Synthesizing Parametrically Robust Control Systems with State Controllers and Observers Based on Gramian Method // Int. J. Control Autom. Syst. 2019. V. 17. P. 2490–2499.
- Анисимов А.А., Соколов К.Е., Тарарыкин С.В. Разработка робастной системы управления манипуляционным роботом с использованием аппарата грамианов // Изв. РАН. ТиСУ. 2022. № 2. С. 162–176.
- Анисимов А.А., Тарарыкин С.В. Структурно-параметрический синтез; оптимизация и настройка систем управления технологическими объектами. Иваново: ФГБОУ ВПО “Ивановский государственный энергетический университет им. В. И. Ленина”, 2015. 296 с.
- Аполонский В.В., Тарарыкин С.В. Методы структурно-параметрического синтеза робастных систем управления состоянием линеаризуемых динамических объектов. Иваново: ФГБОУ ВО “Ивановский государственный энергетический университет им. В.И. Ленина”, 2018. 168 с.
- Тютиков В.В., Тарарыкин С.В. Робастное модальное управление технологическими объектами. Иваново: ГОУВ ПО “Ивановский государственный энергетический университет им. В. И. Ленина”, 2006. 256 с.
- Лаврентьев М.М. О некоторых некорректных задачах математической физики. Новосибирск: Изд-во СО АН СССР, 1962. 92 с.
- Тихонов А.Н., Арсенин В.Я. Методы решения некорректных задач. 2-е изд. М.: Наука, Физматлит, 1979. 285 с.
- Розенвассер Е.Н., Юсупов Р.М. Чувствительность системы управления. М.: Наука. Физматлит, 1981. 464 с.
Supplementary files








