Взвешенные коды Боуза–Лина в схемах встроенного контроля на основе логической коррекции сигналов
- Авторы: Елина Е.И.1, Ефанов Д.В.1,2
-
Учреждения:
- Санкт-Петербургский политехнический ун-т Петра Великого
- Российский университет транспорта (МИИТ)
- Выпуск: № 1 (2025)
- Страницы: 45-62
- Раздел: ДИСКРЕТНЫЕ СИСТЕМЫ
- URL: https://journal-vniispk.ru/0002-3388/article/view/293782
- DOI: https://doi.org/10.31857/S0002338825010047
- EDN: https://elibrary.ru/AGWTRE
- ID: 293782
Цитировать
Аннотация
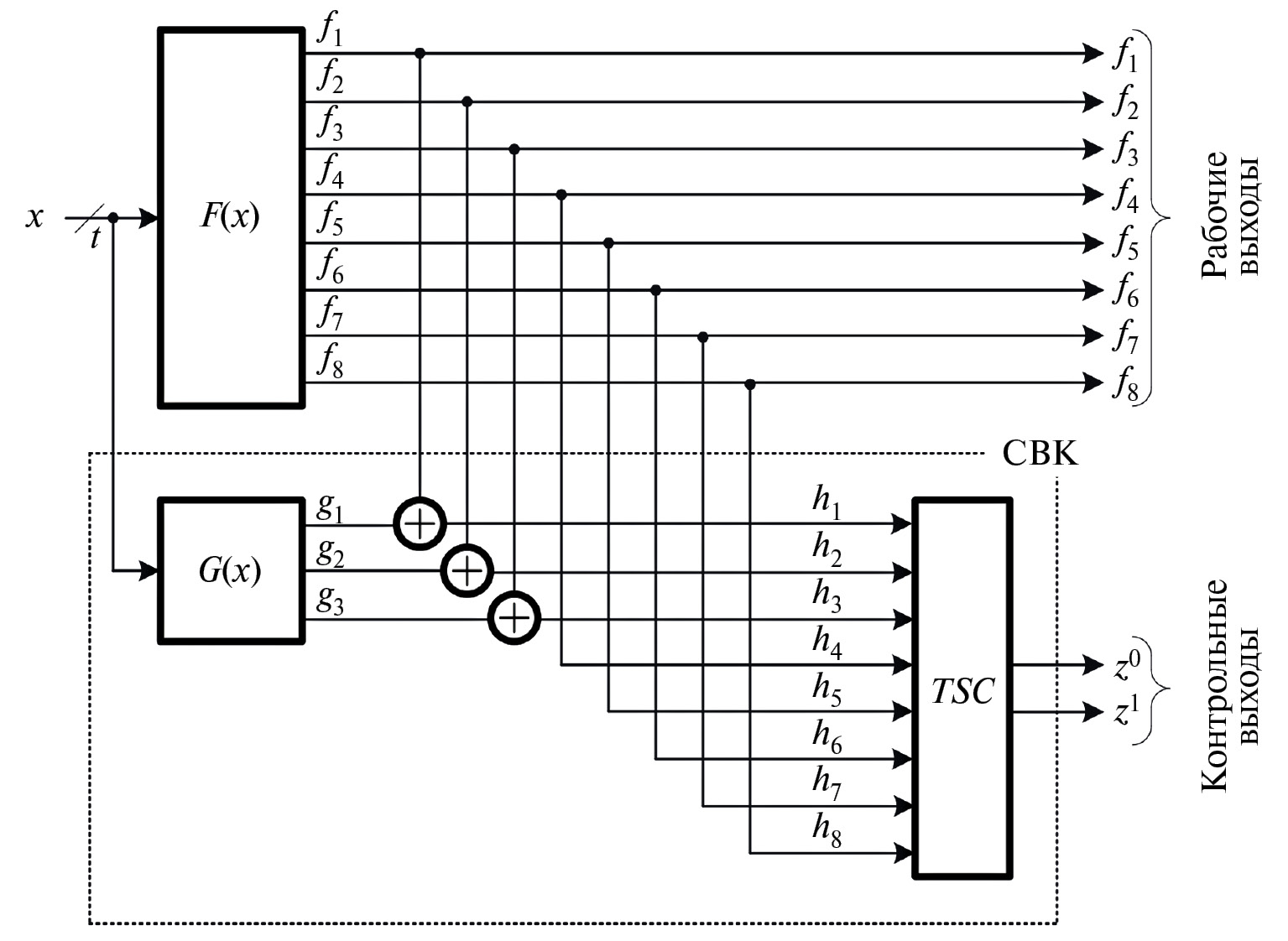
Исследуются возможности применения взвешенных кодов Боуза–Лина при синтезе схем встроенного контроля на основе логической коррекции сигналов. Установлены зависимости числа вариантов взвешивания при построении рассматриваемого класса кодов от числа m информационных символов. С увеличением значения числа m количество способов взвешивания существенно возрастает, что позволяет строить большое количество кодов и, как следствие, иметь большую вариативность при построении самопроверяемого устройства. Установлены закономерности, проявляющиеся при изменении числа информационных символов, которые связывают число вариантов взвешивания при построении кода. Число способов синтеза схем встроенного контроля на базе логической коррекции сигналов с применением взвешенных кодов Боуза–Лина факториально зависит от числа выделяемых информационных символов среди рабочих сигналов объекта диагностирования. Приведенные примеры демонстрируют эффективность использования взвешенных кодов Боуза–Лина при синтезе схем встроенного контроля по сравнению с применением традиционного метода, основанного на дублировании. Результаты исследования целесообразно учитывать при разработке самопроверяемых цифровых устройств, а также при развитии систем их автоматизированного проектирования.
Полный текст
Об авторах
Е. И. Елина
Санкт-Петербургский политехнический ун-т Петра Великого
Автор, ответственный за переписку.
Email: eseniya-elina@mail.ru
Россия, Санкт-Петербург
Д. В. Ефанов
Санкт-Петербургский политехнический ун-т Петра Великого; Российский университет транспорта (МИИТ)
Email: TrES-4b@yandex.ru
Россия, Санкт-Петербург; Москва
Список литературы
- Пархоменко П.П., Согомонян Е.С. Основы технической диагностики (оптимизация алгоритмов диагностирования, аппаратурные средства). М.: Энергоатомиздат, 1981, 320 с.
- Дрозд А.В., Харченко В.С., Антощук С.Г., Дрозд Ю.В., Дрозд М.А., Сулима Ю.Ю. Рабочее диагностирование безопасных информационно-управляющих систем / Под ред. А.В. Дрозда и В.С. Харченко. Харьков: Национальный аэрокосмический ун-т им. Н.Е. Жуковского “ХАИ”, 2012. 614 с.
- Kharchenko V., Kondratenko Yu., Kacprzyk J. Green IT Engineering: Concepts, Models, Complex Systems Architectures // Springer Book Series “Studies in Systems, Decision and Control”. 2017. V. 74. 305 p.; https://doi.org/10.1007/978-3-319-44162-7
- Mikoni S. Top Level Diagnostic Models of Complex Objects // Lecture Notes in Networks and Systems. 2022. V. 442. P. 238–249; https://doi.org/10.1007/978-3-030-98832-6_21
- Гавзов Д.В., Сапожников В.В., Сапожников Вл.В. Методы обеспечения безопасности дискретных систем // АиТ. 1994. № 8. С. 3–50.
- Согомонян Е.С., Слабаков Е.В. Самопроверяемые устройства и отказоустойчивые системы. М.: Радио и связь, 1989. 208 с.
- Göessel M., Ocheretny V., Sogomonyan E., Marienfeld D. New Methods of Concurrent Checking: Edition 1. Dordrecht: Springer Science+Business Media B.V., 2008. 184 p.
- Goessel M., Graf S. Error Detection Circuits. London: McGraw-Hill, 1994. 261 p.
- Аксёнова Г.П., Согомонян Е.С. Построение самопроверяемых схем встроенного контроля для автоматов с памятью // АиТ. 1975. № 7. С. 132–142.
- Гессель М., Морозов А.В., Сапожников В.В., Сапожников Вл.В. Контроль комбинационных схем методом логического дополнения // АиТ. 2005. № 8. С. 161–172.
- Гессель М., Согомонян Е.С. Построение самотестируемых и самопроверяемых комбинационных устройств со слабонезависимыми выходами // АиТ. 1992. № 8. С. 150–160.
- Sogomonyan E.S., Gössel M. Design of Self-Testing and On-Line Fault Detection Combinational Circuits with Weakly Independent Outputs // J. Electronic Testing: Theory and Applications. 1993. V. 4. Iss. 4. P. 267–281; https://doi.org/10.1007/BF00971975
- Saposhnikov Vl.V., Dmitriev A., Goessel M., Saposhnikov V.V. Self-Dual Parity Checking – A New Method for on Line Testing // Proc. 14th IEEE VLSI Test Sympos. USA, Princeton, 1996. P. 162–168.
- Efanov D.V., Pivovarov D.V. The Hybrid Structure of a Self-Dual Built-In Control Circuit for Combinational Devices with Pre-Compression of Signals and Checking of Calculations by Two Diagnostic Parameters // Proc. 19th IEEE East-West Design & Test Symposium (EWDTS’2021). Batumi, Georgia, 2021. P. 200–206; https://doi.org/10.1109/EWDTS52692.2021.9581019
- Ефанов Д.В., Погодина Т.С. Исследование свойств самодвойственных комбинационных устройств с контролем вычислений на основе кодов Хэмминга // Информатика и автоматизация. 2023. Т. 22. № 2. C. 349–392; https://doi.org/10.15622/ia.22.2.5
- Гессель М., Морозов А.В., Сапожников В.В., Сапожников Вл.В. Логическое дополнение новый метод контроля комбинационных схем // АиТ. 2003. № 1. С. 167–176.
- Sen S.K. A Self-Checking Circuit for Concurrent Checking by 1-out-of-4 code with Design Optimization using Constraint Don’t Cares // National Conf. on Emerging Trends and Advances in Electrical Engineering and Renewable Energy (NCEEERE 2010). Sikkim: Sikkim Manipal Institute of Technology, 2010.
- Das D.K., Roy S.S., Dmitiriev A., Morozov A., Gössel M. Constraint Don’t Cares for Optimizing Designs for Concurrent Checking by 1-out-of-3 Codes // Proc. 10th Intern. Workshops on Boolean Problems. Freiberg, Germany, 2012. P. 33–40.
- Пивоваров Д.В. Построение систем функционального контроля многовыходных комбинационных схем методом логического дополнения по равновесным кодам // Автоматика на транспорте. 2018. Т. 4. № 1. С. 131–149.
- Efanov D.V., Sapozhnikov V.V., Sapozhnikov Vl.V., Pivovarov D.V. Synthesis of Built-in Self-Test Control Circuits Based on the Method of Boolean Complement to Constant-Weight 1-out-of-n Codes // Automatic Control and Computer Sciences. 2019. V. 53. Iss. 6. P. 481–491; https://doi.org/10.3103/S014641161906004X
- Morozov M., Saposhnikov V.V., Saposhnikov Vl.V., Goessel M. New Self-Checking Circuits by Use of Berger-codes // Proc. IEEE Intern. On-Line Testing Workshop. Palma De Mallorca, Spain, 2000. P. 171–176.
- Berger J.M. A Note on Error Detection Codes for Asymmetric Channels // Information and Control. 1961. V. 4. Iss. 1. P. 68–73; https://doi.org/10.1016/S0019-9958(61)80037-5
- Efanov D.V., Sapozhnikov V.V., Sapozhnikov Vl.V. The Self-Checking Concurrent Error-Detection Systems Synthesis Based on the Boolean Complement to the Bose-Lin Codes with the Modulo Value M = 4 // Electronic Modeling. 2021. V. 43. Iss. 1. P. 28–45; https://doi.org/10.15407/emodel.43.01.028
- Слабаков Е.В. Построение полностью самопроверяемых комбинационных устройств с использованием остаточных кодов // АиТ. 1979. № 10. C. 133–141.
- Слабаков Е.В., Согомонян Е.С. Самопроверяемые вычислительные устройства и системы (обзор) // АиТ. 1981. № 11. С. 147–167.
- Piestrak S.J. Design of Self-Testing Checkers for Unidirectional Error Detecting Codes. Wrocław: Oficyna Wydawnicza Politechniki Wrocłavskiej, 1995. 111 p.
- Das D., Touba N.A. Synthesis of Circuits with Low-Cost Concurrent Error Detection Based on Bose-Lin Codes // J. Electronic Testing: Theory and Applications. 1999. V. 15. Iss. 1–2. P. 145–155; https://doi.org/10.1023/A:1008344603814
- Ефанов Д.В., Сапожников В.В., Сапожников Вл.В. Применение модульных кодов с суммированием для построения систем функционального контроля комбинационных логических схем // АиТ. 2015. № 10. С. 152–169.
- Сапожников В.В., Сапожников Вл.В., Ефанов Д.В., Черепанова М.Р. Модульные коды с суммированием в системах функционального контроля. I. Свойства обнаружения ошибок кодами в информационных векторах // Электронное моделирование. 2016. Т. 38. № 2. С. 27–48.
- Сапожников В.В., Сапожников Вл.В., Ефанов Д.В., Черепанова М.Р. Модульные коды с суммированием в системах функционального контроля. II. Уменьшение структурной избыточности систем функционального контроля // Электронное моделирование. 2016. Т. 38. № 3. С. 47–61.
- Ефанов Д.В., Осадчий Г.В., Зуева М.В. Особенности обнаружения ошибок кодами с суммированием единичных информационных разрядов в кольце вычетов по заданному модулю в схемах встроенного контроля, синтезированных на основе метода логического дополнения // Автоматика на транспорте. 2021. Т. 7. № 2. С. 284–314; https://doi.org/10.20295/2412-9186-2021-7-2-284-314
- Efanov D., Osadchy G., Zueva M. Specifics of Error Detection with Modular Sum Codes in Concurrent Error-Detection Circuits Based on Boolean Complement Method // Proc. IEEE East-West Design & Test Sympos. (EWDTS’2021). Batumi, Georgia, 2021. P. 59–69; https://doi.org/10.1109/EWDTS52692.2021.9581036
- Сапожников В.В., Сапожников Вл.В., Ефанов Д.В. Коды с суммированием для систем технического диагностирования. Т. 1. Классические коды Бергера и их модификации. М.: Наука, 2020. 383 с.
- Сапожников В.В., Сапожников Вл.В., Ефанов Д.В. Коды с суммированием для систем технического диагностирования. Т. 2. Взвешенные коды с суммированием. М.: Наука, 2021. 455 с.
- The On-Line Encyclopedia of Integer Sequences электронный ресурс (режим доступа: https://oeis.org/, 14.04.2024 г.).
- Грэхем Р.Л., Кнут Д.Э., Паташник О. Конкретная математика. Математические основы информатики, 2-е изд. / Пер. с англ. М.: ООО “И.Д. Вильямс”, 2017. 784 с.
- Ефанов Д.В. Синтез самопроверяемых комбинационных устройств на основе метода логической коррекции сигналов с применением кодов Боуза–Лина // Информационные технологии. 2023. Т. 29. № 10. С. 503–511; https://doi.org/10.17587/it.29.503-511
- Carter W.C., Duke K.A., Schneider P.R. Self-Checking Error Checker for Two-Rail Coded Data // United States Patent Office, Filed July 25, 1968. Ser. 747533, patented Jan. 26. N. Y., 1971, 10 p.
- Harris D.M., Harris S.L. Digital Design and Computer Architecture. Morgan Kaufmann, 2012. 569 p.
- Аксёнова Г.П. Необходимые и достаточные условия построения полностью проверяемых схем свертки по модулю 2 // АиТ. 1979. № 9. С. 126–135.
- Сапожников В.В., Сапожников Вл.В. Самопроверяемые дискретные устройства. СПб.: Энергоатомиздат, 1992. 224 с.
- Закревский А.Д., Поттосин Ю.В., Черемисинова Л.Д. Логические основы проектирования дискретных устройств. М.: Физматлит, 2007. 592 с.
- Sentovich E.M., Singh K.J., Moon C., Savoj H., Brayton R.K., Sangiovanni-Vincentelli A. Sequential Circuit Design Using Synthesis and Optimization // Proc. IEEE Intern. Conf. on Computer Design: VLSI in Computers & Processors. Cambridge, MA, USA, 1992. P. 328–333; https://doi.org/10.1109/ICCD.1992.276282
- Sentovich E.M., Singh K.J., Lavagno L., Moon C., Murgai R., Saldanha A. et al. SIS: A System for Sequential Circuit Synthesis. Electronics Research Laboratory, Department of Electrical Engineering and Computer Science, Berkeley: University of California, 1992, 45 p.
- Collection of Digital Design Benchmarks электронный ресурс (режим доступа: https://ddd.fit.cvut.cz/www/prj/Benchmarks/, 14.04.2024 г.).
- McElvain K. IWLS’93 Benchmark Set: Version 4.0. Distributed as a Part of IWLS’93 Benchmark Set, 1993.
Дополнительные файлы












