Формирование полос макролокализованной деформации при ударном индентировании сплава Al–6Mg
- Авторы: Шибков А.А.1, Золотов А.Е.1, Денисов А.А.1, Гасанов М.Ф.1
-
Учреждения:
- Тамбовский государственный университет им. Г.Р. Державина
- Выпуск: Том 124, № 4 (2023)
- Страницы: 423-429
- Раздел: ПРОЧНОСТЬ И ПЛАСТИЧНОСТЬ
- URL: https://journal-vniispk.ru/0015-3230/article/view/139412
- DOI: https://doi.org/10.31857/S0015323022601982
- EDN: https://elibrary.ru/VIMYEG
- ID: 139412
Цитировать
Полный текст
Аннотация
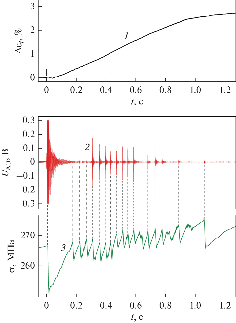
Зарождение и рост полос макролокализованной деформации, инициированных ударным индентированием деформируемых образцов алюминий-магниевого сплава, исследовали методом акустической эмиссии и высокоскоростной видеосъемкой с временным разрешением до 50 мкс. Установлено, что удар индентора вызывает развитие макроскачка пластической деформации амплитудой ~1–3%, обусловленного зарождением и распространением ~10 деформационных полос на поверхности сплава, демонстрирующего эффект Портевена–Ле Шателье. Показано, что полосы макролокализованной деформации представляют опасный вид эрозионного повреждения, который может вызвать внезапное разрушение сплава.
Ключевые слова
Об авторах
А. А. Шибков
Тамбовский государственный университет им. Г.Р. Державина
Email: shibkovaleks@mail.ru
Россия, 392036, Тамбов, ул. Интернациональная, 33
А. Е. Золотов
Тамбовский государственный университет им. Г.Р. Державина
Email: shibkovaleks@mail.ru
Россия, 392036, Тамбов, ул. Интернациональная, 33
А. А. Денисов
Тамбовский государственный университет им. Г.Р. Державина
Email: shibkovaleks@mail.ru
Россия, 392036, Тамбов, ул. Интернациональная, 33
М. Ф. Гасанов
Тамбовский государственный университет им. Г.Р. Державина
Автор, ответственный за переписку.
Email: shibkovaleks@mail.ru
Россия, 392036, Тамбов, ул. Интернациональная, 33
Список литературы
- Белл Дж.Ф. Экспериментальные основы механики деформируемых твердых тел. М.: Наука, 1984. Ч. 2. 432 с.
- Portevin A., Le Chatelier F. Sur un phenomene observe lors de l’essai de traction d’alliages en cours de transformation // C.R. Acad. Sci. Paris. 1923. V. 176. P. 507–510.
- Savart F. Recherches sur les vibrations longitudinales // Ann. Chim. Fhys. 1837. V. 65. P. 337–402.
- Andrade E.N. da C. On the viscous flow in metals and allied phenomena // Proc. Roy. Soc. A. 1910. V. 84. P. 1–12.
- Шибков А.А., Золотов А.Е., Гасанов М.Ф., Желтов М.А., Проскуряков К.А. Влияние импульсного лазерного ИК-излучения на динамику и морфологию деформационных полос в алюминий-магниевом сплаве // ФТТ. 2018. Т. 60. № 9. С. 1632–1640.
- Шибков А.А., Денисов А.А., Золотов А.Е., Кочегаров С.С. Влияние агрессивной среды на прерывистую деформацию алюминий-магниевого сплава АМг6 // ФТТ. 2017. Т. 59. № 1. С. 96–102.
- Шибков А.А., Мазилкин А.А., Протасова С.Г., Михлик Д.В., Золотов А.Е., Желтов М.А., Шуклинов А.В. Влияние выделений вторичной фазы на скачкообразную деформацию алюминиево-магниевого сплава АМг6 // Деформация и разрушения материалов. 2008. № 6. С. 12–17.
- Шибков А.А., Желтов М.А., Лебедкин М.А., Скворцов В.В., Кольцов P.Ю., Шуклинов А.В. Комплекс in situ методов исследования скачкообразной пластической деформации металлов// Заводская лаборатория. 2005. № 7. Т. 71. С. 20–27.
- Shibkov A.A., Zheltov M.A., Gasanov M.F., Zolotov A.E., Denisov A.A., Lebyodkin M.A. Dynamics of deformation band formation investigated by high-speed techniques during creep in an AlMg alloy // Mater. Sci. Eng. A. 2020. V. 772. P. 138777.
- Shibkov A.A., Gasanov M.F., Zheltov M.A., Zolotov A.E., Ivolgin V.I. Intermittent plasticity associated with the spatio-temporal dynamics of deformation bands during creep tests in an AlMg polycrystal // Int. J. Plast. 2016. V. 86. P. 37–55.
- Хилл Р. Математическая теория пластичности. М.: Гостехиздат, 1956. 369 с.
- Колесников Ю.В., Морозов Е.М. Механика контактного разрушения. М.: ЛКИ, 2012. 11 с.
- Деревягина Л.С., Панин В.Е., Гордиенко А.И. Самоорганизация пластических сдвигов в макрополосах локализованной деформации в шейки высокопрочных поликристаллов и ее роль в разрушении материала при одноосном растяжении // Физ. мезомех. 2007. Т. 10. № 4. С. 59–71.
- Батуев Г.С., Голубков Ю.В., Ефремов А.К., Малинин Н.И. Инженерные методы исследования ударных процессов. М.: Машиностроение, 1977. 240 с.
- Selyutina N., Borodin E.N., Petrov Y., Mayer A.E. The definition of characteristic times of plastic relaxation by dislocation slip and grain boundary sliding in copper and nickel // Int. J. Plast. 2016. V. 82. P. 97–111.
- Селютина Н.С., Петров Ю.В. Прогнозирование динамического предела текучести металлов с помощью двух структурно-временных параметров // ФТТ. 2018. Т. 60. № 2. С. 240–244.
- Евстифеев А.Д., Петров Ю.В., Казаринов Н.А., Валиев Р.Р. Исследование прочности титанового сплава Ti–6Al–4V в условиях ударных и импульсных воздействий // ФТТ. 2018. Т. 60. № 12. С. 2320–2324.
- Prata F., Rose B. Volcanic Ash Hazards to Aviation/ in The encyclopedia of volcanoes, 2nd ed. Academic Press, 2015. Ch. 52. 911 p.
Дополнительные файлы








