The Influence of Inert Fluoropolymer on Equilibrium and Dynamic Hydration Characteristics of MF-4SC Membrane
- Authors: Kononenko N.A.1, Shkirskaya S.A.1, Rybalko M.V.1, Zotova D.A.1
-
Affiliations:
- Kuban State University, 350040, Krasnodar, Russia
- Issue: Vol 85, No 6 (2023)
- Pages: 738-747
- Section: Articles
- Submitted: 25.12.2023
- Published: 01.11.2023
- URL: https://journal-vniispk.ru/0023-2912/article/view/231792
- DOI: https://doi.org/10.31857/S0023291223600645
- EDN: https://elibrary.ru/IEKJMY
- ID: 231792
Cite item
Full Text
Abstract
The influence of the type and amount of an inert component in perfluorinated MF-4SC sulfonic cation-exchange membrane on its equilibrium physicochemical and transport properties has been studied. The exchange capacity, water content, specific conductivity, and diffusion and electroosmotic permeability of two series of MF-4SC membranes obtained by casting from polymer solutions in dimethylformamide with variable contents of inert fluoropolymers have been investigated. A relationship between the equilibrium and dynamic hydration characteristics of the samples has been found as a result of studying water distribution over water binding energies and effective pore radii and the numbers of water transport in an external electric field. The type and content of an inert component in the perfluorinated membrane have been found to affect more significantly the state of water under equilibrium conditions than the electroosmotic water transport.
About the authors
N. A. Kononenko
Kuban State University, 350040, Krasnodar, Russia
Email: shkirskaya@mail.ru
Россия, 350040, Краснодар, ул. Ставропольская, 149
S. A. Shkirskaya
Kuban State University, 350040, Krasnodar, Russia
Email: shkirskaya@mail.ru
Россия, 350040, Краснодар, ул. Ставропольская, 149
M. V. Rybalko
Kuban State University, 350040, Krasnodar, Russia
Email: shkirskaya@mail.ru
Россия, 350040, Краснодар, ул. Ставропольская, 149
D. A. Zotova
Kuban State University, 350040, Krasnodar, Russia
Author for correspondence.
Email: shkirskaya@mail.ru
Россия, 350040, Краснодар, ул. Ставропольская, 149
References
- Филиппов С.П., Ярославцев А.Б. Водородная энергетика: перспективы развития и материалы // Успехи химии. 2021. Т. 90. № 6. P. 627–643. https://doi.org/10.1070/RCR5014
- Григорьев С.А., Порембский В.И., Фатеев В.Н., Самсонов Р.О., Козлов С.И. Получение водорода электролизом воды: современное состояние, проблемы и перспективы // Транспорт на альтернативном топливе. 2008. № 3(3). С. 62–69.
- Иванчев С.С., Мякин С.В. Полимерные мембраны для топливных элементов: получение, структура, модифицирование, свойства // Успехи химии. 2010. Т. 79. № 2. С. 117–134.
- Tellez-Cruz M.M., Escorihuela J., Solorza-Feria O., Compan V. Proton exchange membrane fuel cells (PEMFCs): Advances and challenges // Polymers. 2021. V. 13. № 18. P. 3064–3117. https://doi.org/10.3390/polym13183064
- Okonkwo P.C., Belgacem I.B., Emori W., Uzoma P.C. Nafion degradation mechanisms in proton exchange membrane fuel cell (PEMFC) system: A review // International Journal of Hydrogen Energy. 2021. V. 46. № 55. P. 27956–27973. https://doi.org/10.1016/j.ijhydene.2021.06.032
- Borup R., Meyers J., Pivovar B., Kim Y.S. et al. Scientific aspects of polymer electrolyte fuel cell durability and degradation // Chemical Reviews. 2007. V. 107. № 10. P. 3904–3951. https://doi.org/10.1021/cr050182l
- El-Kharouf A., Chandan A., Hattenberger M., Pollet B.G. Proton exchange membrane fuel cell degradation and testing: Review // Journal of the Energy Institute. 2012. V. 85. № 4. P. 188–200. https://doi.org/10.1179/1743967112Z.00000000036
- de Bruijn F.A., Dam V.A.T., Janssen G.J.M. Review: Durability and degradation issues of PEM fuel cell components // Fuel Cells. 2008. V. 8. № 1. P. 3–22. https://doi.org/10.1002/fuce.200700053
- Sorrentino A., Sundmacher K., Vidakovic-Koch T. Polymer electrolyte fuel cell degradation mechanisms and their diagnosis by frequency response analysis methods: A review // Energies. 2020. V. 13. № 21. P. 5825–5854. https://doi.org/10.3390/en13215825
- Григорьев С.А., Джусь К.А., Бессарабов Д.Г., Маркелов В.В., Фатеев В.Н. Исследование механизмов деградации мембранно-электродных блоков твердополимерных электролизеров воды // Электрохимическая энергетика. 2014. Т. 14. № 4. С. 187–196.
- Григорьев С.А., Бессарабов Д.Г., Фатеев В.Н. О механизмах деградации характеристик мембранно-электродных блоков при твердополимерном электролизе воды // Электрохимия. 2017. Т. 53. № 3. С. 359–365. https://doi.org/10.7868/80424857017030069
- Ярославцев А.Б., Добровольский Ю.А., Шаглаева Н.С., Фролова Л.А., Герасимова Е.В., Сангинов Е.А. Наноструктурированные материалы для низкотемпературных топливных элементов // Успехи химии. 2012. Т. 81. № 3. С. 191–220.
- Bauer F., Willert-Porada M. Comparison between Nafion® and a Nafion® zirconium phosphate nano-composite in fuel cell applications // Fuel Cells. 2006. V. 6. № 3–4. P. 261–269. https://doi.org/10.1002/fuce.200500217
- Сафронова Е.Ю., Стенина И.А., Ярославцев А.Б. Синтез и исследование гибридных мембран МФ-4СК–SiO2, модифицированных фосфорно-вольфрамовой гетерополикислотой // Журн. неорганической химии. 2010. Т. 55. № 1. С. 16–20.
- Prykhodko Y., Fatyeyeva K., Hespel L., Marais S. Progress in hybrid composite Nafion®-based membranes for proton exchange fuel cell application // Chemical Engineering Journal. 2021. V. 409. P. 127329. https://doi.org/10.1016/j.cej.2020.127329
- Zhang Y., Zhang H., Bi C., Zhu X. An inorganic/organic self-humidifying composite membranes for proton exchange membrane fuel cell application // Electrochimica Acta. 2008. V. 53. № 12. P. 4096–4103. https://doi.org/10.1016/j.electacta.2007.12.045
- Shkirskaya S.A., Kononenko N.A., Timofeev S.V. Structural and electrotransport properties of perfluorinated sulfocationic membranes modified by silica and zirconium hydrophosphate // Membranes. 2022. V. 12. № 12. P. 979. https://doi.org/10.3390/membranes12100979
- Mirfarsi S.H., Parnian M.J., Rowshanzamir S. Self-humidifying proton exchange membranes for fuel cell applications: Advances and challenges // Processes. 2020. V. 8. № 9. P. 1069. https://doi.org/10.3390/pr8091069
- Каюмов Р.Р., Сангинов Е.А., Золотухина Е.В., Герасимова Е.В., Букун Н.Г., Укше А.Е., Добровольский Ю.А. “Самоувлажняемые” нанокомпозитные мембраны Nafion/Pt для низкотемпературных твердополимерных топливных элементов // Альтернативная энергетика и экология. 2013. № 13 (135). P. 40–48.
- Hagihara H., Uchida H., Watanabe M. Preparation of highly dispersed SiO2 and Pt particles in Nafion®112 for self-humidifying electrolyte membranes in fuel cells // Electrochimica Acta. 2006. V. 51. № 19. P. 3979–3985. https://doi.org/10.1016/j.electacta.2005.11.012
- Yang T. A Nafion-based self-humidifying membrane with ordered dispersed Pt layer // International Journal of Hydrogen Energy. 2008. V. 33. № 10. P. 2530–2535. https://doi.org/10.1016/j.ijhydene.2008.02.060
- Yang H.N., Lee D.C., Park S.H., Kim W.J. Preparation of Nafion/various Pt-containing SiO2 composite membranes sulfonated via different sources of sulfonic group and their application in self-humidifying PEMFC // Journal of Materials Science. 2013. V. 443. P. 210–218. https://doi.org/10.1016/j.memsci.2013.04.060
- Кудашова Д.С., Кононенко Н.А., Бровкина М.А., Фалина И.В. Изучение деградации перфторированной мембраны в процессе работы в водородном топливном элементе // Мембраны и мембранные технологии. 2022. Т. 12. № 1. С. 29–37. https://doi.org/https://doi.org/10.1134/S2218117222010059
- Кудашова Д.С., Фалина И.В., Кононенко Н.А., Демиденко К.С. Физико-химические свойства и эксплуатационные характеристики объемно модифицированных платиной перфторированных мембран при работе в водородном топливном элементе // Мембраны и мембранные технологии. 2023. Т. 13. № 1. С. 23–32. https://doi.org/10.31857/S2218117223010042
- Qing G., Kikuchi R., Takagaki A., Sugawara T., Oyama S.T. CsH2PO4/Polyvinylidene fluoride composite electrolytes for intermediate temperature fuel cells // Journal of The Electrochemical Society. 2014. V. 161. № 4. P. F451. https://doi.org/10.1149/2.052404jes
- Bagryantseva I.N., Ponomareva V.G., Khusnutdinov V.R. Intermediate temperature proton electrolytes based on cesium dihydrogen phosphate and poly (vinylidene fluoride-co-hexafluoropropylene) // Journal of Materials Science. 2021. V. 56. P. 14196–14206. https://doi.org/10.1007/s10853-021-06137-0
- Bagryantseva I.N., Kungurtsev Y.E., Ponomareva V.G. Proton-conducting membranes based on CsH2PO4 and copolymer of tetrafluoroethylene with vinylidene fluoride // Chimica Techno Acta. 2022. V. 9. № 3. P. 20229303. https://doi.org/10.15826/chimtech.2022.9.3.03
- Falina I., Kononenko N., Timofeev S., Rybalko M., Demidenko K. Nanocomposite membranes based on fluoropolymers for electrochemical energy sources // Membranes. 2022. V. 12. № 10. P. 935. https://doi.org/10.3390/membranes12100935
- Balster J.H., Stamatialis D., Wessling M. Electro-catalytic membrane reactors and the development of bipolar membrane technology // Chemical Engineering and Processing. 2004. V. 43. № 9. P. 1115–1127. https://doi.org/10.1016/j.cep.2003.11.010
- Nagarale R.K., Gohil G.S., Shahi V.K. Recent developments on ion-exchange membranes and electro-membrane processes // Advances in Colloid and Interface Science. 2006. V. 119. № 2–3. P. 97–130. https://doi.org/10.1016/j.cis.2005.09.005
- Berezina N.P., Kononenko N.A., Dyomina O.A., Gnusin N.P. Characterization of ion-exchange membrane materials: Properties vs structure // Advances in Colloid and Interface Science. 2008. V. 139. № 1–2. P. 3–28. https://doi.org/10.1016/j.cis.2008.01.002
- Rouquerol J., Baron G., Denoyel R. et al. Liquid intrusion and alternative methods for the characterization of macroporous materials (IUPAC Technical Report) // Pure and Applied Chemistry. 2012. V. 84. № 1. P. 107–136. https://doi.org/10.1351/PAC-REP-10-11-19
- Volfkovich Yu., Filippov A., Bagotsky V. Structural Properties of Porous Materials and Powders Used in Different Fields of Science and Technology. London: Springer. 2014. 328 p.
- Kononenko N., Nikonenko V., Grande D., Larchet C., Dammak L., Fomenko M., Volfkovich Yu. Porous structure of ion exchange membranes investigated by various techniques // Advances in Colloid and Interface Science. 2017. V. 246. P. 196–216. https://doi.org/10.1016/j.cis.2017.05.007
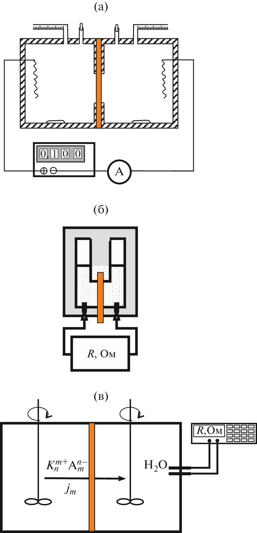
- Назырова Е.В., Кононенко Н.А., Шкирская С.А., Демина О.А. Сравнительное исследование электроосмотической проницаемости ионообменных мембран объемным и гравиметрическим методами // Мембраны и мембранные технологии. 2022. Т. 12. № 3. С. 165–172.https://doi.org/10.31857/S2218117222030063
- Термопластичные фторполимеры http://plastpolymer.org/.
Supplementary files









