ПРИМЕНЕНИЕ СХЕМЫ ЕМКОСТНОГО ДЕЛЕНИЯ СИГНАЛА ДЛЯ УМЕНЬШЕНИЯ ЧИСЛА КАНАЛОВ СЧИТЫВАНИЯ МНОГОКАНАЛЬНЫХ КРЕМНИЕВЫХ ДЕТЕКТОРОВ С p–n-ПЕРЕХОДОМ
- Авторы: Горбунов А.В.1, Карманов Д.Е.1
-
Учреждения:
- НИИ ядерной физики им. Д.В. Скобельцына Московского государственного университета им. М.В. Ломоносова
- Выпуск: № 1 (2023)
- Страницы: 41-55
- Раздел: ТЕХНИКА ЯДЕРНОГО ЭКСПЕРИМЕНТА
- URL: https://journal-vniispk.ru/0032-8162/article/view/138275
- DOI: https://doi.org/10.31857/S0032816223010160
- EDN: https://elibrary.ru/JWQGFQ
- ID: 138275
Цитировать
Полный текст
Аннотация
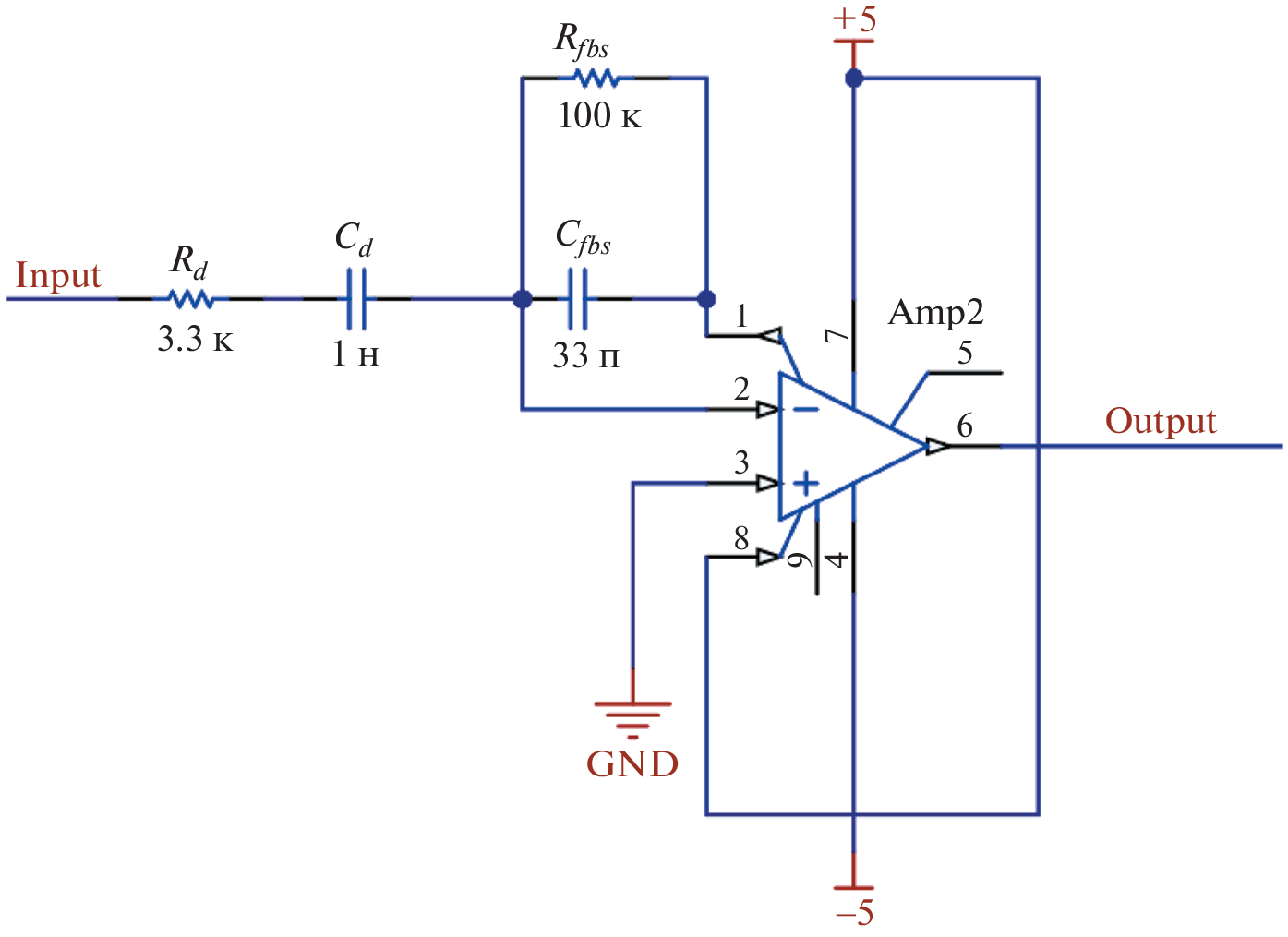
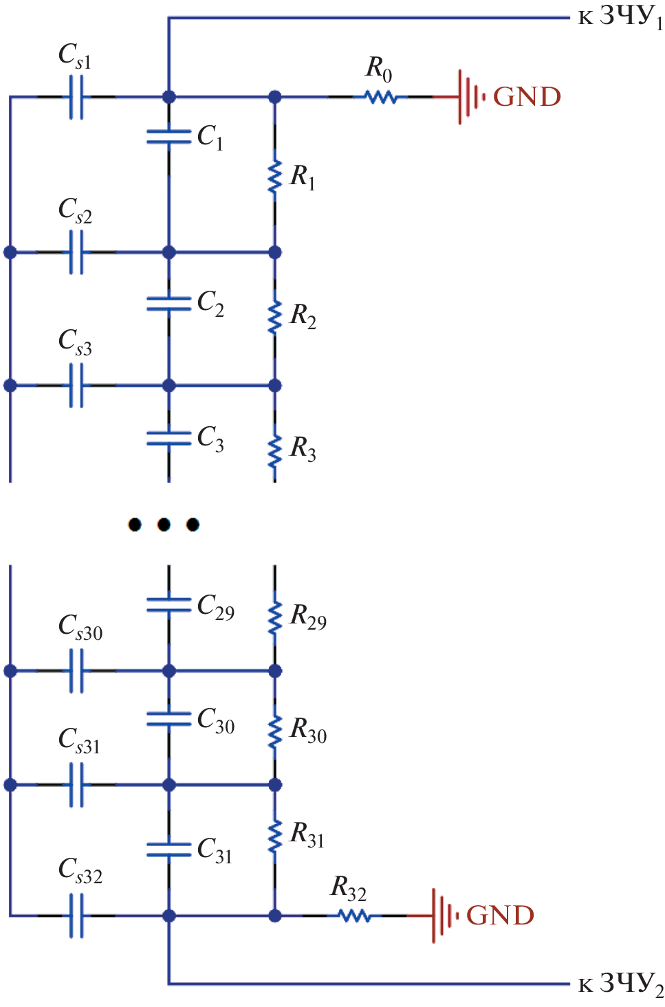
Рассматривается электронная схема, позволяющая в определенных случаях существенно уменьшать число каналов считывания в кремниевых координатных датчиках на основе матрицы p–i–n-структур (стриповых или падовых) без потери точности измерения координаты. Электронная схема представляет собой цепочку внешних конденсаторов, соединяющую структуры датчика. При срабатывании одной из структур сигнал распространяется по цепочке конденсаторов емкостного делителя до ближайших каналов считывания. По изменению величины сигнала можно определить исходный номер сработавшей структуры.
Проведено математическое моделирование предложенной схемы для типичных параметров детектора и считывающей электроники. Математическая модель позволила оптимизировать параметры схемы в зависимости от параметров датчика и электроники считывания. Результаты моделирования подтверждены экспериментальными измерениями на нескольких макетах прибора.
Показано, что для определенных условий применения, когда сигнал в детекторе достаточно велик, например при регистрации ядер с зарядом Z > 6, можно, используя стандартные малошумящие операционные усилители, добиться точного восстановления номера сработавшей структуры в цепочке из не менее чем тридцати структур, считывая только две крайние структуры.
Об авторах
А. В. Горбунов
НИИ ядерной физики им. Д.В. Скобельцына Московского государственного университета им. М.В. Ломоносова
Email: gorbunov.av18@physics.msu.ru
Россия, 119991, Москва, Ленинские горы, 1, стр. 2
Д. Е. Карманов
НИИ ядерной физики им. Д.В. Скобельцына Московского государственного университета им. М.В. Ломоносова
Автор, ответственный за переписку.
Email: gorbunov.av18@physics.msu.ru
Россия, 119991, Москва, Ленинские горы, 1, стр. 2
Список литературы
- Сандуковский В.Г., Савельев В.И. // Физика элементарных частиц и атомного ядра. 1991. Т. 22. Вып. 6. С. 1347.
- Laegsgaard E. // Nucl. Instrum. and Methods. 1979. T. 162. № 1–3. C. 93. https://doi.org/10.1016/0029-554X(79)90708-0
- England J., Hyams B., Hubbeling L., Vermeulen J., Weilhammer P. // Nucl. Instrum. and Methods in Phys. Res. 1981. T. 185. №. 1–3. P. 43. https://doi.org/10.1016/0029-554X(81)91192-7
- Башинджагян Г.Л., Короткова Н.А. // ПТЭ. 2006. № 3. С. 27.
- D0 Collaboration. Abazov V.M. et al. // Nucl. Instrum. And Methods. 2006. V. A565. P. 463. https://doi.org/10.1016/j.nima.2006.05.248
- Lutz G. Semiconductor radiation detectors. Berlin: Springer, 1999. https://doi.org/10.1007/978-3-540-71679-2
- Воронин А., Елин В., Кудряшов И., Меркин М. // Электроника: Наука, технология, бизнес. 2016. № 3. С. 54.
- Акимов Ю.К., Игнатьев О.В., Калинин А.И., Кушнирук В.Ф. Полупроводниковые детекторы в экспериментальной физике. М.: Энергоатомиздат, 1989.
Дополнительные файлы




















