АВТОМАТИЗИРОВАННЫЙ МНОГОФУНКЦИОНАЛЬНЫЙ СТЕНД ДЛЯ МАССОВОГО ИЗМЕРЕНИЯ ХАРАКТЕРИСТИК PIN-ФОТОДИОДОВ
- Авторы: Афанасенко С.С.1, Гнатовский Е.Р.1, Григорьев Д.Н.1,2,3, Талышев А.А.1,3, Тимофеев А.В.1, Щербаков Р.И.1
-
Учреждения:
- Институт ядерной физики им. Г.И. Будкера СО РАН,
- Новосибирский государственный технический университет,
- Новосибирский государственный университет
- Выпуск: № 1 (2023)
- Страницы: 62-65
- Раздел: ЭЛЕКТРОНИКА И РАДИОТЕХНИКА
- URL: https://journal-vniispk.ru/0032-8162/article/view/138282
- DOI: https://doi.org/10.31857/S0032816223010019
- EDN: https://elibrary.ru/JRGZNZ
- ID: 138282
Цитировать
Полный текст
Аннотация
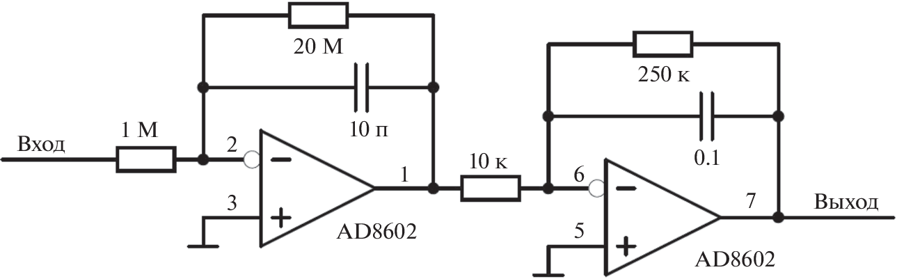
Для контроля параметров PIN-фотодиодов при массовом их производстве разработан высокопроизводительный автоматизированный многофункциональный стенд. Стенд обеспечивает измерение темнового тока, емкости при рабочем напряжении и величины отклика на световой сигнал при одновременном подключении до 16-ти фотодиодов и последовательной проверке их характеристик.
Об авторах
С. С. Афанасенко
Институт ядерной физики им. Г.И. Будкера СО РАН,
Email: A.V.Timofeev@inp.nsk.su
Россия, 630090, Новосибирск, просп. Академика Лаврентьева, 11
Е. Р. Гнатовский
Институт ядерной физики им. Г.И. Будкера СО РАН,
Email: A.V.Timofeev@inp.nsk.su
Россия, 630090, Новосибирск, просп. Академика Лаврентьева, 11
Д. Н. Григорьев
Институт ядерной физики им. Г.И. Будкера СО РАН,; Новосибирский государственный технический университет,; Новосибирский государственный университет
Email: A.V.Timofeev@inp.nsk.su
Россия, 630090, Новосибирск, просп. Академика Лаврентьева, 11; Россия, 630073, Новосибирск, просп. Карла Маркса, 20; Россия, 630090, Новосибирск, ул. Пирогова, 2
А. А. Талышев
Институт ядерной физики им. Г.И. Будкера СО РАН,; Новосибирский государственный университет
Email: A.V.Timofeev@inp.nsk.su
Россия, 630090, Новосибирск, просп. Академика Лаврентьева, 11; Россия, 630090, Новосибирск, ул. Пирогова, 2
А. В. Тимофеев
Институт ядерной физики им. Г.И. Будкера СО РАН,
Email: A.V.Timofeev@inp.nsk.su
Россия, 630090, Новосибирск, просп. Академика Лаврентьева, 11
Р. И. Щербаков
Институт ядерной физики им. Г.И. Будкера СО РАН,
Автор, ответственный за переписку.
Email: A.V.Timofeev@inp.nsk.su
Россия, 630090, Новосибирск, просп. Академика Лаврентьева, 11
Список литературы
- Филачев А.М., Таубкин И.И., Тришенков М.А. Твердотельная фотоэлектроника. М.: Физматкнига, 2005.
- Hamamatsu Photonics K.K. Si PIN photodiode S10993-05GT. Hamamatsu City, 2013.
- http://arduino.ru/Hardware/ArduinoBoardMega2560
- Evans B.W. Arduino Programming Notebook. San Francisco, 2007.
- Сван Т. Программирование для Windows в Borland С++. М.: БИНОМ, 1995.
Дополнительные файлы







