A Compact Pulse Magnetron Microwave Generator Based on a Solid-State Switch
- Authors: Burkin E.Y.1, Sviridov V.V.1, Chumerin P.Y.1
-
Affiliations:
- National Research Tomsk Polytechnic University
- Issue: No 1 (2023)
- Pages: 66-73
- Section: ЭЛЕКТРОНИКА И РАДИОТЕХНИКА
- URL: https://journal-vniispk.ru/0032-8162/article/view/138284
- DOI: https://doi.org/10.31857/S0032816223010081
- EDN: https://elibrary.ru/JSDTTJ
- ID: 138284
Cite item
Full Text
Abstract
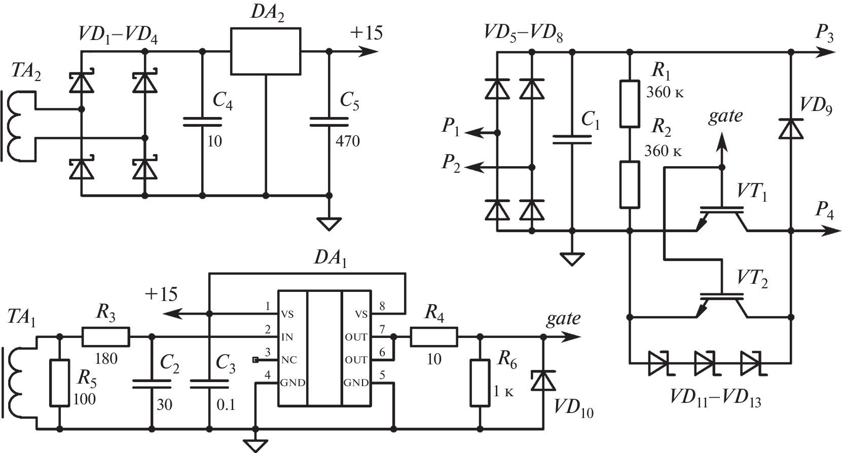
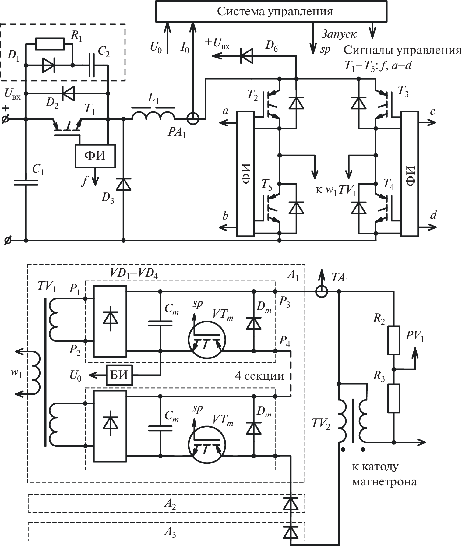
A pulsed magnetron system generating high-energy microwave pulses with a frequency of 400 Hz and an average power of 0.5 kW is described. To generate a magnetron current pulse, a circuit with 12 identical transistor modules with an operating voltage of 800 V, which are connected in series to the primary winding of a high-voltage pulse transformer with a transformation ratio of 3.5, is used. Thus, a voltage pulse with an amplitude of up to 26 kV and a 25-A current with an adjustable duration of 100–500 ns is formed. Experimental data of the system operation into the pulsed microwave magnetron and an equivalent load are presented
About the authors
E. Yu. Burkin
National Research Tomsk Polytechnic University
Email: burkin@mail.ru
634050, Tomsk, Russia
V. V. Sviridov
National Research Tomsk Polytechnic University
Email: burkin@mail.ru
634050, Tomsk, Russia
P. Yu. Chumerin
National Research Tomsk Polytechnic University
Author for correspondence.
Email: burkin@mail.ru
634050, Tomsk, Russia
References
- Fink D.A., Torti R., Reinhardt N., Gaudreau M.P.J., Mansfield F. // IEEE Trans. Magn. 2009. V. 45. Iss. 1. P. 282. https://doi.org/10.1109/TMAG.2008.2008604
- Jong-Hyun Kim, Byung-Duk Min, Shenderey S.V., Geun-Hie Rim // IEEE Trans. on Dielectrics and Electrical Insulation. 2007. V. 14. Iss. 4. P. 921. https://doi.org/10.1109/TDEI.2007.4286526
- Heuijin Lim, Dong Hyeok Jeong, Manwoo Lee, Sung Chae Ro // IEEE Trans. on Plasma Science. 2017. V. 45. Iss. 10. P. 2734. https://doi.org/10.1109/TPS.2017.2749504
- Xia Wang, Qinghua Huang, Lin Xiong, Le Xu, Qiang Chen, Qing Xiong // IEEE Trans. on Plasma Science. 2018. V. 46. Iss. 6. P. 2072. https://doi.org/10.1109/TPS.2018.2837021
- Визирь В.А., Иванов С.В., Ковальчук Б.М., Манылов В.И., Шубкин Н.Г., Червяков В.В., Юрьев В.В., Бутаков Л.Д., Толмачев В.И. // ПТЭ. 2004. № 4. С. 53.
- Буркин Е.Ю., Свиридов В.В., Чумерин П.Ю. // ПТЭ. 2021. № 3. С. 34. https://doi.org/10.31857/S0032816221030174
Supplementary files









