A Precision Current Source with an Energy Storage for Supplying Superconducting Structural Magnets of the Booster of the NICA Complex
- Authors: Shiyanov A.A.1, Sennov Y.M.1, Chistilin S.V.1, Mustafa G.M.1, Gusev S.I.1, Karpinskiy V.N.2, Khodzhibagiyan G.G.2, Shurygin A.A.2, Travin N.V.2
-
Affiliations:
- OOO NPP LM Invertor
- Joint Institute for Nuclear Research
- Issue: No 3 (2023)
- Pages: 23-36
- Section: ЭЛЕКТРОНИКА И РАДИОТЕХНИКА
- URL: https://journal-vniispk.ru/0032-8162/article/view/138370
- DOI: https://doi.org/10.31857/S0032816223020118
- EDN: https://elibrary.ru/UXQSYW
- ID: 138370
Cite item
Full Text
Abstract
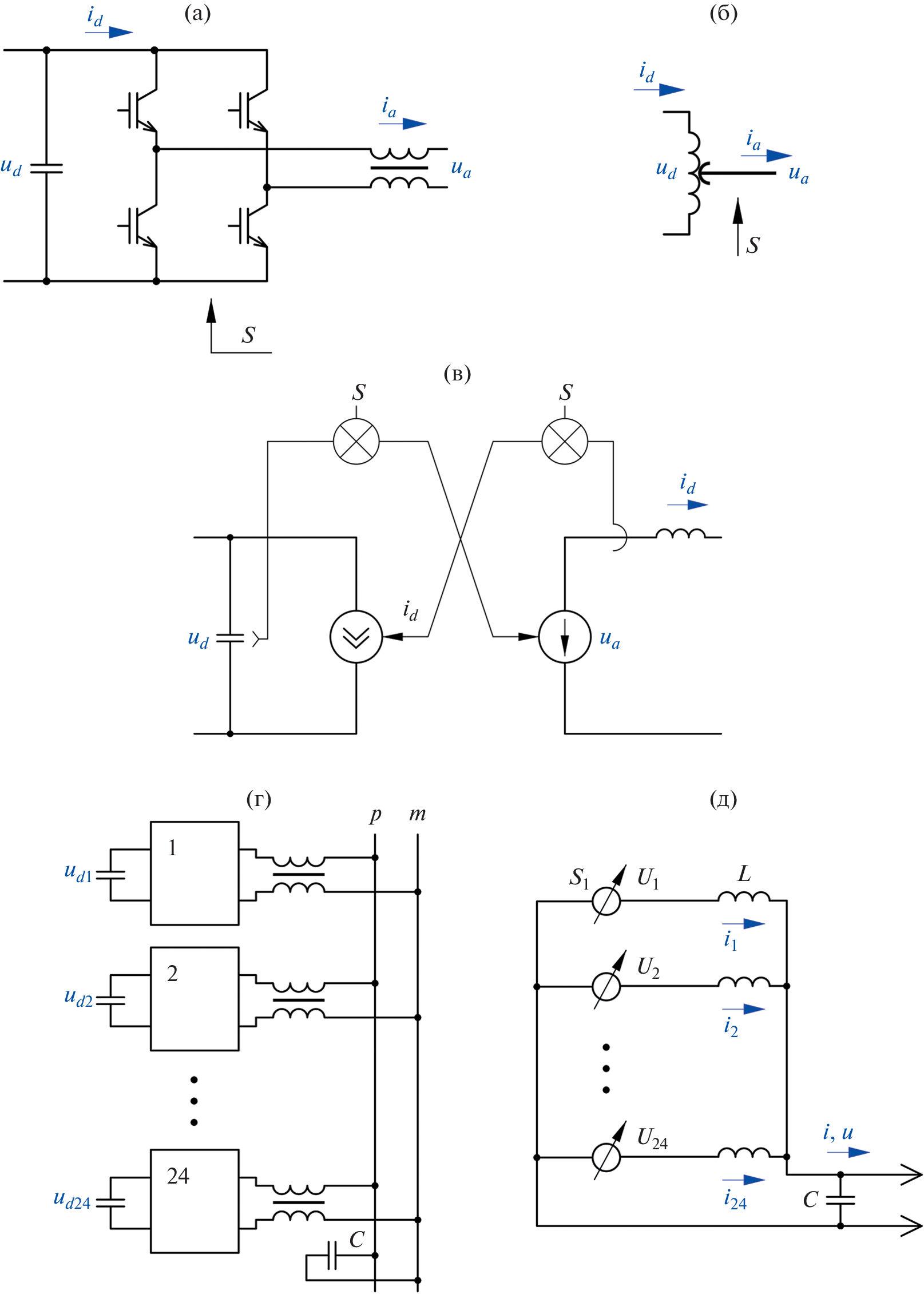
A precision current source of the PIT11-260 type with a power of 2.2 MW is designed to supply the superconducting structural magnets of the Booster of the NICA collider plant, which is being created at the Joint Institute for Nuclear Research. The source generates periodic trapezoidal current pulses with an amplitude of up to 10 kA with an accuracy of 0.001–0.01%. For this purpose, the source is made on the basis of a modular multilevel transistor voltage converter in combination with a 6.1-MJ capacitive energy-storage device, which reduces the influence of a powerful pulse-periodic load on the public network and removes the problem of penetration of disturbances from the mains into the power-supply circuits of the superconducting magnets.
About the authors
A. A. Shiyanov
OOO NPP LM Invertor
Email: gusev-si@lm-inverter.ru
111250, Moscow, Russia
Yu. M. Sennov
OOO NPP LM Invertor
Email: gusev-si@lm-inverter.ru
111250, Moscow, Russia
S. V. Chistilin
OOO NPP LM Invertor
Email: gusev-si@lm-inverter.ru
111250, Moscow, Russia
G. M. Mustafa
OOO NPP LM Invertor
Email: gusev-si@lm-inverter.ru
111250, Moscow, Russia
S. I. Gusev
OOO NPP LM Invertor
Email: gusev-si@lm-inverter.ru
111250, Moscow, Russia
V. N. Karpinskiy
Joint Institute for Nuclear Research
Email: gusev-si@lm-inverter.ru
Moscow oblast, 141980, Dubna, Russia
G. G. Khodzhibagiyan
Joint Institute for Nuclear Research
Email: gusev-si@lm-inverter.ru
Moscow oblast, 141980, Dubna, Russia
A. A. Shurygin
Joint Institute for Nuclear Research
Email: gusev-si@lm-inverter.ru
Moscow oblast, 141980, Dubna, Russia
N. V. Travin
Joint Institute for Nuclear Research
Author for correspondence.
Email: gusev-si@lm-inverter.ru
Moscow oblast, 141980, Dubna, Russia
References
- Technical Project of NICA Acceleration Complex. Dubna, 2015.
- ГОСТ 32144-2013. Нормы качества электрической энергии в системах электроснабжения общего назначения. М.: Стандартинформ, 2014.
- Мустафа Г.М. // Электричество. 1987. № 2. С. 23.
- Hammond P. US patent 5625545A. Oпyбл. 29.04.1997.
- Marquardt R. Current rectification circuit for voltage source inverters with separate energy stores replaces phase blocks with energy storing capacitors // Publication number DE10103031 (DE). 25.07.2002.
- DIN EN 62391-1-2016. Fixed electric double-layer capacitors for use in electric and electronic equipment. Part 1: Generic specification (IEC 62391-1: 2015).
- Смит О.Дж. Автоматическое регулирование. Пер. с англ. / Под ред. Е.П. Попова. М.: ГИФМЛ, 1962.
- Калман Р., Фалб П., Арбив М. Очерки по математической теории систем. Пер. с англ. / Под ред. Я.3. Цыпкина. М.: Мир, 1971.
- Эйкхофф П. Основы идентификации систем управления / Пер. с англ. М.: Мир, 1975.
Supplementary files














