A High-Current High-Voltage Fuse for Protection of Pulsed Power Circuits
- Authors: Enikeev R.S.1, Sapozhnikov K.S.1, Rudenko A.A.1
-
Affiliations:
- Efremov Scientific Research Institute of Electrophysical Apparatus
- Issue: No 3 (2023)
- Pages: 46-52
- Section: ЭЛЕКТРОНИКА И РАДИОТЕХНИКА
- URL: https://journal-vniispk.ru/0032-8162/article/view/138372
- DOI: https://doi.org/10.31857/S0032816223020167
- EDN: https://elibrary.ru/GSUGTS
- ID: 138372
Cite item
Full Text
Abstract
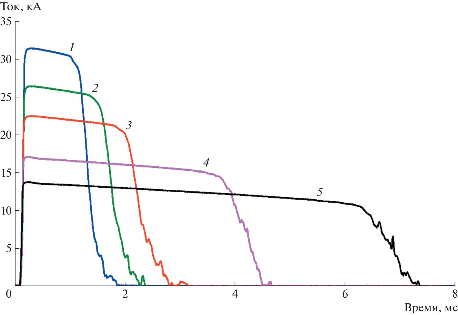
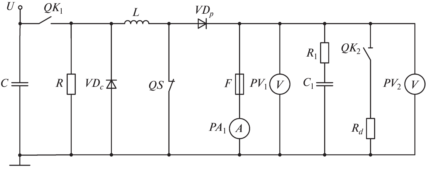
A high-current high-voltage fuse has been developed and tested for protection of some electric power system components at the International Experimental Thermonuclear Reactor (ITER) against short-circuit currents. The fuse has been designed in accordance with the ITER requirements for use in a pulsed operation mode to cut off the current with an amplitude as high as 30 kA in case of a short circuit, thus providing a long-term interruption of the electric circuit with a voltage of up to 9 kV. The design of the developed fuse is described. The main engineering solutions are considered that ensure its compliance with the requirements for the dielectric strength, switching currents, and switch-off time. The results of experimental investigations of the switching characteristics are presented. The range of switching currents and the dielectric strength in a pulsed operation mode with the application of a postswitching voltage are determined.
About the authors
R. Sh. Enikeev
Efremov Scientific Research Institute of Electrophysical Apparatus
Email: enikeev@sintez.niiefa.spb.su
Metallostroi 196641, St. Petersburg, Russia
K. S. Sapozhnikov
Efremov Scientific Research Institute of Electrophysical Apparatus
Email: enikeev@sintez.niiefa.spb.su
Metallostroi, 196641, St. Petersburg, Russia
A. A. Rudenko
Efremov Scientific Research Institute of Electrophysical Apparatus
Author for correspondence.
Email: enikeev@sintez.niiefa.spb.su
Metallostroi, 196641, St. Petersburg, Russia
References
- Song I., Roshal A., Tanchuk V., Thomsen J., Milani F., Benfatto I. // 2011 International Conference on Electrical Machines and Systems. Beijing. IEEE, 2011. P. 1. https://doi.org/10.1109/ICEMS.2011.6073779
- Neumeyer C., Benfatto I., Hourtoule J., Tao J., Mankani A., Milani F., Nair S., Suh I., Tan H., Wang M., Oh J.S., Roshal A. // 2013 IEEE 25th Symposium on Fusion Engineering (SOFE). San Francisco, CA, USA. IEEE, 2013. P. 1. https://doi.org/10.1109/SOFE.2013.6635287
- Бурцев В.А., Калинин Н.В., Лучинский А.В. Электрический взрыв проводников и его применение в электрофизических установках. М.: Энергоатомиздат, 1990. С. 26−31.
- Serebrov R.A., Enikeev R.Sh., Fridman B.E. // IEEE Transactions on Plasma Science. 2013. V. 41. № 1. P. 250. https://doi.org/10.1109/TPS.2012.2225642
- Намитоков К.К., Хмельницкий Р.С., Аникеева К.Н. Плавкие предохранители. М.: Энергия, 1979. С. 45−51.
- Кульгавчук В.М. // ПТЭ. 1966. № 2. С. 159.
- Аполлонский С.М., Козярук Е.А., Куклёв Ю.В. Испытания и системы контроля электрических аппаратов. Учебное пособие. СПб.: Троицкий мост, 2016. С. 192−199.
Supplementary files









