Peculiarities in Construction of Amplifiers of the Piezo-Beam Signal for a Laboratory Hydro-Acoustic Research Complex
- Autores: Shirokov V.A.1, Galuzin A.S.1, Milich V.N.1
-
Afiliações:
- Udmurt Federal Research Center, Ural Branch, Russian Academy of Sciences
- Edição: Nº 4 (2023)
- Páginas: 62-69
- Seção: ЭЛЕКТРОНИКА И РАДИОТЕХНИКА
- URL: https://journal-vniispk.ru/0032-8162/article/view/138423
- DOI: https://doi.org/10.31857/S0032816223030126
- EDN: https://elibrary.ru/ISRRXU
- ID: 138423
Citar
Texto integral
Resumo
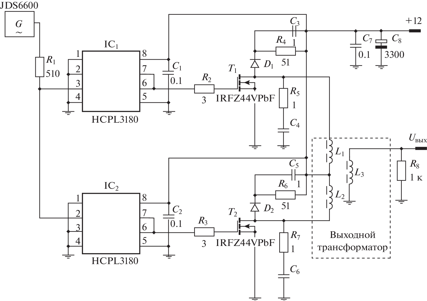
Amplifiers of the buildup signal of piezo emitters in the hardware of a hydroacoustic research complex are described. They are designed to amplify short-term signals with amplitude, frequency, and phase modulation at a frequency of 1 MHz. A feature of the linear signal amplifier with amplitude modulation is the use of an amplifier with current feedback, which is characterized by high speed properties. A feature of a switch signal amplifier with a constant amplitude (frequency and phase modulation) is the use of optocouplers in the control pulse shaper circuit of the output MOSFETs (metal–oxide–semiconductor field effect transistor), which ensured the symmetry of the pulses. The high duty cycle of the amplified signals made it possible to avoid the need for special heat sinks and to perform a simple and compact implementation of the circuits. The gain of the linear amplifier was 18 dB, the maximum amplitude of the output signal was 80 V, and the gain of the switch amplifier and switch signal amplitude were 26 dB and 200 V, respectively. Specific circuit solutions are given.
Sobre autores
V. Shirokov
Udmurt Federal Research Center, Ural Branch, Russian Academy of Sciences
Email: shirokovva@gmail.com
426067, Izhevsk, Russia
A. Galuzin
Udmurt Federal Research Center, Ural Branch, Russian Academy of Sciences
Email: shirokovva@gmail.com
426067, Izhevsk, Russia
V. Milich
Udmurt Federal Research Center, Ural Branch, Russian Academy of Sciences
Autor responsável pela correspondência
Email: shirokovva@gmail.com
426067, Izhevsk, Russia
Bibliografia
- Широков В.А., Милич В.Н. // Вестник ИжГТУ им. М.Т. Калашникова. 2021. Т. 24. № 4. С. 54.
- Липанов А.М., Альес М.Ю., Милич В.Н., Широков В.А. // Актуальные проблемы защиты и безопасности: Труды XXV Всероссийской научно-практической конференции РАРАН (4–7 апреля 2022 г.) Т. 3. М., 2022. С. 253.
- Трофимов В.Н. // Журнал радиоэлектроники [электронный журнал]. 2019. № 9. doi Режим доступа: http://jre.cplire.ru/jre/sep19/7/text.pdfhttps://doi.org/10.30898/1684-1719.2019.9.7
- УНУ “Имитационно-натурный гидроакустический комплексˮ. [Электронный ресурс]. URL: http://inep.sfedu.ru/unu_ingak/ (дата обращения: 05.10.2022)
- УСУ “Гидроакустический комплексˮ: [Электронный ресурс]. URL: http://akin.ru/about-us/stendovaya-baza/gidroakusticheskij-ispytatelnyj-kompleks / (дата обращения: 05.10.2022)
- Урик Роберт Дж. Основы гидроакустики. Л.: Судостроение, 1978.
- Андреева И.Б. Физические основы распространения звука в океане. Л.: Гидрометеоиздат, 1975.
- JDS6600 серия цифровых двухканальных DDS генераторов сигналов: руководство по эксплуатации. URL: https://supereyes.ru/img/instructions/ JDS6600%20_manual.pdf / (дата обращения 06.10.2022)
- Шарапов В.М., Мусиенко М.П., Шарапова Е.В. Пьезоэлектрические датчики. М.: Техносфера, 2006.
- Ultrasonic heat meter sensor US1000-21A: [Электронный ресурс]. URL: https://aliexpress.ru/item/ 32767948760.html?gatewayAdapt=glo2rus&sku_id=62365824783 / (дата обращения: 06.10.2022)
- Савенко Н. // Современная радиоэлектроника. 2006. № 2. С. 18.
- Senani R., Бхаскар Д.Р., Сингх А.К., Сингх В.К. Current Feedback Operational Amplifiers and Their Applications. Springer, 2013. (Analog Circuits and Signal Processing) ISBN 9781461451884.
- Операционный усилитель с токовой обратной связью. Википедия. [Электронный ресурс]. URL: https://ru.wikipedia.org/wiki/Операционный_усилитель_с_токовой_обратной_связью / (дата обращения: 06.10.2022)
- Селф Д. Проектирование усилителей мощности звуковой частоты. 3-е издание. М.: ДМК Пресс, 2009. С. 134.
- TOSHIBA Transistor Silicon PNP Epitaxial Type 2SA1837 [Электронный ресурс]. URL: https://static.chipdip.ru/lib/920/DOC000920605.pdf /(дата обращения: 05.10.2022)
- TOSHIBA Discrete Semiconductors 2SC4793 [Электронный ресурс]. URL: https://static.chipdip.ru/lib/ 921/DOC000921041.pdf /(дата обращения: 05.10.2022)
- Alexander M. A Current Feedback Audio Power Amplifier. 88th Convention of the Audio Eng. Soc. Reprint № 2902, March 1990.
- Жарков Я.Е., Ребров И.Е., Хомич В.Ю., Ямщиков В.А. // ПТЭ. 2021. № 6. С. 25. https://doi.org/10.31857/S0032816221060239
- IRFZ44VPbF Product Data Sheet – Infineon Technologies [Электронный ресурс]. URL: https://static.chipdip.ru/lib/416/DOC012416386.pdf /(дата обращения: 05.10.2022)
Arquivos suplementares








