Comparative Study of Switches of Powerful Nanosecond Pulses Based on Blocks of Series-Connected Shock-Ionized Dynistors
- Authors: Korotkov S.V.1, Aristov Y.V.1, Zhmodikov A.L.1, Korotkov D.A.1
-
Affiliations:
- Ioffe Physicotechnical Institute, Russian Academy of Sciences
- Issue: No 4 (2023)
- Pages: 74-78
- Section: ЭЛЕКТРОНИКА И РАДИОТЕХНИКА
- URL: https://journal-vniispk.ru/0032-8162/article/view/138427
- DOI: https://doi.org/10.31857/S0032816223040146
- EDN: https://elibrary.ru/RBFCKV
- ID: 138427
Cite item
Full Text
Abstract
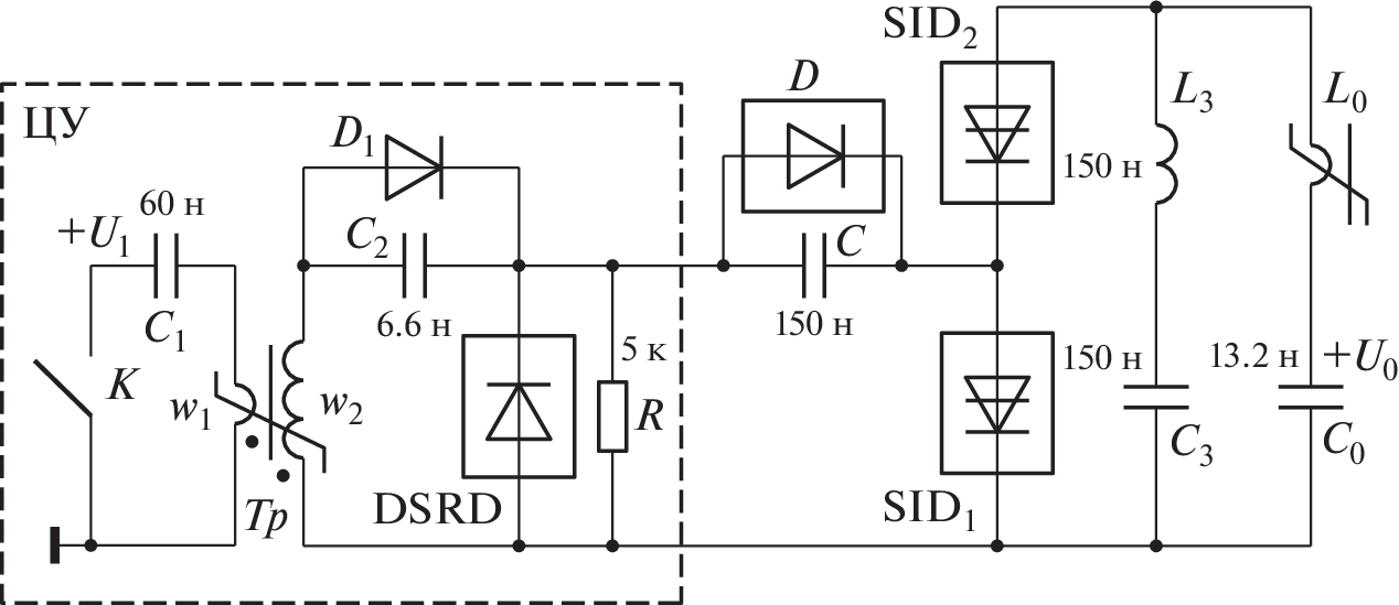
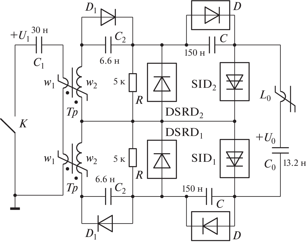
Two types of switches for high-power current pulses with an operating voltage of 24 kV based on blocks of series-connected shock-ionized dynistors are described. The switching processes of these switches are considered, and the results of their comparative study are presented. The possibility of efficient switching of nanosecond current pulses with an amplitude of 6 kA and a rise rate of 150 A/ns is shown. The prospects for increasing the switched power are determined.
About the authors
S. V. Korotkov
Ioffe Physicotechnical Institute, Russian Academy of Sciences
Email: korotkov@mail.ioffe.ru
194021, St. Petersburg, Russia
Yu. V. Aristov
Ioffe Physicotechnical Institute, Russian Academy of Sciences
Email: korotkov@mail.ioffe.ru
194021, St. Petersburg, Russia
A. L. Zhmodikov
Ioffe Physicotechnical Institute, Russian Academy of Sciences
Email: korotkov@mail.ioffe.ru
194021, St. Petersburg, Russia
D. A. Korotkov
Ioffe Physicotechnical Institute, Russian Academy of Sciences
Author for correspondence.
Email: korotkov@mail.ioffe.ru
194021, St. Petersburg, Russia
References
- Efanov V.M., Kardo-Sysoev A.F., Tchashnikov I.G., Yarin P.M. // Proc. of 1996 International Power Modulator Symposium. USA, FL, Boca Raton, 1996. P. 22. https://doi.org/10.1109/MODSYM.1996.564440
- Grekhov I., Korotkov S., Rodin S. // IEEE Trans. on Plasma Science. 2008. V. 36. № 2. Part 1. P. 378. https://doi.org/10.1109/TPS.2008.918661
- Коротков С.В., Аристов Ю.В., Воронков В.Б., Жмодиков А.Л., Коротков Д.А., Люблинский А.Г. // ПТЭ. 2009. № 5. С. 90.
- Gusev A.I., Lyubutin S.K., Rukin S.N., Tsyranov S.N. // IEEE Trans. on Plasma Science. 2016. V. 44. № 10. Part 1. P. 1888. https://doi.org/10.1109/TPS.2016.2542343
- Grekhov I., Kardo-Sysoev A. // Soviet Technical Physics Letters. 1979. V. 5. № 8. P. 395.
- Коротков С.В., Аристов Ю.В., Коротков Д.А. // ПТЭ. 2022. № 5. С. 70. https://doi.org/10.31857/S003281622205007X
- Коротков С.В., Аристов Ю.В., Воронков В.Б. // ПТЭ. 2019. № 2. С. 24. https://doi.org/10.1134/S0032816219010130
- Коротков С.В., Аристов Ю.В., Жмодиков А.Л., Коротков Д.А. // ПТЭ. 2020. № 5. С. 75. https://doi.org/10.31857/S0032816220050171
- Korotkov S.V., Aristov Yu.V., Korotkov D.A., Zhmodi-kov A.L. // Rev. of Scie. Instruments. 2020. V. 91. Art. № 084704. https://doi.org/10.1063/5.0015284
- Grekhov I., Efanov V., Kardo-Sysoev A., Shenderey S. // Solid State Electronics. 1985. V. 28. № 6. P. 597. https://doi.org/10.1016/0038-1101(85)90130-3
- Грехов И.В., Жмодиков А.Л., Коротков С.В., Прижимнов С.Г., Фоменко Ю.Л. // ПТЭ. 2016. № 3. С. 32. https://doi.org/10.1134/S0020441216020202
Supplementary files







