Methods for Forming Gas, Cluster Spray, and Liquid Targets in a Laser-Plasma Radiation Source
- Authors: Guseva V.E.1, Korepanov M.A.2, Koroleva M.R.2, Nechay A.N.3, Perekalov A.A.3, Salashchenko N.N.3, Chkhalo N.I.3
-
Affiliations:
- Lobachevsky Nizhny Novgorod State University
- Udmurt Federal Research Center, Ural Branch, Russian Academy of Sciences
- Institute of Physics of Microstructures, Russian Academy of Sciences
- Issue: No 4 (2023)
- Pages: 145-155
- Section: ЛАБОРАТОРНАЯ ТЕХНИКА
- URL: https://journal-vniispk.ru/0032-8162/article/view/138451
- DOI: https://doi.org/10.31857/S0032816223030217
- EDN: https://elibrary.ru/CVWMRJ
- ID: 138451
Cite item
Full Text
Abstract
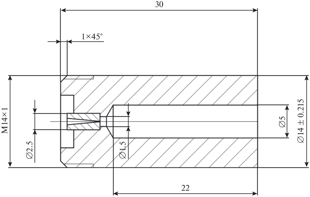
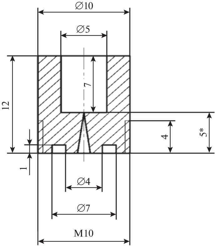
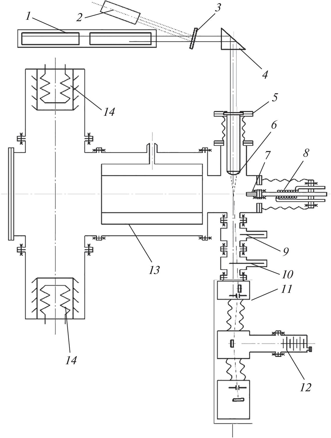
Methods for the formation of liquid, microdroplet, cluster, and gas targets in vacuum for use in laser-plasma radiation sources are considered. The characteristics of the used target-formation systems and gas-supply systems based on them are given. These systems form pulsed and static jets with low mass flow, on the order of ~70 mL/h of liquid or 1500 cm3/h of gas, which allows pumping out the vacuum volume with one turbomolecular pump with a capacity of 1000 L/s.
About the authors
V. E. Guseva
Lobachevsky Nizhny Novgorod State University
Email: nechay@ipm.sci-nnov.ru
603950, Nizhny Novgorod, Russia
M. A. Korepanov
Udmurt Federal Research Center, Ural Branch, Russian Academy of Sciences
Email: nechay@ipm.sci-nnov.ru
426065, Izhevsk, Russia
M. R. Koroleva
Udmurt Federal Research Center, Ural Branch, Russian Academy of Sciences
Email: nechay@ipm.sci-nnov.ru
426065, Izhevsk, Russia
A. N. Nechay
Institute of Physics of Microstructures, Russian Academy of Sciences
Email: nechay@ipm.sci-nnov.ru
603087, Nizhny Novgorod, Russia
A. A. Perekalov
Institute of Physics of Microstructures, Russian Academy of Sciences
Email: nechay@ipm.sci-nnov.ru
603087, Nizhny Novgorod, Russia
N. N. Salashchenko
Institute of Physics of Microstructures, Russian Academy of Sciences
Email: nechay@ipm.sci-nnov.ru
603087, Nizhny Novgorod, Russia
N. I. Chkhalo
Institute of Physics of Microstructures, Russian Academy of Sciences
Author for correspondence.
Email: nechay@ipm.sci-nnov.ru
603087, Nizhny Novgorod, Russia
References
- Абраменко Д.Б., Анциферов П.С., Астахов Д.И., Виноходов А.Ю., Вичев И.Ю., Гаязов Р.Р., Якушкин А.А. // Успехи физических наук. 2019. Т. 189. № 3. С. 323. https://doi.org/10.3367/UFNr.2018.06.038447
- Berglund M., Rymell L., Hertz H.M., Wilhein T. // Review of Scientific Instruments. 1998. V. 69. P. 2361. https://doi.org/10.1063/1.1148944
- Wieland M., Wilhein T., Faubel M., Ellert C., Schmidt M., Sublemontier O. // Applied Physics B. 2001. V. 72. P. 591. https://doi.org/10.1007/s003400100542
- De Groot J., Hemberg O., Holmberg A., Hertz H.M. // Journal of Applied Physics. 2003. V. 94. P. 3717. https://doi.org/10.1063/1.1602571
- Malmqvist L., Rymell L., Berglund M., Hertz H.M. // Review of Scientific Instruments. 1996. V. 12. P. 4150. https://doi.org/10.1063/1.1147561
- Düsterer S., Schwoerer H., Ziegler W., Ziener C., Sauerbrey R. // Applied Physics B. 2001. V. 73. P. 693. https://doi.org/10.1007/s003400100730
- Нечай А.Н., Перекалов А.А., Чхало Н.И., Сала-щенко Н.Н. // Письма в ЖТФ. 2019. Т. 45. № 19. С. 14. https://doi.org/10.21883/PJTF.2019.19.48310.17862
- Hansson B.A.M., Hertz H.M. // Journal of Physics D: Applied Physics. 2004. V. 37. № 23. P. 3233. https://doi.org/10.1088/0022-3727/37/23/004
- Hansson B.A., Hemberg O., Hertz H.M., Berglund M., Choi H.J., Jacobsson B., Wilner M. // Review of Scientific Instruments. 2004. V. 75. № 6. P. 2122. https://doi.org/10.1063/1.1755441
- Fogelqvist E., Kördel M., Selin M., Hertz H.M. // Journal of Applied Physics. 2015. V. 118. № 17. P. 174902. https://doi.org/10.1063/1.4935143
- Holburg J., Müller M., Mann K., Wieneke S. // Journal of Vacuum Science & Technology A: Vacuum, Surfaces, and Films. 2019. V 37. № 3. P. 031303. https://doi.org/10.1116/1.5089201
- Fiedorowicz H., Bartnik A., Szczurek M., Daido H., Sakaya N., Kmetik V., Wilhein T. // Optics Communications. 1999. V. 163. № 1–3. P. 103. https://doi.org/10.1016/S0030-4018(99)00100-5
- Гарбарук А.В., Демидов Д.А., Калмыков С.Г., Сасин М.Э. // ЖТФ. 2011. Т. 81. № 6. С. 20.
- Нечай А.Н., Перекалов А.А., Чхало Н.И., Салащенко Н.Н., Забродин И.Г., Каськов И.А., Пестов А.Е. // Поверхность. Рентгеновские, синхротронные и нейтронные исследования. 2019. № 9. С. 83. https://doi.org/10.1134/S0207352819090099
- Koroleva M.R., Mitrukova E.A., Korepanov M.A. // Journal of Physics: Conference Series. VI All-Russian Conference “Thermophysics and Physical Hydrodynamicsˮ and the School for Young Scientists “Thermal Physics and Physical Hydrodynamics: Modern Challengesˮ. 2021. P. 012016. https://doi.org/10.1088/1742-6596/2057/1/012016
- Ramos A., Fernández J.M., Tejeda G., Montero S. // Phys. Rev. A. V. 72. № 5. P. 053204. https://doi.org/10.1103/PhysRevA.72.053204
- Hagena O.F. // Surface Science. 1981. V. 106. № 1. P. 101.
- Hagena O.F., Obert W. // The journal of Chemical physics. 1972. V. 56. № 5. P. 1793. https://doi.org/10.1063/1.1677455
Supplementary files














