A Generator of Nanosecond High-Voltage Pulses Based on Shock-Ionized Dynistors
- Authors: Korotkov S.V.1, Zhmodikov A.L.1, Korotkov D.A.1
-
Affiliations:
- Ioffe Physicotechnical Institute, Russian Academy of Sciences
- Issue: No 6 (2023)
- Pages: 23-27
- Section: ЭЛЕКТРОНИКА И РАДИОТЕХНИКА
- URL: https://journal-vniispk.ru/0032-8162/article/view/233257
- DOI: https://doi.org/10.31857/S0032816223060034
- EDN: https://elibrary.ru/XVFPIV
- ID: 233257
Cite item
Full Text
Abstract
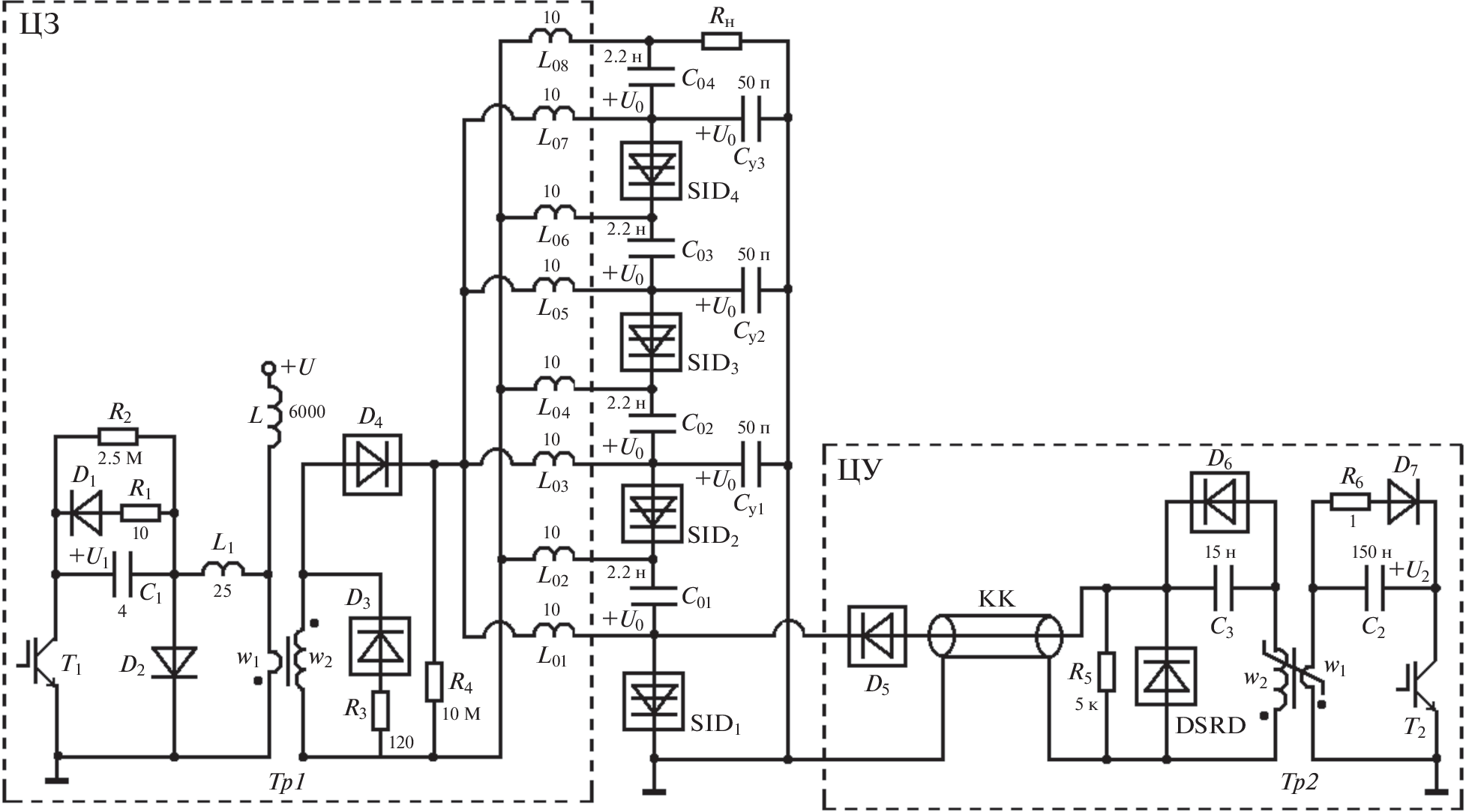
A generator of high-power nanosecond pulses consisting of four stages that are switched on in a relay-race mode is described. Each stage contains a storage capacitor with an operating voltage of 8 kV and an assembly of series-connected shock-ionized dynistors. The possibility of switching current pulses with an amplitude of 800 А to a load of 30 Ω a rise time of 4 ns, and a repetition rate of 100 Hz is demonstrated. The prospects for increasing the output voltage and the output energy of the generator are determined.
About the authors
S. V. Korotkov
Ioffe Physicotechnical Institute, Russian Academy of Sciences
Email: korotkov@mail.ioffe.ru
194021, St. Petersburg, Russia
A. L. Zhmodikov
Ioffe Physicotechnical Institute, Russian Academy of Sciences
Email: korotkov@mail.ioffe.ru
194021, St. Petersburg, Russia
D. A. Korotkov
Ioffe Physicotechnical Institute, Russian Academy of Sciences
Author for correspondence.
Email: korotkov@mail.ioffe.ru
194021, St. Petersburg, Russia
References
- Efanov V.M., Kardo-Sysoev A.F., Tchashnikov I.G., Yarin P.M. // Proc. of 1996 International Power Modulator Symposium. Boca Raton, FL, USA, 1996. P. 22. https://doi.org/10.1109/MODSYM.1996.564440
- Grekhov I., Korotkov S., Rodin S. // IEEE Transactions on Plasma Science. 2008. V. 36. № 2. Part 1. P. 378. https://doi.org/10.1109/TPS.2008.918661
- Korotkov S.V., Aristov Yu.V., Voronkov V.B., Zhmodikov A.L., Korotkov D.A., Lyublinskii A.G. // Instrum. and Exp. Tech. 2009. V. 52. № 5. P. 695. https://doi.org/10.1134/S0020441209050091
- Gusev A.I., Lyubutin S.K., Rukin S.N., Tsyranov S.N. // IEEE Transactions on Plasma Science. 2016. V. 44. № 10. Part 1. P. 1888. https://doi.org/10.1109/TPS.2016.2542343
- Grekhov I., Kardo-Sysoev A. // Soviet Technical Physics Letters. 1979. V. 5. № 8. P. 395.
- Коротков С.В., Аристов Ю.В., Коротков Д.А. // ПТЭ. 2022. № 5. С. 70. https://doi.org/10.31857/S003281622205007X
- Коротков С.В., Аристов Ю.В. // ПТЭ. 2022. № 5. С. 65. https://doi.org/10.31857/S0032816222050068
- Коротков С.В., Аристов Ю.В., Козлов К.А. // ПТЭ. 2023. № 4. С. 70. https://doi.org/10.31857/S0032816223040134
- Коротков С.В., Аристов Ю.В., Жмодиков А.Л., Коротков Д.А. // ПТЭ. 2023. № 4. С. 74. https://doi.org/10.31857/S0032816223040146
- Коротков С.В., Аристов Ю.В., Воронков В.Б. // ПТЭ. 2019. № 2. С. 24. https://doi.org/10.1134/S0032816219010130
- Коротков С.В., Аристов Ю.В., Жмодиков А.Л., Коротков Д.А. // ПТЭ. 2020. № 5. С. 75. https://doi.org/10.31857/S0032816220050171
- Korotkov S.V., Aristov Yu.V., Korotkov D.A., Zhmodi-kov A.L. // Review of Scientific Instruments. 2020. V. 91. Art. № 084704. https://doi.org/10.1063/5.0015284
- Grekhov I., Efanov V., Kardo-Sysoev A., Shenderey S. // Solid State Electronics. 1985. V. 28. № 6. P. 597. https://doi.org/10.1016/0038-1101(85)90130-3
- Белкин В.С., Шульженко Г.И. Препринт 91-51. Ротапринт ИЯФ СО АН СССР. Новосибирск, 1991.
Supplementary files






