Измеритель внутренней квантовой эффективности светодиода
- Авторы: Сергеев В.А.1, Радаев О.А.1, Фролов И.В.1
-
Учреждения:
- Ульяновский филиал Института радиотехники и электроники им. В.А. Котельникова РАН
- Выпуск: № 6 (2023)
- Страницы: 103-110
- Раздел: ОБЩАЯ ЭКСПЕРИМЕНТАЛЬНАЯ ТЕХНИКА
- URL: https://journal-vniispk.ru/0032-8162/article/view/233267
- DOI: https://doi.org/10.31857/S0032816223060071
- EDN: https://elibrary.ru/WWTKVO
- ID: 233267
Цитировать
Полный текст
Аннотация
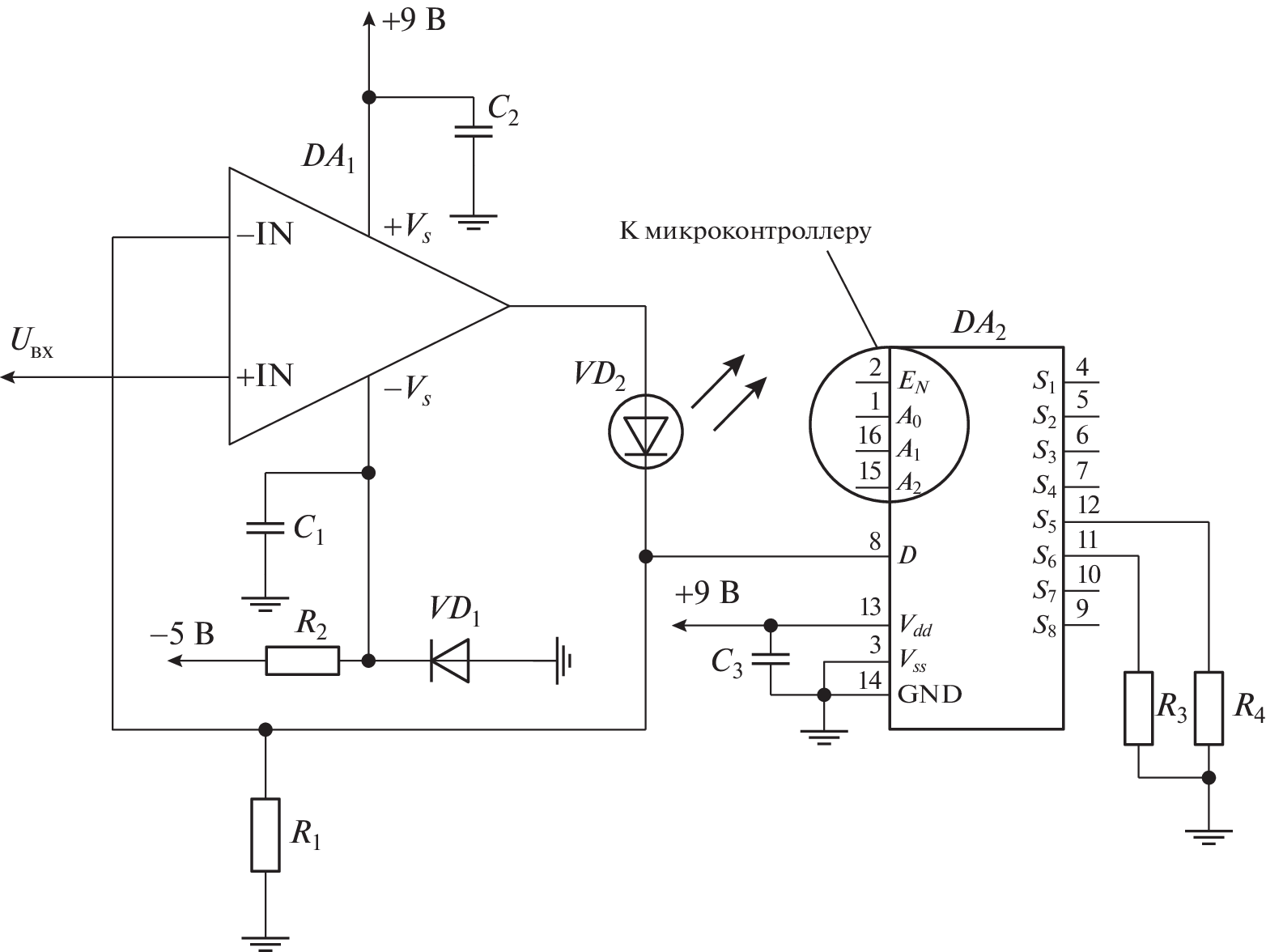
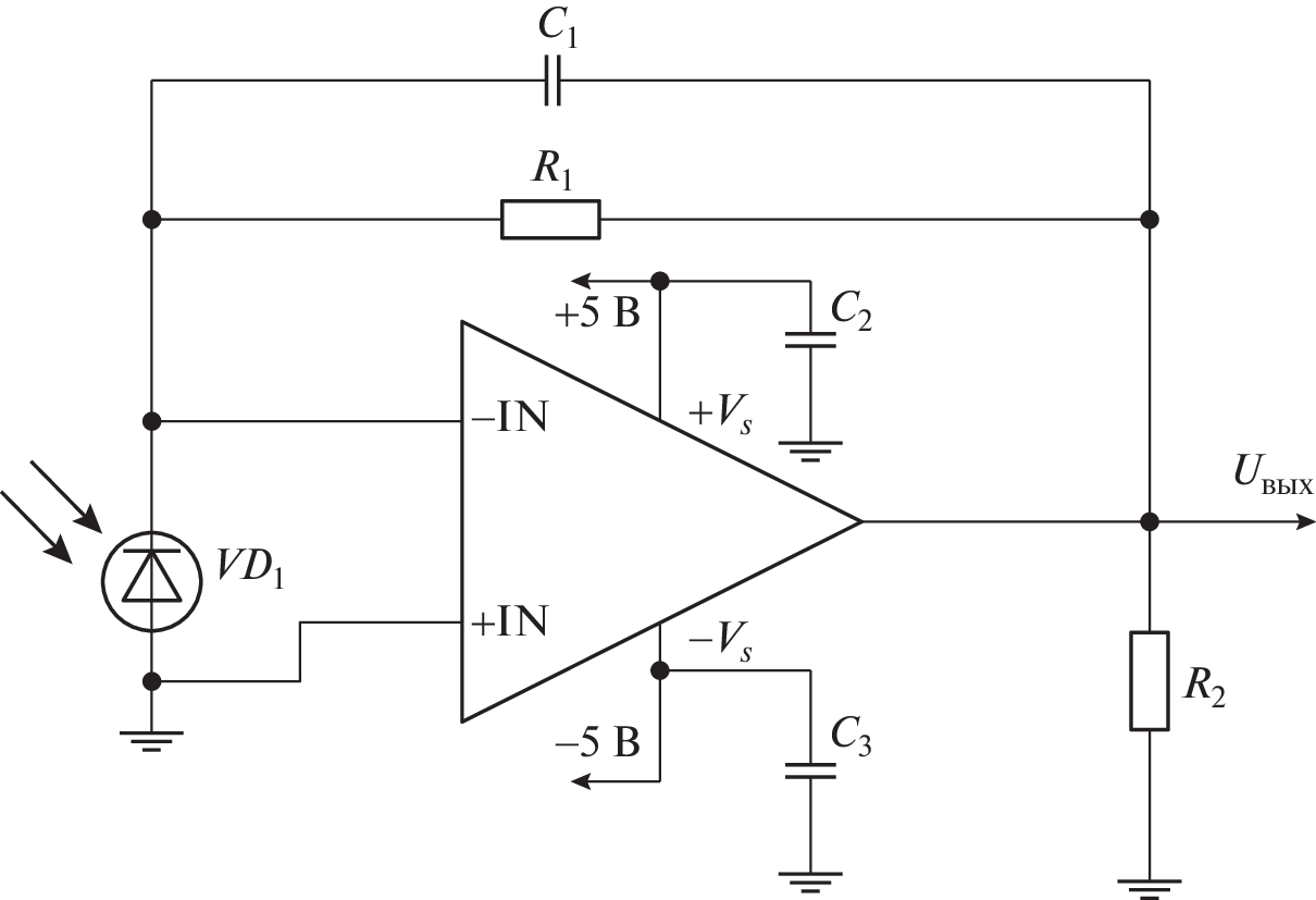
Приведены описание и характеристики разработанного измерителя внутренней квантовой эффективности (ВКЭ) InGaN-светодиодов. Измеритель позволяет определять ВКЭ светодиодов в диапазоне токов до 25 мА путем измерения ватт-амперной характеристики и решения системы уравнений, связывающих значения мощности излучения светодиода при двух токах с аппроксимирующей функцией, полученной на основе ABC-модели (модели рекомбинации носителей заряда в светоизлучающей гетероструктуре, где A, B и C – коэффициенты безызлучательной, излучательной и оже-рекомбинации соответственно). В отличие от известных российских и зарубежных аналогов, измеритель ВКЭ характеризуется простотой аппаратной реализации и позволяет определять ВКЭ светодиодов при комнатной температуре. Работа измерителя апробирована на примере измерения ВКЭ коммерческих InGaN-светодиодов зеленого и синего свечения. Измеритель может быть использован в научных лабораториях, а также во входном контроле предприятий – изготовителей светодиодной продукции.
Об авторах
В. А. Сергеев
Ульяновский филиал Института радиотехники и электроники им. В.А. Котельникова РАН
Email: sva@ulstu.ru
Россия, 432071, Ульяновск, ул. Гончарова, 48/2
О. А. Радаев
Ульяновский филиал Института радиотехники и электроники им. В.А. Котельникова РАН
Email: sva@ulstu.ru
Россия, 432071, Ульяновск, ул. Гончарова, 48/2
И. В. Фролов
Ульяновский филиал Института радиотехники и электроники им. В.А. Котельникова РАН
Автор, ответственный за переписку.
Email: sva@ulstu.ru
Россия, 432071, Ульяновск, ул. Гончарова, 48/2
Список литературы
- Шуберт Ф. Светодиоды / Под ред. А.Э. Юновича, Москва: Физматлит, 2008.
- Shim J.-I., Shin D.-S. // Nanophotonics. 2018. V. 7 (10). P. 1601. https://doi.org/10.1515/nanoph-2018-0094
- Marcinkevicius S., Yapparov R., Chow Y.C., Lynsky C., Nakamura S., DenBaars S.P., Speck J.S. // Appl. Phys. Lett. 2021. V. 119. P. 071102. https://doi.org/10.1063/5.0063237
- Wang L., Jin J., Mi C., Hao Z., Luo Y., Sun C., Han Y., Xiong B., Wang J., Li H. // Materials. 2017. V. 10. P. 1233. https://doi.org/10.3390/ma10111233
- Lu B., Wang L., Hao Z., Luo Y., Sun C., Han Y., Xiong B., Wang J., Li H., Chen K., Zhuo X., Li J., Kang J. // Applied Sciences. 2019. V. 9. P. 383. https://doi.org/10.3390/app9030383
- Прудаев И.А., Олешко В.И., Корепанов В.И., Лисицын В.М., Толбанов О.П., Ивонин И.В. Патент № 2503024 РФ.
- Han D.-P., Yamamoto K., Ishimoto S., Iwaya M., Takeuchi T., Kamiyama S., Akasaki I. // Appl. Phys. Express. 2019. V. 12. P. 032006. https://doi.org/10.7567/1882-0786/aafca2
- Фролов И.В., Сергеев В.А., Радаев О.А. // Журнал технической физики. 2021. Т. 91. С. 1264. https://doi.org/10.21883/JTF.2021.08.51102.54-21
- Сергеев В.А., Фролов И.В. Патент № 2740433 РФ.
- Van Opdorp C., 't Hooft G.W. // J. Appl. Phys. 1981. V. 52. P. 3827. https://doi.org/10.1063/1.329845
- Shim J.-I., Han D.-P., Oh C.-H., Jung H., Shin D.-S. // IEEE J. Quant. Electron. 2018. V. 54. № 2. Art. № 8000106. https://doi.org/10.1109/JQE.2018.2795044
- Фролов И.В., Сергеев В.А. Патент № 2789118 РФ.
- Karpov S. // Opt. Quantum Electron. 2015. V. 47. P. 1293. https://doi.org/10.1007/s11082-014-0042-9
- David A., Young N.G., Lund C., Craven M.D. // ECS J. Sol. State Sci.Technol. 2020. V. 9. P. 016021. https://doi.org/10.1149/2.0372001JSS
- Фролов И.В., Сергеев В.А. Диагностический контроль качества светодиодов по локальным параметрам электролюминесценции и фототока. Москва: СОЛОН-Пресс, 2023.
- Радаев О.А., Фролов И.В., Сергеев В.А. Радиоэлектронная техника: межвузов. сб. науч. тр. Ульяновск: УлГТУ, 2021. С. 116.
- Onwukaeme C., Lee B. and Ryu H.-Y. // Nanomaterials. 2022. V. 12. P. 2405. https://doi.org/10.3390/nano12142405
- Meyaard D.S., Lin G.-B., Cho J., Schubert E.F. Nitride Semiconductor Light-Emitting Diodes (LEDs): Materials, Technologies and Applications. 2014. P. 279.
Дополнительные файлы









