Генератор прямоугольных импульсов на основе последовательного соединения MOSFET с Umax = 4500 В
- Authors: Деспотули А.Л.1, Казьмирук В.В.1, Деспотули А.А.1, Андреева А.В.1
-
Affiliations:
- Институт проблем технологии микроэлектроники и особочистых материалов РАН (ИПТМ РАН)
- Issue: No 1 (2024)
- Pages: 64-70
- Section: ЭЛЕКТРОНИКА И РАДИОТЕХНИКА
- URL: https://journal-vniispk.ru/0032-8162/article/view/263942
- DOI: https://doi.org/10.31857/S0032816224010098
- EDN: https://elibrary.ru/fyqhsh
- ID: 263942
Cite item
Full Text
Abstract
Выявлены преимущества новой конструкции генератора высоковольтных прямоугольных импульсов. В отличие от аналогов, в предложенном авторами генераторе изменены схемы ключа, образованного последовательным соединением N транзисторов (Тk, k = 1, ..., N) и сопряженного c ключом высоковольтного источника; он обеспечивает N ЭДС Ek (Ei /Ej = const (i, j); i ≠ j; i, j =1, 2, …, N), которые питают Тk через нагрузочные резисторы Rk. Предложенная конструкция позволяет отказаться от резистивного делителя и снабберов, балансирующих равенство напряжений Uk на одинаковых Tk в генераторах-аналогах. Преимущества нового решения: 1) простота схемы и настройки ключа; 2) быстрый переход ON → OFF (Rk малы); 3) высокая частота повторения импульсов; 4) значительное улучшение балансировки напряжений Uk, что позволяет задавать ЭДС Ek так, чтобы выполнялось условие ∑Uk ≈ ∑Uk,max для разных по типу транзисторов (Ui,max ≠ Uj,max). В генераторе использовались высоковольтные транзисторы разных типов с Umax = 4500 В. В результате упрощена постановка высоковольтных экспериментов для поиска новых путей выполнения исследования. Выполнено сравнение вольт-амперных характеристик эмиссии (импульсный и стационарный режимы) из жидкого сплава на основе Ga.
Full Text
1. ВВЕДЕНИЕ
Слаботочные генераторы последовательностей высоковольтных (ВВ) прямоугольных импульсов широко востребованы в практике современной научной лаборатории. В биомедицине ВВ-импульсы используют для подавления/стимуляции жизнедеятельности биологических тканей, микроорганизмов и клеток и для модификации биологических структур [1]. В работе [2] ионный транспорт в подобных структурах отнесен к области “биологической наноионики”. Другой пример – применение ВВ-генераторов для возбуждения вакуумной импульсной эмиссии ионов/электронов (при напряжениях 3–8 кВ) из жидких металлов [3, 4]. Как показано в работах [5, 6], импульсные токи вакуумной эмиссии щелочных ионов из твердотельных ионных проводников (цеолитов и алюмосиликатов) превышают токи стационарной эмиссии на порядок и более.
Целью изучения эмиссии в импульсном режиме может быть поиск новых материалов (например, среди твердых электролитов и суперионных проводников), перспективных для эмиттеров ионов и электронов. В ИПТМ РАН проводятся поисковые исследования по теоретической и прикладной наноионике [7], которая представляет собой быстрый ионный транспорт в неоднородном на наномасштабе потенциальном рельефе. Если эмиссия ионов описывается на языке быстрого ионного транспорта в наноструктурах, то работу можно отнести, например, к области “эмиссионной” или “биологической” наноионики [2, 8].
Импульсные генераторы, пригодные для проведения эмиссионных и ряда других экспериментов, производят несколько зарубежных и российских фирм [9, 10]. Приборы имеют монолитное (неразборное) исполнение, длительность переходов ON ↔ OFF составляет 50–100 нс, а у некоторых моделей – не более 10 нс. Стоимость монолитных высокотехнологичных приборов нельзя назвать бюджетной. Поэтому в экспериментальной практике возникает запрос на ключи, которые можно быстро сделать в обычной лаборатории, соединив последовательно N высоковольтных MOSFET (IGBT), далее обозначим их как N×MOSFET (N×IGBT). Основные проблемы самодельных лабораторных приборов – обеспечение надежной блокировки ВВ-напряжения и дизайн/наладка для выравнивания напряжений Uk на одинаковых транзисторах Tk (k = 1, …, N). При стандартном подходе влияние токов утечки транзисторов в состоянии OFF на напряжение Uk (статический режим) обычно устраняет цепочка (делитель) из N одинаковых сопротивлений rk [11, 12], а в динамическом режиме – цепочки снабберов. Из-за неидеального выравнивания напряжений Uk амплитуда ВВ-импульсов составляет ≈0.7NUmax (Umax – максимальное рабочее напряжение Tk). Выбор схемы снаббера неоднозначен и является предметом исследований и дискуссий [13, 14]. Заметим, что в технике нет однозначных решений, так как сама постановка задачи включает учет конкретных условий практики.
В литературе отсутствует информация об использовании в ключах недорогих и доступных в продаже дискретных MOSFET с блокирующим напряжением Umax > 3.3 кВ [15]. С повышением Umax быстро растет Ron (сопротивление канала Tk в состоянии ON), что ухудшает быстродействие высоковольтных транзисторов с изолированным затвором [16]. Для больших значений Umax трудно предсказать переключающие характеристики N×MOSFET (N×IGBT), поскольку в библиотеках программ схемотехнического моделирования Proteus, Micro Cap, Multisim и LTspice (версии 2023 г.) отсутствуют SPICE-модели MOSFET (IGBT) с Umax > 1.7 кВ. Поэтому разработки, ориентированные на использование транзисторов с большими Umax в N×MOSFET (N×IGBT), актуальны для практики.
Цель статьи – показать преимущества и выявить недостатки новой конструкции ВВ-генератора прямоугольных импульсов с N×MOSFET (N×IGBT).
2. СХЕМА БАЛАНСИРОВКИ ВВ-НАПРЯЖЕНИЙ
Генераторы с перенастраиваемыми по амплитуде и длительности ВВ-импульсами могут быть созданы как объединение следующих модулей: 1) цифровой генератор сигналов (ЦГС) с выходом на персональный компьютер; 2) импульсный ключ, т.е. N×MOSFET (N×IGBT); 3) драйвер (Др) затвора ведущего транзистора ключа; 4) источник питания драйвера; 5) высоковольтный источник питания (ВИП) ключа.
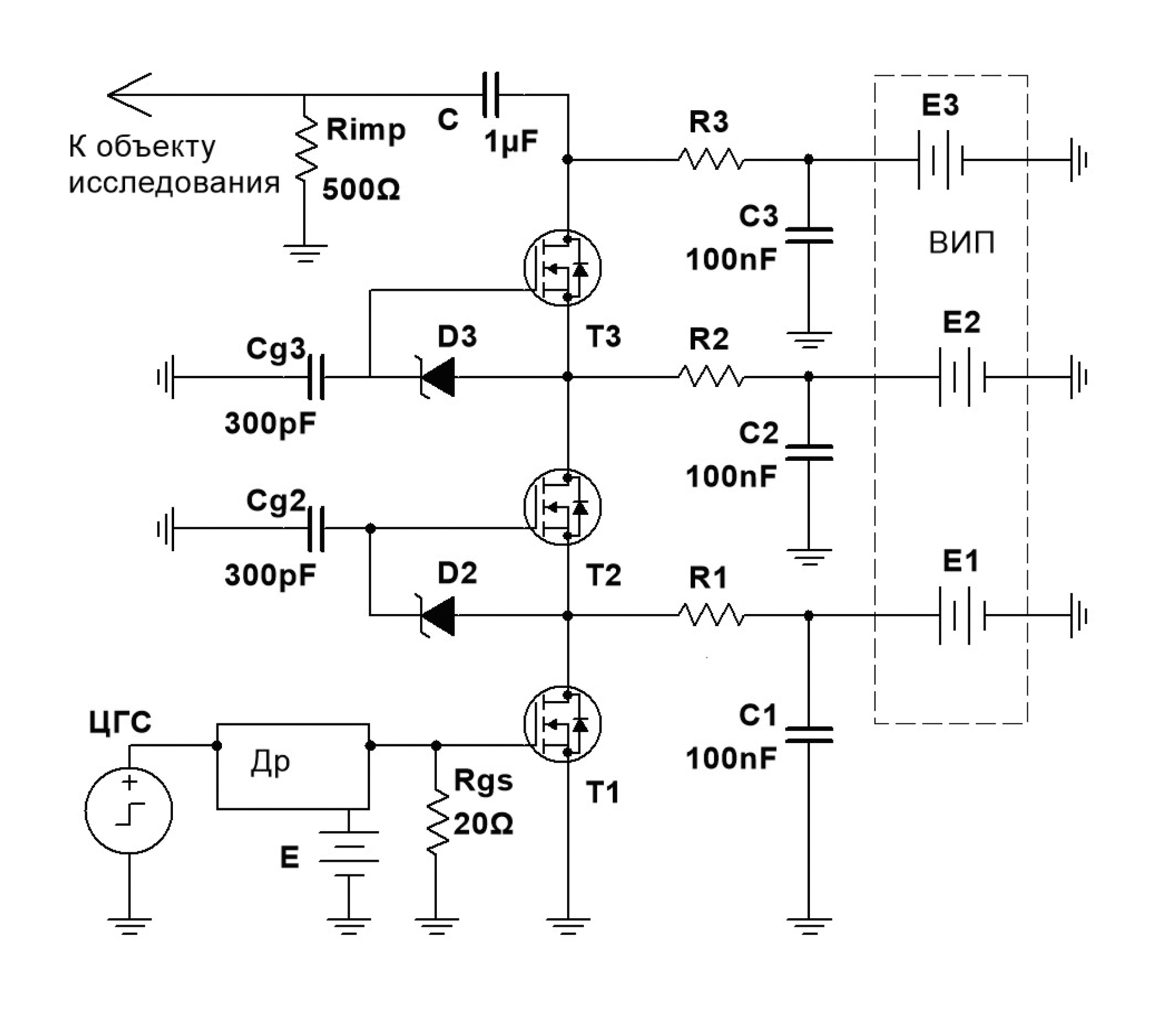
На рис. 1 показана электрическая схема, которая отражает особенности конструкции разработанного генератора. Ключ 3×MOSFET функционирует без перенапряжения Tk (Uk < Umax), поскольку выполняются два условия: (1) в состоянии ключа OFF напряжения Uk, на Tk задает ВИП с электродвижущими силами (ЭДС) E1, E2 и E3; (2) у MOSFET длительности переходов ON → OFF зависят от величин нагрузочных резисторов R1, R2 и R3, которые при переключениях OFF → ON берут на себя большую часть напряжений, приложенных к соответствующим транзисторам Т1, Т2 и Т3 в состоянии OFF (U1 ≈ E1, U2 ≈ E2 – E1 и U3 ≈ E3 - E2 ). На рис. 1 показаны также резистор Rimp, с которого ВВ-импульсы поступают на объект исследования, и конденсатор C, который устраняет постоянную составляющую напряжения на резисторе Rimp.
Рис. 1. Высоковольтный генератор с ключом 3×MOSFET. Транзисторы Т1, Т2 и Т3 сопряжены с нагрузочными резисторами R1, R2 и R3 и с тремя ЭДС высоковольтного источника питания (ВИП). На объект исследования высоковольтные импульсы подаются с резистора Rimp.
Если транзисторы в ключе различаются длительностью переходов ON → OFF, то варьированием Rk можно сблизить времена переходов, обеспечивая условие балансировки Uk < Uk,max. Величины Rk невелики, поэтому паразитные емкости схемы не сильно влияют на работу ключа. Амплитуда импульсов может быть повышена последовательным добавлением в схему транзисторов, соответствующих им ЭДС Ek и нагрузочных резисторов Rk. Однако нужно учитывать, что в состоянии ключа ON все токи IRk (IRk – ток на нагрузочном резисторе Rk) дают вклад в ток через Tj для j < k. Например, для 3×MOSFET ток I1 в канале T1 – это величина I1 ≈ IR1 + IR2 + IR3, а в канале T2 течет ток I2 ≈ IR2 + IR3, т.е. некоторые транзисторы могут быть перегружены по току. Устранить перегрузку Т1 по току можно, если: 1) увеличить величины Rk (при этом длительность переключений ON → OFF возрастет); 2) использовать Т1 с кратно большим током (по технической документации транзистора); 3) использовать вместо Т1 группу из нескольких параллельно соединенных транзисторов. Например, если ключ из-за перегрузки Т1 искажает ВВ-импульсы, то параллельное включение двух или трех транзисторов вместо одного не нарушит баланс между напряжениями Uk (как это произошло бы при стандартном выравнивании Uk с помощью резистивного делителя и снабберов), но уменьшит/устранит перегрузку ключа по току.
Величины R1, R2 и R3 (рис. 1) зависят от типа Tk и режима работы генератора. Например, при генерации одиночных ВВ-импульсов максимальной амплитуды (∑Uk ≈ ∑Uk,max) значения Rk определяют два главных условия: Rk > 10∙Rk,on, где Rk,on – сопротивление канала Tk в состоянии ON (по документации на Tk), и Ik < 3∙Ik,max, где Ik – импульсный ток, протекающий через Tk , Ik,max – максимальный постоянный ток через Tk в состоянии ON (по документации). В свою очередь, ток Ik определяется суммой токов, Ik ≈ ∑Ij ≈ ∑(Еj /Rj), где суммирование идет по индексу j, а нижний (верхний) предел суммирования равен k (N).
Таким образом, конструктивная новизна предложенной разработки состоит в отказе от балансировки всех Uk с помощью стандартных выравнивателей напряжений и переносе этой функции на ВИП, который подает несколько синхронизированных между собой ЭДС Ek на Tk через резистивные нагрузки Rk. Достигаемое при этом значительное улучшение балансировки напряжений на всех Tk позволяет задавать такие ЭДС Ek, чтобы N×MOSFET (N×IGBT) блокировал и выдавал в условиях ∑Uk ≈ ∑Uk,max (даже при Ui,max ≠ Uk,max) импульсы предельно высокой амплитуды. Создание в лабораторных условиях генератора представленной конструкции не требует знания тонкостей функционирования снабберов и опыта наладки ключей.
Анализ показывает: в настоящее время MOSFET IXTL2N450, IXTF1N450 и IXTH1N450HV (Umax = 4.5 кВ) и IGBT IXBH12N300 (Umax = 3.0 кВ) корпорации IXYS имеют самые высокие значения Umax среди широкодоступных и бюджетных по стоимости транзисторов. Однако в литературе нет ни примеров применения этих транзисторов, ни результатов моделирования их поведения в N×MOSFET (N×IGBT), что определяет актуальность разработки генератора с указанными транзисторами.
В качестве драйвера затвора Т1 (рис. 1) в работе использовались микросхемы FAN3122 и FAN3224 (Fairchild Semiconductor). Драйвер FAN3122 обеспечил для IXTL2N450 переход OFF → ON (по уровню 10–90%) за время примерно 50 нс, что согласуется с документацией этого MOSFET. Связка “емкость–стабилитрон” [17] на затворах T2 и T3 синхронизирует работу T1, T2 и T3 в ключе. Для диодов Зеннера DL4743 (напряжение стабилизации 13 В), DL4744 (15 В) и Д814Д (12 В) зафиксированы практически идентичные осциллограммы ВВ-импульсов.
Высоковольтный источник питания ВИП (рис. 1) выполнен на основе трансформатора с секционированной вторичной обмоткой. Числа витков в секциях определяют отношения E2/E1 и E3/E1. В результате обеспечивается требуемый баланс напряжений на транзисторах в статическом и динамическом режимах работы N×MOSFET (N×IGBT).
3. МОДЕЛИРОВАНИЕ РАБОТЫ ВВ-ГЕНЕРАТОРА
На рис. 2, 3 показаны результаты моделирования в программе «Multisim» (версия 14.3) режимов ON ↔ OFF для 2×MOSFET (соответствующие SPICE-модели транзисторов имеются на сайте корпорации IXYS). На рис. 2 показаны временные зависимости напряжений U1 и U2 на стоках транзисторов разного типа Т1 и Т2 в ключе, где в режиме OFF напряжения на IXTL2N450 (Т1) и IXTT1N450HV (Т2) обеспечивает делитель с двумя резисторами r1 = r2 = 10 кОм (стандартное техническое решение). На рис. 3, который соответствует предложенному техническому решению (рис. 1), представлены временные зависимости U1 и U2 на стоках Т1 и Т2 в условиях, когда выравнивание напряжений на IXTL2N450 (Т1) и IXTT1N450HV (Т2) осуществляют ВИП (E2/E1 = 2) и нагрузочные резисторы R1 и R2 транзисторов Т1 и Т2.
Рис. 2. Моделирование временных зависимостей напряжений на стоках IXTL2N450 (Т1) и IXTT1N450HV (Т2) в 2×MOSFET. Выравнивание напряжений на Т1 и Т2 осуществляет делитель с двумя резисторами r1 = r2 = 10 кОм (стандартный подход), нагрузочный резистор ключа R = 1.2 кОм.
Рис. 3. Моделирование временных зависимостей напряжений на стоках IXTL2N450 (Т1) и IXTT1N450HV (Т2) в 2×MOSFET. Выравнивание напряжений на Т1 и Т2 осуществляет ВИП с двумя ЭДС, ВИП питает Т1 и Т2 через нагрузочные резисторы транзисторов R1 = 220 Ом (Т1) и R2 = 1.2 кОм (Т2) (новое техническое решение, рис. 1).
Рис. 2 соответствует 2×MOSFET, который в состоянии OFF потребляет ток (примерно 0.4 А), что может обеспечить ВИП большой мощности. Увеличение значений r1 и r2 ведет к снижению расхода энергии, но увеличивает время перехода ON → OFF у Т1 (идет разряд выходной емкости Т1 на ВИП через выравнивающий резистор r2). Рис. 3 соответствует новому техническому решению (2×MOSFET с резисторами R1 и R2 + ВИП с двумя ЭДС E2 и E1). Результаты моделирования показывают преимущество предложенной конструкции генератора (упрощение схемы и настройки ключа, малость времени перехода ON → OFF у Т1, повышение частоты повторения ВВ-импульсов) по сравнению со стандартным техническим решением.
4. ЭКСПЕРИМЕНТАЛЬНОЕ ТЕСТИРОВАНИЕ РАБОТЫ ГЕНЕРАТОРА
Надежность работы генератора (электрическая схема на рис. 1) проверена для следующих конструкций: (1) 2×MOSFET с транзисторами 2SK1317 (T1, U1,max = 1.5 кВ) и IXTF1N450 (T2, U2,max = 4.5 кВ), ВИП подает регулируемые ЭДС с отношением E2/E1 = 4 на резисторы R1 = 200 Ом (Т1) и R2 = 1.2 кОм (Т2), соответствующие осциллограммы напряжений представлены на рис. 4; (2) 2×MOSFET с IXTL2N450 (T1, U1,max = 4.5 кВ) и IXTH1N450HV (T2, U2,max = 4.5 кВ), ВИП подает регулируемые ЭДС с отношением E2/E1 = 2 на резисторы R1 = 200 Ом и R2 = 1.2 кОм, соответствующие осциллограммы напряжений представлены на рис. 5; (3) 3×IGBT с IXBH12N300 (Umax = 3.0 кВ), ВИП подает регулируемые ЭДС с отношением E2/E1 = 2 и E3/E1 = 3 на одинаковые резисторы Rk = 1.6 кОм, соответствующие осциллограммы напряжений представлены на рис. 6. В экспериментах использовали ЦГС типа PSG9080 и цифровой осциллограф DSO4254C, произведенные в Китае.
Рис. 4. Осциллограммы напряжений для 2×MOSFET: 1 – сигнал на входе драйвера FAN3224, который управляет затвором 2SK1317 (T1), 2 – импульс на затворе Т1, 3 – ВВ-импульс на стоке Т1, ВИП подает ЭДС E1 = 1.45 кВ на нагрузочный резистор R1 = 220 Ом, регистрация высоковольтным пробником (100:1), 4 – ВВ-импульс на стоке Т2 (IXTF1N450), ВИП подает ЭДС E2 = 5.4 кВ на нагрузочный резистор R2 = 1.2 кОм, регистрация высоковольтным пробником (1000:1). Скорость развертки по горизонтали 100 нс/дел, масштаб по вертикали 1 кВ/дел.
Рис. 5. Осциллограммы напряжений для 2×MOSFET: 1 – сигнал на входе драйвера FAN3122, который управляет затвором IXTL2N450 (T1), 2 – импульс на затворе Т1, 3 – ВВ-импульс на стоке Т1, ВИП подает ЭДС E1 = 4.0 кВ на нагрузочный резистор R1 = 220 Ом, регистрация высоковольтным пробником (100:1), 4 – ВВ-импульс на стоке Т2 (IXTH1N450HV), ВИП подает ЭДС E2 = 7.3 кВ на нагрузочный резистор R2 = 1.2 кОм, регистрация высоковольтным пробником (1000:1). Скорость развертки по горизонтали 200 нс/дел, масштаб по вертикали 1 кВ/дел.
Рис. 6. Осциллограммы напряжений для 3×IGBT: 1 – сигнал на входе драйвера FAN3122, который управляет затвором T1 (IXBH12N300), 2 – ВВ-импульс на коллекторе Т1, ВИП подает ЭДС E1 = 2.3 кВ на нагрузочный резистор R1 = 1.6 кОм, регистрация высоковольтным пробником 100:1, 3 – ВВ-импульс на коллекторе Т2 (IXBH12N300), ВИП подает ЭДС E2 = 4.2 кВ на нагрузочный резистор R2 = 1.6 кОм, регистрация высоковольтным пробником 100:1, 4 – ВВ-импульс на коллекторе Т3 (IXBH12N300), ВИП подает ЭДС E3 = 6.3 кВ на нагрузочный резистор R3 = 1.6 кОм, регистрация высоковольтным пробником (1000:1). На вставке: R1 = R2 = R3 = 200 Ом. Скорость развертки по горизонтали 200 нс/дел, масштаб по вертикали 1 кВ/дел.
На рис. 4, 5 показано, что амплитуды ВВ-импульсов на ∆ ~ 0.5 кВ меньше, чем величины ЭДС на стоках Т1 и Т2 в состоянии OFF. Расхождение ∆ возникает из-за близости Uk к Umax, когда сопротивление канала может в несколько раз превышать значение Ron из документации на транзистор. Величину ∆ можно уменьшить, увеличивая значения R1 и R2, но это вызовет увеличение длительности переходов ON → OFF. Из сравнения экспериментальных осциллограмм (рис. 5) с данными моделирования (рис. 3) следует, что у IXTL2N450 длительность перехода ON → OFF примерно в 3 раза меньше, чем у его SPICE-модели, функционирующей в той же электрической схеме (рис. 1).
На рис. 6 для ключа на трех последовательно соединенных IGBT, IXBH12N300 c Umax = 3.0 кВ показаны осциллограммы напряжений “коллектор–земля” для случая, когда ЭДС на все Тk подается через резисторы R1 = R2 = R3 = 1.6 кОм. Видно, что после переключения ON → OFF только на коллекторе Т3 напряжение на δ3 ≈ 0.2 кВ меньше, чем ЭДС E3. Уменьшение величин резисторов до R1 = R2 = R3 = 200 Ом (увеличение плотности тока в канале Т3 в состоянии ON) ведет к δ3 ≈ 0.6 кВ (см. вставку к рис. 6).
В заключение уточним, что генератор новой конструкции с высоковольтными MOSFET (Umax = 4.5 кВ) и IGBT (Umax = 3.0 кВ) может создавать прямоугольные импульсы амплитудой около Uk,max–∆, где ∆ = 0.5–1кВ. Минимальная длительность прямоугольных ВВ-импульсов (примерно 300 нс) определяется временами переключения ON ↔ OFF (100–200 нс) транзисторов. Этому соответствует теоретическая оценка: максимальная частота повторения импульсов примерно 0.1–0.2 МГц.
У новой конструкции генератора отсутствует проблема выравнивания напряжений на Тk в статическом и динамическом режимах. Генератор имеет простую конструкцию, а значительное улучшение балансировки напряжений на транзисторах позволяет беспроблемно наращивать блокирующее напряжение ключа (путем увеличения числа транзисторов). Предложенное техническое решение может быть воспроизведено во многих научных лабораториях.
5. ЭКСПЕРИМЕНТЫ ПО ИМПУЛЬСНОЙ ЭМИССИИ ИОНОВ
Механизмы эмиссии ионов и электронов из жидких металлов определяют вольт-амперные характеристики (ВАХ). Участки ВАХ с отрицательным дифференциальным сопротивлением [18] соответствуют неустойчивым состояниям эмиттера из жидких металлов. Электрогидродинамические неустойчивости не получат развития, если возбуждать эмиссию отдельными ВВ-импульсами малой длительности. По этой причине статические и динамические ВАХ эмиссии из жидких металлов должны различаться. Генератор новой конструкции позволил быстро подтвердить в пробном эксперименте различие указанных ВАХ, что вызвало корректировку планов проблемной НИР по разработке новых эмиттеров ионов/электронов.
На первом этапе исследовалось поведение ионной эмиссии из жидкого (при комнатной температуре) сплава (Ga 68.5% In 21.5% Sn 10%). Эмиттеры – иглы металлов (нержавеющая сталь и W) с радиусом закругления наконечника 2–3 мкм, покрытые жидким металлом. Предмет исследования – регистрация ВАХ при возбуждении эмиссии разными типами высоковольтного напряжения: постоянным (Uc), импульсным (Uimp) и комбинированным (Uc + Uimp).
На рис. 7 (графики 1 и 2) представлены характерные ВАХ вакуумной эмиссии ионов при ее возбуждении регулируемым Uc. Подавление неустойчивости тока осуществляет балластный резистор Rb = 1 ГОм (отрицательная обратная связь), что позволяет регистрировать данные на участке ВАХ с отрицательным дифференциальным сопротивлением. График 1 соответствует повышению, а график 2 – понижению напряжения в системе. На рис. 7 график 3 соответствует возбуждению Uc + Uimp эмиссии (токи до 2.2 мкА) с длительностью Uimp импульсов 400 мкс (частота повторения 20 Гц).
Рис. 7. ВАХ вакуумной эммиссии ионов из жидкого металла при различных режимах возбуждения. Графики 1 и 2 – эмиссия в условиях регулируемого Uc, прикладываемого к системе с балластным сопротивлением Rb =1 ГОм. График 3 соответствует эмиссии в условиях Uc + Uimp при Uc = 1 кВ (Rb = 100 МОм) и при увеличении амплитуды Uimp. На вставке: графики 1 и 2 показаны в увеличенном масштабе по оси напряжений.
Характерная линейность ВАХ (график 3) для Uc + Uimp фиксируется вплоть до токов порядка 10-4 А, что указывает на подавление развития неустойчивостей в широкой области состояний эмиттера. Однако для проведения экспериментов в области малых амплитуд и длительностей импульсных токов необходимо применение методов выделения ионного тока эмиссии на фоне емкостных токов помех. Разработанная экспериментальная техника будет использована далее для регистрации импульсной эмиссии из твердотельных ионных проводников.
Таким образом, благодаря относительной легкости постановки высоковольтных экспериментов впервые выполнено сравнение вольт-амперных характеристик эмиссии (импульсный и стационарный режимы) из жидкого сплава на основе Ga. Описанный в статье ВВ-генератор, использующий современные доступные MOSFET с Umax = 4.5 кВ, может представлять интерес для широкого круга экспериментаторов – инженеров и ученых.
ФИНАНСИРОВАНИЕ РАБОТЫ
Работа выполнена в рамках госзадания № 075- 01314-23-00.
About the authors
А. Л. Деспотули
Институт проблем технологии микроэлектроники и особочистых материалов РАН (ИПТМ РАН)
Author for correspondence.
Email: despot@iptm.ru
Russian Federation, 142432, Черноголовка, Московская обл., ул. Академика Осипьяна, 6
В. В. Казьмирук
Институт проблем технологии микроэлектроники и особочистых материалов РАН (ИПТМ РАН)
Email: despot@iptm.ru
Russian Federation, 142432, Черноголовка, Московская обл., ул. Академика Осипьяна, 6
А. А. Деспотули
Институт проблем технологии микроэлектроники и особочистых материалов РАН (ИПТМ РАН)
Email: despot@iptm.ru
Russian Federation, 142432, Черноголовка, Московская обл., ул. Академика Осипьяна, 6
А. В. Андреева
Институт проблем технологии микроэлектроники и особочистых материалов РАН (ИПТМ РАН)
Email: andreeva@iptm.ru
Russian Federation, 142432, Черноголовка, Московская обл., ул. Академика Осипьяна, 6
References
- Neumann E., Schaefer–Ridder M., Wang Y., Hofschneider P.H. // The EMBO Journal. 1982. V. 1. P. 841. https://doi: 10.1002/j.1460-2075.1982.tb01257.x
- Zhang J., Liu W., Dai J., Xiao K. // Adv. Sci. 2022. V. 9. P. 2200534. https://doi: 10.1002/advs.202200534
- Thompson S.P., Prewett P.D. // J. Phys. D: Appl. Phys. 1984. V. 17. P. 2305. https://doi: 10.1088/0022-3727/17/11/018
- Kissel J., Zscheeg H., Rudenauer F.G. // Appl. Phys. A. 1988. V. 47. P. 167. https://doi.org/10.1007/BF00618881
- Pargellis A.N., Seidl M. // J. Appl. Phys. 1978. V. 49. P. 4933. https://doi.org/10.1063/1.325529
- Matossian J., Seidl M. // J. Appl. Phys. 1982. V. 53. P. 6376. https://doi.org/10.1063/1.331508
- Деспотули А.Л., Андреева А.В. // Нано и микросистемная техника. 2020. № 8. С. 403. https://doi.org/ 10.17587/nmst.22.403-414
- Деспотули А.Л., Андреева А.В. // Нано и микросистемная техника. 2021. № 1. С. 6. https://doi.org/10.17587/nmst.23.6-23
- https://www.behlke.com/
- http://www.paramerus.com
- SiC Power Devices and Modules. Application Note. No. 63AN102E, Rev.003. ROHM Co., Ltd, 2020.
- Long T, Pang L., Li G., Zhou C., Ye M., Chen X., Zhang Q. // IEEE International Power Modulator and High Voltage Conference. Jackson.WY. 2018. P. 383. https://doi.org/10.1109/IPMHVC.2018.8936716
- Vechalapu K., Hazra S., Raheja U., Negi A., Bhattacharya S. // IEEE Energy Conversion Congress and Exposition (ECCE), Cincinnati, OH, 2017. P. 808. https://doi.org/ 10.1109/ECCE.2017.8095868
- Snubber circuit design methods. Application Note. No. 62AN037E Rev.002. ROHM Co., Ltd, 2020.
- Li C., Chen R., Chen S., Li C., Luo H., Li, W., He X. // Energies. 2022. V. 15. P. 1722. https://doi.org/10.3390/en15051722
- Воронин П.А. Силовые полупроводниковые ключи. Москва: Изд. дом “Додэка XXI”, 2005.
- Hess H.L., Baker R.J. // IEEE transactions on power electronics. 2000. V. 15. P. 923. https://doi.org/10.1109/63.867682
- Дудников В.Г., Шабалин А.Л. // ЖТФ. 1985. Т. 55. С. 776.
Supplementary files









