Сцинтилляционный амплитудно-координатный спектрометр
- Authors: Алексеев В.И.1, Басков В.А.1, Дронов В.А.1, Львов А.И.1, Кольцов А.В.1, Кречетов Ю.Ф.2, Полянский В.В.1, Сидорин С.С.1, Хафизова Е.А.1
-
Affiliations:
- Физический институт им. П.Н. Лебедева Российской академии наук Россия
- Объединенный институт ядерных исследований
- Issue: No 3 (2024)
- Pages: 4-8
- Section: ТЕХНИКА ЯДЕРНОГО ЭКСПЕРИМЕНТА
- URL: https://journal-vniispk.ru/0032-8162/article/view/277639
- DOI: https://doi.org/10.31857/S0032816224030017
- EDN: https://elibrary.ru/OWAKWX
- ID: 277639
Cite item
Full Text
Abstract
Представлены результаты калибровки на космическом излучении сцинтилляционного амплитудно-координатного спектрометра толщиной 0.58X0. Регистрация световых сигналов в спектрометре осуществлялась фотоэлектронными умножителями ФЭУ-49 и ФЭУ-85, определяющими амплитудную и координатную системы, соответственно. Обнаружено, что относительное амплитудное и координатное разрешения зависят от точки прохождения частиц через спектрометр. Наилучшие относительное амплитудное и координатное разрешения определены в центре спектрометра и составили примерно 8.7% и 1.6 см соответственно.
Full Text
1. ВВЕДЕНИЕ
На тормозном пучке фотонов ускорителя С-25Р “Пахра” ФИАН c энергией до 500 МэВ создана экспериментальная установка, предназначенная для поиска ранее не наблюдавшихся относительно легких долгоживущих заряженных частиц ℓ± с массой около 9 МэВ или “аномальных лептонов” [1, 2].
Для определения импульса и энергии частиц, вылетающих из мишени, используется времяпролетная методика. Электрон и более тяжелый лептон при одинаковом импульсе будут различаться скоростями и, соответственно, разными временами пролета от мишени до точки регистрации. Поэтому установка включает системы, определяющие время пролета, импульс и энергию регистрируемых частиц.
Энергия частиц, вылетевших из мишени и сепарируемых магнитом, находится в диапазоне до 50 МэВ. Для их регистрации используется сцинтилляционный спектрометр (СС). Модельные расчеты показывают, что для надежного выделения энергетического пика “аномальных лептонов” погрешность определения энергии регистрируемых СС частиц должна составлять менее 10%. В процессе эксперимента конструкция СС постоянно совершенствуется с целью получения требуемой точности [3, 4].
2. КОНСТРУКЦИЯ СЦИНТИЛЛЯЦИОННОГО АМПЛИТУДНО-КООРДИНАТНОГО СПЕКТРОМЕТРА
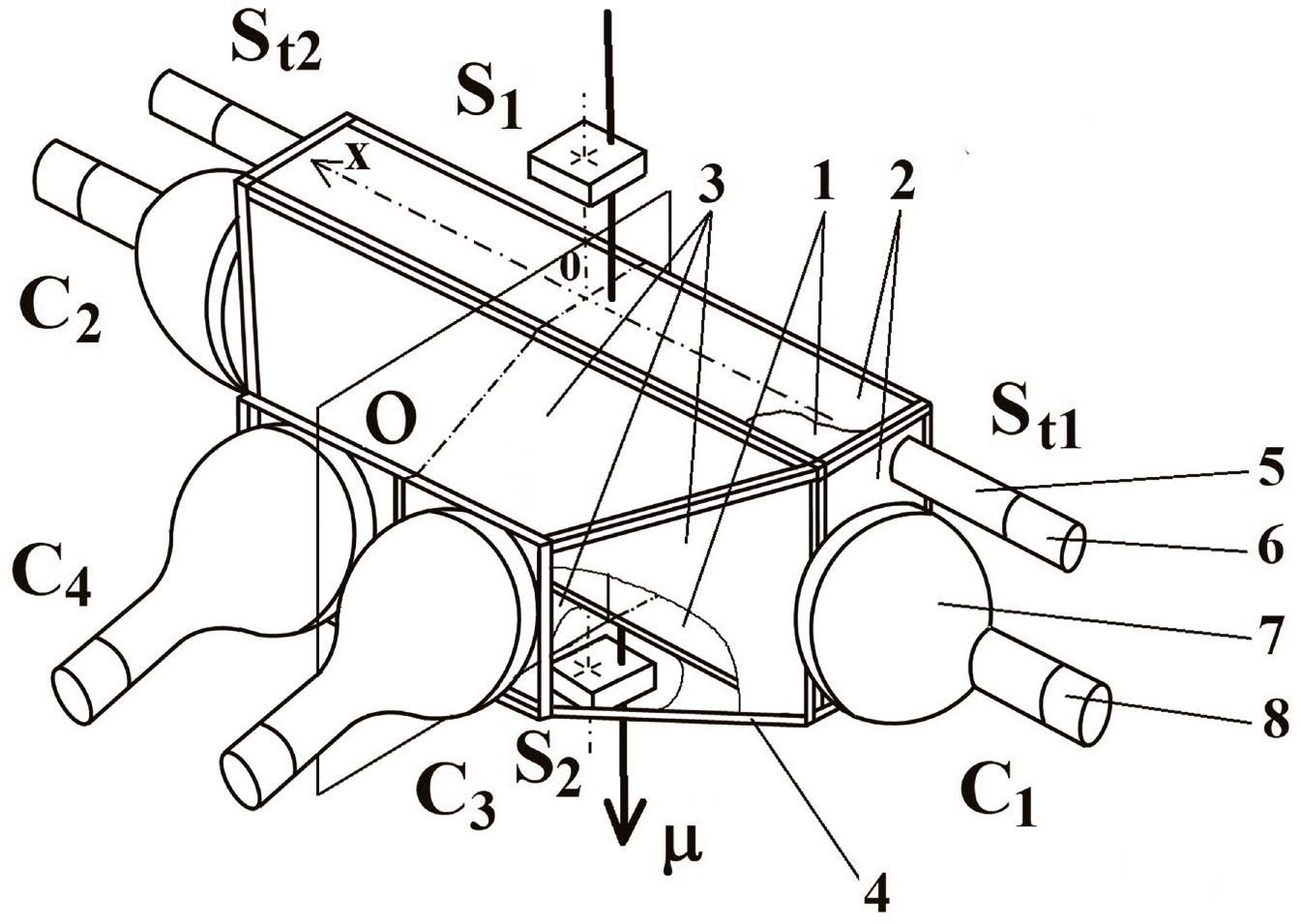
В данной работе представлены характеристики новой конструкции сцинтилляционного амплитудно-координатного спектрометра (САКС), предназначенного для регистрации заряженных частиц, определения их энергии и координаты входа частицы в спектрометр (рис. 1). САКС является сцинтилляционным блоком 1 размером 510×145×235 мм3 [5]. Регистрация световых вспышек, возникающих от взаимодействия заряженных частиц с блоком и входящих через грань размером 510×145 мм2, осуществляется с помощью фотоэлектронных умножителей ФЭУ-49 и ФЭУ-85 со стандартными делителями напряжения. Радиационная длина блока при таком варианте входа заряженных частиц составляет 0.58X0, где X0 — радиационная длина (для пластического сцинтиллятора X0 ≈ 40 см [6]).
Рис. 1. Схема сцинтилляционного амплитудно-координатного спектрометра (светонепроницаемый корпус не показан): 1 — сцинтилляционный блок, 2 — отражатель из бумаги для копирования, 3 — металлизированный фольга, 4 — металлический каркас, 5 — ФЭУ-85, 6 — делитель напряжения ФЭУ-85, 7 — ФЭУ-49, 8 — делитель напряжения ФЭУ-49 (S1 и S2 — триггерные сцинтилляционные счетчики).
САКС состоит из амплитудной и координатной систем. Амплитудная система включает четыре фотоэлектронных умножителя ФЭУ-49, просматривающих сцинтилляционный блок с двух противоположных граней размером 145×235 мм2 (“горизонтальные” C1 и C2) и с верхней грани размером 510×235 мм2 (“вертикальные” C3 и C4). Горизонтальные ФЭУ непосредственно без смазки плотно прижаты к граням блока, вертикальные расположены в 16 см от верхней грани блока симметрично плоскости O, проходящей через центр симметрии блока и разделяющей блок на два равных по объему меньших блока размерами 145×255×235 мм3 (рис. 1). В качестве отражателя света использована бумага для копирования 2, исключая верхнюю грань спектрометра и части боковых граней, занятых фотокатодами ФЭУ-49 и ФЭУ-85 (5 и 7). В качестве боковых отражателей для сбора света с верхней грани использована фольга 3. Все ФЭУ-49 отобраны по коэффициентам усиления и минимальному относительному амплитудному разрешению.
Координатная система состоит из двух ФЭУ-85 (St1 и St2), расположенных рядом с ФЭУ-49 и просматривающих сцинтилляционный блок с двух противоположных граней. ФЭУ-85 также без смазки плотно прижаты к граням блока. Как и в случае с ФЭУ-49, ФЭУ-85 были отобраны по критерию наилучшего временного разрешения, определяемого по полной ширине на половине высоты временного спектра при регистрации космических мюонов на установки отбора ФЭУ.
3. КАЛИБРОВКА СПЕКТРОМЕТРА
Предварительная калибровка САКС была выполнена на космическом излучении (рис. 1). Целью калибровки являлось определение зависимости энергетических и координатных характеристик САКС от точки входа мюонов в спектрометр.
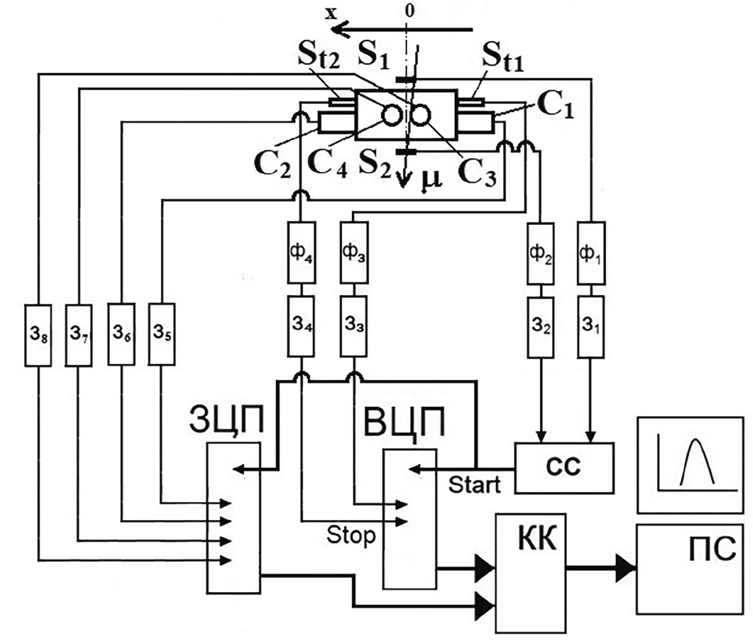
Блок-схема калибровки САКС представлена на рис. 2. Сигналы с триггерных счетчиков S1 и S2 размером 10×10×1 см3 через формирователи Ф1, Ф2 и задержки З1, З2 подавались на входы схемы совпадений СС. Длительность сигналов составляла 10 нс. Сигнал со схемы совпадений СС длительностью 350 нс являлся триггерным сигналом Start для запуска четырех блоков на входе зарядо-цифрового преобразователя (ЗЦП) и время-цифрового преобразователя (ВЦП). На входы Stop блока ВЦП через блоки формирователей Ф3, Ф4 и блоки задержек З3, З4 подавались сигналы от ФЭУ-85 координатной системы St1 и St2. На входы ЗЦП через блоки задержек З5 — З8 подавались сигналы от четырех ФЭУ-49 амплитудной системы C1—C4. Сигнал Start являлся также сигналом, с помощью которого через крейт-контролер системы CAMAC проводилась запись сигналов в память компьютера.
Рис. 2. Блок-схема калибровки сцинтилляционного амплитудно-координатного спектрометра: S1 и S2 — триггерные сцинтилляционные счетчики, C1 — C4 — амплитудная система, St1 и St2 — координатная система, Ф1 — Ф8 — блоки формирователей, З1 — З4 — блоки задержек, СС — схема совпадений, ЗЦП — зарядо-цифровой преобразователь, ВЦП — время-цифровой преобразователь, Start — сигнал запуска блоков ЗЦП и ВЦП, Stop — временные сигналы со счетчиков координатной системы St1 и St2, КК — крейт-контроллер системы CAMAC, ПС — персональный компьютер.
Среднее энерговыделение, которое оставлял космический мюон в объеме САКС, составляло около E ≈ L∙dE/dx = 23.5∙2 ≈ 47 МэВ, где L = 23.5 см — толщина САКС, dE/dx ≈ ≈ 2 МэВ/см — средняя величина ионизационных потерь электронов на единицу пути в сцинтилляторе [6].
Калибровка САКС на космическом излучении проходила в два этапа. На первом этапе последовательно были выравнены амплитуды сигналов всех ФЭУ-49 таким образом, чтобы амплитудный спектр с каждого ФЭУ был расположен в рабочей области ЗЦП. Выравнивание амплитуд сигналов происходило изменением величин напряжения на делителях напряжения всех ФЭУ. Временные спектры с ФЭУ-85 с помощью изменения величин задержек блоков Ф3 и Ф4 были также помещены в рабочие диапазоны обоих каналов ЗЦП.
На втором этапе происходила основная калибровка САКС, заключавшаяся в определении амплитудных и координатных характеристик в зависимости от точки входа космических мюонов в спектрометр, которая осуществлялась изменением положений триггерных счетчиков относительно центра спектрометра на оси х (рис. 1 и 2).
На рис. 3 представлена зависимость средней суммарной амплитуды четырех каналов САКС от точки входа космических мюонов в спектрометр. Видно, что диапазон изменений суммарной амплитуды между минимальными и максимальными значениями в центре спектрометра и боковыми гранями составляет около 500 каналов. В пределах ошибок зависимость средней суммарной амплитуды каналов САКС от точки входа космических мюонов в спектрометр можно считать линейной. Аналогичная зависимость наблюдалась в работе [7].
Рис. 3. Зависимость средней суммарной амплитуды четырех каналов САКС от точки входа космических мюонов в спектрометр.
На рис. 4 представлены зависимости относительного амплитудного δ (кривая1) и координатного σx (кривая 2) разрешений САКС также от положения триггерных счетчиков на оси x. Видно, что характер изменения обеих зависимостей одинаков с минимальными соответствующими значениями δ = 8.7% и σx = 1.6 cм в центре спектрометра (x = 0). В обоих случаях δ и σx ухудшаются при приближении триггерных счетчиков к боковым граням САКС до значений δ ~ 11% и σx ~ 1.8 см соответственно.
Рис. 4. Зависимость относительного амплитудного (кривая 1) и координатного (кривая 2) разрешений САКС от точки входа космических мюонов в спектрометр.
Надо отметить, что на рис. 3 и 4 линии, описывающие экспериментальные результаты, проведены для наглядности. Погрешности значений относительного амплитудного и координатного разрешений на рис. 4 определялись процедурой подгонки амплитудных и координатных спектров полиномом стандартной программы OriginPro 9.0 и составили 15–20% от значений величин, представленных ни рисунках.
4. ЗАКЛЮЧЕНИЕ
Результаты калибровки сцинтилляционного амплитудно-координатного спектрометра на космическом излучении показали, что в зависимости от точки входа мюонов в спектрометр (при энерговыделении мюоном в спектрометре около 50 МэВ) относительное амплитудное разрешение составляет около 10%. Координатное разрешение изменятся незначительно от σx = 1.6 см в центре до σx ~ 1.8 см вблизи боковых граней. Таким образом, спектрометр способен определять энергию заряженных частиц области энергий 50 МэВ с точностью около 10% и может быть использован в установке для дальнейшего поиска “аномальных лептонов”.
About the authors
В. И. Алексеев
Физический институт им. П.Н. Лебедева Российской академии наук Россия
Email: baskov@x4u.lebedev.ru
Russian Federation, 119991, Москва, Ленинский просп., 53
В. А. Басков
Физический институт им. П.Н. Лебедева Российской академии наук Россия
Author for correspondence.
Email: baskov@x4u.lebedev.ru
Russian Federation, 119991, Москва, Ленинский просп., 53
В. А. Дронов
Физический институт им. П.Н. Лебедева Российской академии наук Россия
Email: baskov@x4u.lebedev.ru
Russian Federation, 119991, Москва, Ленинский просп., 53
А. И. Львов
Физический институт им. П.Н. Лебедева Российской академии наук Россия
Email: baskov@x4u.lebedev.ru
Russian Federation, 119991, Москва, Ленинский просп., 53
А. В. Кольцов
Физический институт им. П.Н. Лебедева Российской академии наук Россия
Email: baskov@x4u.lebedev.ru
Russian Federation, 119991, Москва, Ленинский просп., 53
Ю. Ф. Кречетов
Объединенный институт ядерных исследований
Email: baskov@x4u.lebedev.ru
Russian Federation, 141980, Дубна, Московская обл., ул. Жолио-Кюри, 6
В. В. Полянский
Физический институт им. П.Н. Лебедева Российской академии наук Россия
Email: baskov@x4u.lebedev.ru
Russian Federation, 119991, Москва, Ленинский просп., 53
С. С. Сидорин
Физический институт им. П.Н. Лебедева Российской академии наук Россия
Email: baskov@x4u.lebedev.ru
Russian Federation, 119991, Москва, Ленинский просп., 53
Е. А. Хафизова
Физический институт им. П.Н. Лебедева Российской академии наук Россия
Email: baskov@x4u.lebedev.ru
Russian Federation, 119991, Москва, Ленинский просп., 53
References
- Аникина М.Х., Никитин В.А., Рихвицкий В.C. Препринт ОИЯИ. P1-2022-62, Дубна. 2023.
- Alekseev V.I., Baskov V.A., Dronov V.A., Krechetov Yu.F., L’vov A.I., Pavlyuchenko L.N., Polyanskiy V.V., Sidorin S.S. // EPJ Web of Conferences (Baldin ISHEPP XXIV). 2019. V. 204. P. 08009. https://doi.org/10.1051/epjconf/201920408009
- Алексеев В.И., Басков В.А., Дронов В.А., Львов А.И., Кольцов А.В., Кречетов Ю.Ф., Полянский В.В., Сидорин С.С. // ПТЭ. 2021. № 1. С. 40. https://doi.org/10.31857/S003281622101002X
- Алексеев В.И., Басков В.А., Варфоломеева Л.А., Дронов В.А., Львов А.И., Кольцов А.В., Кречетов Ю.Ф., Полянский В.В., Сидорин С.С. // ПТЭ. 2022. № 4. C. 36. https://doi.org/10.31857/S0032816222040152
- Алексеев В.И., В.А. Басков, Дронов В.А., Львов А.И., Кольцов А.В., Кречетов Ю.Ф., Полянский В.В. // ПТЭ. 2020. № 5. C.10. https://doi.org/10.31857/S0032816220050079
- Калиновский А.Н., Мохов Н.В., Никитин Ю.П. Прохождение частиц высоких энергий через вещество. Москва: Энергоатомиздат, 1985.
- Алексеев В.И., Басков В.А., Варфоломеева Л.А., Дронов В.А., Львов А.И., Кольцов А.В., Кречетов Ю.Ф., Полянский В.В., Сидорин С.С. // ПТЭ. 2021. № 5. C. 28. https://doi.org/10.31857/S0032816221050013
Supplementary files






