Аппаратно-программный комплекс мониторинга температуры магнита магнитно-резонансного томографа
- Authors: Одиванов В.Л.1, Фаттахов Я.В.1, Фахрутдинов А.Р.1, Шагалов В.А.1, Баязитов А.А.1
-
Affiliations:
- Казанский физико-технический институт им. Е.К. Завойского Казанского научного центра Российской академии наук
- Issue: No 3 (2024)
- Pages: 118-124
- Section: ФИЗИЧЕСКИЕ ПРИБОРЫ ДЛЯ ЭКОЛОГИИ, МЕДИЦИНЫ, БИОЛОГИИ
- URL: https://journal-vniispk.ru/0032-8162/article/view/277682
- DOI: https://doi.org/10.31857/S0032816224030157
- EDN: https://elibrary.ru/OUMGWW
- ID: 277682
Cite item
Full Text
Abstract
Описан аппаратно-программный комплекс, предназначенный для контроля температуры постоянного магнита магнитно-резонансного томографа и защиты его от перегрева при сбоях системы термостатирования. Комплекс состоит из нескольких цифровых датчиков температуры, измерителя-регистратора, осуществляющего измерение температур, регистрацию их в памяти, отключение системы термостатирования при перегревах. Взаимодействие с компьютером осуществляется с помощью компьютерного приложения, обеспечивающего настройку измерителя, получение зарегистрированных данных, их визуализацию в графическом и цифровом видах, а также сохранение их в файлах. Обмен между измерителем и компьютером осуществляется через локальную сеть с использованием интерфейса Wi-Fi. Комплекс также может использоваться и в других аналогичных приложениях.
Full Text
1. ВВЕДЕНИЕ
Наиболее распространенными установками МРТ в настоящее время являются томографы на базе сверхпроводящих магнитных систем. Они обеспечивают хорошее качество получаемых изображений за счет высоких магнитных полей (1.5–3 Тл). В то же время такие установки стоят дорого как при приобретении и развертывании, так и при эксплуатации, поскольку они нуждаются в регулярном пополнении запасов жидкого гелия. В последнее время появляются среднеполевые (0.3–0.5 Тл) установки на базе постоянных магнитов с использованием современных магнитных материалов, таких как неодим–железо–бор. Эти томографы значительно дешевле, не требуют дорогостоящего обслуживания, при этом они обеспечивают качество изображений, достаточное для большинства методик диагностики. При эксплуатации таких установок необходимо учитывать их особенности. Одной из них является сильная зависимость индукции магнитного поля от температуры магнита. Для материала NdFeB относительное изменение остаточной индукции Br равно (0.11–0.12)% /°С, т.е. более 1000 ppm /°С [1]. В связи с этим для стабилизации резонансных условий требуется использовать систему термостатирования магнита с точностью подержания температуры не хуже, чем сотые доли градуса Цельсия. Кроме того, при перегреве магнитного материала происходит необратимая потеря намагниченности, поэтому необходимо использовать надежную систему защиты от подобных случайностей.
В лаборатории методов медицинской физики КФТИ КазНЦ РАН ранее были разработаны и изготовлены несколько магнитно-резонансных томографов на резистивных магнитах с индукцией 0.02 Тл и 0.06 Тл [2]. В настоящее время в лаборатории совместно с ООО “Градиент МРТ” разработан и изготовлен опытный образец магнитно-резонансного томографа на базе постоянного магнита с индукцией поля 0.4 Тл [3, 4]. Для стабилизации температуры магнита используется штатный двухканальный контроллер с независимой установкой каналов для термостабилизации двух полюсов магнита с точностью поддержания температур ±0.01°С. Контроллер выполнен на базе микроконтроллера фирмы Atmel. Температура 28°С устанавливается и поддерживается с использованием алгоритма PID (пропорционально-интегрально-дифференциальное регулирование), обеспечивающего оптимальную динамику нагрева и точность поддержания температуры. При эксплуатации системы термостатирования магнитной системы в течение длительного периода нами зафиксировано несколько случаев сбоев, при которых установки параметров термоконтроллера самопроизвольно изменялись. Это происходило как при включении системы, так и в процессе поддержания температуры. В одних случаях при перезапуске системы правильные установки восстанавливались, т.е. сбой происходил только в оперативной памяти микроконтроллера, но были случаи, когда ошибочные установки сохранялись и после перезапуска, т.е. нарушения происходили в EEPROM (электрически стираемая программируемая память только для чтения) контроллера. Кроме того, возможны случаи отключения электроэнергии и, если проводить обследования на томографе по прошествии недостаточного времени после включения системы термостатирования, когда еще не установилось поле магнита, результаты будут некачественными, поэтому требуется фиксация времени включения системы. Таким образом, для нормальной эксплуатации магнита требуются следующие функции системы поддержания температуры:
- защита от перегрева, независимая от установок температуры и других настраиваемых параметров;
- фиксация времени аварийного выключения и включения системы для принятия решения о начале обследования;
- регистрация динамики нагрева и остывания магнита для настройки коэффициентов PID-регулирования.
Для реализации этих функций в дополнение к штатной системе термостатирования требуется разработать независимую систему мониторинга температур и управления включением штатного термостата на базе микроконтроллера с возможностью наблюдать результаты мониторинга в любое время.
Есть работы, где предлагается система мониторинга температуры на базе цифровых датчиков температуры типа DS1821, DS18S20 или DS1631S. Однако предлагаемые системы не обладают достаточной автономностью: обязательна работа с компьютером [5], нет резервного питания [5, 6]. В работе [7] описывается полностью автономная система с использованием цифровых датчиков температуры типа DS18B20, но в ней не предусмотрена возможность подключения к компьютеру: необходимо извлекать карту памяти для визуализации и анализа полученных данных. Также реализуется подход к измерению температуры не цифровыми, а резистивными датчиками, см., например, работу [8]. Однако при таком подходе требуется перестраивать соответствующие резисторы для каждого температурного диапазона, и при значительном удалении измерителя от датчиков, как требуется в нашем случае, возможна большая погрешность измерений.
Для решения проблем мониторинга температуры нами был разработан аппаратно-программный комплекс, состоящий из измерителя на базе микроконтроллера ESP8266-07 и компьютерного приложения, управляющего работой измерителя через интерфейс Wi-Fi локальной сети.
2. ВОЗМОЖНОСТИ И ПАРАМЕТРЫ ИЗМЕРИТЕЛЯ
Разработанный аппаратно-программный комплекс обладает следующими возможностями.
Измерение температуры магнита, а также температуры окружающего воздуха проводится с точностью ±0.5°С (абсолютная температура) и чувствительностью 0.0625°С (1°С/16) датчиками DS18B20. Имеется возможность осуществить калибровку каждого датчика по внешнему достоверному датчику температуры (функция Offset специально разработанного приложения). Рабочий диапазон температур датчиков: от –55°С примерно до +125°С. Количество обслуживаемых датчиков: от одного до четырех. Период отсчетов температур составляет 5 с.
Регистрация измеренных температур в оперативной памяти контроллера происходит с периодом от 5 с до 120 мин. Отсчеты усредняются на интервале. При усреднении отбрасываются максимальное и минимальное значения температуры, что позволяет игнорировать сбойные отсчеты. Вместе с температурой регистрируется текущее время в секундах от момента включения и статус (состояние) измерителя. Количество точек массива зависит от количества датчиков: 6600 для одного, 5000 для двух, 4000 для трех, 3300 для четырех. Регистрация выполняется по кольцу: при переполнении переписываются самые старые данные.
Измеритель может работать как от внешнего источника напряжением +5 В (ток до 1 А), так и от аккумулятора, что обеспечивает непрерывность регистрации и сохранность массива при отключениях внешнего питания. Аккумулятор подключен через модуль защиты, что обеспечивает его сохранность при разряде и нормальный заряд при включенном внешнем питании.
Измеритель имеет интерфейс Wi-Fi для взаимодействия с управляющим компьютером. Интерфейс работает в режиме рабочей станции, SSID (сервисный идентификатор сети) и PIN (персональный идентификационный номер) роутера задаются в прошивке измерителя. При работе от аккумулятора интерфейс Wi-Fi выключается для экономии энергии.
Управление измерителем осуществляется из специально разработанного приложения на компьютере с ОС Windows через интерфейс локальной сети, соединение реализовано по протоколу TCP.
Возможен режим мониторинга с передачей каждого отсчета температур в подключенное приложение в реальном времени.
Измеритель управляет включением и выключением системы термостатирования при выходе контролируемых температур за заданные границы. Включение выполняется, если температуры всех датчиков ниже установленного нижнего порога (Temp On), а выключение, если температура хотя бы одного датчика превышает верхний порог (Temp Off). Для каждого датчика задается собственный диапазон. Решение принимается по четырем последним отсчетам, чтобы избежать случайных сбоев.
Можно задавать максимально допустимое количество перегревов, после достижения которого термостатирование останется выключенным и после снижения температур до нижних порогов. Это позволяет исключить многократный перегрев из-за необратимого сбоя настроек системы термостатирования. Используемая нами установка этого параметра равна двум. При задании этого параметра равным нулю система термостатирования будет выключена. При работе измерителя от аккумулятора термостатирование также выключается, а при включении внешнего питания — включается в соответствии с заданным режимом и диапазоном.
Настройки диапазонов, режимов регистрации и управления включением/выключением термостатирования могут быть сохранены в энергонезависимой памяти измерителя, тогда при включении питания после полного разряда аккумулятора они будут восстановлены, и регистрация будет перезапущена с тем же периодом.
Регистрируемый и контролируемый статус измерителя состоит из битов, связанных с включением внешнего питания, подключением к точке доступа Wi-Fi, подключением клиента по сети, включением системы термостатирования, зафиксированным количеством перегревов после установки диапазонов и режимов или запуска регистрации.
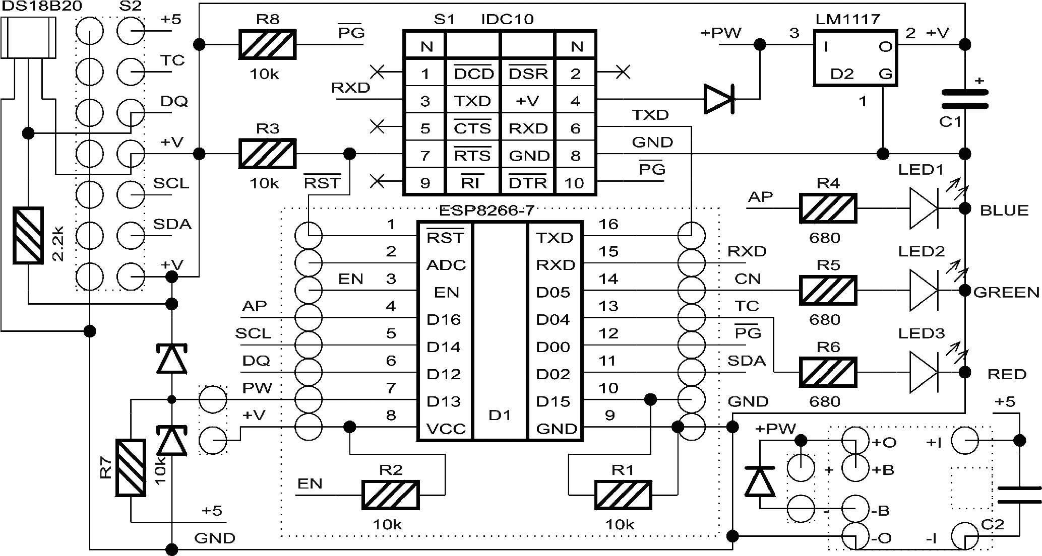
Электрическая принципиальная схема измерителя температуры представлена на рис. 1. Она включает следующие основные компоненты:
- модуль микроконтроллера D1 ESP8266-07;
- модуль заряда аккумулятора от внешнего источника питания;
- линейный стабилизатор питания +3.3 В D2 LM1117;
- светодиоды для индикации различных состояний измерителя;
- разъем S2, через который осуществляется вход внешнего питания +5 В (ток потребления до 1 А), выход управления термостатом: уровень TTL = 1 — включение, подключение входа/выхода датчиков температуры DS18B20, выход источника питания +3.3 В.
Рис. 1. Принципиальная электрическая схема измерителя.
3. ПРИЛОЖЕНИЕ “SHOW TEMPERATURE” ДЛЯ УПРАВЛЕНИЯ ИЗМЕРИТЕЛЕМ
Блок-схема встроенного программного обеспечения измерителя-регистратора температур [9] представлена на рис. 2. Приложение “Show temperature”, разработанное для управления комплексом, имеет следующие функции и параметры.
Рис. 2. Блок-схема встроенного программного обеспечения измерителя-регистратора температур. Функция Setup() исполняется однократно при запуске, функция Loop() — циклически.
Приложение устанавливает соединение через локальную сеть с измерителем, подключенным к точке доступа Wi-Fi по его имени TEMP_WIFI или по IP-адресу. После успешного соединения IP-адрес сохраняется в реестре Windows, чтобы при невозможности последующего подключения по имени можно было установить соединение по адресу.
После установки соединения приложение получает от измерителя и отображает в соответствующих элементах управления
- количество подключенных датчиков;
- установленные диапазоны температур датчиков;
- шаг регистрации;
- абсолютное время включения устройства, полученное при запуске регистрации;
- максимально допустимое количество перегревов.
При наличии в выбранном каталоге компьютера файла с именем, соответствующим полученному времени запуска устройства, приложение загружает данные из этого файла и показывает их на графиках, что позволяет сформировать картину всего времени сеанса регистрации.
Запуск режима мониторинга: при каждом отсчете данных измеритель посылает текущие значения времени, статуса и температур, которые отображаются на графиках и в соответствующих числовых полях в реальном времени.
Запуск режима регистрации данных с заданием шага в секундах: шаг будет округлен до значения, кратного 5. При запуске в измеритель записывается текущее время, которое пересчитывается на время включения устройства. Шаг может быть изменен во время регистрации, при задании нулевого шага регистрация останавливается, но в дальнейшем может быть возобновлена.
В приложении реализованы получение данных из массива регистрации с заданного индекса, повторение с увеличением индекса до получения всех данных, при этом они отображаются на графиках. Временная шкала графиков может быть задана в секундах или минутах от включения устройства, в часах от начала суток момента включения, либо в сутках от начала месяца включения. Для каждой временной позиции графиков могут быть получены значения времени, статуса и температур. В основном окне приложения на графиках мышкой может быть выделен интервал времени, который будет показан в увеличенном масштабе. Также изменение масштаба может осуществляться вращением колесика мышки.
Данные графиков могут быть скопированы в текстовом виде в буфер обмена Windows для последующего использования в приложениях типа Excel или Origin. Данные графиков могут быть сохранены в файле с именем, сформированным по дате и времени включения устройства. При последующем получении данных от той же регистрации данные добавляются к этому файлу, что позволяет сохранять объем данных больший, чем объем массива в измерителе.
Данные из сохраненного файла могут быть вызваны для отображения на графиках с последующим просмотром. Это также делается автоматически при подключении при наличии файла от этого замера. Возможна коррекция показаний датчиков температуры по калибровке с заданием смещения показаний по каждому датчику. Показания с коррекцией выводятся на график текущих значений температуры, при этом в файле данных сохраняются температуры без коррекции, поэтому можно корректировать и ранее записанные данные. Задание границ диапазона датчиков и максимального количества перегревов задает события для включения и выключения системы термостатирования магнита.
Обычно IP-адрес измеритель получает от DHCP-сервера, но возможна настройка подключения измерителя к точке доступа с заданием фиксированного адреса. Если в EEPROM измерителя записан фиксированный IP-адрес, то при подключении к новой локальной сети он может оказаться за пределами допустимого диапазона. В этом случае можно обойти загрузку адреса, тогда при включении Wi-Fi адрес будет назначен DHCP-сервером локальной сети.
4. ПРАКТИЧЕСКОЕ ПРИМЕНЕНИЕ ИЗМЕРИТЕЛЯ
На рис. 3 показано основное диалоговое окно приложения “Show temperature”. К измерителю подключены три датчика: два установлены на полюсах магнита (верхние графики), один в комнате (нижний). Значения по горизонтальной шкале измерены в днях месяца, по вертикальной — в градусах Цельсия. Две верхние линии на рис. 3 отображают температуру магнита, нижняя линия — температуру воздуха в экранированной комнате, где установлена магнитная система. Изменение температуры магнита на несколько градусов Цельсия (верхние линии на рис. 3) связано с отключением термостатирования. Изменение температуры в экранированной комнате связано с включением и отключением освещения в ней и работой сплит-системы. Обнаружено, что при заметных изменениях температуры в комнате (на несколько градусов Цельсия) происходит изменение температуры полюсов магнита. Эти небольшие изменения температуры магнита связаны, видимо, с неточной настройкой параметров PID-регулирования штатного терморегулятора магнитной системы.
Рис. 3. Основное диалоговое окно приложения “Show temperature”.
При нажатии кнопки “Ranges” открывается окно для настройки диапазонов датчиков (Temp On, Temp Off), смещений по калибровке (Offset) и параметров регистрации после запуска (рис. 4).
Рис. 4. Окно для настройки диапазонов датчиков (Temp on, Temp off), смещений по калибровке (Offset) и параметров регистрации после запуска.
Таким образом, разработанный измеритель можно использовать, в том числе, и для более точной настройки параметров регулирования. Макет комплекса был испытан нами на действующей магнитной системе специализированного магнитно-резонансного томографа, он показал свою работоспособность и информативность отображаемых данных.
Мы провели эксперимент по сравнению динамики выхода температуры магнитной системы на рабочий режим и изменению при этом частоты ЯМР-сигнала. На рис. 5 отображено изменение температуры полюсов магнита (линии 1, 2) после включения термоконтроллера системы термостатирования томографа. Ступеньки на линиях 1 и 2 обусловлены величиной чувствительности термодатчиков (0.0625°С), т.е. дискретностью измерений. Плато при достижении установленной температуры означает, что температура на этом участке не выходит за указанный предел. Отображаемые на графиках изменения температуры, меньшие этого значения связаны с процедурой усреднения. Линией 3 представлен график изменения частоты ЯМР-сигнала от времени. Измерение частоты сигнала ЯМР началось одновременно с включением системы термостатирования магнита.
Рис. 5. Изменение температуры полюсов магнита (линии 1, 2) и частоты сигнала ЯМР (линия 3) в зависимости от времени после включения системы термостатирования.
Из приведенных графиков следует, что изменение частоты сигнала начинается практически одновременно с началом нагрева магнита, а после достижения заданной температуры магнита (по показаниям измерителя температуры) частота сигнала еще продолжает меняться (не менее трех часов). Этот факт надо учитывать при планировании измерений на томографе после выключения/включения системы термостатирования.
5. ВЫВОДЫ
Создан аппаратно-программный комплекс, предназначенный для контроля температуры постоянного магнита магнитно-резонансного томографа и защиты его от перегрева при сбоях штатной системы термостатирования. Комплекс обеспечивает защиту от перегрева, фиксацию времени аварийного выключения и включения системы для принятия решения о начале обследования, а также регистрацию динамики нагрева и остывания магнита для настройки коэффициентов PID-регулирования системы термостатирования. Комплекс был испытан на действующей магнитной системе магнитно-резонансного томографа, он показал свою работоспособность и информативность отображаемых данных.
ФИНАНСИРОВАНИЕ РАБОТЫ
Работа выполнена в рамках государственного задания ФИЦ Казанского научного центра РАН (номер регистрации в ЕГИСУ 122011800133-2).
About the authors
В. Л. Одиванов
Казанский физико-технический институт им. Е.К. Завойского Казанского научного центра Российской академии наук
Author for correspondence.
Email: odivanov@mail.ru
Russian Federation, 420029, Казань, Сибирский тракт, 10/7
Я. В. Фаттахов
Казанский физико-технический институт им. Е.К. Завойского Казанского научного центра Российской академии наук
Email: odivanov@mail.ru
Russian Federation, 420029, Казань, Сибирский тракт, 10/7
А. Р. Фахрутдинов
Казанский физико-технический институт им. Е.К. Завойского Казанского научного центра Российской академии наук
Email: odivanov@mail.ru
Russian Federation, 420029, Казань, Сибирский тракт, 10/7
В. А. Шагалов
Казанский физико-технический институт им. Е.К. Завойского Казанского научного центра Российской академии наук
Email: odivanov@mail.ru
Russian Federation, 420029, Казань, Сибирский тракт, 10/7
А. А. Баязитов
Казанский физико-технический институт им. Е.К. Завойского Казанского научного центра Российской академии наук
Email: odivanov@mail.ru
Russian Federation, 420029, Казань, Сибирский тракт, 10/7
References
- Физические характеристики материала NdFeB (неодим-железо-бор). Электронный ресурс. https://magnet-prof.ru/index.php/fizicheskie-harakteristiki-ndfeb.html
- Салихов К.М., Фаттахов Я.В., Фахрутдинов А.Р., Анашкин В.Н., Шагалов В.А., Биктимиров Э.Ф., Муртазина Э.М., Колесникова Н.В. // Медицинская техника. 2007. № 5. С. 39.
- Шагалов В.А., Фахрутдинов А.Р., Фаттахов Я.В. // ПТЭ. 2017. № 6. С. 132. https://doi.org/10.7868/S0032816217060118
- Баязитов А.А., Фаттахов Я.В., Фахрутдинов А.Р., Шагалов В.А. // ПТЭ. 2020. № 6. С. 89. https://doi.org/10.31857/S003281622006004X
- Карякин А.Т., Иттиев А.В. // Молодой ученый. 2016. № 10 (114). С. 225. https://moluch.ru/archive/114/30119/
- Каплин В.И., Плотникова О.А. // ПТЭ. 2017. № 1. С. 45. https://doi.org/10.7868/S0032816217010049
- Леонтьев А. П., Пивоваров А. А. // ПТЭ. 2011. № 3. С. 162.
- Филатов А.В., Кобзев В.М., Филатов Н.А., Сердюков К.А., Новикова А.А. // ПТЭ. 2020. № 3. С. 65. https://doi.org/10.31857/S0032816220030106
- Одиванов В.Л., Фаттахов Я.В., Фахрутдинов А.Р., Шагалов В.А. Свидетельство о государственной регистрации программ для ЭВМ №2023667480 от 15 августа 2023 г.
Supplementary files







