Гибридная триггерная система экспериментального комплекса НЕВОД
- Авторы: Амельчаков М.Б.1, Богданов А.Г.1, Громушкин Д.М.1, Задеба Е.А.1, Киндин В.В.1, Кокоулин Р.П.1, Компаниец К.Г.1, Петрухин А.А.1, Хохлов С.С.1, Шульженко И.А.1, Шутенко В.В.1, Яшин И.И.1
-
Учреждения:
- Национальный исследовательский ядерный университет “МИФИ”
- Выпуск: № 4 (2024)
- Страницы: 93-106
- Раздел: ТЕХНИКА ЯДЕРНОГО ЭКСПЕРИМЕНТА
- URL: https://journal-vniispk.ru/0032-8162/article/view/279969
- DOI: https://doi.org/10.31857/S0032816224040113
- EDN: https://elibrary.ru/NYJFKO
- ID: 279969
Цитировать
Полный текст
Аннотация
Представлено описание триггерной системы уникальной научной установки – экспериментального комплекса НЕВОД. Для регистрации различных компонент космических лучей экспериментальный комплекс НЕВОД включает в себя различные по площади, физическим принципам регистрации и фоновой загрузке детекторы и установки. Каждый из детекторов имеет свою оригинальную систему сбора данных и триггирования и может работать автономно. Но вместе с тем все они объединены единой системой триггирования и синхронизации данных. Описаны особенности систем отдельных детекторов, приведены их основные характеристики и способы их инициализации и объединения.
Полный текст
ВВЕДЕНИЕ
Существуют два крайних подхода к организации триггирования систем сбора данных. Один способ – это непрерывная запись состояний всех измерительных каналов детекторов и последующий программный отбор полезных событий с группировкой по временным меткам. Другой – организация отдельной быстродействующей аппаратной системы, анализирующей в реальном времени состояние измерительных каналов и принимающей решение о регистрации полезного события.
При аппаратном объединении триггеров различных установок приходится учитывать то обстоятельство, что время выработки триггера у каждой установки индивидуально и для оптимальной регистрации событий необходимо подбирать индивидуальные задержки этих триггеров. Общее мертвое время определяется суммарным темпом счета отдельных триггеров, и значительное изменение темпа счета одного из них влияет на эффективность регистрации остальных установок.
Выбор того или иного способа зависит от степени гранулированности детекторов, их физических размеров, длительности окон совпадений, интенсивности фоновых событий, времени оцифровки и записи измерений и других параметров, которые могут сильно различаться в различных детекторах. У каждого подхода есть сильные и слабые стороны, и в реальных установках целесообразно использовать гибридную, т. е. комбинированную многоуровневую организацию триггера.
ЭКСПЕРИМЕНТАЛЬНЫЙ КОМПЛЕКС НЕВОД
Уникальная научная установка – экспериментальный комплекс НЕВОД является единственной в мире установкой, которая позволяет проводить фундаментальные (физика частиц и астрофизика) и прикладные (мониторинг и прогнозирование состояния околоземного пространства) исследования с использованием природных потоков частиц на поверхности Земли во всем интервале зенитных (0–180°) и азимутальных (0–360°) углов и в рекордно широком диапазоне энергий частиц первичных космических лучей (109 –1019 эВ).
В логарифмическом масштабе охватываемый диапазон энергий можно разделить на два приблизительно равных интервала: от 109 до 1014 эВ и от 1014 до 1019 эВ.
Первый энергетический интервал включает в себя два подынтервала: от 109 до 1011 эВ, в котором гелиосферные, магнитосферные и атмосферные явления изучаются методом мюонографии [1], и от 1011 до 1014 эВ, в котором характеристики потока космических лучей исследуются с помощью детектирования каскадных ливней, генерируемых мюонами в черенковском водном детекторе.
В интервале от 1014 до 1019 эВ изучаются различные компоненты широких атмосферных ливней (ШАЛ): электронно-фотонная, адронная и мюоны стволов ШАЛ. В этом интервале (при энергиях выше 1015 эВ) в проведенных ранее экспериментах были обнаружены различные особенности характеристик потока космических лучей и их взаимодействий: изменения энергетического спектра и массового состава [2], набор различных аномальных событий [3, 4], избыток мюонов, увеличивающийся с ростом энергии [5], и т. д. Эти особенности могут быть вызваны как космофизическими, так и ядерно-физическими причинами, т. е. проблема имеет междисциплинарный характер. Для ее решения проводятся комплементарные исследования разных компонент ШАЛ на установках экспериментального комплекса НЕВОД.
Исследования в таком широком диапазоне энергий возможны благодаря тому, что экспериментальный комплекс НЕВОД включает в себя различные детекторы и установки для регистрации разных компонент космических лучей (см. рис. 1).
Рис. 1. Взаимное расположение детекторов экспериментального комплекса НЕВОД.
Основой экспериментального комплекса является черенковский водный детектор (ЧВД) объемом 2000 м3 , предназначенный для регистрации всех компонент космических лучей, достигающих поверхности Земли, и способный выступать как в роли годоскопа в 4 π -геометрии, так и черенковского калориметра [6, 7]. Основу детектирующей системы ЧВД составляют квазисферические измерительные модули (КСМ), представляющие собой шесть ФЭУ с плоским фотокатодом (диаметр фотокатода 15 см), ориентированных вдоль осей ортогональной системы координат и заключенных в алюминиевый корпус.
Возможности ЧВД были существенно расширены с помощью координатно-трекового детектора ДЕКОР [8] площадью около 70 м2 , который состоит из восьми сборок-супермодулей, размещенных вертикально. Каждый супермодуль содержит восемь слоев пластиковых камер стримерных трубок с резистивным покрытием катода. Такая конфигурация позволяет выделять окологоризонтальный ( в диапазоне зенитных углов более 60˚) поток частиц высоких энергий и исследовать группы мюонов.
Система калибровочных телескопов (СКТ) [9], представляющая собой массив сцинтилляционных счетчиков, расположенных на дне и на крышке бассейна ЧВД, предназначена для калибровки квазисферических модулей (КСМ) черенковского водного детектора по прямому черенковскому излучению от треков одиночных мюонов. Любые пары сцинтилляционных счетчиков (один на крышке, другой на дне) образуют телескоп, выделяющий мюоны с известными координатами и углами их прохождения через ЧВД. После проведенной модернизации СКТ используется как детектор, позволяющий регистрировать ШАЛ с энергиями от 1014 до 1015 эВ по электронной компоненте верхней плоскостью детектора и с энергиями от 1016 до 1017 эВ по мюонной компоненте его нижней плоскостью. Одно из ключевых преимуществ использования системы калибровочных телескопов для регистрации околовертикальных ( в диапазоне зенитных углов менее 30°) ШАЛ – экранированность нижней плоскости сцинтилляционных детекторов слоем воды 9 м, что соответствует энергетическому порогу для мюонов 2 ГэВ.
Для исследования адронной компоненты космических лучей в экспериментальном комплексе первой была создана установка ПРИЗМА-32 [10, 11], представляющая собой сеть из 32 электронно-нейтронных эн-детекторов для одновременной регистрации электронно-фотонной (э) и нейтронной (н) компонент ШАЛ, расположенных над бассейном ЧВД. Установка позволяет регистрировать как тепловые нейтроны, так и заряженную компоненту высокоэнергетичных ШАЛ.
Дальнейшее развитие направления исследований адронной компоненты ШАЛ получило на установке УРАН [12], которая на сегодняшний день включает в себя 72 эн-детектора, расположенных на крышах комплекса на площади около 103 м2 .
Для детального исследования процессов, связанных с взаимодействиями первичных частиц сверхвысоких энергий, создается установка НЕВОД-ШАЛ [13, 14], представляющая собой сеть сцинтилляционных детекторов, расположенных на крышах корпусов НИЯУ МИФИ и на поверхности грунта между ними. На сегодняшний день развернуто 9 кластеров, включающих 144 детектора, которые размещены на площади равной примерно 104 м2 .
Все детекторы экспериментального комплекса НЕВОД способны регистрировать как одиночные частицы, так и события с высокой плотностью частиц. Одиночные частицы и группы мюонов представляют наибольший интерес в случае, если они наблюдаются в интервале зенитных углов от 45° до 90°, в котором благодаря свойствам земной атмосферы могут быть исследованы первичные частицы с энергий до 1019 эВ. Поток таких частиц выделяется при совместной работе детекторов ЧВД и ДЕКОР.
Триггерные условия для этих установок должны обеспечить одновременную регистрацию различных классов событий с наибольшей эффективностью при проведении исследований в широкой области энергий, калибровку и непрерывную оценку состояния установок.
НЕВОД, ДЕКОР, СКТ расположены в одном здании достаточно компактно, длительность окон совпадений у них составляет от 40 до 400 нс, время оцифровки и записи данных примерно одинаково и не превышает 3 мс. Регистрация событий в них организована по срабатыванию общего аппаратного триггера, объединяющего триггеры этих установок. Компактное и близкое расположение ПРИЗМЫ-32 к бассейну ЧВД позволяет использовать локальные триггеры ее кластеров для выделения совместных событий с установками НЕВОД и ДЕКОР.
НЕВОД–ШАЛ и УРАН являются распределенными установками с длительностью общего окна совпадений несколько микросекунд. Для них регистрация организована по аппаратному триггеру отдельных кластеров с меткой времени срабатывания и последующей программной группировкой и отбором событий.
Таким образом, структура триггерной системы экспериментального комплекса НЕВОД носит гибридный характер.
ТРИГГЕРНАЯ СИСТЕМА ЧВД И СКТ
Детектирующая система ЧВД НЕВОД представляет собой регулярную решетку квазисферических модулей, которая формируется в виде гирлянд (кластеров), содержащих по четыре или три КСМ в каждой.
Для выделения определенных классов событий и обеспечения подавления фона атмосферных мюонов при регистрации нейтрино была разработана многоуровневая триггерная система, первый уровень которой находится в блоке электроники кластера (БЭК). Сигналы от ФЭУ КСМ поступают в БЭК, где проводится их оцифровка и в зависимости от сочетания сработавших ФЭУ вырабатываются три различных триггерных сигнала: “A” (any, любой) – логическое ИЛИ сигналов с 12-х динодов любых ФЭУ в КСМ “B” (bottom, нижний) – срабатывание ФЭУ, фотокатод которого направлен вниз, и “C” (coincidence, совпадение) – совпадение сигналов от любых двух ФЭУ в одном КСМ, кроме противоположно направленных, в пределах временного окна 150 нс. Каждый триггерный сигнал предназначен для выделения определенного класса физических событий.
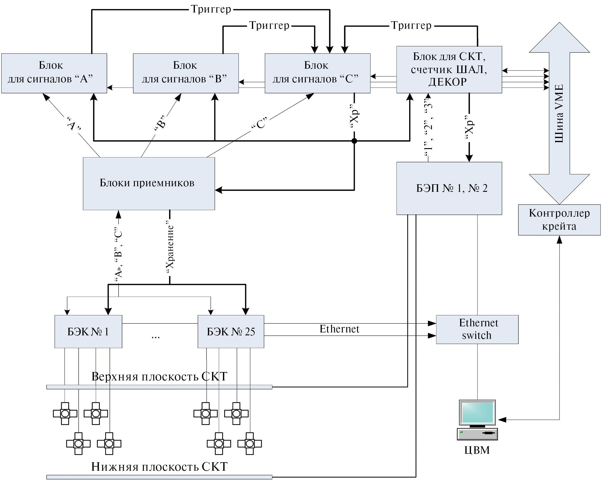
По триггерным кабелям сигналы поступают в блоки приемников (БП), в которых проводится селекция триггерных сигналов по группам (“A”, “B”, “C”) для передачи во внешнюю триггерную систему, сформированную на базе четырех блоков программируемой логики V1495 производства фирмы CAEN (рис. 2), три из которых предназначены для каждого типа триггерных сигналов, а четвертый для осуществления совместной работы с другими детекторами экспериментального комплекса.
Рис. 2. Структурная схема триггерной системы ЧВД и СКТ.
На каждый блок поступают соответствующие ему триггерные сигналы, где они сравниваются с маской и в зависимости от режима работы системы поступают на счетчики в режиме мониторинга шумов или на блоки формирователей, построенных на сдвиговых регистрах и одновременно являющихся циклическими буферами состояния (LIFO) сигналов первого уровня. Далее, для каждого пришедшего триггерного сигнала от БЭК формируется сигнал, длительность которого определяется выбранной заранее шириной ворот совпадений. Сформированные сигналы поступают в сумматор, а полученная сумма в компаратор, уровень срабатывания которого соответствует порогу мажоритарной схемы совпадений. При превышении этого порога, т. е. при появлении минимально необходимого количества сигналов данного типа во время ворот совпадений, вырабатываются триггерные сигналы, поступающие на триггерный блок “С”, где вырабатывается общий сигнал “Хранение”, который возвращается в остальные триггерные блоки и БЭК. По сигналу “Хранение” состояние триггеров и время ожидания события записываются в специальные регистры, останавливается запись в циклический буфер состояния триггерных сигналов от БЭК, инициируется сбор и передача данных.
Для выделения ШАЛ оптимальным является использование триггерного условия по сигналам типа “С”. Выбор порога по кратности этого типа сигналов определяется исходя из двух условий: отсечение одиночных треков мюонов низких энергий и приемлемый темп счета событий. Одиночный мюон в зависимости от положения его трека в рабочем объеме детектора способен дать до 45 сигналов данного типа. Оптимальным выбрано значение 60 сигналов, это соответствует скорости счета около трех событий в секунду.
Система калибровочных телескопов также включена в триггерную систему, для нее создан специальный триггерный блок (рис. 3). Сигналы со счетчиков СКТ поступают в блоки электроники плоскостей (БЭП), которые осуществляют их обработку и отправляют данные о сработавших счетчиках на внешнюю триггерную систему в блок СКТ. При поступлении этих данных триггерный блок СКТ действует аналогично блокам триггерных сигналов ЧВД НЕВОД, однако в нем реализованы три других триггерных условия.
Рис. 3. Структурная схема выработки триггерных сигналов СКТ.
Для сигналов с верхней плоскости предусмотрено мажоритарное триггерное условие – триггер формируется при срабатывании заранее выбранного количества счетчиков 3U ~ 0.58 с−1 . Аналогичное условие введено и для нижней плоскости 2D ~ 0.06 с−1 . При этом после выполнения первого триггерного условия триггерный сигнал задерживается для того, чтобы успела пройти проверка условия для нижних счетчиков. Третий тип триггерного условия – телескопное событие, для его выполнения необходимо срабатывание одного верхнего и одного нижнего счетчика, около 2.6 с−1 .
Сигнал “Хранение” блок СКТ получает из блока “С” и передает его в БЭП. При получении сигнала “Хранение” модули АЦП всех БЭК и БЭП проводят полную оцифровку зарегистрированных сигналов и передают оцифрованные данные на процессорные платы, которые пересылают их по линии связи Ethernet на центральную ЭВМ.
ТРИГГЕРНАЯ СИСТЕМА ДЕКОР
Координатный детектор ДЕКОР представляет собой многослойную систему пластиковых камер, состоящих из 16 стримерных трубок размерами 1 × 1 × 350 см3 и расположенных вокруг черенковского водного калориметра НЕВОД. Полная конфигурация детектора включает в себя 64 базовых модуля. Базовый модуль состоит из 16 камер, расположенных в вертикальной плоскости друг над другом, и системы внешних пластин для считывания двух координат. Базовые модули расположены в галерее второго этажа здания установки НЕВОД вокруг бассейна черенковского водного калориметра и объединены в восьмислойную систему (8 супермодулей (СМ) по 8 базовых модулей каждый). Такая конфигурация дает возможность определения трека частицы, идентификации групп параллельных частиц и уменьшает фон случайных совпадений.
Супермодули, расположенные вдоль длинной стены бассейна, условно объединены в отдельную группу “Long”. Соответственно, СМ, расположенные вдоль коротких, торцевых стенок, образуют две группы “Short”. Триггерная система координатного детектора ДЕКОР является двухуровневой и обеспечивает эффективную регистрацию как групп, так и одиночных мюонов. Временное разрешение базового модуля определяется задержкой, связанной с дрейфом электронов ионизации в трубках к аноду ( до 150 нс), а также разбросом времени прохождения логических сигналов по соединительным магистралям ( до 50 нс). Для всего детектора необходимо учитывать время пробега мюона (около 90 нс) между наиболее удаленными друг от друга супермодулями. Таким образом, характерные длительности импульсов, используемых для формирования различных совпадений в триггерной системе, составляют около 0.3 мкс.
Триггерная система супермодуля основана на анализе триггерных сигналов базовых модулей, представляющих собой объединение по схеме ИЛИ сигналов со всех каналов модуля по одной из координат. Схема формирования триггера первого уровня реализована внутри многофункционального контроллера супермодуля. Условием выработки триггера первого уровня является совпадение четырех и более из восьми триггерных сигналов смежных базовых модулей детектора в течение 300 нс, что с 97-процентной эффективностью идентифицирует прохождение мюона через восемь плоскостей камер стримерных трубок в апертуре супермодуля. При вертикальном расположении плоскостей площадью 8.4 м2 интенсивность счета триггера первого уровня составляет около 500 с−1 .
Мониторирование триггеров первого уровня и выработка общесистемных триггеров осуществляется центральным триггерным блоком. Его структурная схема представлена на рис. 4 и включает в себя следующие функциональные узлы:
– приемник, формирователь по длительности и циклический буфер состояния триггерных сигналов первого уровня с частотой дискретизации 40 МГц;
– блок счетчиков триггеров первого уровня;
– логическую матрицу совпадений, представляющую собой 4-разрядное ОЗУ, на адресные входы которого подаются сформированные по длительности триггерные сигналы первого уровня;
– часы времени ожидания событий (живого времени).
Рис. 4. Структурная схема центрального триггерного блока ДЕКОР.
При инициализации системы ячейки ОЗУ устанавливаются в состояния, соответствующие условиям выработки общесистемных или промежуточных триггеров. Блок программируемых задержек осуществляет выравнивание во времени промежуточных триггерных сигналов, попарное совпадение которых вырабатывает дополнительные общесистемные триггерные сигналы. Все общесистемные триггерные сигналы объединяются по схеме логического ИЛИ и участвуют в выработке сигнала “Хранение” детектора ДЕКОР, а также суммарного триггерного сигнала, поступающего на триггерную систему НЕВОД. По сигналу “Хранение” состояние триггеров и время ожидания события записываются в специальные регистры, останавливается запись в циклический буфер состояния триггерных сигналов первого уровня, инициируется сбор и передача данных в контроллерах супермодулей. При работе в составе экспериментального комплекса НЕВОД в выработке сигнала “Хранение” детектора ДЕКОР участвует сигнал “Хранение” детектора НЕВОД.
В качестве условий выработки общесистемного триггера выбраны:
Триггер № 1 – срабатывание любого супермодуля (более 500 с−1). В стандартном режиме экспозиции этот триггер блокируется.
Триггер № 2 – срабатывание трех и более супермодулей (около 0.25 с−1).
Триггер № 3 – срабатывание двух любых супермодулей Short, расположенных c противоположных сторон регистрирующей системы НЕВОД (Short × Short ~ 0.75 с−1).
Триггер № 4 – срабатывание любого супермодуля Long с любым Short (Long × Short ~ 8 с−1).
Триггеры № 5 и № 6 – срабатывание двух любых супермодулей Short, расположенных c противоположных сторон регистрирующей системы НЕВОД (Short × Short ~ 0.3 с−1) с учетом направления пролета частицы. Отличие триггера № 5 от триггера № 6 обусловлено направлением движения частицы (учитывается время пролета частицы через водный бассейн длиной 26 м).
Триггер № 12 – срабатывание любого супермодуля и регистрирующей системы НEВОД (порядка 0.85 с−1).
СИСТЕМА ОТБОРА И СИНХРОНИЗАЦИИ СОБЫТИЙ НЕВОД – ШАЛ
Установка НЕВОД–ШАЛ имеет кластерную организацию и включает в себя девять независимых кластеров, расположенных вокруг экспериментального комплекса НЕВОД на крышах лабораторных корпусов НИЯУ МИФИ и на поверхности грунта. Каждый кластер состоит из 16 сцинтилляционных счетчиков для регистрации электронно-фотонной компоненты ШАЛ, объединенных в четыре детектирующие станции (ДС), расположенные в вершинах прямоугольника с характерными размерами около 15 × 15 м2 . Расстояния между центрами кластеров составляют около 50 м. Система сбора и обработки данных установки НЕВОД–ШАЛ включает два основных структурных элемента: кластер и центральный пункт управления, сбора и обработки данных. Функциональная схема системы сбора и обработки данных НЕВОД–ШАЛ представлена на рис. 5.
Рис. 5. Функциональная схема системы сбора и обработки данных НЕВОД–ШАЛ.
Каждый кластер является автономной частью установки и обеспечивает:
– отбор событий по триггерным условиям (пороги регистрации, кратность срабатывания ДС, временные ворота совпадений), которые задаются перед началом проведения серии измерений;
– оцифровку амплитудной информации;
– временную привязку регистрируемых событий;
– передачу данных в центральный пункт (ЦП) управления, сбора и обработки данных.
Основными элементами кластера НЕВОД–ШАЛ являются детектирующие станции (четыре ДС) и локальный пункт (ЛП) сбора и первичной обработки данных.
Обмен информацией с ЦП установки осуществляется по протоколу TCP/IP через волоконно-оптические линии связи (ВОЛС).
Центральный пункт НЕВОД–ШАЛ обеспечивает управление всеми ЛП, их синхронизацию, а также прием и хранение экспериментальных данных и данных мониторинга. Центральный пункт состоит из персонального компьютера (ПК), антенны GPS/ГЛОНАСС, набора модулей синхронизации и управления (МСУ), модуля глобальной временной синхронизации (МГВС) и коммуникационного узла, обеспечивающего сетевое соединение между всеми элементами ЦП.
Каждый МСУ имеет четыре оптических интерфейса для сетевого подключения четырех кластеров НЕВОД–ШАЛ и один интерфейс Ethernet для подключения к ПК через коммуникационный узел. В начале экспериментальной серии специализированное программное обеспечение ПК отправляет каждому МСУ информационные пакеты, содержащие значения порогов регистрации, кратностей совпадений и длительностей временных ворот для подключенных к нему четырех кластеров. Затем МСУ рассылают данные настройки всем кластерам, которые настраивают свои измерительные каналы и начинают процесс регистрации. При регистрации ШАЛ кластер отправляет МСУ информацию о событии (время события и содержимое буферов FIFO всех АЦП). МСУ, в свою очередь, дополняет информационный пакет номером сработавшего кластера и пересылает его на ПК для обработки и хранения.
Модули МСУ позволяют измерять время передачи синхронизационного пакета по ВОЛС между ЦП и ЛП кластеров. Данные величины определяют временные сдвиги в локальных временах ЛП кластеров, которые необходимо учитывать для корректировки времени регистрации событий.
Вся электроника системы сбора и обработки данных установки НЕВОД–ШАЛ работает в синхронном режиме на одной тактовой частоте 100 МГц. Точность синхронизации кластеров НЕВОД–ШАЛ составляет 10 нс. Временная синхронизация кластеров осуществляется с помощью приемника GPS/ГЛОНАСС и модулей МСУ и МГВС.
Поскольку кластеры НЕВОД–ШАЛ являются независимыми элементами установки, позволяющими реконструировать направление прихода широких атмосферных ливней, оптимальными внутрикластерными триггерными условиями являются трех- и четырехкратные совпадения детектирующих станций кластеров в пределах временного окна с длительностью, определяемой наибольшим расстоянием между ДС каждого кластера (диагональ прямоугольника, образуемого детектирующими станциями). Процент случайных совпадений, регистрируемых кластерами при трех- и четырехкратных совпадениях ДС (средний темп счета ДС равен примерно 310 с−1 , длительность ворот совпадений – 130 нс), составляет 10−3 и 10−6% соответственно. При таких внутрикластерных триггерных условиях направление прихода ШАЛ восстанавливается для всех событий, зарегистрированных кластерами. Однако при попадании ШАЛ в одну или две ДС какого-либо кластера (периферийные области ливней) амплитудная информация об отклике сработавших станций не будет передана в центральный пункт управления, сбора и обработки данных установки. Поэтому в режиме совместной (многокомпонентной) регистрации событий с другими детекторами и установками экспериментального комплекса в НЕВОД–ШАЛ целесообразно использование во всех или только удаленных кластерах внутрикластерного триггерного условия совпадения как минимум двух ДС. При этом в процессе реконструкции направления прихода ШАЛ будут учитываться данные кластеров, в которых сработало не менее трех ДС, а при определении мощности ливня и положения его оси будут использоваться данные всех сработавших кластеров.
СИСТЕМА ОТБОРА И СИНХРОНИЗАЦИИ СОБЫТИЙ НА УСТАНОВКАХ УРАН И ПРИЗМА
Установки УРАН и ПРИЗМА-32 предназначены для регистрации тепловых и надтепловых нейтронов, образующихся при взаимодействии высокоэнергетических адронов ШАЛ с ядрами атомов атмосферы и земной поверхности.
Установка ПРИЗМА-32 включает 32 эн-детектора, объединенных в два кластера и расположенных под крышей здания над бассейном ЧВД. Детекторы установки ПРИЗМА-32 объединены в два кластера по 16 детекторов. Триггером первого уровня является совпадение срабатываний любых двух из 16 детекторов с порогом пять частиц во временных воротах 1 мкс. Темп счета такого триггера равен примерно 1.5 с−1 . По приходе этого триггера все АЦП запускаются на 20 мс и сигналы всех детекторов оцифровываются как по 12-му, так и по 7-му диноду ФЭУ. Онлайн программа анализирует данные и выдает триггер второго уровня в зависимости от типа события (физический триггер): M1 – в случае совпадений как минимум двух детекторов кластера с порогом около 5 частиц (MIP) в первом временном бине, M2 – в случае суммарного энерговыделения более 50 частиц в кластере и М3 , если число зарегистрированных в кластере нейтронов превышает четыре. Программа также определяет энерговыделение в каждом детекторе, число зарегистрированных в нем нейтронов и временное распределение этих нейтронов с шагом 100 мкс и записывает эту информацию на диск при наличии хотя бы одного триггера второго уровня (около 1100 событий в день или 0.013 с − 1). Для контроля уровня фона случайных совпадений в каждом кластере каждые 5 минут программой вырабатывается “случайный” программный триггер М 0 , по которому также проводится запуск и опрос всех АЦП. Часы обоих кластеров синхронизованы, и данные объединяются оффлайн при совпадении по времени с точностью около 10 мс. Поскольку темп счета событий типа ШАЛ ( по всем триггерам) мал (0.013 с−1), то вероятность случайных совпадений в интервале 20 мс, которую можно оценить как 0.02 с × 0.013 с−1 = 0.00026, также мала.
Эн-детекторы установки УРАН объединены в независимые кластерные структуры по 12 детекторов, типичное расстояние между которыми 4–5 метров. Кластеры расположены на крышах двух лабораторных зданий (по 3 кластера на каждой крыше). Такое расположение снижает влияние внутренней структуры здания.
Система сбора и обработки данных установки УРАН аналогична системе НЕВОД–ШАЛ и состоит из кластеров с локальными пунктами (ЛП) первичного сбора и обработки информации и центрального пункта управления, сбора и обработки данных (рис. 6).
Рис. 6. Функциональная схема системы сбора и обработки данных УРАН.
Электроника для оцифровки сигналов эн-детекторов располагается в ЛП, который, как и детекторы, находится на крыше здания. Электроника одного кластера включает в себя две двенадцатиканальные платы амплитудного анализа стандарта Евромеханика 6U.
Одна плата предназначена для оцифровки аналоговых сигналов с 12-х динодов ФЭУ, вторая для оцифровки аналоговых сигналов с 7-х динодов. Использование двух динодов позволяет расширить динамический диапазон для измерения энерговыделения от электромагнитной компоненты ШАЛ. Основная плата, оцифровывающая сигналы с 12-х динодов, постоянно записывает данные в кольцевой буфер, вмещающий 1024 отсчета. При выполнении триггерных условий срабатывания кластера происходит изменение частоты выборки с 200 МГц на 1 МГц и осуществляется запись 20 тыс. отсчетов. Благодаря такой схеме оцифровки первые 1024 точки пишутся с шагом 5 нс, что позволяет получить информацию об энерговыделении электромагнитной компоненты. Последующие 20000 точек, оцифрованные с шагом 1 мкс, дают информацию о тепловых нейтронах, сопровождающих ливень.
Вторая плата не имеет функции изменения частоты и проводит запись только на 1024 точки с шагом 5 нс (информация об энерговыделении от электронной компоненты поступает с седьмого динода ФЭУ). Платы работают независимо друг от друга. Сопоставление данных между кластерами происходит по времени регистрации событий. Единое время для всех плат задает модуль синхронизации, который рассылает единый тактовый сигнал по оптоволокну с частотой 100 МГц и осуществляет одновременный запуск внутреннего таймера плат. Точность временной синхронизации составляет 10 нс.
ВРЕМЕННАЯ СИНХРОНИЗАЦИЯ ВСЕХ УСТАНОВОК КОМПЛЕКСА
Одним из основных требований к единой триггерной системе является однозначное соответствие событий, зарегистрированных в детекторах экспериментального комплекса. Также стоит задача в подборе триггерных условий, при которых все ШАЛ, зарегистрированные в установках НЕВОД–ШАЛ и УРАН, имели бы соответствующую информацию об отклике ЧВД, ДЕКОР, СКТ и ПРИЗМА-32.
На рис. 7 показано, насколько различается время, необходимое для первичного анализа события, по данным установок комплекса. Самой быстродействующей является система калибровочных телескопов, ее триггерный блок собирает сигналы и вырабатывает триггер в течение 200 нс, поэтому в блок ЧВД он идет через линию задержки. Время выработки триггерного условия на установке ДЕКОР составляет около 400 нс, несколько позже выполняются триггерные условия на установках ЧВД и ПРИЗМА-32. Кластеры установок НЕВОД–ШАЛ и УРАН имеют область триггирования около 400 нс, однако выработанный этими установками локальный триггер любого кластера не может служить меткой для триггерной системы (ТС) установки НЕВОД, так как он нестабилен во времени. В зависимости от конфигурации регистрируемого ШАЛ время срабатывания кластеров варьируется на несколько микросекунд.
Рис. 7. Временная диаграмма регистрации события установками экспериментального комплекса НЕВОД.
При таких временных характеристиках возможна лишь гибридная организация триггирования, первичная обработка и сохранение экспериментальных данных может осуществляться только на различных вычислительных машинах, а последующая обработка совместных данных требует сшивки событий. Такая сшивка осуществляется по временным меткам, присваиваемым каждому событию. Основным источником временной информации служит модуль глобальной временной синхронизации, расположенный в центральном пункте установок НЕВОД–ШАЛ и УРАН, который обеспечивает точность временной привязки данных этих установок около 10 нс.
Временная информация от МГВС одновременно используется в ТС НЕВОД и центральной вычислительной машине (ЦВМ) НЕВОД (рис. 8). При запуске экспозиции ЦВМ НЕВОД отправляет в МГВС команду о запуске передачи ежесекундных сигналов PPS от GPS- антенны в ТС НЕВОД. При этом отправка первого сигнала откладывается на 5 секунд для того, чтобы обратный пакет с информацией о времени запуска был гарантированно получен ЦВМ НЕВОД, и при этом счетчик времени ТС был сброшен.
Рис. 8. Схема временной синхронизации событий в установках НЕВОД–ШАЛ, УРАН и НЕВОД.
В ТС НЕВОД предусмотрены два счетчика времени – один тактируется раз в секунду, второй каждые 25 нс. Первый счетчик содержит информацию о времени события в секундах от начала экспозиции. Второй счетчик подключен к тактовой частоте блока (40 МГц) и сбрасывается при поступлении каждого PPS. При поступлении сигнала “Хранение” информация с обоих счетчиков фиксируется и записывается в соответствующие регистры (работа счетчиков при этом не останавливается), которые вычитываются, и далее временная метка передается с прочей информацией о событии на ЦВМ.
Временная точность в таком режиме работы составляет 25 нс, что обеспечивает однозначную привязку событий на всех установках для дальнейшей совместной обработки.
ЗАКЛЮЧЕНИЕ
Созданная гибридная триггерная система позволяет осуществлять одновременное выделение событий различных классов при сохранении высокого процента живого времени, а также наращивать установки комплекса и добавлять новые детекторы практически с любыми системами регистрации.
Дополнительная информация, регистрируемая гибридной триггерной системой, а именно: маски и время прихода локальных триггеров отдельных модулей, живое время каждой установки в отдельности, метка времени и номер события, предоставляет расширенные возможности при анализе и повышает достоверность получаемых данных.
Многолетняя эксплуатация гибридной триггерной системы в составе экспериментального комплекса НЕВОД позволила зарегистрировать статистически обеспеченное количество высокоэнергетических событий, что, в свою очередь, сделало возможным получить уникальные научные результаты, в том числе приближающие решение “мюонной загадки” [15, 16].
ФИНАНСИРОВАНИЕ РАБОТЫ
Работа выполнена при поддержке Министерства науки и высшего образования РФ (проект “Фундаментальные и прикладные исследования космических лучей”, № FSWU-2023–0068) и Российского научного фонда (грант № 22-72-10010, https://rscf.ru/project/22-72-10010/ ).
КОНФЛИКТ ИНТЕРЕСОВ
Авторы заявляют, что у них нет конфликта интересов.
Об авторах
М. Б. Амельчаков
Национальный исследовательский ядерный университет “МИФИ”
Email: kgkompaniyets@mephi.ru
Россия, Москва
А. Г. Богданов
Национальный исследовательский ядерный университет “МИФИ”
Email: kgkompaniyets@mephi.ru
Россия, Москва
Д. М. Громушкин
Национальный исследовательский ядерный университет “МИФИ”
Email: kgkompaniyets@mephi.ru
Россия, Москва
Е. А. Задеба
Национальный исследовательский ядерный университет “МИФИ”
Email: kgkompaniyets@mephi.ru
Россия, Москва
В. В. Киндин
Национальный исследовательский ядерный университет “МИФИ”
Email: kgkompaniyets@mephi.ru
Россия, Москва
Р. П. Кокоулин
Национальный исследовательский ядерный университет “МИФИ”
Email: kgkompaniyets@mephi.ru
Россия, Москва
К. Г. Компаниец
Национальный исследовательский ядерный университет “МИФИ”
Автор, ответственный за переписку.
Email: kgkompaniyets@mephi.ru
Россия, Москва
А. А. Петрухин
Национальный исследовательский ядерный университет “МИФИ”
Email: kgkompaniyets@mephi.ru
Россия, Москва
С. С. Хохлов
Национальный исследовательский ядерный университет “МИФИ”
Email: kgkompaniyets@mephi.ru
Россия, Москва
И. А. Шульженко
Национальный исследовательский ядерный университет “МИФИ”
Email: kgkompaniyets@mephi.ru
Россия, Москва
В. В. Шутенко
Национальный исследовательский ядерный университет “МИФИ”
Email: kgkompaniyets@mephi.ru
Россия, Москва
И. И. Яшин
Национальный исследовательский ядерный университет “МИФИ”
Email: kgkompaniyets@mephi.ru
Россия, Москва
Список литературы
- Barbashina N.S., Petrukhin A.A., Shutenko V.V. // Physics of Atomic Nuclei. 2021. V. 84. №. 6. P. 1182. https://doi.org/10.1134/S1063778821130044
- Workman R.L., Burkert V.D., Crede V. et al. // Prog. Theor. Exp. Phys. 2022. V. 2022. №. 8. P. 083C01. https://doi.org/10.1093/ptep/ptac097
- Slavatinsky S.A. // Nucl. Phys. B – Proc. Suppl. 2003. V. 122. P. 3. https://doi.org/10.1016/S0920-5632(03)80359-6
- Yakovlev V.I. // Nucl. Phys. B – Proc. Suppl. 2003. V. 122. P.201. https://doi.org/10.1016/S0920-5632(03)80378-X
- Dembinski H.P., Arteaga-Velázquez J.C., Cazon L. et al. // EPJ Web Conf. 2019. V. 210. P. 02004. https://doi.org/10.1051/epjconf/201921002004
- Петрухин А.А. // УФН. 2015. Т. 185. № 5. С. 521. https://doi.org/10.3367/UFNr.0185.201505i.0521
- Киндин В.В., Амельчаков М.Б., Барбашина Н.С., Богданов А.Г., Задеба Е.А., Карцев И.С., Кокоулин Р.П., Компаниец К.Г., Овчинников В.В., Петрухин А.А., Хомяков В.А., Хохлов С.С., Шутенко В.В., Яшин И.И. // ПТЭ. 2018. № 5. С. 23. https://doi.org/10.1134/S0032816218050075
- Barbashina N.S., Ezubchenko A.A., Kokoulin R.P., Kompaniets K.G., Konovalov A.A., Petrukhin A.A., Chernov D.V., Shutenko V.V., Yanson E.E. // Instrum. Exp. Tech. 2000. V. 43. № 6. P. 743. https://doi.org/10.1023/A:1026603430476
- Амельчаков М.Б., Богданов А.Г., Задеба Е.А., Киндин В.В., Кокоулин Р.П., Компаниец К.Г., Петрухин А.А., Хохлов С.С., Шульженко И.А., Шутенко В.В., Яшин И.И. // ПТЭ. 2018. Т. 61. № 5. С. 649. https://doi.org/10.1134/S0032816218050014
- Громушкин Д.М., Волченко В.И., Задеба Е.А., Петрухин A.A., Стенькин Ю.В., Степанов В.И., Щеголев O.Б., Яшин И.И. // Изв. РАН. Сер. физ. 2015. Т. 79. № 3. С. 414. https://doi.org/10.7868/S0367676515030229
- Gromushkin D., Petrukhin A., Stenkin Y., Yashin I., Zadeba E., Alekseenko V., Shchegolev O., Stepanov V. // JINST. 2014. V. 9. № 8. P. C08028. https://doi.org/10.1088/1748-0221/9/08/C08028
- Gromushkin D.M., Bogdanov F.A., Khokhlov S.S., Kokoulin R.P., Kompaniets K.G., Petrukhin A.A., Shulzhenko I.A., Stenkin Y.V., Yashin I.I., Yurin K.O. // JINST. 2017. V. 12. № 7. P. C07029. https://doi.org/10.1088/1748-0221/12/07/C07029
- Amelchakov M.B., Ampilogov N.V., Astapov I.I., Barbashina N.S., Bogdanov A.G., Chiavassa A., Gromushkin D.M., Khokhlov S.S., Kokoulin R.P., Kompaniets K.G., Likiy O.I., Ovchinnikov V.V., Petrukhin A.A., Saavedra O., Shulzhenko I.A., Yashin I.I. // JINST. 2017. V. 12. № 6. P. C06033. https://doi.org/10.1088/1748-0221/12/06/C06033
- Amelchakov M.B., Barbashina N.S., Bogdanov A.G., Chiavassa A., Gromushkin D.M., Khokhlov S.S., Kindin V.V., Kokoulin R.P., Kompaniets K.G., Konovalova A.Yu., Ovchinnikov V.V., Pasyuk N.A., Petrukhin A.A., Shulzhenko I.A., Shutenko V.V., Yashin I.I., Yurin K.O. // Nucl. Instrun. Meth. A. 2022. V. 1026. P. 166184. https://doi.org/10.1016/j.nima.2021.166184
- Bogdanov A.G., Kokoulin R.P., Petrukhin A.A., Shutenko V.V., Yashin I.I., Mannocchi G., Trinchero G., Saavedra O. // Astropart. Phys. 2018. V. 98. P. 13. https://doi.org/10.1016/j.astropartphys.2018.01.003
- Petrukhin A.A. // Nucl. Instrun. Meth. A. 2014. V. 742. P. 228. https://doi.org/10.1016/j.nima.2013.12.011
Дополнительные файлы











