Устройство микромаркировки образцов на основе гравировального станка
- Authors: Шелковников Е.Ю.1, Гуляев П.В.1, Ермолин К.С.1
- 
							Affiliations: 
							- Удмуртский федеральный исследовательский центр Уральского отделения Российской академии наук
 
- Issue: No 5 (2024)
- Pages: 180-186
- Section: ЛАБОРАТОРНАЯ ТЕХНИКА
- URL: https://journal-vniispk.ru/0032-8162/article/view/285743
- DOI: https://doi.org/10.31857/S0032816224050206
- EDN: https://elibrary.ru/ERIFQW
- ID: 285743
Cite item
Full Text
Abstract
Работа относится к области контактной силовой нано- и микролитографии, применяемой для маркировки образцов и разметки участков поверхности, исследуемых с помощью микроскопов высокого разрешения. Описано устройство маркиратора, построенного на базе серийного гравировального станка Generic-CNC2418 с числовым программным управлением в G-кодах и использующего вольфрамовую иглу в качестве рабочего инструмента. Описан процесс управления приводами станка для формирования маркировки, основанный на контроле контактирования иглы с поверхностью посредством оптического микроскопа. Маркировка, получаемая с помощью таких игл, представляет собой рисунок отдельных отпечатков (паттерн) иглы. Приводы маркиратора обеспечивают точность позиционирования 10 мкм. Поперечный размер получаемых отпечатков маркировки при этом составляет 10–15 мкм. Маркиратор рекомендуется использовать для поверхностей с шероховатостью Ra не более 0.1 мкм и твердостью по Моосу не более 7.5.
Full Text
1. ВВЕДЕНИЕ
Область применения современной нанолитографии [1] постоянно расширяется. В частности, одной из новых сфер применения стало нанесение малозаметной маркировки [2–4]. Такая маркировка имеет размеры единицы или доли микрометров и может использоваться для обозначения границ исследуемых участков поверхности, например, в зондовой микроскопии. Это необходимо, чтобы при разнесенных по времени исследованиях быстрее локализовать необходимый участок в поле зрения исследовательского прибора. Поскольку такая локализация осуществляется с помощью оптико-цифровых камер, то поперечные размеры маркировки должны быть не менее нескольких микрометров. Для ее нанесения могут применяться электронно-лучевая литография [5], селективное травление [6], анодное окисление [7]. Однако эти методы помимо сложного оборудования могут потребовать специализированные помещения и персонал. Более простой в реализации является контактная литография, для которой применяются зондовые микроскопы или нанотвердомеры-инденторы [8, 9]. Однако их применение также ограничивается рядом факторов.
- Высокая стоимость оборудования и расходных материалов (особенно для наноинденторов).
- Кремниевый кантилевер зондовых микроскопов имеет недостаточную жесткость и прочность для маркировки твердых поверхностей. Кроме того, отпечатки, получаемые с помощью кантилевера, имеют поперечные размеры, затрудняющие их обнаружение с помощью оптико-цифровых камер.
В результате разработка недорогих средств нанесения маркировки, пригодных для нанесения оптически различимых меток (в том числе на образцы с высокой твердостью), является актуальной задачей.
2. АНАЛИЗ И ПОСТАНОВКА ЗАДАЧИ
Общими элементами конструкции зондовых микроскопов и нанотвердомеров, применяемых для силовой литографии, являются остроконечный инструмент (индентор, кантилевер, игла) и система позиционирования по трем координатам. Маркировка формируется из отдельных отпечатков этого инструмента, перемещаемого с помощью системы позиционирования. Поиск или разработка аналогов этих инструментов позволит решить задачу создания недорогого маркиратора образцов. Рассмотрим возможные пути решения данной задачи.
Типичный радиус закругления острия кантилевера зондового микроскопа составляет примерно 30 нм и меньше [10]. С учетом этого, а также относительно невысокой жесткости и хрупкости кантилевера получение оптически различимых отпечатков является весьма затруднительным. Радиус закругления наноиндентора составляет 100–200 нм [11]. При таких значениях отпечатки размером 10–20 мкм получаются при усилии 5 мН и глубине воздействия доли-единицы микрометров [12]. Недостатками наноинденторов являются высокая стоимость и значительные сроки поставки расходных материалов. Аналогом кантилевера и индентора нанотвердомера может являться вольфрамовая игла туннельного микроскопа, имеющая в укрупненном масштабе (без учета отдельных нановыступов) радиус закругления 100–200 нм [13]. Например, в работе [14] использовался контролируемый контакт иглы с поверхностью, который позволял формировать отпечатки 10–20 нм в диаметре. Тем не менее укрупненные размеры кончика иглы туннельного микроскопа дают основание считать, что в другом режиме контактирования иглы с поверхностью возможно формирование оптически различимых отпечатков.
Анализ систем позиционирования нанотвердомеров и зондовых микроскопов показал, что они узко ориентированы и нестандартизированы. Вместе с тем их точность и функциональность избыточна для задачи нанесения оптически различимой маркировки. В связи с этим в настоящей работе предложена система позиционирования маркиратора на базе промышленно выпускаемых систем, основанных на шаговых двигателях.
3. ОПИСАНИЕ КОНСТРУКЦИИ МАРКИРАТОРА
На рис. 1 представлен общий вид маркиратора. Он включает в себя трехосевую систему позиционирования гравировального станка CNC2418 [15] с линейными направляющими 1 для перемещения стола с образцом и иглы маркиратора 2. Блок управления 3 построен на базе платы Arduino UNO с использованием драйверов DRV8825, реализующих микрошаговый режим работы. Для перемещения используются шаговые двигатели 4 NEMA17 [16] (на рис. 1 один из трех двигателей не виден), характеристики которых представлены в табл. 1. Плавность перемещения образца при воздействии иглы, перемещаемой шаговым двигателем, обеспечивает консольная балка-демпфер 5. Образец закрепляется на конце балки на подложке из пенопропилена (двухсторонний “скотч”). Контроль подвода к образцу осуществляется посредством камеры 6 (Levenhuk DTX 90) с разрешением 3.2 Мп и оптическим увеличением ×300.
Рис. 1. Схема маркиратора: а – общий вид маркиратора, б – детальный вид узла иглы:
1– система позиционирования, 2 – игла маркиратора, 3 – блок управления шаговыми двигателями, 4 – шаговые двигатели, 5 – балка-демпфер, 6 – камера.
Таблица 1. Характеристики маркиратора
| Параметр | Значение | 
| Версия ПО | GRBL 0.9j | 
| Тип системы позиционирования | Трехосевая портальная система типа CNC2418 | 
| Шаг перемещения | 1.8° | 
| Линейная точность позиционирования | 10 мкм | 
| Крутящий момент шагового двигателя | 0.4 Нм | 
| Линейное усилие на валу | 100 Н | 
4. СИСТЕМА УПРАВЛЕНИЯ И ПРОГРАММНОЕ ОБЕСПЕЧЕНИЕ
Блок управления маркиратора работает с версией прошивки GRBL 0.9j. Управляющая программа разрабатывается в стандартных G-кодах [17] и загружается в блок управления с помощью программного обеспечения GRBL Control. Для ускорения разработки могут использоваться системы автоматизированного проектирования (САПР), например, КОМПАС 3D [18] или CIMCO Edit [19].
В представленной конфигурации маркиратора процесс перемещения имеет следующие особенности:
- перемещение контролируется устройством управления только по абсолютному уровню Z-координаты;
- перемещение носит шаговый характер, величина шага определяется двигателем и драйвером.
Для обеспечения долговечности острия необходимо:
- обеспечить усилие, которое бы существенно не превышало значений, достаточных для создания микроразмерных отпечатков;
- обеспечить плавность процесса вдавливания иглы в поверхность образца.
Решение этих задач в представленной конструкции обеспечивается следующим образом.
- Общая деформация Δlt элементов цепи вал шагового двигателя–поверхность образца (ШДО) определяется шагом двигателя. Развиваемое усилие определяется мощностью шагового двигателя и составляет десятки ньютонов (табл. 1). Эта величина является избыточной. Если же в цепи ШДО имеется упругие элементы, то усилие будет определяться законом Гука:
,
где nt – общая податливость упругих элементов цепи ШДО, Δlt – шаг двигателя. К упругим элементам маркиратора относятся балка и подложка образца из полипропилена. Общая податливость определяется выражением
,
где податливость балки nd и подложки ns можно определить по формулам [20]
, ,
где ld – длина балки; Еs, Ed – модуль Юнга подложки и балки соответственно; А – площадь подложки; J – момент инерции сечения балки; t – толщина подложки.
Для используемой в маркираторе подложки 7 × 7 × 2 мм3 из пенопропилена податливость составила ns = 0.00007 м/Н, добротность – Qs = 7.87. Податливость балки составила nd = 0.00018 м/Н, добротность – Qd = 317.31. Значения добротности выбраны исходя из целевых уровней декремента затухания 0.8 и 0.01, характерных для материалов с высоким (подложка) и низким (балка) внутренним трением. Данные параметры цепи ШДО обеспечили силу воздействия зонда на поверхность 4 мН. Порядок этой величины совпадает с порядком величины силового воздействия (2.5 мН), используемого для формирования микромаркировки в работе [12].
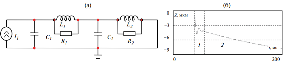
- Повышение плавности вдавливания обеспечивается демпфированием цепи ШДО. В частности, за это отвечает подложка образца из пенопропилена. Схема замещения цепи ШДО построена на системе электромеханических аналогий и представлена на рис. 2а, на котором С1 – это масса подложки, С2 – масса на конце балки; L1 = ns, L2 = nd – податливости соответственно подложки и балки; R1, R2 – механические проводимости (внутреннее трение) соответственно подложки и балки.
Рис. 2. Схема замещения цепи шаговый двигатель–образец (а) и типовой график перемещения острия (б).
Величина С2 определяется следующим образом:
где Сd – масса балки; С3 – масса образца. Расчет величины механической проводимости для каждого элемента цепи ШДО по отдельности осуществлялся согласно выражениям
, .
Типовой график перемещения поверхности образца при шаговом воздействии представлен на рис. 2б. На графике рис. 2б первоначальное резкое смещение образца (область 1) обусловлено деформацией балки, дальнейшее медленное смещение (область 2) обусловлено деформацией подложки крепления образца, имеющей низкую добротность. Чем ниже податливость балки по сравнению с податливостью подложки, тем меньше величина первоначального смещения по сравнению с последующим медленным смещением. Продолжительность воздействия составляет около 200 мс. Это значительно меньше, чем в нанотвердомерах, но значительно больше, чем при использовании только шагового двигателя без использования податливой подложки.
5. ПРИГОТОВЛЕНИЕ ИГЛЫ МАРКИРАТОРА
Для создания иглы маркиратора используется вольфрамовая проволока диаметром 1 мм. Вольфрам имеет высокую твердость (7.5 по Моосу), что позволяет маркировать достаточно широкий диапазон материалов, имеющих меньшую твердость (в частности, маркиратор успешно применялся для широко распространенных подложек из золота, слюды и пиролитического графита). Формирование острия иглы происходит в два этапа (рис. 3). Первоначально с помощью дисковой фрезы формируется профиль шейки (рис. 3а). Механическая обработка позволяет задать форму иглы с определенным углом заострения (30–60 градусов), а также ускорить процесс создания иглы. Затем выполняется электрохимическое травление заготовки [21], в результате которого происходит окончательное формирование иглы (рис. 3б). Нанесение маркировки осуществляется в два этапа. Первый этап – определение координат базовой точки отсчета, относительно которой осуществляются перемещения иглы при нанесении маркировки. Второй этап – формирование паттерна маркировки. Сначала с использованием цифровой камеры и шаговых двигателей выбираются XY-координаты базовой точки. При выборе положения ориентируются на целевой участок поверхности и макроориентиры на поверхности (выступы, углубления и т. п.). Игла при этом находится на достаточном расстоянии от образца, обеспечивающем сохранность ее кончика. Затем осуществляется подвод иглы к поверхности образца. Подвод выполняется в ручном режиме одиночными шаговыми перемещениями с контролем положения после каждого шага. Z-координата базовой точки определятся в момент касания поверхности. До момента касания между кончиком иглы и поверхностью образца наблюдается свободное пространство (рис. 4а, б). В момент касания (рис. 4в) данное пространство исчезает и может наблюдаться смещение образца. Наличие отпечатка проверяется после отвода иглы от образца (рис. 4г). Для уменьшения размера отпечатка определенная таким образом базовая Z-координата может быть скорректирована на величину 1–2 шагов шагового двигателя. Для токопроводящих образцов Z-координата базовой точки определяется в момент замыкания электрической цепи игла-образец.
Рис. 3. Изображения (увеличение × 100) иглы маркиратора: а – результат после механической обработки заготовки, б – результат после электрохимического травления заготовки.
Рис. 4. Этапы формирования отпечатка: а, б – подвод иглы к поверхности; в – момент контактирования; г – отпечаток на образце после отвода.
Рисунок маркировки наносится в автоматическом режиме. Предварительно он формируется в виде массива XY-координат точек (отпечатков). Для каждой точки из массива выполняются следующие действия:
- смещение в очередную точку массива XY-координат точек;
- подвод иглы до базовой Z-координаты;
- отвод иглы на безопасное расстояние (3–4 шага двигателя).
Результаты работы маркиратора на позолоченной подложке представлены на рис. 5. На рис. 5а приведено изображение, полученное с помощью оптического микроскопа, на рис. 5б – изображение, полученное с помощью зондового микроскопа Solver P47. Размеры отпечатков на рис. 5б сопоставимы по размерам с отпечатками, полученными с помощью нанотвердомера Nanotest 600 [12]. Глубина отпечатков при этом составила от 0.5 до 3 мкм, поэтому для их надежного распознавания рекомендуется, чтобы шероховатость окружающей поверхности Ra не превышала 0.1 мкм. Представленная на рис. 5 маркировка, кроме функции обозначения границ исследуемых областей, может выполнять защитную (вследствие уникальности отпечатка каждой иглы) и индикативную (изменение площади и глубины отпечатка по мере износа или загрязнения поверхности) функции. Например, на рис. 6 представлены два изображения, демонстрирующие снижение контрастности и площади изображения одного и того же отпечатка при загрязнении поверхности.
Рис. 5. Изображения микромаркировки на позолоченной подложке: а – изображение, полученное с помощью оптического микроскопа (увеличение ×400); б – изображение, полученное посредством зондового микроскопа.
Рис. 6. Изображения отпечатка микромаркировки: а – до загрязнения поверхности, б – после.
6. ЗАКЛЮЧЕНИЕ
Анализ дорогостоящего оборудования, применяемого для маркировки на микро и наноуровнях, показал, что для разработки более доступного по цене маркиратора возможно использовать серийно выпускаемые системы позиционирования, а также лабораторно воспроизводимые технологии создания маркировочного инструмента.
В процессе разработки получены следующие результаты.
- Показано, что применение представленного маркиратора позволяет создавать элементы маркировки, сопоставимые по поперечным размерам с элементами маркировки, создаваемыми более дорогостоящим оборудованием.
- Произведена апробация вольфрамовых игл и простой технологии их изготовления для использования в качестве инструмента маркировки.
- Обосновано применение упругих элементов для создания усилий, необходимых для получения микроразмерных отпечатков. Приведены выражения, позволяющие вести расчет параметров упругих элементов.
- Разработаны процессы управления маркиратором, позволяющие создавать элементы маркировки, достаточные для последующего обнаружения с помощью оптических систем высокого разрешения.
- Маркиратор рекомендован для использования на образцах с шероховатостью Ra не более 0.1 мкм и твердостью по Моосу не более 7.5.
About the authors
Е. Ю. Шелковников
Удмуртский федеральный исследовательский центр Уральского отделения Российской академии наук
														Email: lucac@inbox.ru
				                					                																			                												                	Russian Federation, 							426067, Ижевск, ул. им. Татьяны Барамзиной, 34						
П. В. Гуляев
Удмуртский федеральный исследовательский центр Уральского отделения Российской академии наук
							Author for correspondence.
							Email: lucac@inbox.ru
				                					                																			                												                	Russian Federation, 							426067, Ижевск, ул. им. Татьяны Барамзиной, 34						
К. С. Ермолин
Удмуртский федеральный исследовательский центр Уральского отделения Российской академии наук
														Email: ermolin@udm.ru
				                					                																			                												                	Russian Federation, 							426067, Ижевск, ул. им. Татьяны Барамзиной, 34						
References
- Xie X.N., Chung H.J., Sow C.H., Wee A.T. // Materials Science and Engineering: R: Reports. 2006. V. 54. № (1–2). P. 1. https://doi.org/10.1016/j.mser.2006.10.001
- Запороцкова И.В., Кислова Т.В. Патент РФ 2365989. Опубл. 27.08.2009. Бюл. № 24.
- Запороцкова И.В., Кислова Т.В., Горемыкина Ю.Ю., Сухарев А.Г. // Вестник Волгоградского государственного университета. Серия 10: Инновационная деятельность. 2008. № 3. С. 81.
- Кислова Т.В. // НБИ технологии. 2021. Т. 15. № 1. С. 29. https://doi.org/10.15688/NBIT.jvolsu.2021.1.4
- Hashim U., Sutikno M., Zahid Jamal Z.A. // Jurnal Nanosains & Nanoteknologi. 2008. V. 1. № 2. P. 58. https://www.researchgate.net/publication/26844332_ Preliminary_Study_of_Nanomarks_Fabrication_for_Nanomultilayers_Alignment_using_Scanning_Electron_Microscopy
- Ono Sachiko, Hidetaka Asoh. In: Noble Metals. 2012, p. 225. http://dx.doi.org/10.5772/34387
- Sugimura H., Uchida T., Kitamura N., Masuhara H. // J. Phys. Chem. 1993. V. 98. P. 4352.
- Гуляев П.В. // Компьютерная оптика. 2020. Т. 44. № 3. С. 470. https://doi.org/10.18287/2412-6179-CO-641
- Гуляев П.В., Шелковников Е.Ю. // Химическая физика и мезоскопия. 2022. Т. 24. № 1. С. 111. https://doi.org/10.15350/17270529.2022.1.10
- Кремниевые кантилеверы серии “Golden”. TipsNano, 2023. https://tipsnano.ru/upload/iblock/687/687bbc643e fa94db0cef2f93dc1e8a7f.pdf
- Gadelrab K., Chiesa M. // MRSProceedings. 2011. V. 1297. P. 53. http://dx.doi.org/10.1557/opl.2011.629
- Гуляев П. В., Шушков А. А. // Химическая физика и мезоскопия. 2022. Т. 24. № 3. С. 312. https://doi.org/10.15350/17270529.2022.3.25
- Chaika A.N., Orlova N.N., Semenov V.N., Postnova E.Y., Lazarev M.G., Chekmazov S.V., Aristov V.Y., Glebovsky V.G., Bozhko S.I., Krasnikov S.A., Shvets I.V. // Scientific Reports. 2014. V. 4. P. 3742. https://doi.org/10.1038/srep03742
- Lake R.E., Dean A., Maheswaranathan N., Lange A.P., Ray M.P., Sosolik C.E. // Rev. Sci. Instrum. 2008. V. 79. P. 013703. https://doi.org/10.1063/1.2818777
- CNC2418 – CNC engraving machine. Besomi Electronics, 2023. https://besomi.com/product/cnc2418-cnc-engraving-machine/
- Гибридные шаговые двигатели серии FL42STH NEMA 17 “Электропривод”, 2002. https://electroprivod.ru/fl42sth.htm
- Программирование. Основные G-коды. Фрезерные работы на станках с ЧПУ. Автономная некоммерческая организация “Агентство развития профессионального мастерства (Ворлдскиллс Россия)”, 2014. https://nationalteam.worldskills.ru/skills/programmirovanie-osnovnye-g-kody/
- Система трехмерного моделирования Компас 3D. ООО “АСКОН - Системы проектирования”, 2024. https://kompas.ru/kompas-3d/about/
- Редактор управляющих программ для станков с ЧПУ. CIMCO A/S | CIMCO Americas, LLC., 2024. https://www.cimco-software.ru/software/cimco-edit/overview/
- Ленк А. Электромеханические системы: Системы с распределенными параметрами. Москва: Энергоатомиздат. 1982.
- Ibe J.P., Bey P.P., Brandow S. L., et al. // J. Vac. Sci. Technol. 1990. V. 8. P. 3570. https://doi.org/10.1116/1.576509
Supplementary files
 
				
			 
					 
						 
						 
						 
						 
				
 
  
  
  Email this article
			Email this article 






