Analysis of a Passive Current-Controlled Frequency Mixer
- Authors: Korotkov A.S.1, Chan T.D.1
-
Affiliations:
- Peter the Great St. Petersburg Polytechnic University
- Issue: Vol 68, No 1 (2023)
- Pages: 83-94
- Section: NEW ELECTRONIC SYSTEMS AND ELEMENTS
- URL: https://journal-vniispk.ru/0033-8494/article/view/138041
- DOI: https://doi.org/10.31857/S0033849423010072
- EDN: https://elibrary.ru/CCZIBX
- ID: 138041
Cite item
Full Text
Abstract
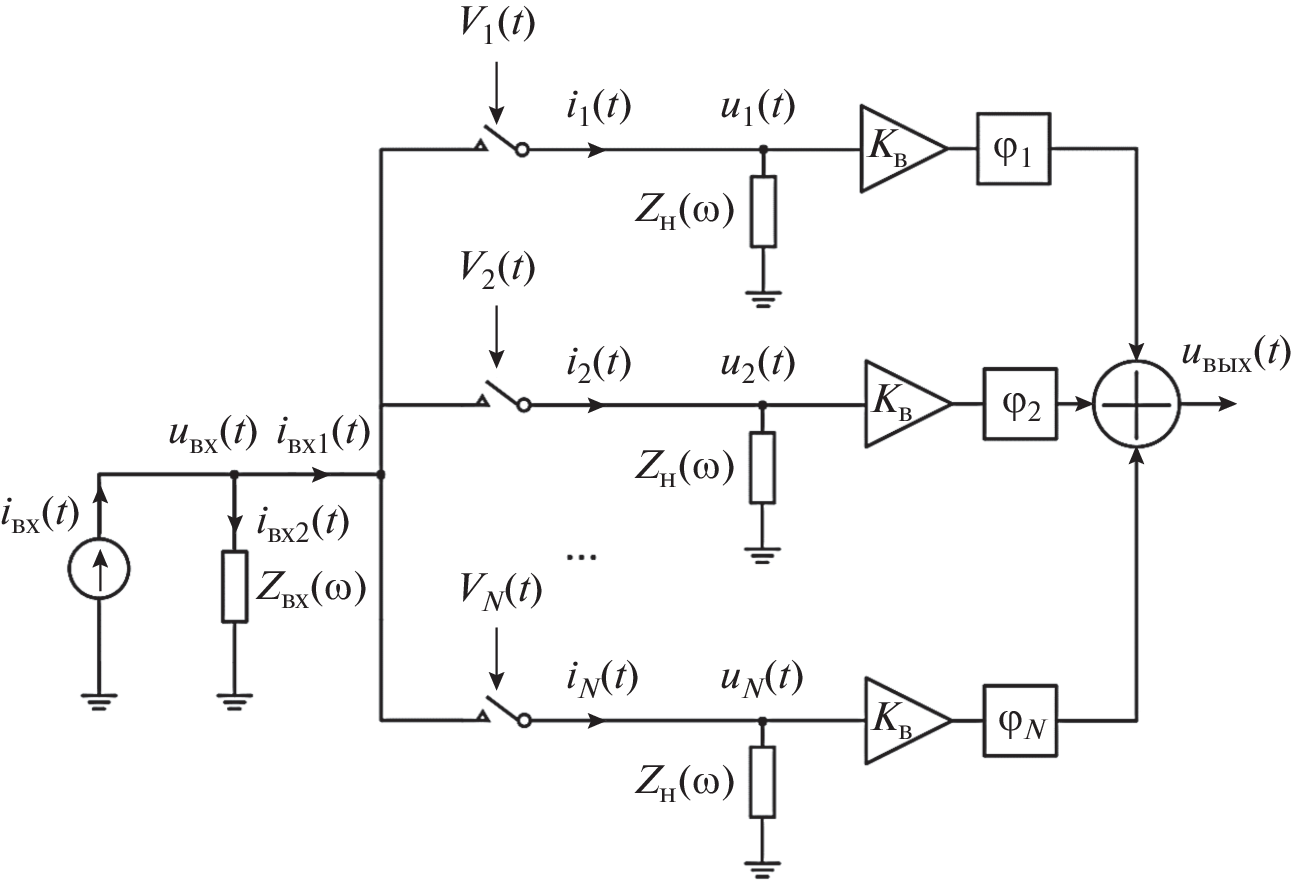
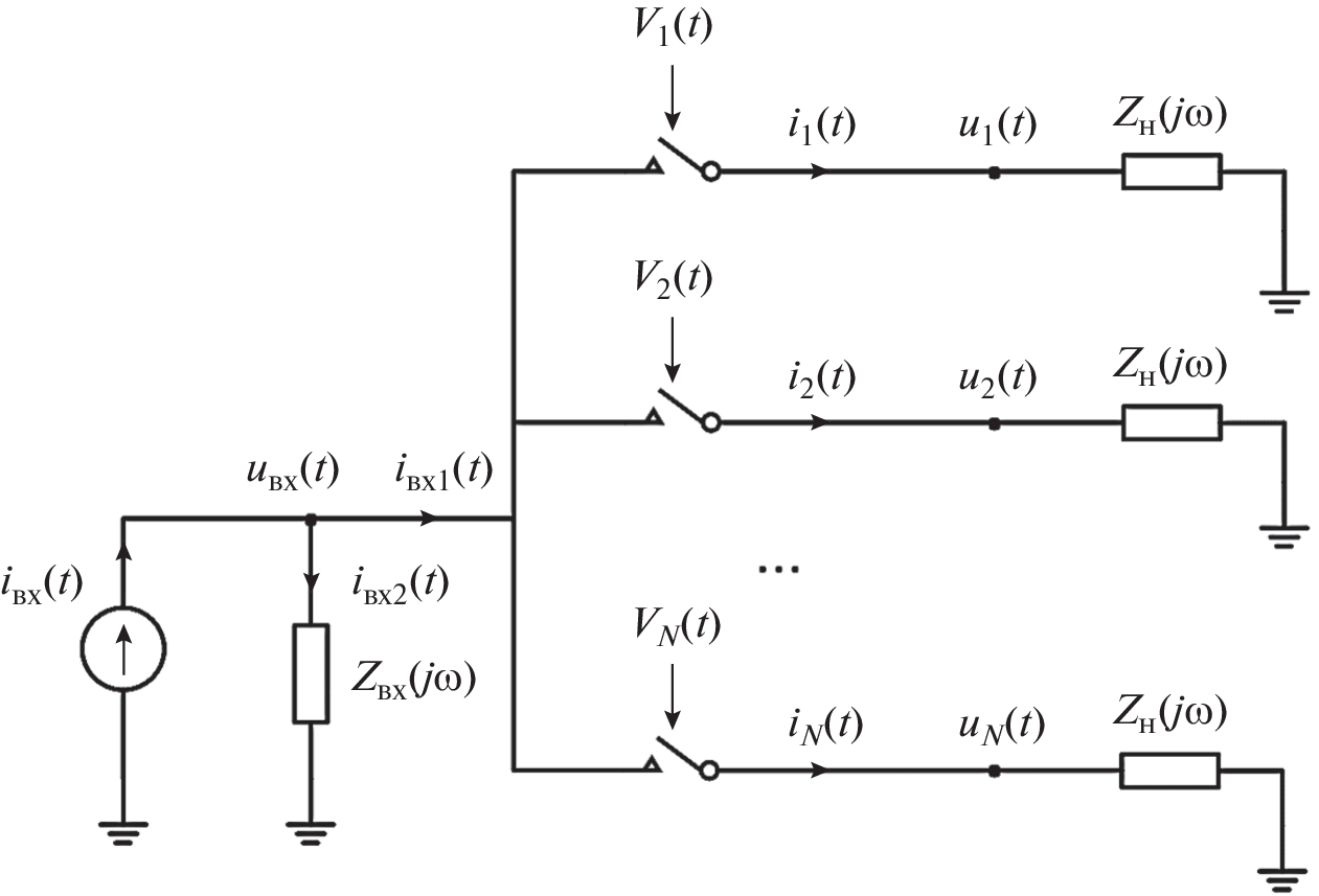
The paper presents a generalized technique for calculating a passive current-controlled frequency mixer at an arbitrary intermediate frequency, taking into account the complex input impedance of the current source and output load. The results of simulation in the Micro-Cap environment and comparison with the
calculation are presented. The frequency dependences of the transfer impedance are considered.
About the authors
A. S. Korotkov
Peter the Great St. Petersburg Polytechnic University
Email: korotkov@spbstu.ru
St. Petersburg, 195251 Russia
T. D. Chan
Peter the Great St. Petersburg Polytechnic University
Author for correspondence.
Email: korotkov@spbstu.ru
St. Petersburg, 195251 Russia
References
- Lin F., Mak P. I., Martins R.P. // IEEE Circuits and Systems Magazine. 2015. V. 15. № 1. P. 12.
- Дроздов А.В., Дроботун Н.Б., Гошин Г.Г., Хорошилов Е.В. // Докл. Томск. гос. ун-та систем управления и радиоэлектроники. Т. 20. № 1. С. 23.
- Аверина Л.И., Бобрешов А.М., Шапошникова Ж.В. // Физика волновых процессов и радиотехнические системы. 2010. Т. 13. № 4. С. 51.
- Коколов А.А., Помазанов А.В., Шеерман Ф.И. и др. // Тр. XV Межд. научн.-практ. конф. “Электронные средства и системы управления”. Томск. 20–22 ноября 2019. Томск: В-Спектр. 2019. Т. 1. С. 60.
- Романюк В.А., Аунг Б.Б.Х. // Изв. вузов. Электроника. 2012. № 4. С. 60.
- Коротков А.С. // Микроэлектроника. 2011. Т. 40. № 2. С. 140.
- Darabi H., Abidi A. // IEEE J. Solid-State Circuits. 2000. V. 35. № 1. P. 15.
- Mirzaei A., Darabi H., Leete J. et al. // IEEE Trans. 2010. V. CS-I-57. № 9. P. 2353.
- Wu C.Y., Chen Y.T., Liao Y.T. // IEEE Access. 2021. V. 9. P. 94203.
- Krishnamurthy S., Niknejad A.M. // IEEE Radio Frequency Integrated Circuits Symp. Los Angeles. 4–6 Aug. N.Y.: IEEE, 2020. P. 275.
- Bae S., Kim D., Kim D. et al. // IEEE Trans. 2021. V. CS-I-68. № 2. P. 892.
- Mirzaei A., Darabi H. // IEEE Trans. 2011. V. CS-I-58. № 5. P. 879.
- Soer M.C.M., Klumperink E.A.M., de Boer P. et al. // IEEE Trans. 2010. V. CS-I-57. № 10. P. 2618.
- Коротков А.С. // Микроэлектроника. 2006. Т. 35. № 4. С. 321.
- Kenneth S.M. // Mathematics Magazine. 1981. V. 54. № 2. P. 67.
Supplementary files









