Microwave Radiometric System in Problems of Forecasting Hazardous Atmospheric Phenomena
- Authors: Shchukin G.G.1,2, Fedoseeva E.V.1, Bulkin V.V.1, Rostokin I.N.1
-
Affiliations:
- Stoletovs Murom Institute, Vladimir State University
- Mozhaisky Military Space Academy
- Issue: Vol 68, No 6 (2023)
- Pages: 598-607
- Section: К 85-ЛЕТИЮ ДМИТРИЯ СЕРГЕЕВИЧА ЛУКИНА
- URL: https://journal-vniispk.ru/0033-8494/article/view/138270
- DOI: https://doi.org/10.31857/S003384942306013X
- EDN: https://elibrary.ru/XNBVMZ
- ID: 138270
Cite item
Full Text
Abstract
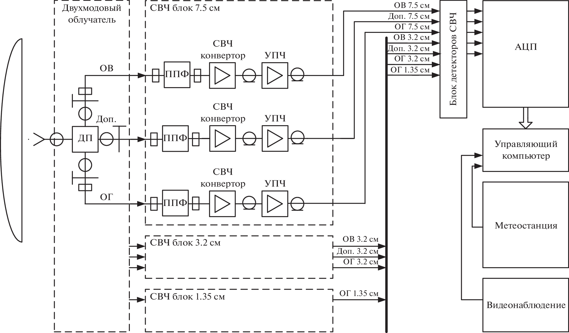
The main directions of improving radiometric microwave systems for solving problems of ultrashort-term forecasting of the development of adverse and dangerous atmospheric weather phenomena are shown, which consist in solving problems of compensating for the influence of background noise, digital processing of output signals, and including radio-photonic paths and a neural network in the system. The results of correlation processing of data from remote sensing of the surface layer of an inhomogeneous atmosphere in three frequency ranges are presented.
About the authors
G. G. Shchukin
Stoletovs Murom Institute, Vladimir State University; Mozhaisky Military Space Academy
Email: elenafedoseeva@yandex.ru
Murom, 602264 Russia; St. Petersburg, 197198 Russia
E. V. Fedoseeva
Stoletovs Murom Institute, Vladimir State University
Email: elenafedoseeva@yandex.ru
Murom, 602264 Russia
V. V. Bulkin
Stoletovs Murom Institute, Vladimir State University
Email: elenafedoseeva@yandex.ru
Murom, 602264 Russia
I. N. Rostokin
Stoletovs Murom Institute, Vladimir State University
Author for correspondence.
Email: elenafedoseeva@yandex.ru
Murom, 602264 Russia
References
- Степаненко В.Д., Щукин Г.Г., Бобылев Л.П., Матросов С.Ю. Радиотеплолокация в метеорологии. Л.: Гидрометеоиздат, 1987.
- Кутуза Б.Г., Яковлев О.И., Данилычев М.В. Спутниковый мониторинг Земли: Микроволновая радиометрия атмосферы и поверхности. Монография. М.: Ленанд, 2016.
- Кадыгров Е.Н. Микроволновая радиометрия термической стратификации атмосферы. М., 2020.
- Cimini D., Nelson M., Guldner J., Ware R. // Atmos. Meas. Tech. 2015. V. 8. P. 315.
- Westwater E.R., Crewell S., Matzler C. // IEEE Geos. Rem. Sens. Soc. Newsletter. 2005. P. 16.
- Щукин Г.Г., Булкин В.В., Федосеева Е.В., Ростокин И.Н. // Радиотехн. и телекоммуникац. системы. 2022. № 4. С. 5.
- Фалин В.В. Радиометрические системы СВЧ. М.: Луч, 1997.
- Фалин В.В., Костров В.В., Николаев В.А., Гинеотис С.П. // Тез. докл. XIV Всесоюз. конф. по распространению радиоволн. Ленинград, 1984. М.: Наука, 1984. С. 24.
- Щукин Г.Г., Булкин В.В. // РЭ. 2011. Т. 56. № 5. С. 549.
- Гинеотис С.П., Фалин В.В., Костров В.В. и др.// Тр. VII Всесоюз. совещ. Радиометеорология. Л.: Гидрометеоиздат, 1989. С. 122.
- Фалин В.В., Первушин Р.В., Щукин Г.Г. и др. // Труды ГГО. 1991. Вып. 535. С. 61.
- Федосеева Е.В., Щукин Г.Г. Вопросы метрологического обеспечения радиотеплолокационных измерений в условиях действия внешних шумовых помех. Муром: ИИПЦ МИ ВлГУ, 2012.
- Булкин В.В., Щукин Г.Г., Федосеева Е.В., Ростокин И.Н. // Матер. Всерос. откр. науч. конф. “Современные проблемы дистанционного зондирования, радиолокации, распространения и дифракции волн”. Муром: МИ ВлГУ, 2022. С. 7. https://doi.org/10.24412/2304-0297-2022-1-7-20
- Щукин Г.Г., Булкин В.В., Федосеева Е.В., Ростокин И.Н. // Радиотехн. и телекоммуникац. системы. 2022. № 2. С. 5. https://doi.org/10.24412/2221-2574-2022-2-5-19
- Щукин Г.Г., Булкин В.В., Федосеева Е.В., Ростокин И.Н. // Радиотехн. и телекоммуникац. системы. 2022. № 3. С. 5. https://doi.org/10.24412/2221-2574-2022-2-5-19
- Булкин В.В. // Радиотехн. и телекоммуникац. системы. 2014. № 1. С. 73.
- Ростокин И.Н., Федосеева Е.В., Федосеев А.А. // Радиотехн. и телекоммуникац. системы. 2015. № 1. С. 5.
- Федосеева Е.В., Ростокин И.Н. // Труды ГГО. 2010. Вып. 562. С. 243.
- Федосеева Е.В., Ростокина Е.А., Ростокин И.Н. Способ снижения уровня шума антенны и двухмодовая апертурная антенна // Пат. РФ на изобр. № 2300831. Опубл. офиц. бюл. “Изобретения. Полезные модели” № 16 от 10.06.2007.
- Федосеева Е.В. Радиометрическая система с компенсацией аддитивных внешних фоновых помех // Патент на полезную модель № 91630. Опубл. офиц. бюл. “Изобретения. Полезные модели” № 5 от 20.02.2010.
- Ростокин И.Н., Федосеева Е.В., Щукин Г.Г., Ростокина Е.А. // Радиотехн. и телекоммуникац. системы. 2017. № 1. С. 3.
- Ростокин И.Н., Федосеева Е.В., Ростокина Е.А., Щукин Г.Г. // Тр. Военно-космической академии имени А.Ф. Можайского. Вып. 680. СПб., 2022. С. 291.
- Каряев В.В., Ростокин И.Н., Федосеева Е.В., Ростокина Е.А. // Радиотехн.и телекоммуникац. системы. 2020. № 4. С. 5.
- Федосеева Е.В., Щукин Г.Г. // Научный вестник МГТУ ГА. Вып. 186. С. 58.
- Ростокин И.Н., Федосеева Е.В., Ростокина Е.А. // Вестн. Концерна ВКО “Алмаз-Антей”. 2017. № 1. С. 60.
- Ростокин И.Н., Федосеева Е.В. // Радиотехн. и телекоммуникац. системы. 2015. № 1. С. 2.
- Ростокин И.Н., Федосеева Е.В., Щукин Г.Г., Ростокина Е.А. // Радиотехн. и телекоммуникац. системы. 2017. № 1. С. 3.
- Федосеева Е.В., Ростокин И.Н., Щукин Г.Г. // Метеорология и гидрология. 2022. № 12. С. 78.
- Rostokin I.N., Fedoseeva E.V., Shchukin G.G., Kholodov I.Y. Physics of the Atmosphere, Climatology and Environmental Monitoring / Eds. by Zakinyan A., Zakinyan R. Cham: Springer, 2023. P. 141.
- Rostokin I.N., Fedoseeva E.V., Rostokina E.A., Shchukin G.G. // J. Phys.: Conf. Ser. 2022. V. 2388. № 1. P. 012087.
Supplementary files










