Cryogenic bipolar low noise dc amplifier for low frequency applications
- Authors: Novikov I.L.1, Vol’khin D.I.1, Vostretsov A.G.1,2,3
-
Affiliations:
- Novosibirsk State Technical University
- Federal State Budgetary Institution of Science
- Institute of Mining named after. N. A. Chinakala Siberian Branch of the Russian Academy of Sciences
- Issue: Vol 69, No 1 (2024)
- Pages: 88-98
- Section: NEW ELECTRONIC SYSTEMS AND ELEMENTS
- URL: https://journal-vniispk.ru/0033-8494/article/view/259730
- DOI: https://doi.org/10.31857/S0033849424010078
- EDN: https://elibrary.ru/KZSOZZ
- ID: 259730
Cite item
Full Text
Abstract
A low-noise bipolar differential dc amplifier was studied at temperatures of 300 and 77 K. It was shown that to ensure the best amplifier performance in terms of noise figure when the operating temperature decreases from 300 to 77 K, it is advisable to use the transistor in the mode of low currents not exceeding 2 mA. It has been established that lowering the operating temperature to 77 K leads to a decrease in the input resistance of the amplifier from a value of several kiloohms to 100 Ohms, the dynamic range increases from 80 to 85 dB, and the harmonic coefficient increases from 0.09% to 1%. In addition, lowering the operating temperature to 77 K has a significant effect on the noise properties of the amplifier: the spectral density of voltage noise decreases from 1 to 0.4 nV/Hz1/2, the spectral density of current noise increases from 2.5 to 9 pA/Hz1/2, while also The threshold frequencies of 1/f noise increase: for voltage from (0.1...10) to 20 Hz and for current from (10...100) to 1000 Hz. The possibility of using an amplifier for low-temperature measurements of samples with low input resistance is substantiated.
Full Text
ВВЕДЕНИЕ
Малошумящие усилители постоянного тока широко используются в различных областях исследований, где требуются измерения слабого сигнала на низких частотах: детектирование инфракрасного излучения, дефектоскопия, медицина, измерение параметров электронных устройств [1–6]. Характеристики таких усилителей и систем считывания на их основе зависят от характеристик транзисторов и конструкции усилителей. Доступность современного криогенного оборудования открыла большие возможности для изучения свойств различных материалов и структур при низких (<100 К) и сверхнизких температурах (<1 К). Однако все исследования, для которых необходимо охлаждение образцов, требуют решения вопроса с задающей и измерительной системами. В большинстве случаев современные задающая и считывающая системы основаны на полупроводниковой электронике, место расположения которой отделено от образца значительными расстояниями и рабочая температура которой сильно отличается от рабочей температуры образца. Эти обстоятельства влияют на результаты измерений и ограничивают предельную чувствительность. По этой причине с появлением первых систем охлаждения предпринимались попытки создания криогенных считывающих систем, расположенных вблизи исследуемых образцов.
Как известно, при построении малошумящих и сверхмалошумящих усилителей для низкочастотных измерений используются полевые и биполярные транзисторы [7, 8]. Обе эти технологии подходят и для криогенных применений [9, 10].Для усилителей постоянного тока существенной характеристикой является уровень фликкершума. В этом плане наиболее перспективны усилители, построенные на биполярных кремниевых транзисторах, у которых пороговая частота 1/f шума зачастую на несколько порядков ниже аналогичной частоты сопряжения полевых транзисторов. Кремниевая биполярная технология имеет относительно высокую рабочую криогенную температуру с пределом порядка 50 К, что связано с существенным уменьшением носителей заряда вследствие эффекта вымораживания. Тем не менее она остается актуальной для создания считывающих систем, требующих низких частот, потому что обладает наименьшим значением фликкер-шума среди всех микроэлектронных технологий.
Постоянное улучшение кремниевой биполярной технологии приводит к изменению рабочих характеристик транзисторов как при комнатных, так и при криогенных температурах, при этом устаревшие компоненты перестают производить, делая невозможным изготовление низкочастотных усилителей на ранее исследованных транзисторах. По этой причине исследование свойств криогенных усилителей, построенных на современной элементной базе, остается актуальной задачей.
Ранее авторами были получены [11, 12] основные характеристики для усилителей, построенных на биполярных коммерчески доступных транзисторах и работающих в однотактном режиме как в нормальных условиях, так и при криогенных температурах.
Данная работа является дальнейшим развитием работ [11, 12]. В частности, приводятся результаты экспериментального исследования малошумящего усилителя постоянного тока, работающего в дифференциальном режиме при нормальных (300 К) и криогенных (77 К) температурах. Экспериментально полученные характеристики дифференциального усилителя включают в себя амплитудно-частотную характеристику (АЧХ), спектральные плотности шумов тока и напряжения, а также динамический диапазон и коэффициент гармоник при различных рабочих токах коллектора для указанных температур.
Последние две характеристики как для криогенных, так и для традиционных малошумящих усилителей ранее не исследовались (литература по данному вопросу нами практически не найдена). Обусловлено это, видимо, тем, что такие усилители обычно предназначены для работы в режиме малого сигнала, т.е. предполагается, что линейный режим усилителя будет обеспечен автоматически. Однако некоторые применения такого усилителя, особенно в условиях низких температур, могут привести к выводу его из линейного режима. В этом случае данные параметры представляют значительный интерес.
1. ДИЗАЙН УСИЛИТЕЛЯ И СХЕМЫ ИЗМЕРЕНИЙ
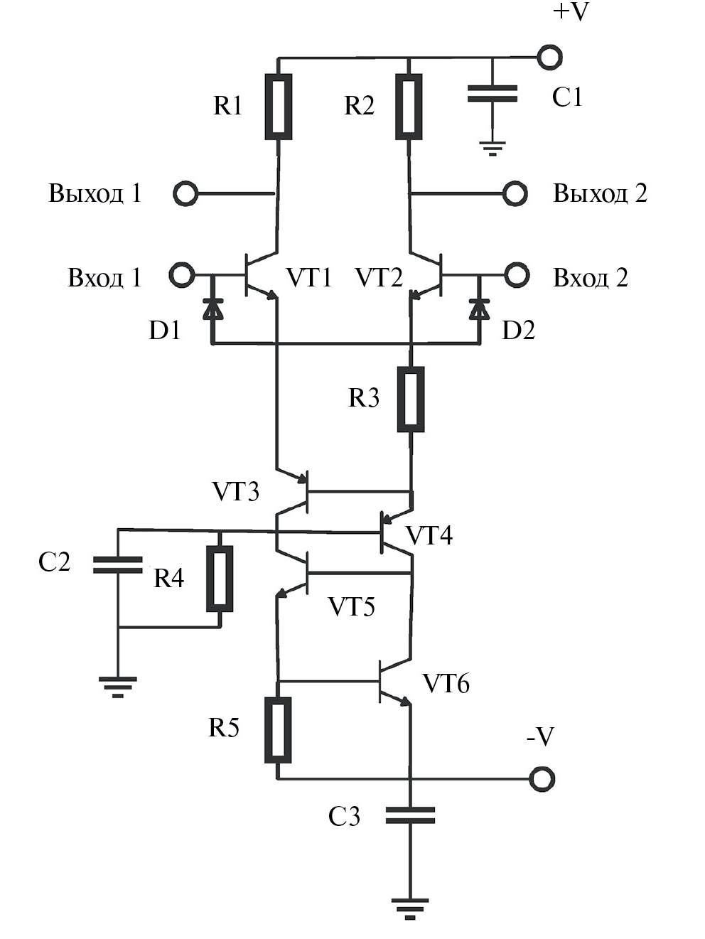
В исследуемом экспериментальном образце усилителя постоянного тока использован тот же тип схемы, что и в работе [11]. Схема (рис. 1) представляет собой дифференциальный каскад, выполненный на двух коммерчески доступных биполярных кремниевых малошумящих транзисторах SSM2212 (транзисторы VT1 и VT2 с защитными диодами D1, D2) и встроенный источник стабильного тока на транзисторах SSM2220 и SSM2212 (соответственно транзисторы VT3, VT4 и VT5, VT6).
Особенностью схемы является только то, что базовые клеммы обоих транзисторов не заземлены. В качестве источника питания использован биполярный источник напряжения. Встроенный источник тока задает рабочий коллекторный ток усилителя.
Экспериментальный образец усилителя смонтирован на печатной плате, помещенной в металлический корпус. Все разъемы коаксиальные, что позволяет использовать коаксиальные кабели с высоким коэффициентом подавления внешних помех.
В конструкции использованы конденсаторы и резисторы со следующими значениями сопротивления и емкости: R1 = R2 = 2.7 кОм, R4 = 560 кОм, С1, С3 = 470 нФ, С2 = 1 нФ. Тип резисторов – тонкопленочные mini-MELF, тип керамических конденсаторов – C0G. Все пассивные элементы были протестированы при криогенных температурах. Уход номиналов пассивных элементов при 77 К не превышал 1%.
В качестве источника питания были использованы литий-ионные аккумуляторы, помещенные в металлический корпус, с напряжением ±11.7 В.
Все измерения проводили при температурах 300 и 77 К с использованием анализатора спектра динамического сигнала SR780. Значения коллекторного тока усилителя обеспечивались соответствующим выбором и установкой резисторов R3 и R5 в цепи встроенного источника тока (см. рис. 1). Значения сопротивлений данных резисторов изменялись в диапазоне от 2.2 кОм (минимальный рабочий ток) до 330 Ом (максимальный рабочий ток).
Рис. 1. Схема малошумящего усилителя постоянного тока.
1.1. Коэффициент усиления
Для измерения коэффициента усиления усилителя использовали схемы измерений для двух типов входных цепей усилителя:
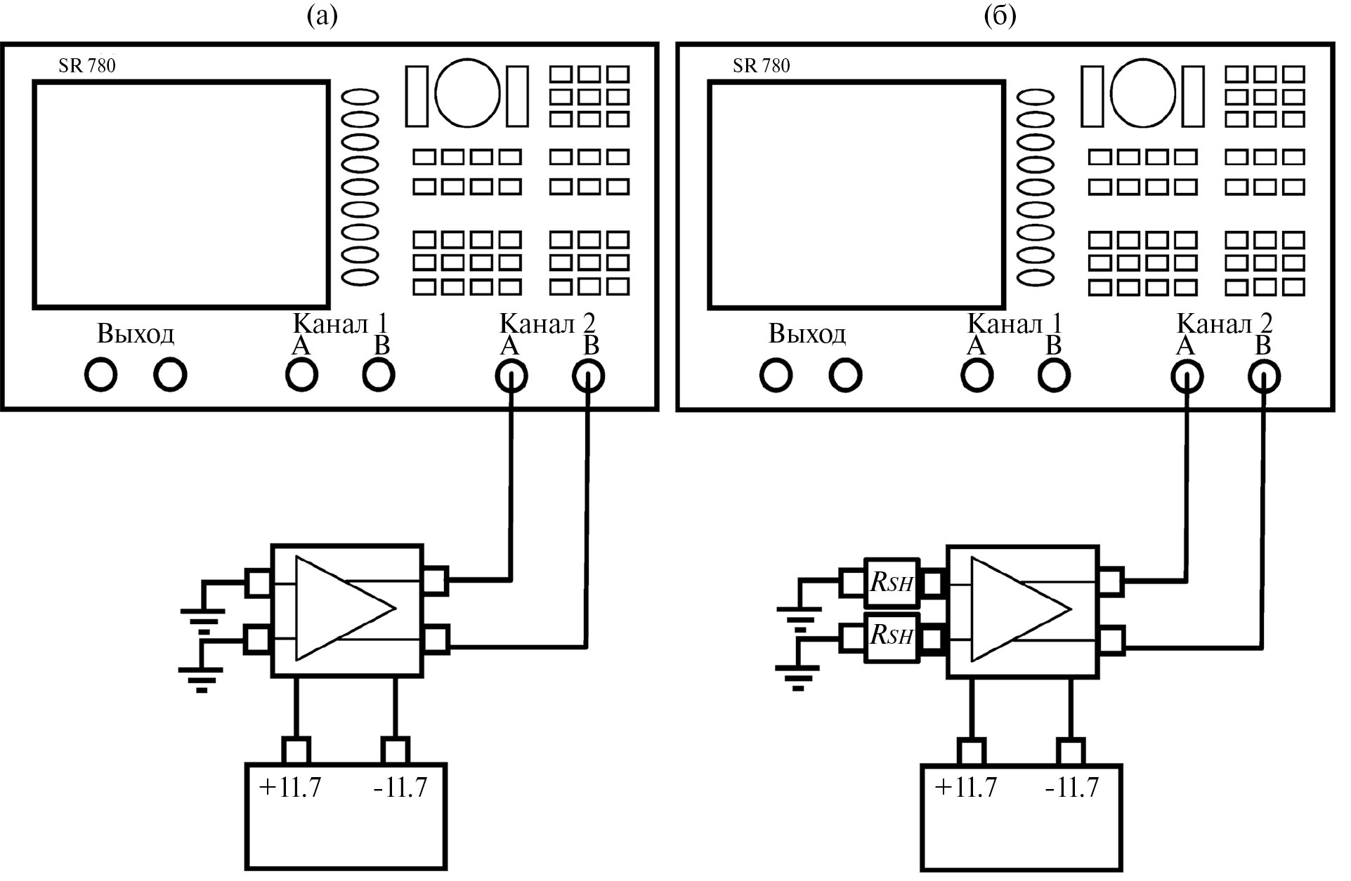
1-й тип – без добавочных резисторов на входах усилителя (рис. 2а),
2-й тип – с добавочными последовательно включенными резисторами RSH на каждом входе усилителя (рис. 2б).
Рис. 2. Схемы измерения коэффициента усиления: а – без шунтирующего резистора для измерения шума напряжения, б – с шунтирующим резистором для измерения шума тока (источник питания дифференциального выходного буфера DIFFOUT не показан).
В соответствии с этими схемами измеряли АЧХ усилителя. В ходе измерений амплитуда входного гармонического сигнала устанавливалась равной 2 мВ. Для реализации преобразования выходного сигнала в дифференциальный был использован дифференциальный выходной буфер DIFFOUT с коэффициентом усиления, равным единице, и полосой пропускания более 1 МГц.
Коэффициент усиления G0, полученный при реализации 1-го типа входных цепей использовался для расчета приведенного ко входу шума напряжения усилителя. Коэффициент усиления, полученный при реализации 2-го типа входных цепей, использовался для расчета приведенного ко входу шума тока усилителя. Значения сопротивлений добавочных резисторов RSH составляли величину 10 кОм.
Измерение значений тока коллекторов осуществлялось косвенным методом – путем измерения напряжений на резисторах R1 и R2 в цепях коллекторов (см. рис. 1). Измерения при 77 К выполнялись следующим образом: усилитель помещали в сосуд Дьюара, наполненный жидким азотом. После завершения процесса охлаждения усилителя выходное напряжение усилителя измеряли непосредственно между центральным проводником выходного коаксиального кабеля и положительной клеммой батареи питания.
1.2. Измерение спектральной плотности шума, коэффициента гармоник и динамического диапазона усилителя
Схемы измерения спектральной плотности шума напряжения и тока показаны на рис. 3. Для измерения спектральной плотности шума напряжения и тока использовали соответственно 1-й и 2-й тип входных цепей усилителя, замкнутых на «землю» (рис. 3а и 3б).
Рис. 3. Схемы измерения напряжения (а) и тока (б) спектральной плотности шума.
Для измерения коэффициента гармоник использовалась схема, представленная на рис. 3а. При этом анализатор спектра динамического сигнала переводили в режим анализатора спектра с внутренним генератором входного гармонического сигнала. Использовали гармонический сигнал с частотой 1 кГц и амплитудой Uвх, изменяющейся в диапазоне от 1 мВ до значения Umax (выбор величины Umax поясняется ниже). В процессе измерения для каждой амплитуды входного сигнала в полосе частот до 100 кГц фиксировалось N = 99 отсчетов i = 1…N, спектральной плотности напряжения. На основе полученных отсчетов был рассчитан коэффициент гармоник Kг
(1)
Значение Umax было выбрано равным амплитуде генератора, вызывающей сплошное заполнение спектра всеми гармониками в данном частотном диапазоне.
Для определения динамического диапазона D также использовали спектральные плотности шума напряжения в диапазоне до 100 кГц при различных амплитудах генератора. В этом случае динамический диапазон рассчитывали следующим образом:
(2)
где Uшум – среднеквадратическое значение шумового напряжения,
(3)
NΣ – общее число отсчетов спектральной плотности напряжения шума в заданном частотном диапазоне, – шаг дискретизации по частоте.
2. ЭКСПЕРИМЕНТАЛЬНЫЕ РЕЗУЛЬТАТЫ
На рис. 4–8 приведены полученные экспериментально зависимости параметров усилителя постоянного тока от тока коллектора при температурах 300 и 77 К.
Рис. 4. Зависимости коэффициентов усиления усилителя от тока коллектора при 300 К (а) и 77 К (б).
На рис. 4 показаны зависимости коэффициентов усиления GR и G0, соответственно, при наличии добавочного резистора (RSH = 10 кОм) на входе усилителя и в его отсутствие (RSH = 0) от тока коллектора на частоте 2 кГц. Из рис. 4 видно, что коэффициент усиления G0 усилителя с увеличением тока коллектора растет быстрее, чем коэффициент усиления GR. Значения ширины полосы пропускания усилителя при температурах 300 и 77 К и различных токах коллектора приведены в табл. 1.
Таблица 1. Полоса пропускания усилителя при различных значениях тока коллектора
при температуре 300 и 77 К
Тип входной цепи усилителя | Ток коллектора, мА | Полоса пропускания, кГц |
Т = 300 К | ||
Без добавочного резистора RSH | 0.25 | ≥100 |
0.31 | ||
0.41 | ||
0.55 | ||
0.61 | ||
0.67 | ||
0.85 | ||
1 | ||
1.5 | ||
1.78 | ||
2.70 | ||
С добавочным резистором RSH | 0.25 | 15.2 |
0.31 | 19.8 | |
0.41 | 21.8 | |
0.54 | 27.4 | |
0.61 | 30.1 | |
0.67 | 34.1 | |
0.84 | 36.2 | |
1 | 37.9 | |
1.5 | 43.3 | |
1.78 | 49.5 | |
2.72 | 54.5 | |
Т = 77 К | ||
Оба типа входной цепи | 0.46 | ≥100 |
0.56 | ||
0.72 | ||
0.95 | ||
1.07 | ||
1.49 | ||
1.75 | ||
2.6 | ||
3.09 | ||
Из таблицы видно, что при 77 К ширина полосы пропускания усилителя составляет величину более 100 кГц и не зависит от тока коллектора и наличия добавочного резистора на входе усилителя. В то же время при температуре 300 К наличие шунтирующего резистора приводит к изменению ширины полосы пропускания от величины коллекторного тока и существенно сужает полосу пропускания. Результаты измерения спектральных плотностей шумов напряжения и тока усилителя при минимальных (Iк ₘᵢₙ) и максимальных (Iк ₘₐₓ) токах коллектора и температурах 300 и 77 К показаны на рис. 5.
Рис. 5. Спектральные плотности шума напряжения (а,б) и тока (в,г) при минимальном (1) и максимальном (2) токах коллектора: а, в – T = 300 К, Iк ₘᵢₙ = 0.25 мА, Iк ₘₐₓ = 1.78 мА; б, г – T = 77 К, Iк ₘᵢₙ = 0.46 мА, Iк ₘₐₓ = 3.1 мА.
Измерения проводили в диапазоне частот от 0.25 Гц до 102.4 кГц. Согласно представленным на рис. 5 данным, паразитные пики на спектрах шума напряжения, связанные с внешними помехами, заметны в низкочастотной области, с максимумом на частотах 50…300 Гц. Основной вклад в эти пики вносят паразитные наводки сигнала промышленной сети частотой 50 Гц и его гармоники.
Из полученных шумовых характеристик был рассчитан коэффициент шума NF усилителя в зависимости от рабочего тока и сопротивления источника. Согласно [13] коэффициент шума равен
(4)
где SVR – спектральная плотность шума напряжения сопротивления источника входного сигнала RS; SV – спектральная плотность шума напряжения усилителя, приведенная ко входу, SI – спектральная плотность шума тока усилителя, приведенная ко входу.
На рис. 6 представлена зависимость коэффициента шума от сопротивления источника при разных токах коллектора при температуре 77 К.
Рис. 6. Зависимость коэффициента шума усилителя от сопротивления источника при T = 77 К и различных токах коллектора: 0.46 (1), 0.56 (2), 0.72 (3), 0.95 (4), 1.07 (5), 1.49 (6), 1.8 (7), 2.6 (8) и 3.1 мА (9).
Видно, что уровень коэффициента шума увеличивается с ростом тока усилителя при фиксированном значении сопротивления источника входного сигнала.
Рис. 7. Зависимость коэффициента гармоник (а) и динамического диапазона усилителя (б) от тока коллектора при T = 300 (1) и 77 К (2).
На рис. 7а, 7б показаны зависимости коэффициента гармоник и динамического диапазона усилителя от величины тока коллектора при температурах 300 и 77 К.
Измерение коэффициента гармоник проводилось при амплитуде 5 мВ напряжения входного гармонического сигнала. Из рис. 7а видно, что с ростом коллекторного тока величина коэффициента гармоник уменьшается, при этом охлаждение усилителя до 77 К почти на порядок повышает коэффициент гармоник по сравнению с его значением при 300 К. Что касается динамического диапазона (рис. 7б), то при увеличении коллекторного тока динамический диапазон усилителя увеличивается, а охлаждение усилителя до 77 К приводит к его расширению на величину порядка 5 дБ.
Дополнительно был оценен модуль комплексного входного сопротивления усилителя Zвх. Добавочный резистор RSH и комплексное входное сопротивление усилителя Zвх образуют делитель напряжения с коэффициентом деления, равным отношению G0 /GR. Модуль комплексного входного сопротивления усилителя в этом случае равен
(5)
Зависимость модуля комплексного входного сопротивления усилителя от тока коллектора (рис. 8) показывает, что входное сопротивление при охлаждении усилителя до температуры 77 К значительно уменьшается с увеличением тока коллектора – примерно с 500 до 75 Ом.
Рис. 8. Зависимость модуля комплексного входного сопротивления усилителя от тока коллектора при T = 300 (1) и 77 К (2).
Такое поведение входного сопротивления указывает на возможность использования усилителя только в цепях с низким выходным сопротивлением, таких как измерения сверхпроводящих квантовых интерференционных детекторов (СКВИДов), или контактов Джозефсона.
3. ОБСУЖДЕНИЕ РЕЗУЛЬТАТОВ
Характеристики малошумящего усилителя постоянного тока на основе коммерческих биполярных транзисторов при его охлаждении показали изменение свойств полупроводниковых приборов, а именно значительное увеличение тока базы из-за эффекта вымораживания носителей заряда и связанное с таким увеличением падение входного сопротивления усилителя, и рост входного шума тока [12].
Результаты измерений спектральных плотностей шума напряжения усилителя показали значительное снижение уровня шума с 1 нВ/Гц1/2 до уровня менее 0.4 нВ/Гц1/2 на частоте 10 кГц и увеличение пороговой частоты фликкершума с 10 до 20 Гц при 77 К. Результаты измерений спектральных плотностей шума тока показали значительное увеличение уровня шума, до 9 пА/ Гц1/2 при 10 кГц, а пороговая частота фликкер-шума увеличивается до 1 кГц при 77 К. Уровни шума напряжения имеют те же значения, что и сообщалось авторами для дифференциального усилителя с заземлением одного из его плеч [11], но уровни шума тока примерно в раз превышают значения, полученные в [11], что характерно для дифференциального усилителя. Значительное изменение уровня шума тока усилителя с охлаждением указывает на сильное падение коэффициента усиления по току транзисторов. Изменение спектра шума тока также указывает на то, что температура оказывает значительное влияние на характер протекания тока через транзисторную структуру [12].
Коэффициент шума сильно зависит от сопротивления источника, подключаемого ко входу усилителя при охлаждении. При малых рабочих токах усилителя коэффициент шума имеет минимум при больших значениях сопротивления источника. При повышении рабочего тока минимум коэффициента шума смещается в сторону малого значения сопротивления источника, показывая преобладание шума тока усилителя. Абсолютная величина коэффициента шума увеличивается с ростом рабочего тока усилителя. Такое поведение также показывает преобладание шума тока усилителя над шумом напряжения. Оптимальное значение сопротивления источника для данного усилителя при Т = 77 К находится в диапазоне 40…130 Ом, что указывает на использование данного устройства для измерений преимущественно низкоомных образцов. Рабочий ток усилителя, работающего при температуре 77 К, целесообразно задавать на уровне не выше 2 мА.
Динамический диапазон и коэффициент гармоник также изменяются при охлаждении. Динамический диапазон увеличивается с 80 дБ при 300 К до 85 дБ при 77 К. Такое поведение динамического диапазона можно объяснить падением уровня шума напряжения при 77 К. Коэффициент гармоник увеличивается с 0.09% при 300 К до 1% при 77 К, что можно объяснить изменением формы входной вольт-амперной характеристики транзисторов при их охлаждении, в частности, изменением ее крутизны [12].
Кроме того, динамический диапазон и коэффициент гармоник зависят от величины коллекторного тока усилителя. Динамический диапазон усилителя увеличивается при увеличении тока, так как уровень шума напряжения снижается в представленном диапазоне. Коэффициент гармоник уменьшается при увеличении тока, поскольку нелинейность входной вольт-амперной характеристики транзистора уменьшается при возрастании тока коллектора.
Модуль комплексного входного сопротивления усилителя значительно падает – с десятков килоом при 300 К до величин порядка 100 Ом при 77 К. Такое поведение входного сопротивления указывает на то, что усилитель можно использовать только для измерений образцов с низким сопротивлением, таких как СКВИДы, или контакты Джозефсона.
Результаты сравнения различных низкочастотных малошумящих усилителей на биполярных транзисторах представлены в табл. 2.
Таблица 2. Сравнительные характеристики шумовых параметров усилителей по опубликованным данным и результатам настоящей работы
Шум напряжения*, нВ/Гц½ | Шум тока*, пА/Гц½ | Частота 1/f шума напряжения, Гц | Частота 1/f шума тока, Гц | Тип транзистора | Количество пар | Ссылка |
Т = 300 К | ||||||
<0.4 / <0.7 | 6.5 / 3.8 | 10 | 100 | SSM 2220 | 3 | [14] |
0.33 | 6.9 | 0.1 | 10 | MAT 02, MAT03 | –** | [15] |
0.32 | 7 | 0.1 | – | MAT 02, MAT03 | –** | [16] |
0.92 / 0.92 | 1.2 / 1.2 | <1 | – | SSM 2210 | 1 | [17] |
0.33 | 2.6 | <1 | 30 | Параллельно соединенные биполярный и полевой транзисторы | –** | [18] |
Т = 77 К | ||||||
<0.4 / <0.4 | 9 / 9 | 20 | 1000 | SSM 2212 | 1 | Данная работа |
*Общий / на одну пару. **Нет данных.
К сожалению, информация о динамическом диапазоне и коэффициенте гармоник в документах не представлена. В табл. 2 показаны значения как общего уровня шумов напряжения и тока усилителей, так и приведенных к одной дифференциальной паре. Кроме этого, указаны типы транзисторов и количество пар транзисторов, подключенных параллельно для снижения приведенного ко входу шума усилителя. К сожалению, не все авторы указывают количество пар транзисторов, используемых ими в усилителях, поэтому оценить уровень шума одной пары транзисторов удалось не для всех усилителей.
ЗАКЛЮЧЕНИЕ
Таким образом, были измерены характеристики малошумящего усилителя постоянного тока при комнатной температуре и температуре жидкого азота. Конструкция усилителя основана на схеме дифференциального усилителя с малошумящими биполярными транзисторами в качестве активных элементов. Параметры усилителя при 300 К хорошо согласуются со спецификацией транзистора, приведенными производителем Analog Device (https://www.analog.com/media/en/technical-documentation/data-sheets/SSM2212.pdf).
При температуре 77 К усилитель продемонстрировал хорошие шумовые свойства и широкий динамический диапазон при значительном снижении модуля комплексного входного сопротивления. Последнее ограничивает сферу криогенных применений усилителя измерением образцов с низким импедансом.
Авторы заявляют об отсутствии конфликта интересов.
ФИНАНСИРОВАНИЕ РАБОТЫ
Работа выполнена при финансовой поддержке Министерства науки и высшего образования Российской Федерации (проект № FSUN-2023-0007).
About the authors
I. L. Novikov
Novosibirsk State Technical University
Email: vostreczov@corp.nstu.ru
Russian Federation, K. Marx avenue 20, Novosibirsk, 630073
D. I. Vol’khin
Novosibirsk State Technical University
Email: vostreczov@corp.nstu.ru
Russian Federation, K. Marx avenue 20, Novosibirsk, 630073
A. G. Vostretsov
Novosibirsk State Technical University; Federal State Budgetary Institution of Science; Institute of Mining named after. N. A. Chinakala Siberian Branch of the Russian Academy of Sciences
Author for correspondence.
Email: vostreczov@corp.nstu.ru
Russian Federation, K. Marx avenue 20, Novosibirsk, 630073; Krasny Ave., 54, Novosibirsk, 630091
References
- Howard R.M. // Proc. 1998 Conf. on Optoelectronic and Microelectronic Materials and Devices, Perth, WA, Australia, P. 179.
- Menolfi C., Huang Q. // IEEE J. Solid-State Circuits. 1997. V. 3. № 7. P. 968.
- Ciofi C., De Marines M., Neri B. // IEEE Trans. 1997. V. IM-46. № 4. P. 789.
- Schurig Th., Drung D., Bechstein S. et al. // Physica C. 2002. V. 378–381. P. 1378. https://doi. org/10.1016/S0921-4534(02)01724-0
- Neri B., Pellegrini B., Saletti R. // IEEE Trans. 1991. V. IM-40. № 1. P. 2.
- Jones B.K. // Proc. IEE Circuits Devices Syst. 2002. V. 149(1). P. 13. https://doi. org/10.1049/ip-cds:20020331.
- Levinzon F.A. // IEEE Trans. 2008. V. CS-I-55. № 7. P. 1815. https://doi. org/10.1109/tcsi.2008.918213
- Cannata G., Scandurre G., Ciofi C. // Rev. Sci. Instruments. 2009. V. 80. Article No. 114702. https://doi.org/10.1063/1.3258197
- Volkhin D.I., Novikov I.L., Vostretsov A.G. // Proc. 2022 IEEE 23rd Int. Conf. of Young Professionals in Electron Devices and Materials (EDM). Altai. 30 Jun. – 04 Jul. N.Y.: IEEE, 2022. P. 61. https://doi. org/10.1109/EDM55285.2022.9855125
- Pospieszalski M.W. // IEEE Microwave Magaz. 2005. V. 6. № 3. P. 62.
- Volkhin D.I., Novikov I.L., Vostretsov A.G. // Proc. 2021 XV Int. Scientific-Techn. Conf. on Actual Problems of Electronic Instrument Engineering (APEIE). Novosibitsk. 19–21 Nov. N.Y.: IEEE, 2021. P. 18. https://doi.org/10.1109/APEIE52976.2021.9647438
- Novikov I.L., Vostretsov A.G., Volkhin D.I. // Cryogenics. 2022. V. 127. Article No. 103571. https://doi.org/10.1016/j.cryogenics.2022.103571.
- Mochtenbacher C.D., Connelly J.A. Low-Noise Electronic System Design. N.Y.: Wiley-Interscience, 1993.
- Zhao J., Zhang Y., Y-H. Lee Y-H. et al. // Rev. Sci. Instruments. 2014. V. 85. № 5. Article No. 054707. https://doi.org/10.1063/1.4878342
- Oukhanski N., Stolz R., Zakosarenko V. et al. // Physica C: Superconductivity. 2002. V. 368. № 1–4. P. 166. https://doi.org/10.1016/S0921-4534(01)01160-1
- Oukhanski N., Stolz R., Meyer H-G. // J. Physics: Conf. Series. 2006. V. 43. P. 310. https://doi.org/10.1088/1742-6596/43/1/310
- Drung D. // Rev. Sci. Instruments. 1997. V. 68. P. 4066. https://doi.org/10.1063/1.1148348
- Drung D., Hinnrichs C., Barthelmess H.-J. // Supercond. Sci. Technol. 2006. V. 19. № 5. P. S235. https://doi.org/10.1088/0953-2048/19/5/S15
Supplementary files










