Первеанс кубической цепи, содержащей в ребрах диоды Чайльда–Ленгмюра
- Авторы: Дубинов А.Е.1,2
-
Учреждения:
- Российский федеральный ядерный центр – Всероссийский научно-исследовательский институт экспериментальной физики
- Национальный исследовательский ядерный университет «Московский инженерно-физический институт»
- Выпуск: Том 69, № 12 (2024)
- Страницы: 1170-1174
- Раздел: ТЕОРИЯ РАДИОТЕХНИЧЕСКИХ ЦЕПЕЙ
- URL: https://journal-vniispk.ru/0033-8494/article/view/282225
- DOI: https://doi.org/10.31857/S0033849424120046
- EDN: https://elibrary.ru/HNCWZJ
- ID: 282225
Цитировать
Аннотация
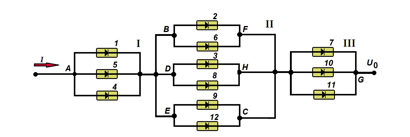
Рассмотрена нелинейная электрическая цепь в форме куба, в ребрах которого установлены одинаковые диоды Чайльда–Ленгмюра. Проведена процедура декомпозиции цепи методом эквивалентных узлов. В результате выведена точная формула общего первеанса цепи. Формула может быть использована для оценки вольт-амперных характеристик тетрагональных цепей с кубическими элементарными ячейками, содержащими диоды Чайльда–Ленгмюра.
Ключевые слова
Полный текст
Об авторах
А. Е. Дубинов
Российский федеральный ядерный центр – Всероссийский научно-исследовательский институт экспериментальной физики; Национальный исследовательский ядерный университет «Московский инженерно-физический институт»
Автор, ответственный за переписку.
Email: dubinov-ae@yandex.ru
Саровский физико-технический институт – филиал Национального исследовательского ядерного университета «Московский инженерно-физический институт»
Россия, просп. Мира, 37, Саров, Нижегородская обл., 607188; ул. Духова, 6, Саров, Нижегородская обл., 607189Список литературы
- Child C. D. // Phys. Rev. Ser. I. 1911. V. 32. № 5. P. 492.
- Langmuir I. // Phys. Rev. 1913. V. 2. № 6. P. 450.
- Bull C. S. // J. Inst. Electr. Engineers, Pt III: Radio and Comm. Eng. 1948. V. 95. № 33. P. 17.
- Kompfner R. // J. British Inst. Radio Engineers. 1947. V. 7. № 3. P. 117.
- Liu L., Li L. M., Zhang X. P. et al. // IEEE Trans. 2007. V. PS-35. № 2. P. 361.
- Дубинов А. Е., Михеев К. Е., Селемир В. Д., Судовцов А. В. // Изв. вузов. Физика. 1999. Т. 42. № 6. С. 67.
- Clark J. J., Linke S. // IEEE Trans. 1971. V. ED-18. № 5. P. 322.
- Wittmaack K. // Nucl. Instrum. Meth. 1974. V. 118. № 1. P. 99.
- Degond P., Parzani C., Vignal V. H. // Math. Comput. Modelling. 2003. V. 38. № 10. P. 1093.
- Weber B. V., Boller J. R., Colombant D. G. et al. // Laser and Part. Beams. 1987. V. 5. № 3. P. 537.
- Abdallah N. B., Degond P., Mehats F. // Phys. Plasmas. 1998. V. 5. № 5. P. 1522.
- Sheridan T. E., Goree J. A. // IEEE Trans. 1989. V. PS-17. № 6. P. 884.
- Farouki R. T., Dalvie M., Pavarino L. F. // J. Appl. Phys. 1990. V. 68. № 12. P. 6106.
- Sheridan T. E. // Phys. Plasmas. 1996. V. 3. № 9. P. 3507.
- Benilov M. S. // Plasma Sources Sci. Technol. 2009. V. 18. № 1. P. 014005.
- Lisovskiy V. A., Derevianko V. A., Yegorenkov V. D. // Vacuum. 2014. V. 103. № 1. P. 49.
- Zhang P., Valfells A., Ang L. K. et al. // Appl. Phys. Rev. 2017. V. 4. № 1. P. 011304.
- Tong C., Kozarsky E. S., Kim J. et al. // Mater. Sci. Semicond. Proc. 2018. V. 82. № 1. P. 92.
- Chow K. K., Maddix H. S., Chorney P. // Appl. Phys. Lett. 1967. V. 10. № 9. P. 256.
- Nath C., Kumar A. // J. Appl. Phys. 2012. V. 112. № 9. P. 093704.
- Tan J. H., Anderson W. A. // Solar Energy Materials & Solar Cells. 2003. V. 77. № 3. P. 283.
- Qasrawi A. F., Yaseen T. R., Eghbariy B., Gasanly N. M. // Acta Phys. Polonica A. 2012. V. 122. № 1. P. 152.
- Guedes V. F., Nobrega K. Z., Ramos R. V. // IEEE Trans. 2022. V. ED-69. № 10. P. 5787.
- Dubinov A. E., Kitayev I. N. // IEEE Trans. 2016. V. PS-44. № 10. P. 2376.
- Дубинов А. Е. // Электричество. 2023. № 1. С. 57.
- Narraway J. J. // Electr. Lett. 1994. V. 30. № 24. P. 2004.
- Steenwijk van F. J. // Amer. J. Phys. 1998. V. 66. № 1. P. 90.
- Beltrán R., Gómez F., Franco R. et al. // Lat. Am. J. Phys. Educ. 2013. V. 7. № 4. P. 621.
- Perrier F., Girault F. // Results Phys. 2022. V. 36. № 1. P. 105443.
- Yang Y. X., Low J. H. // IEE Proc.-Circuits Dev. Syst. 1997. V. 144. № 1. P. 51.
- Pippenger N. // Math. Mag. 2010. V. 83. № 5. P. 331.
- Xацет А. // Квант. 1972. № 2. С. 54.
Дополнительные файлы






