Экстрактивная ректификация азеотропной смеси этилацетат–этанол–вода в присутствии аминоэфира борной кислоты
- Авторы: Клинов А.В.1, Хайруллина А.Р.1, Малыгин А.В.1, Давлетбаева И.М.1
 - 
							Учреждения: 
							
- Казанский национальный исследовательский технологический университет
 
 - Выпуск: Том 57, № 6 (2023)
 - Страницы: 697-707
 - Раздел: Статьи
 - Статья опубликована: 01.11.2023
 - URL: https://journal-vniispk.ru/0040-3571/article/view/232296
 - DOI: https://doi.org/10.31857/S0040357123060118
 - EDN: https://elibrary.ru/HGBSXV
 - ID: 232296
 
Цитировать
Полный текст
Аннотация
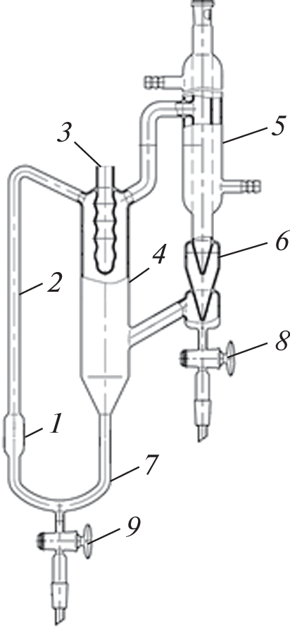
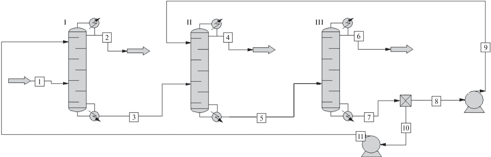
Изучено влияние аминоэфира борной кислоты, полученного на основе триэтаноламина, борной кислоты и триэтиленгликоля, на условия парожидкостного равновесия в азеотропных бинарных смесях этилацетат–этанол, этилацетат–изопропанол и трехкомпонентной смеси этилацетат–этанол–вода. Исследования проводились как экспериментальными методами открытого испарения на эбулиометре Свентославского, так и моделированием с использованием метода UNIFAC. Определены отсутствующие в литературе параметры взаимодействия группы CСОО (в составе этилацетата) с группой бора В. Предложена схема разделения азеотропной смеси этилацетат–этанол–вода экстрактивной ректификацией.
Ключевые слова
Об авторах
А. В. Клинов
Казанский национальный исследовательский технологический университет
														Email: alklin@kstu.ru
				                					                																			                												                								Россия, Казань						
А. Р. Хайруллина
Казанский национальный исследовательский технологический университет
														Email: alklin@kstu.ru
				                					                																			                												                								Россия, Казань						
А. В. Малыгин
Казанский национальный исследовательский технологический университет
														Email: alklin@kstu.ru
				                					                																			                												                								Россия, Казань						
И. М. Давлетбаева
Казанский национальный исследовательский технологический университет
							Автор, ответственный за переписку.
							Email: alklin@kstu.ru
				                					                																			                												                								Россия, Казань						
Список литературы
- Wang J., Liu W.B., Tan S.Y. Present situation and trend of technology of ethyl acetate // Applied Science and Technology. 2003. V. 3. P. 51.
 - Hu W.W., Zhang X.H., Zhang Q.G., Liu Q.L., Zhu A.M. Pervaporation dehydration of water/ethanol/ethyl acetate mixtures using poly (vinyl alcohol)–silica hybrid membranes // J. Applied Polymer Science. 2012. V. 126. № 2. P. 778. https://doi.org/10.1002/app.36962
 - Zhang X.H., Qing L.L., Ying X., Zhu A.M., Chen Yu, Zhang Q.G. Pervaporation dehydration of ethyl acetate/ethanol/water azeotrope using chitosan/poly (vinyl pyrrolidone) blend membranes // J. Membrane Science. 2009. 327. № 1–2. P.274. https://doi.org/10.1016/j.memsci.2008.11.034
 - Otera J., Nishikido J. Esterification: methods, reactions, and applications. 2nd completely rev. and enl. ed. Weinheim: Wiley-VCH, 2010. P. 374.
 - Справочник нефтехимика. Т. 1 / Под ред. Огородникова С.К. Л.: Химия, 1978.
 - Lange’s Handbook of Chemistry, 10th ed. NY: McGraw-Hill, 1923. P. 1919.
 - Bruno Thomas J., Haynes, William M., Lide David R., CRC Handbook of Chemistry and Physics, 44th ed. Город: издательство. Год. P. 2643.
 - Огородников С.К., Лестева Т.М., Коган В.Б. Азеотропные смеси. Справочник / Под ред. Когана В.Б. Л.: Химия, 1971. С. 848.
 - Gmehling J., Menke J., Krafczyk J., Fischer K. Azeotropic Data. N.Y.: Wiley-VCH Verlag GmbH & Co. KGaA: Weinheim, 1994.
 - Bastidas P.A., Gil I.D., Rodríguez G. Comparison of the main ethanol dehydration technologies through process simulation // European Symposium on Computer Aided Process Engineering, 20th. 2010.
 - Lei L. A combined process of salt extraction with azeotropic distillation for separation of acetic acid−water mixture // A Novel Process for Purification of Ethyl Acetate Petrochem. Technol. 1990. V. 11. P. 749.
 - Zhang Z., Zhang W., Yang Z., Cui X. Solvent for separating ethyl acetate-ethanol by extractive distillation // J. Chemical industry and engineering-China-. 2004. V. 55. № 2. P. 226.
 - Xu X.E. Advance in Catalytic Distillation // Petrochem. Technol. 1989. V. 18. P. 642.
 - Lei Z., Li C., Chen B. Extractive Distillation: A Review // Sep. Purif. ReV. 2003. V. 32. P. 121.
 - Gu Z., Zhi H., Ma Z., Yao H. Study on composite extractive distillation of ethyl acetate-ethanol-water // Computers and applied chemistry. 2005. V. 22. № 6. P. 466.
 - Zhang D.L., Deng Y.F., Li C.B., Chen J. Separation of Ethyl Acetate-Ethanol Azeotropic Mixture Using Hydrophilic Ionic Liquids // Ind. Eng. Chem. Res. 2008. V. 47. P. 1995. https://doi.org/10.1021/ie070658m
 - Chen J., Deng Y.F., Zhang D.L. Method for extracting and separating ethyl acetate-ethanol system using ion liquid. Patent 1962571 A. Китай. 2007.
 - Hasanoğlu A., Salt Y., Keleşer S., Özkan S., Dinçer S. Pervaporation separation of ethyl acetate–ethanol binary mixtures using polydimethylsiloxane membranes // Chemical Engineering and Processing: Process Intensification. 2005. V. 44. №. 3. P. 375. https://doi.org/10.1016/j.cep.2004.06.001
 - Gerbaud V., Rodriguez-Donis I., Hegely L., Lang P., Denes F., You X. Review of extractive distillation. Process design, operation, optimization and control // Chemical Engineering Research and Design. 2019. V. 141. P. 229. https://doi.org/10.1016/j.cherd.2018.09.020
 - Lei Z. et al. Extractive distillation with ionic liquids: a review // AIChE J. 2014. V. 60. № 9. P. 3312. https://doi.org/10.1002/aic.14537
 - Davletbaeva I.M., Klinov A.V., Khayrullina A.R., Malygin A.V., Dulmaev S.E., Davletbaeva A.R., Mukhametzyanov T.A. Organoboron ionic liquids as extractants for distillation process of binary ethanol + + water mixtures // Processes. 2020. V. 8. №. 5. P. 628. https://doi.org/10.3390/pr8050628
 - Klinov A.V., Malygin A.V., Khayrullina A.R., Dulmaev S.E., Davletbaeva I.M. Alcohol Dehydration by Extractive Distillation with Use of Aminoethers of Boric Acid // Processes. 2020. V. 8. № 11. P. 1466. https://doi.org/10.3390/pr8111466
 - Davletbaeva I.M., Klinov A.V., Khayrullina A.R., Malygin A.V., Madaminov N.V. Vapor–Liquid Equilibrium in Binary and Ternary Azeotropic Solutions Acetonitrile-Ethanol-Water with the Addition of Amino Esters of Boric Acid // Processes. 2022. V. 10. № 10. P. 2125. https://doi.org/10.3390/pr10102125
 - Gmehling J., Kleiber М., Kolbe В., Rarey J. Chemical Thermodynamics for Process Simulation / Weinheim, Germany: WILEY-VCH. 2019. P. 808.
 - Swietoslawski W. Azeotropy and Polyazeotropy. NY: Macmillan Company, 1963.
 - Fredenslund A., Jones R.L., Prausnitz J.M. Group–contribution estimation of activity coefficients in nonideal liquid mixtures // AIChE J. 1975. V. 21. №. 6. P. 1086. https://doi.org/10.1002/aic.690210607
 - Морачевский А.Г., Куранов Г.Л., Балашова И.М., Пиотровская Е.М., Пукинский И.Б.. Алексеева М.В., Викторов А.И., Смирнова Н.А., Термодинамика равновесия жидкость–пар. Л.: Химия. 1989.
 - Li Z. et al. Prediction of phase equilibria in tributyl phosphate extraction system using the unifac group contribution method // Thermochimica acta. 1990. V. 169. P. 287. https://doi.org/10.1016/0040-6031(90)80155-r
 - http://ddbonline.ddbst.com/DDBSearch/onlined-dboverview.exe
 - Reid R.C., Prausnitz J.M., Poling B.E. The Properties of Gases and Liquids. McGraw-Hill, 1987. P. 753 ISBN 10:0070517991.
 - Abrams D.S., Prausnitz J.M. Statistical thermodynamics of liquid mixtures: a new expression for the excess Gibbs energy of partly or completely miscible systems // AIChE j. 1975. V. 21. № 1. P. 116. https://doi.org/10.1002/aic.690210115
 - Bondi A. Van der Waals Volumes and Radii // The J. Physical Chemistry. 1964. V. 68. № 3. P. 441.
 - Arce A., Alonso L., Vidal I. Liquid-liquid equilibria of the systems ethyl acetate + ethanol+ water, butyl acetate + ethanol + water, and ethyl acetate + butyl acetate + + water // J. Chemical Engineering of Japan. 1999. V. 32. № 4. P. 440. https://doi.org/10.1252/jcej.32.440
 - Beech D.G., Glasstone S. Solubility influences. Part V. The influence of aliphatic alcohols on the solubility of ethyl acetate in water // J. Chemical Society. 1938. P. 67.
 - Lin H., Yeh Ch., Hong G., Lee M. Enhancement of liquid phase splitting of water + ethanol + ethyl acetate mixtures in the presence of a hydrophilic agent or an electrolyte substance // Fluid phase equilibria. 2005. V. 237. № 1–2. P. 21. https://doi.org/10.1016/j.fluid.2005.08.009
 - Serafimov L.A., Zharov V.T., Timofeev V.S. // Acta chim. Hungar. 1971. V. 69. P. 383.
 - Kiva V.N., Hilmen E.K., Skogestad S. Azeotropic phase equilibrium diagrams: a survey // Chemical engineering science. 2003. V. 58. № 10. P. 1903. https://doi.org/10.1016/S0009-2509(03)00018-6
 - Qunsheng Li, Jiguo Zhang, Zhigang Lei, Jiujuan Zhu, and Fengying Xing. Isobaric Vapor-Liquid Equilibrium for Ethyl Acetate + Ethanol + 1-Ethyl-3-methylimidazolium Tetrafluoroborate // J. Chem. Eng. Data 2009. V. 54. № 2. P. 193.https://doi.org/10.1021/je800175s
 
Дополнительные файлы
				
			
						
						
						
					
						
									











