Физико-химические основы повышения эффективности процесса десорбции метанола
- Authors: Федулов Д.М.1, Цацулина Т.С.1, Кубанов А.Н.1, Дедов А.Г.2
-
Affiliations:
- ООО “Газпром ВНИИГАЗ”
- РГУ (НИУ) нефти и газа им. И.М. Губкина
- Issue: Vol 58, No 6 (2024)
- Pages: 819-830
- Section: Articles
- Published: 15.12.2024
- URL: https://journal-vniispk.ru/0040-3571/article/view/283290
- DOI: https://doi.org/10.31857/S0040357124060148
- EDN: https://elibrary.ru/VGVKLG
- ID: 283290
Cite item
Full Text
Abstract
При добыче и низкотемпературной подготовке природного газа к транспорту образуются водно-метанольные растворы в концентрациях 30…60 мас. %. Высокая эффективность извлечения из них метанола и, таким образом, снижение эксплуатационных затрат на обработку промышленных стоков могут быть достигнуты применением процессов десорбции. В настоящей работе рассмотрены физико-химические основы технологического процесса десорбции метанола из водно-метанольных растворов при подготовке природного газа к транспорту. Для этого было изучено фазовое поведение трехкомпонентной смеси, состоящей из метана, метанола и воды. Исследовано влияние основных факторов, оказывающих влияние на процесс десорбции метанола из водно-метанольного раствора газом первичной сепарации: температура, давление, расход и концентрация метанола в потоке орошения, а также конфигурация блока низкотемпературной сепарации. Показано, что десорбция в составе установок подготовки газа к транспорту проводится в области условий, являющихся неоптимальными с точки зрения технологического процесса. Это вызвано тем, что рассматриваемый процесс является вспомогательным по отношению к низкотемпературной подготовке добываемой пластовой продукции. Приведены рекомендации по оптимизации работы действующих установок подготовки газа и по конфигурации перспективных объектов подготовки газа.
Full Text
ВВЕДЕНИЕ
Подготовка добываемого природного газа (ПГ) для его подачи в магистральный газопровод является ключевой задачей по обеспечению транспортировки в однофазном состоянии без образования водной и углеводородной жидких фаз и газовых гидратов. Это позволяет получать товарный газ в соответствии с требованиями СТО Газпром 089-2010 для холодных и умеренных макроклиматических зон. Для этого применяются, в частности, низкотемпературные методы, предполагающие охлаждение пластовой продукции до отрицательных температур (минус 20°С и ниже) [1]. При этом в процессе подготовки ПГ к транспорту возникают термобарические условия, соответствующие условиям образования газовых гидратов. В газовой промышленности Российской Федерации основным ингибитором гидратообразования является метанол, потребление которого для этих целей оценивается в несколько сотен тыс. т в год [2]. В зарубежной практике наряду с метанолом широкое применение для этих целей получил также этиленгликоль [3, 4]. Помимо термодинамических ингибиторов (метанол и этиленгликоль, этанол, электролиты и др.), снижающих температуру гидратообразования, в последнее время начинают находить применение альтернативные реагенты. В первую очередь это кинетические ингибиторы, снижающие скорость гидратообразования – водорастворимые полимерные композиции, например, на основе поливинилпирралидона. Также, по-видимому, свою нишу займут антиагломераты (поверхностно-активные вещества), предотвращающие укрупнение ранее сформировавшихся мелких кристаллогидратов [3, 4].
Одна из основных технологических задач, возникающих при подготовке добываемого ПГ к транспорту – сокращение потребления и потерь метанола. Вклад в суммарное потребление метанола при подготовке ПГ вносят несколько составляющих. Основные из них – это равновесное содержание в подготовленном (товарном) газе (ТГ), растворимость в углеводородном конденсате и остаточное содержание в кубовой воде установки регенерации метанола. Последняя – одна из значимых статей технологических потерь метанола, так как остаточные концентрации могут достигать 4 мас. % и выше [3]. Учитывая объемы добываемого газа, это весьма существенная величина. Так, при суточной добыче газа на уровне 50 млн м3, количество поступающей воды превышает 60 т/сут. Потери метанола только по этой статье затрат составляют более 2. т/сут или более 830 т/год. В денежном выражении в средних ценах 2019 г. (16.4 тыс. руб./т [2]) это составляет 12 млн руб./год. При увеличении количества воды, поступающей с пластовой продукцией, а также с учетом логистических затрат эти издержки будут только увеличиваться.
Одним из эффективных способов, позволяющих существенно снизить данную статью эксплуатационных затрат, является применение колонн десорбции в составе установок подготовки газа. Это позволяет отказаться от строительства ректификационной установки регенерации. При этом также снижается остаточное количество метанола в воде более чем на порядок: до 0.1 мас. % и ниже. Таким образом, применение десорбции в составе установок комплексной подготовки газа (УКПГ) минимизирует воздействие на окружающую среду, снижает эксплуатационные и капитальные затраты. Такая схема подготовки газа используется на ряде действующих и некоторых перспективных объектах как в РФ, так и за рубежом [5–9].
В публикациях, посвященных эксплуатации таких установок [8–9], отмечается, что фактические остаточные содержания метанола в воде на порядок и более превышают ожидаемые расчетные значения и достигают несколько процентов. Это соответствует, а в некоторых случаях и превосходит концентрации метанола в кубовой воде на установках регенерации.
Ввиду высокой токсичности метанола устанавливаются повышенные требования к технологиям обработки стоков при их поступлении в поверхностные воды. Поэтому при проведении технологических операций необходимо минимизировать возможности его поступления в окружающую среду, а также количество единиц технологического оборудования, контактирующего с метанолом.
Разработка, оптимизация и применение технологий с минимальным потреблением метанола позволяет решать задачи ресурсосбережения и минимизации негативного воздействия на окружающую среду. Целью настоящей работы было расчетное исследование влияния основных технологических параметров на остаточное содержание метанола в воде и ТГ. Для этого в работе был проведен анализ технологических параметров процесса десорбции метанола из водно-метанольных растворов (ВМР), образующихся при подготовке ПГ к транспорту. Это позволило выявить основные причины повышенных потерь метанола с водой и разработать рекомендации по их снижению.
РЕЗУЛЬТАТЫ РАСЧEТОВ И ИХ ОБСУЖДЕНИЕ
Для проведения количественной оценки рассматриваемых технологических процессов в качестве инструмента исследования использовалось математическое моделирование технологических процессов. Оно основано на расчeтах фазового поведения смесей и технологических процессов массообмена (десорбции), сепарации и теплообмена.
Обобщенный вариант рассматриваемой технологической схемы для газа, не содержащего конденсирующиеся углеводороды, приведен на рис. 1.
Рис. 1. Принципиальная технологическая схема низкотемпературной установки подготовки природного газа с десорбцией для смеси метан-метанол-вода: С-1 – сепаратор, К-1 – десорбционная колонна, ВМР – водно-метанольный раствор, АВО – аппарат воздушного охлаждения, ДКС – дожимная компрессорная станция.
Пластовый газ поступает во входной сепаратор (или входные сепарационные устройства) С-1, где происходит отделение воды. Газ первичной сепарации направляется в колонну десорбции К-1. Как правило, аппарат содержит несколько теоретических тарелок. Давление в колонне поддерживается на уровне 9…11 МПа. На средней и поздней стадиях разработки месторождений этот поток проходит предварительное компримирование на дожимной компрессорной станции (ДКС) и последующее охлаждение на аппарате воздушного охлаждения (АВО) (выделено пунктирной линией). В газ десорбции на выходе колонны К-1 подается необходимое количество метанола, и далее газ направляется на установку низкотемпературной сепарации (НТС). Последняя состоит из промежуточного и низкотемпературного сепараторов, рекуперативного теплообменника (или теплообменников) и системы охлаждения ПГ. Для получения низких температур на практике для таких схем часто используется дроссель, эжектор или турбодетандер. В низкотемпературном сепараторе поддерживаются температура около минус 30°С и давление 4…6 МПа. Это позволяет обеспечить наиболее строгие требования СТО Газпром 089-2010, предъявляемые к газу, транспортируемому в условиях Крайнего Севера России в зимний период. Выделенный ВМР поступает в промежуточную емкость, нагнетается насосом и подается в качестве орошения в десорбер К-1. Влияние конфигурации низкотемпературного блока отдельно рассмотрено в настоящей работе.
Термобарические условия, характерные для низкотемпературных установок подготовки газа и использованные в расчетах, приведены в табл. 1.
Таблица 1. Условия работы технологического оборудования (принципиальная технологическая схема приведена на рис. 1)
Показатель | Входной сепаратор | Десорбер | Промежуточный сепаратор | Низко-температурный сепаратор |
P, МПа | 10 | 10 | 9.8 | 5.0 |
Т, оС | 30 | 30 | 0 | -30 |
Т г.м, оС | 13.5 | 13.5 | 13.4 | 7.2 |
Смин. м., мас. % | 0* | 0* | 28 | 56 |
* При данных термобарических условиях подача метанола не требуется.
В табл. 1 также приведены минимально необходимые концентрации метанола по сепараторам, обеспечивающие безгидратные режимы работы установки НТС. Термобарические условия, соответствующие гидратообразованию, образуются в промежуточном и низкотемпературном сепараторах. Принятые в расчетах перепады давления: по десорберу К-1 – 30 кПа, на участке между десорбером и промежуточным сепаратором – 50 кПа. Расчеты материальных балансов проводились на расход газа сепарации 5 млн м3/сут (8 661 кмоль/ч). Все удельные величины приведены к 1 м3 газа при 101.325 кПа и 20°С.
Поток орошения колонны десорбции формируется в блоке НТС, а его количество и концентрация определяются влагосодержанием газа десорбции, а также термобарическими условиями работы десорбера, промежуточного и низкотемпературного сепараторов С-2 и С-3.
Основные технологические параметры, определяющие эффективность процесса десорбции: температура, давление, состав поступающего газа, состав потока орошения, число теоретических тарелок, соотношение между расходами орошения и газа (удельный расход орошения, выражаемый в г потока орошения на 1 м3 обрабатываемого газа (или кг/1000 м3)). В настоящей работе исследовано влияние данных параметров на основной, с точки зрения решаемой задачи, показатель – суммарные потери метанола по установке подготовки газа, включая остаточное содержание метанола в кубовой воде колонн десорбции.
Следует отметить, что десорберы, работающие на входе УКПГ, характеризуются рядом особенностей:
относительно небольшие значения удельного расхода орошения (0.5…3 г/м3), определяемые влагосодержанием газа первичной сепарации;
концентрация метанола в потоке орошения составляет 30…60 мас. %, определяется режимом работы и конфигурацией установки НТС;
небольшое количество теоретических тарелок (1–3), вызванное большими движущими силами процесса десорбции.
Условием эффективного применения данной технологии является отсутствие метанола во входном потоке.
Анализ литературных источников [10] показал, что для расчета фазовых равновесий в рамках решаемой задачи наиболее подходят модифицированные кубические и многопараметрические уравнения состояния, учитывающие ассоциацию компонентов обрабатываемого потока. Для этой цели наиболее широко применяются уравнения Патела-Тея [11], Cubic Plus Association (СРА) [12] и модифицированные уравнения Пенга-Робинсона [10]. Кроме того, широкое распространение получил ряд инженерных методик, включая использованный в настоящей работе нормативный документ СТО Газпром 2-3.3-1242-2021 (разработчик ООО “Газпром ВНИИГАЗ”). С целью выбора подходящего способа расчета фазовых равновесий было проведено сопоставление экспериментальных и расчетных данных. Для этого сравнивали содержание воды и метанола в газовой фазе для двухкомпонентных смесей “метан-метанол” и “метан-вода” при термобарических условиях, характерных для работы таких установок (табл. 2).
Таблица 2. Экспериментальные и расчетные данные по содержанию метанола и воды в газовой фазе для двухкомпонентных смесей “метан-метанол” и “метан-вода”
Р, МПа | Т, оС | Расчет | Эксперимент | Источник эксп. данных | ||
Патела-Тея | СРА | СТО Газпром 2-3.3-1242-2021 | Содержание метанола/воды в газовой фазе | |||
Метан-метанол | ||||||
10 | 25 | 0.003370 | 0.003998 | 0.004083 | 0.004180 | [14] |
9.65 | 36.9 | 0.005780 | 0.006358 | 0.006611 | 0.005957 | [15] |
11.72 | 36.9 | 0.005746 | 0.005746 | 0.006367 | 0.006357 | [15] |
10.321 | 0 | 0.000913 | 0.001140 | 0.001377 | 0.001128 | [15] |
5.171 | -23.15 | 0.000323 | 0.000299 | 0.000364 | 0.000324 | [15] |
4.0 | -30 | 0.000219 | 0.000181 | 0.000239 | 0.000226 | [16] |
5.04 | -30 | 0.000210 | 0.000166 | 0.000230 | 0.000281 | [17] |
6.0 | -30 | 0.000211 | 0.000161 | 0.000231 | 0.000220 | [16] |
Метан-вода | ||||||
6.06 | 30.0 | 0.000881 | 0.000850 | 0.000866 | 0.000889 | [18] |
9.84 | 30.0 | 0.000625 | 0.000592 | 0.000609 | 0.000625 | [18] |
5.99 | 35.0 | 0.001165 | 0.001128 | 0.001147 | 0.001114 | [18] |
9.84 | 35.0 | 0.000813 | 0.000774 | 0.000794 | 0.000807 | [18] |
6.056 | 40.0 | 0.001504 | 0.001455 | 0.001481 | 0.001516 | [18] |
9.98 | 40.0 | 0.001043 | 0.000993 | 0.001018 | 0.001045 | [18] |
Из данных, приведенных в табл. 2, следует, что рассмотренные методы позволяют получать значения равновесного содержания воды и метанола в газовой фазе, близкие к экспериментальным данным. Применение уравнения состояния СРА [12] для условий низкотемпературного сепаратора в области малых содержаний метанола дает заниженные значения. В дальнейшей работе было использовано уравнение Патела-Тея [11].
Температура в десорбере. Распределение температур по высоте десорбера определяется, главным образом, температурами потоков газа и жидкости (орошения), количеством метанола, перешедшего в паровую фазу, а также перепадом давления по высоте колонны.
Температура газа на входе в десорбер обусловливается устьевой температурой, способом прокладки, а также загрузкой и режимом работы газосборной системы (ГСС) и меняется в зависимости от сезона. После ввода ДКС термобарические параметры этого потока становятся регулируемыми.
Минимальная допустимая температура процесса десорбции ограничена условиями гидратообразования обрабатываемого потока. При давлении 10 МПа для метана – это 14°С [3]. При более низкой температуре потребуется подача метанола в газосборную систему и повышение содержания метанола в водной фазе. Работа в этой области означает необходимость ввода установки регенерации метанола либо организации других способов предотвращения гидратообразования в ГСС.
В докомпрессорный период эксплуатации УКПГ по мере снижения пластового давления возрастает влагосодержание газа первичной сепарации. После ввода ДКС влагосодержание газа определяется температурой скомпримированного газа. Так, при снижении температуры с 30 до 20°С равновесное влагосодержание метана снижается с 586 до 334 ppm (с 0.439 до 0.186 г/м3). Поскольку эта величина определяет расход потока орошения, можно говорить о том, что работа АВО ДКС в этом случае позволяет регулировать режим работы десорбера.
Наличие максимальной температуры процесса связано с тем, что с ростом температуры возрастает влагосодержание газа десорбции. Это требует увеличения подачи метанола на УКПГ, что, в свою очередь, вызовет рост расхода потока орошения. При ограничении остаточного содержания метанола в воде на уровне 0.1 мас. %, давлении в десорбере 10 МПа и концентрации метанола в потоке орошения 60 мас. % допустимый удельный расход орошения составляет 3 г/м3 и соответствует температуре 52°С (рис. 2). При снижении давления в десорбере эта температура будет снижаться в связи с ростом равновесного влагосодержания.
Рис. 2. Зависимость остаточной концентрации метанола в кубовой воде колонны десорбции К-1 (принципиальная технологическая схема приведена на рис. 1) от температуры процесса десорбции и величины удельного расхода орошения: 1 – 3 г/м3, 2 – 2 г/м3, 3 – 1 г/м3, 4 – 0,5 г/м3. Постоянные величины: давление в К-1 10 МПа, число теоретических тарелок 3, концентрация метанола в потоке орошения 60 мас. %.
Таким образом, рабочий диапазон температур данной технологии определяется температурами гидратообразования и влагосодержанием газа десорбции. В рассматриваемом случае рабочий диапазон составляет от 14 до 52°С. Заметим, что при обработке газа другого состава диапазон температур сужается в связи с возрастанием температуры гидратообразования.
В процессе десорбции в паровую фазу переходит практически весь метанол. При удельном расходе орошения 3 г/м3 и концентрации метанола 60 мас. % испарение 1.8 г/м3 метанола снизит температуру в десорбере на 0.6°С. Если газ первичной сепарации, поступающий в колонну К-1, будет недонасыщенным по воде, то в паровую фазу также будет переходить часть воды и температура десорбции будет снижаться. Это имеет место, если на компрессорной стадии температура газа после АВО будет выше температуры точки росы газа, направляемого в десорбер.
Изменение температуры за счет смешения газа с потоком орошения ввиду его малого удельного расхода мало влияет на температуру процесса (на уровне 0.1…0.2°С).
При принятой величине гидравлического сопротивления в колонне (30 кПа) величина удельного охлаждения газа при изоэнтальпийном расширении с 10 до 9.97 МПа составляет 0.1°С.
Зависимость остаточного содержания метанола от температуры десорбции приведена на рис. 2. Из рисунка следует, что эффективность десорбции возрастает с увеличением температуры и снижением расхода орошения. При величине остаточного содержания метанола не более 0.1 мас. % и удельном расходе орошения 3 г/м3 допустимая максимальная температура составляет 52ºС.
Таким образом, температура процесса десорбции определяется главным образом, температурой поступающего газа. Снижение температуры в результате испарения метанола, наличия перепада давления и теплообмена с поступающим орошением не превышает один градус и можно говорить о том, что рассматриваемый технологический процесс десорбции происходит в режиме, близком к изотермическому.
Удельный расход орошения. На рис. 3 приведены зависимости остаточного содержания метанола в воде от величины удельного расхода орошения и концентрации метанола в потоке орошения.
Рис. 3. Зависимость остаточной концентрации метанола от удельного расхода орошения и концентрации метанола в орошении при 3 ТТ, 10 МПа, 30°С. Значения концентрации метанола в орошении: 1 – 60 мас. %, 2 – 50 мас. %, 3 – 40 мас. % и 4 – 30 мас. %.
Зависимость имеет три участка и носит S-образный характер. При расходах до 3 г/м3 остаточное содержание метанола в воде мало зависит от концентрации метанола в потоке орошения в связи с большими разностями между рабочими и равновесными концентрациями метанола. Другими словами, эта разница вызвана большими движущими силами процесса десорбции. При значениях удельного расхода 3…8 г/м3 зависимость близка к линейной и вызвана пропорциональным ростом концентрации до достижения равновесных значений. При дальнейшем увеличении расхода потока орошения концентрация метанола в воде приближается к концентрации метанола в подаваемом потоке орошения, при этом роль массобмена нивелируется. Допустимый удельный расход орошения, позволяющий получать воду с остаточным содержанием метанола не более 0.1 мас. %, составляет 3 г/м3, что соответствует влагосодержанию газа десорбции не более 1.5 г/м3.
Концентрация метанола в потоке орошения. Зависимость остаточного содержания метанола от концентрации метанола в потоке орошения приведена на рис. 4.
Рис. 4. Зависимость остаточной концентрации метанола в воде от концентрации метанола в потоке орошения (3 ТТ, 30°С) и удельного расхода орошения: 1 – 3 г/м3, 2 – 2 г/м3, 3 – 1 г/м3, 4 – 0,5 г/м3.
При минимальной концентрации метанола в потоке орошения его содержание в кубовой воде также будет минимальным. При увеличении концентрации метанола зависимость проходит через максимум, расположенный в диапазоне 40–70 мас. % (36–46 мольн. %). При концентрациях более 70 мас. % данная зависимость начинает снижаться. Одновременно снижается выход кубовой воды пропорционально ее содержанию в потоке орошения. Эффект, приведенный на рис. 4, не описан ранее в литературе. На объектах добычи диапазон концентраций метанола в потоках орошения, соответствующий макимальным остаточным содержаниям метанола (40…70 мас. %), соответствует максимальному содержанию метанола в кубовой воде.
Проведенные расчеты показывают, что рассматриваемая технология работоспособна при температурах от 14 до 52°С, удельном расходе орошения менее 3 г/м3. С целью оптимизации работы десорбера необходимо минимизировать концентрацию метанола в потоке орошения и его расход. Это может быть достигнуто изменением конфигурации блока НТС. Данный фактор рассмотрен далее в работе.
Давление в десорбере определяется требованиями технологического процесса НТС. В рассматриваемом случае предполагается, что при НТС используется оборудование, требующее наличия перепада давления для обеспечения низких температур. Для принятых термобарических условий (табл. 1) необходимое давление на входе составляет 10 МПа. Это давление поддерживается в течение всего жизненного цикла УКПГ путем своевременного ввода и увеличения мощностей ДКС.
Давление газа первичной сепарации постепенно снижается по годам разработки по мере отбора пластового газа, при этом влагосодержание газа возрастает. Поскольку газ первичной сепарации насыщен по воде, то дополнительное количество воды, вносимое в колонну с орошением, будет отводиться с кубовым продуктом.
Так как давление и температура по колонне меняются мало, а газ приходит в насыщенном по воде состоянии, то удельное количество воды в жидкой фазе по тарелкам также будет приблизительно одинаковым. При фиксированных значениях температуры, давления и концентрации метанола в потоке орошения содержание метанола в газовой фазе будет также фиксированным.
Дополнительные факторы, позволяющие оказывать влияние на процесс десорбции, – число теоретических тарелок (ТТ) и конфигурация установки НТС.
Число теоретических тарелок. По данным [7], увеличение числа ТТ приводит к снижению остаточного количества метанола в кубовой воде приблизительно на порядок на одну тарелку. На практике реализуется от двух до четырех теоретических степеней контакта [6, 8, 9]. Расчетные данные (рис. 5) коррелируют с ранее опубликованными [7].
Рис. 5. Зависимость остаточного содержания метанола в воде от числа ТТ и температуры при постоянных значениях удельного расхода орошения 3 г/м3 и концентрации орошения 60 мас. %. Температуры десорбции: 1 – 20°С, 2 – 30°С, 3 – 40°С, 4 – 50оС, 5 – 60°С.
При температуре 20°С потребуется 9 ТТ, при 30°С – 6, при 40°С – 4. В этой связи эффективная работа десорбера определяется также значением КПД применяемых тарелок.
Состав газа, поступающего в колонну десорбции К-1. В десорбционную колонну К-1 поступает газ первичной сепарации. В рассматриваемом модельном составе – это двухкомпонентная смесь, состоящая из метана и воды. Газ в десорбер поступает в насыщенном по воде состоянии и, кроме этого, содержит некоторое количество воды, находящееся в капельном виде. Равновесное содержание воды в газе определяется термобарическими условиями во входных сепарационных устройствах С-1. В соответствии с данными табл. 1 это 30°С и 10 МПа. Расчетное равновесное содержание воды в газе первичной сепарации при заданных термобарических параметрах составляет 0.000615 мольн. долей или 0.461 г/м3. Величина уноса определяется конструктивными особенностями входных сепарационных устройств С-1 и может находиться в широком диапазоне: от нескольких мг/м3 до нескольких сотен мг/м3.
Газ на выходе десорбера К-1 – трехкомпонентная смесь, состоящая из метана, воды и метанола. Равновесное содержание метанола в газе десорбции примерно на порядок выше, чем равновесное содержание воды. При изобарическом увеличении температуры процесса возрастает движущая сила процесса десорбции, вызванная возрастанием равновесного содержания метанола в метане. Вместе с тем возрастает и влагосодержание газа, что, в свою очередь, приводит к росту удельного расхода орошения.
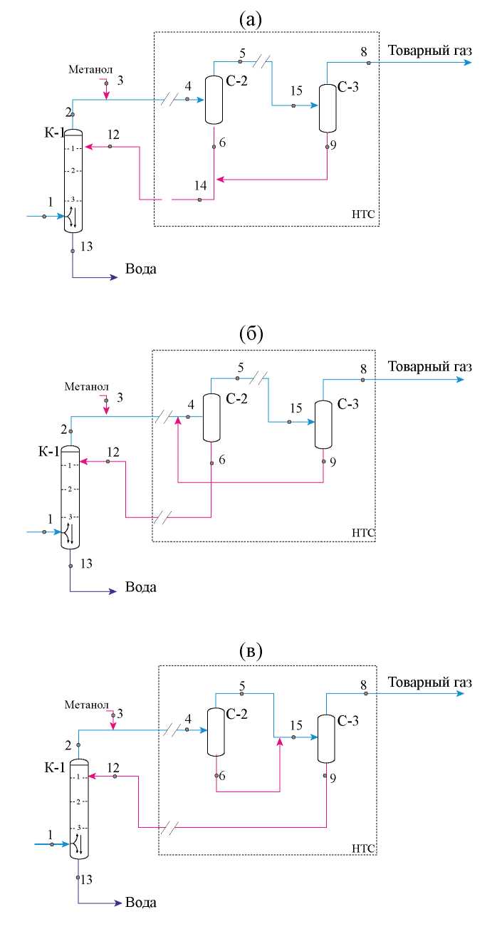
Конфигурация установки низкотемпературной сепарации. Концентрация метанола в потоке орошения и концентрация ВМР могут регулироваться конфигурацией блока НТС. Возможны несколько вариантов формирования потока орошения колонны К-1. В настоящей работе рассматриваются три из них (рис. 6). Вариант с подачей ВМР из сепаратора С-2 считаем нерациональным, так как он предполагает дополнительные и неоправданные потери метанола и здесь не рассматривается.
Рис. 6. Варианты технологической схемы блока низкотемпературной сепарации: (а) – вариант 1, (б) – вариант 2, (в) – вариант 3. Материальные балансы приведены в табл. 3.
Таблица 3. Материальные балансы по вариантам 1, 2 и 3 (расчетные технологические схемы приведены на рис. 6)
Вариант 1 | ||||||||
№ потока | 1 | 2 | 3 | 6 | 8 | 9 | 12 | 13 |
G, кмоль/ч | 8660.624 | 8662.384 | 1.123 | 5.446 | 8656.367 | 1.695 | 7.048 | 5.157 |
СН4 | 0.999400 | 0.999182 | 0.000000 | 0.008126 | 0.999866 | 0.028813 | 0.000188 | 0.001711 |
СН3ОН | 0.000000 | 0.000223 | 0.982400 | 0.178775 | 0.000127 | 0.564907 | 0.273863 | 0.000141 |
Н2О | 0.000614 | 0.000595 | 0.017600 | 0.813099 | 0.000007 | 0.406280 | 0.725950 | 0.998147 |
Ʃ | 1.000000 | 1.000000 | 1.000000 | 1.000000 | 1.000000 | 1.000000 | 1.000000 | 1.000000 |
G, кг/ч | 138842.4 | 138899.2 | 35.7 | 111.7 | 138779.3 | 43.9 | 154.1 | 92.9 |
СН4 | 0.999309 | 0.998886 | 0.000000 | 0.006351 | 0.999738 | 0.017845 | 0.000138 | 0.001523 |
СН3ОН | 0.000000 | 0.000445 | 0.990025 | 0.279273 | 0.000254 | 0.699295 | 0.401413 | 0.000251 |
Н2О | 0.000690 | 0.000669 | 0.009975 | 0.714376 | 0.000008 | 0.282860 | 0.598449 | 0.998227 |
Ʃ | 1.000000 | 1.000000 | 1.000000 | 1.000000 | 1.000000 | 1.000000 | 1.000000 | 1.000000 |
Вариант 2 | ||||||||
№ потока | 1 | 2 | 3 | 6 | 8 | 9 | 12 | 13 |
G, кмоль/ч | 8660.624 | 8663.990 | 0.860 | 5.921 | 8656.214 | 8.637 | 8.637 | 5.372 |
СН4 | 0.999386 | 0.999016 | 0.000000 | 0.012833 | 0.999894 | 0.019771 | 0.019771 | 0.001730 |
СН3ОН | 0.000000 | 0.000414 | 0.982400 | 0.267259 | 0.000097 | 0.416256 | 0.416256 | 0.000306 |
Н2О | 0.000614 | 0.000570 | 0.017600 | 0.719908 | 0.000009 | 0.563973 | 0.563973 | 0.997964 |
Сумма | 1 | 1 | 1 | 1 | 1 | 1 | 1 | 1 |
G, кг/ч | 138840.4 | 138951.1 | 27.358 | 128.726 | 138772.7 | 205.700 | 205.700 | 96.816 |
СН4 | 0.999309 | 0.998532 | 0.000000 | 0.009462 | 0.999796 | 0.013307 | 0.013307 | 0.001539 |
СН3ОН | 0.000000 | 0.000828 | 0.990025 | 0.393855 | 0.000194 | 0.559982 | 0.559982 | 0.000544 |
Н2О | 0.000691 | 0.000640 | 0.009975 | 0.596683 | 0.000010 | 0.426711 | 0.426711 | 0.997917 |
Ʃ | 1.000000 | 1.000000 | 1.000000 | 1.000000 | 1.000000 | 1.000000 | 1.000000 | 1.000000 |
Вариант 3 | ||||||||
№ потока | 1 | 2 | 3 | 6 | 8 | 9 | 12 | 13 |
G, кмоль/ч | 8660.624 | 8661.548 | 2.127 | 5.609 | 8656.399 | 1.667 | 1.666 | 0.743 |
СН4 | 0.999386 | 0.999285 | 0.000000 | 0.008313 | 0.999868 | 0.029404 | 0.029078 | 0.001710 |
СН3ОН | 0.000000 | 0.000109 | 0.982400 | 0.179303 | 0.000125 | 0.565203 | 0.565393 | 0.000002 |
Н2О | 0.000614 | 0.000607 | 0.017600 | 0.812385 | 0.000007 | 0.405393 | 0.405529 | 0.998288 |
Сумма | 1 | 1 | 1 | 1 | 1 | 1 | 1 | 1 |
G, кг/ч | 138840.4 | 138870.2 | 67.625 | 115.073 | 138779.6 | 43.148 | 43.139 | 13.385 |
СН4 | 0.999309 | 0.999101 | 0.000000 | 0.006495 | 0.999742 | 0.018209 | 0.018004 | 0.001521 |
СН3ОН | 0.000000 | 0.000217 | 0.990025 | 0.280001 | 0.000250 | 0.699581 | 0.699727 | 0.000003 |
Н2О | 0.000691 | 0.000682 | 0.009975 | 0.713504 | 0.000008 | 0.282210 | 0.282269 | 0.998476 |
Ʃ | 1.000000 | 1.000000 | 1.000000 | 1.000000 | 1.000000 | 1.000000 | 1.000000 | 1.000000 |
Вариант 1 (рис. 6). Отсепарированный ВМР из промежуточного (С-2) (т. 6) и низкотемпературного сепараторов С-3 (т. 9) смешивается, направляется в подпорную емкость, на насос (не указаны на схеме) и далее – в десорбер К-1 в качестве потока орошения (т. 12). Термобарические условия в С-2 (9.8 МПа, 0°С) определяют концентрацию ВМР в водной фазе, необходимую для предотвращения гидратообразования. Для метана это 28 мас. % (табл. 1). Соотношения для определения удельного расхода орошения G12 и содержания метанола в потоке орошения колонны десорбции X12:
, (1)
(2)
где Хi – массовая доля метанола в потоке, кг/кг; Gi – массовый расход потока, кг/ч; wi – удельное содержание воды, г/м3, индекс i соответствует номеру потока на рис. 6.
В силу особенностей проведения процесса НТС концентрация ВМР в низкотемпературном сепараторе С-3 при этом будет выше необходимой (56 мас. %) и составит 70 мас. % (т. 9). Концентрация смешанного потока (т. 14) будет 52 мас. %, температура минус 14°С. Равновесное содержание метанола в ТГ (т. 8) составляет 0.192 г/м3. Количество ВМР из С-2 составляет 0.604 г/м3, из С-3 – 0.270 г/м3.
Вариант 2. ВМР из низкотемпературного сепаратора С-3 в количестве 0.194 г/м3 подается на вход промежуточного сепаратора С-2. Количество подаваемого потока подпитки (т. 3) в этом случае снижается за счет метанола, поступающего из С-3 (т. 9). Концентрация метанола в потоке орошения в этом случае равна концентрации в промежуточном сепараторе С-2 и составляет 28 мас. %. Вариант 2 требует установки двух насосов – для подачи жидкости из С-3 в С-2 и из С-2 в К-1. Равновесное содержание метанола в ТГ такое же, как и в варианте 1, и составляет 0.192 г/м3. Количество ВМР из С-3 на вход С-2 – 0.271 г/м3, количество ВМР из С-2, поступающее на орошение в колонну К-1, составляет 0.707 г/м3, подпитка 0.194 г/м3.
Удельный расход орошения колонны десорбции К-1:
, (3)
где Хi – массовая доля метанола в потоке, кг/кг; Gi – массовый расход потока, кг/ч; wi – удельное содержание воды, г/м3, индекс i соответствует номеру потока на рис. 6.
Концентрация метанола в потоке орошения (X6) колонны десорбции К1 равна концентрации в водной фазе, образующейся в промежуточном сепараторе (X12).
Вариант 3. ВМР из С-2 (т. 6) подается на вход С-3 (после системы охлаждения газа). Поток орошения формируется в низкотемпературном сепараторе С-3. С расчетной точки зрения в данной схеме промежуточный сепаратор отсутствует и газ десорбции с внесенным в него метанолом поступает непосредственно в низкотемпературный сепаратор. Концентрации ВМР 36 мас. % в промежуточном сепараторе С-2 будет недостаточно для “автоматического” обеспечения безгидратных условий в низкотемпературном сепараторе С-3 вследствие разбавления ВМР, отделяющегося в С-3 раствором, поступающим из С-2, то есть в данном случае лимитирующими будут условия в С-3, требующие обеспечения 62 мас. % ВМР. Концентрация метанола в потоке орошения будет равна концентрации в низкотемпературном сепараторе и составит 62 мас. %. Поток орошения в колонну поступает при температуре минус 30°С. Равновесное содержание метанола в ТГ за счет разбавления ВМР в С-3 ниже, чем в варианте 1, и составляет 0.143 г/м3. Количество ВМР из С-2, поступающее в С-3, составляет 0.702 г/м3, а поток орошения, поступающий в колонну К-1 из С-3 – 1.140 г/м3, подпитка 0.145 г/м3. Увеличение температуры десорбции с 20 до 60оС увеличивает значение удельного расхода орошения с 0.57 до 3.92 г/м3 и повышает остаточную концентрацию с 0.045 до 0.077 мас. %.
Соотношение для определения удельного количества орошения колонны десорбции:
(4)
где Хi – массовая доля метанола в потоке, кг/кг; Gi – массовый расход потока, кг/ч; wi – удельное содержание воды, г/м3, индекс i соответствует номеру потока на рис. 6.
Концентрация метанола в потоке орошения колонны (X12) десорбции равна концентрации ВМР, образующегося в низкотемпературном сепараторе (X9).
Материальные балансы установок по вариантам приведены в табл. 3.
При фиксированных термобарических параметрах содержание метанола в газе десорбции определяется концентрацией ВМР на верхней тарелке десорбера К-1, которая, в свою очередь, при постоянных термобарических условиях определяется расходом и концентрацией метанола в потоке орошения. Поток орошения формируется в блоке НТС в результате конденсации паров воды и метанола из газовой фазы. Его количество и состав определяются режимом работы промежуточного и низкотемпературного сепараторов, которые определяют необходимую подачу метанола. Таким образом, количество и состав потока орошения определяются термобарическими режимами работы десорбера, промежуточного и низкотемпературного сепараторов, а также конфигурацией НТС. Сопоставление технологических параметров по вариантам приведено в табл. 4.
Таблица 4. Сопоставление технологических параметров по вариантам 1, 2 и 3 (расчетные технологические схемы приведены на рис. 6)
Вариант | 1,2,3 | 1 | 2 | 3 | 1 | 2 | 3 | 1 | 2 | 3 |
Аппарат | С-1 | К-1 | С-2 | С-3 | ||||||
Р, МПа | 10 | 9.97 | 9.8 | 5 | ||||||
Т, оС | 30 | 29.7 | 29.6 | 29.8 | 0 | минус 30 | ||||
gж, г/м3 | – | 0.863 | 1.140 | 0.707 | 0.192 | 0.145 | 0.194 | – | – | – |
Х12, мас.% | 0 | 49.3 | 62.0 | 36.0 | 98* | – | – | – | ||
w, г/м3 | 0.442 | 0.440 | 0.421 | 0.454 | 0.061 | 0.056 | 0.061 | 0.004 | 0.006 | 0.004 |
m, г/м3 | 0 | 0.428 | 0.706 | 0.256 | 0.400 | 0.521 | 0.400 | 0.192 | 0.143 | 0.192 |
Xm, мас.% | 0 | 0.037 | 0.069 | 0.022 | 36.0 | 46.7 | 36.0 | 77.1 | 62.0 | 77.1 |
gж, г/м3 | – | 0.445 | 0.446 | 0.446 | 0.604 | 0.702 | 0.714 | 0.270 | 1.140 | 0.271 |
*Концентрация зависит от марки поставляемого метанола, в настоящей работе принято значение 98 мас. %.
Основные потери метанола по рассмотренным технологическим схемам – это потери с ТГ. При влагосодержании газа десорбции 0.14 г/м3 концентрации потока орошения по вариантам 1 и 3 совпадают и составляют 62 мас. %. Наиболее эффективным является вариант 3 с подачей потока из промежуточного сепаратора С-2 на орошение колонны К-1, несмотря на то, что остаточное содержание метанола в воде выше, чем по вариантам 1 и 3.
Заметим, что концентрация ВМР, поступающего на десорбцию в качестве потока орошения (36…62 мас. %), соответствует концентрации ВМР, обычно поступающего на установки регенерации метанола с установок НТС. Из табл. 5 следует, что концентрация метанола быстро падает по тарелкам с 9 мас. % до 0.05 мас. %, при этом удельное количество жидкости заметно снижается только при переходе от первой тарелки ко второй за счет испарения метанола и остается практически постоянным на уровне 0.4 г/м3 на остальных тарелках десорбера.
Таблица 5. Потарелочные профили колонны десорбции К-1 по вариантам (расчетные технологические схемы приведены на рис. 6, условия работы технологического оборудования приведены в табл. 4)
Вариант | 1 | 2 | 3 |
К, г/м3 | 0.863 | 1.140 | 0.707 |
X12, мас.% | 49.3 | 62.0 | 36.0 |
G12, г/м3 | 0.425 | 0.707 | 0.255 |
W12, г/м3 | 0.438 | 0.433 | 0.452 |
GВМР(ТТ), г/м3: | |||
ТТ1 | 0.477 | 0.503 | 0.476 |
ТТ2 | 0.452 | 0.457 | 0.462 |
ТТ3 | 0.451 | 0.455 | 0.461 |
ХВМР(ТТ), мас.%: | |||
ТТ1 | 5.760 | 9.946 | 3.375 |
ТТ2 | 0.352 | 0.643 | 0.211 |
ТТ3 | 0.019 | 0.036 | 0.014 |
Проведенные расчеты показали, что минимальное остаточное содержание метанола в воде соответствует варианту 3 с минимальным расходом и концентрацией потока орошения. Этому же варианту соответствует минимальное содержание метанола в ТГ. Хотя десорбционная колонна работает в неоптимальном режиме, вся технологическая схема, включающая и систему подготовки газа, может быть оптимизирована за счет изменения конфигурации блока сепарации. Рекомендуемый вариант предусматривает подачу жидкости из промежуточного сепаратора в низкотемпературный. Это снижает концентрацию водно-метанольного раствора и равновесное содержание паров метанола в газе сепарации.
ЗАКЛЮЧЕНИЕ
В настоящей работе исследовано влияние технологических параметров работы десорбера на потери метанола с продуктовыми потоками установок подготовки ПГ. В качестве переменных параметров исследованы: температура, число ТТ, давление, расход и концентрации потока орошения, а также конфигурация низкотемпературного блока установки. Исследуемый показатель – суммарные потери метанола по установке подготовки газа.
Показано, что, несмотря на то, что непосредственно сам процесс десорбции проводится в неоптимальном режиме, имеются возможности по минимизации потерь метанола с ТГ и кубовой водой десорбера. Рекомендуемый режим работы колонны десорбции: 10 МПа, 30…40°С, удельный расход орошения – не более 3 г/м3. Отклонения от указанных параметров приводят к увеличению потерь метанола с кубовой водой и к его поступлению в окружающую среду. Кроме того, имеются возможности по снижению потерь метанола путем изменения конфигурации блока низкотемпературной сепарации. Для этого необходима подача жидкости из промежуточного сепаратора в низкотемпературный.
Проведенные исследования позволили рекомендовать указанные параметры для действующих установок подготовки, а для перспективных – закладывать эти решения уже на предпроектной стадии разработки проекта обустройства месторождений природного газа.
ОБОЗНАЧЕНИЯ
gж удельный расход жидкости, г/м3;
Gi расход, кмоль/ч, кг/ч, индекс соответствует номеру потока на рис. 6;
К удельный расход орошения, г/м3;
m удельное содержание метанола в газе, г/м3;
Р давление, МПа;
Т температура, °С;
Тг.м. температура гидратообразования метана;
Хмин.м. минимально необходимая концентрация метанола для обеспечения безгидратных условий, мас. %;
Xm концентрация метанола в потоке, мольн. %, мас. %
Хi концентрация метанола в точках технологической схемы, мас. %, индекс соответствует номеру потока на рис. 6;
w удельное содержание воды в газе, г/м3;
About the authors
Д. М. Федулов
ООО “Газпром ВНИИГАЗ”
Author for correspondence.
Email: D_Fedulov@vniigaz.gazprom.ru
Russian Federation, Москва
Т. С. Цацулина
ООО “Газпром ВНИИГАЗ”
Email: D_Fedulov@vniigaz.gazprom.ru
Russian Federation, Москва
А. Н. Кубанов
ООО “Газпром ВНИИГАЗ”
Email: D_Fedulov@vniigaz.gazprom.ru
Russian Federation, Москва
А. Г. Дедов
РГУ (НИУ) нефти и газа им. И.М. Губкина
Email: D_Fedulov@vniigaz.gazprom.ru
Russian Federation, Москва
References
- Истомин В.А., Изюмченко Д.В., Григорьев Б.А. и др. Направления совершенствования технологий добычи газа на газовых и газоконденсатных месторождениях // Газовая промышленность. 2023. № S2 (849). С. 68.
- Газохимия России. часть 1. Метанол: пока только планы / отчет компании Vygon Consulting. 2019. С. 54. Электронный ресурс: https://vygon-consulting.ru/upload/iblock/f22/vygon_consulting_russian_methanol_industry_development.pdf. Дата обращения 21.10.2023.
- Истомин В.А., Квон В.Г. Предупреждение и ликвидация газовых гидратов в системах добычи газа. М.: ИРЦ Газпром, 2004.
- Kvamme B., Selvåg J., Saeidib N., Kuznetsova T. Methanol as a hydrate inhibitor and hydrate activator // Physical Chemistry Chemical Physics 2018 (34) P. 21968.
- E. Haaz, A.J. Toth Methanol dehydration with pervaporation: Experiments and modelling // Separation and Purification Technology. 2018. V. 205 (31). P. 121.
- Ahnert F., Driever H., Chepurnov A., Fritz M., Kubanov A., Istomin V., Prokopov A., Fedulov D., Snezhko D., Dubnitsky R. Application of low-temperature separation technology for the field processing of achimov gas: challenges and opportunities // Proc. SPE Russian petroleum technology conference 2018 RPTC-2018.
- Mikkinen A., Larue J.Y.M., Patel S., Levier J.-F. Methanol Gas-Treating Scheme Offers Economics, Versatility // Oil and Gas J. 1992. № (90) 22. P. 65.
- Николаев А.О., Букин А.В. Опыт эксплуатации основного технологического оборудования по пподготовке к трансорту газа ачимовских горизонтов на УКГ-22 ООО “Газпром добыча Уренгой” // Приоритетные направления развития Уренгойского комплекса / ООО “Газпром добыча Уренгой”. М.: “Издательский дом Недра”, 2013.
- Кабанов О.П., Ставицкий В.А., Истомин В.А., Толстов В.А. Внедрение энергоресурсосберегающей технологии десорбции и рециркуляции метанола при освоении ачимовских залежей Уренгойского НГКМ // Приоритетные направления развития Уренгойского комплекса / ООО “Газпром добыча Уренгой”. М.: “Издательский дом Недра”, 2013.
- Anderson F.E., Prausnitz J.M. Inhibition of gas hydrates by methanol // AIChE Journal. 1986. V. 32. № 8. P. 1321.
- Афанасьев А.И., Афанасьев Ю.М., Барсук С.Д., и др. Технология переработки природного газа и конденсата. Справочник. Часть 1. М.: ООО “Недра-Бизнесцентр”, 2002.
- Kontogeorgis G.M., Michelsen M. L., Folas G. K., Derawi S., Solms N., Stenby E.H. Ten Years with the CPA (Cubic-Plus-Association) Equation of State. Part 2. Cross-Associating and Multicomponent Systems // Ind. Eng. Chem. Res. 2006. V. 45 (14). P. 4869.
- Yang X., Rowland D., Sampson C.C., Falloon P.E., May E.F. Evaluating cubic equations of state for predictions of solid-fluid equilibrium in liquefied natural gas production // Fuel. 2022. V. 314 (15). P. 123.
- Brunner E., Hültenschmidt W., Schlichthärle G. Liquid mixtures at high pressures IV. Isothermal phase equilibria in binary mixtures consisting of (methanol + hydrogen or nitrogen or methane or carbon monoxide or carbon dioxide) // The Journal of Chemical Thermodynamics. 1987. V. 19 (3). P. 273.
- J.H. Hong, P.V. Malone, M.D. Jett, R. Kobayashi The measurement and interpretation of the fluid-phase equilibria of a normal fluid in a hydrogen bonding solvent: the methane-methanol system // Fluid Phase Equilibria. 1987. V. 38. № (1–2). P. 83.
- Ярым-Агаев Н.Л., Синявская Р.П. и др. Фазовые равновесия в бинарных системах вода-метан, метанол-метан при высоких давлениях // Журн. прикл. химии. 1985. Т. 58, № 1. С. 165.
- Schlichting H., Langhorst R., Knapp H. Saturation of high pressure gases with low volatile solvents: experiments and correlation // Fluid Phase Equilibria. 1993. V. 84 (1). P. 143.
- Chapoy A., Coquelet C., Richon D. Revised solubility data and modeling of water in the gas phase of the methane/water binary system at temperatures from 283.08 to 318.12K and pressures up to 34.5MPa // Fluid Phase Equilibria. 2003. V. 214. P. 101.
Supplementary files








