Управление магнитными сорбентами в системах динамического онлайн-концентрирования для эффективного извлечения фенольных ксеноэстрогенов из водных растворов
- Авторы: Губин А.С.1, Суханов П.Т.1, Кушнир А.А.1, Евдокимов А.А.2, Болдырев Д.В.2
-
Учреждения:
- Воронежский государственный университет инженерных технологий
- Северо-Кавказский федеральный университет
- Выпуск: Том 97, № 1 (2024)
- Страницы: 52-62
- Раздел: Прочие физико-химические процессы
- URL: https://journal-vniispk.ru/0044-4618/article/view/259635
- DOI: https://doi.org/10.31857/S0044461824010079
- EDN: https://elibrary.ru/SFXIHY
- ID: 259635
Цитировать
Полный текст
Аннотация
Предложена автоматизированная онлайн-система для динамического извлечения и концентрирования бисфенола А, октилфенола и нонилфенола из водных растворов. Система включает в себя три перистальтических насоса и колонку с магнитным сорбентом, который удерживается неодимовыми магнитами. Переключение потоков осуществляется при помощи шестиходового крана. В автоматизированном режиме также проводится регенерация сорбента и возвращение его в колонку для концентрирования. Наночастицы Fe3O4, функционализированные гуматами (Fe3O4@SiO2-НА), использованы в качестве сорбентов. Распределенный по колонке сорбент удерживали двумя неодимовыми магнитами и пропускали через слой Fe3O4@SiO2-НА раствор, содержащий фенолы. Изучено влияние взаимного расположения магнитов на распределение сорбента по сечению колонки. Установлено, что наиболее полно сечение колонки заполняется при использовании двух магнитов, отведенных на расстояние 0.2–0.3 мм от колонки. Максимальные коэффициенты концентрирования (2071–2100) после десорбции метанолом и упаривания получены при скоростях пропускания 0.5 см3·мин–1.
Полный текст
Магнитные сорбенты благодаря своим свойствам (магнетизм, большая удельная площадь поверхности, уникальная структура пор, химическая и термическая стабильность, способность эффективно отделяться от смеси с помощью внешнего магнитного поля) применяются для выделения и концентрирования различных соединений [1, 2].
Динамическое концентрирование — подход, который может использоваться как для аналитических целей, так и препаративного выделения целевых компонентов. К недостаткам данного метода следует отнести относительно большой объем пробы, к существенным преимуществам — достижение высоких коэффициентов концентрирования [3].
В последнее время значительное развитие получили проточные, или «online» методы. Они подразумевают непрерывный циклический процесс сорбции, десорбции и регенерации сорбента. Подобные процессы можно легко автоматизировать. Системы динамического онлайн-концентрирования с применением магнитных сорбентов — современный подход к извлечению и концентрированию, начавший развиваться с конца 2000-х годов [4]. Однако такой способ извлечения и концентрирования имеет ряд проблем: сорбент необходимо не только иммобилизовать, но и обеспечить равномерное распределение по продольному и поперечному сечению колонки. Взаимодействие в системах магнитная наночастица–неодимовый магнит и управление магнитными частицами достаточно хорошо изучено в области медицины и биотехнологий [5], но задачи, решаемые в данных областях, совершенно другие — перемещение наночастиц или их фокусировка около органа-мишени. Для сорбционного концентрирования в поточных системах такой подход не подходит, поскольку не формируется слой сорбента определенной толщины.
В настоящее время широкое распространение получают миниатюризированные микропоточные системы на основе микрочипов и микроплат [6]. Они очень эффективны, но характеризуются крайне ограниченной областью применения (в основном в аналитической химии) из-за высоких требований к предварительной очистке пробы. Пробы или образцы, которые невозможно очистить до определенных стандартов, не могут быть использованы в таких системах, поскольку они существенно снижают сорбционную емкость колонки при пропускании раствора. Также требуется применение высокого давления для прохождения пробы, микрочипы относительно дороги в изготовлении и не могут масштабироваться для использования в препаративных целях. Указанных недостатков лишены системы, в которых извлечение и концентрирование происходит в колонке. При меньшей эффективности они обладают большей универсальностью и позволяют значительно снизить требования к чистоте пробы, сорбент может быть легко регенерирован. Наибольшие трудности представляет упаковка таких колонок, а именно равномерное распределение в них сорбента [7]. Упаковка должна обеспечить стабильный слой определенной толщины, характеризующийся относительной равномерностью и отсутствием каналов в глубине сорбента и в пристеночном слое. Обычно распределение сорбента по колонке устанавливается экспериментальным путем. Проводится серия опытов с различным расположением магнитов: одиночный — с одной стороны колонки, два — с каждой из сторон, расположенных параллельно, перпендикулярно или в иных положениях относительно друг друга.
Цель работы — оценить возможность применения автоматизированной системы для динамического концентрирования бисфенола А, нонилфенола и октилфенола с применением магнитного сорбента на основе гуматов и провести оценку характеристик динамического концентрирования, а также разработать установку для автоматического управления магнитным сорбентом.
Экспериментальная часть
Для сборки установки для онлайн-магнитной твердофазной микроэкстракции использовали автоматические перистальтические насосы BT600LC-S (Baoding chuangrui precision pump Co.) с возможностью управление персональным компьютером, трехходовые и шестиходовые краны Valco (внутренний диаметр 1.3 мм, EUDF-L10UW, Valko). Колонки для размещения сорбента с внутренним диаметром 1.3 мм, длиной 50 см выполняли на заказ из боросиликатного стекла марки Pyrex (Arc International). Для удержания сорбента использовали неодимовые магниты (4.5 × 2.5 × 1.8 мм, 1.47 Тл, ПО «Альт»). Соединение всех частей системы для динамического концентрирования осуществляли при помощи силиконовых трубок с внутренним диаметром 1.4 мм (Siliconium). Для отвода и подвода магнитов к колонке использовали сервомотор Powerful Nylon Gear Servo Motor SG-5010, плату на контроллере Arduino, источник питания для контроллера Arduino (9 В), источник питания для сервомотора (6 В), потенциометр 10 кВ (все — ООО «Амперка»).
В качестве цифрового регулятора стендовой установки использовали компактное программируемое реле для локальных систем автоматизации ПР100 (ООО «Производственное объединение «ОВЕН»). В качестве автоматизированного рабочего места оператора, являющегося источником задающих воздействий для цифрового регулятора, использовали персональный компьютер с предустановленным специализированным программным обеспечением Owen Process Manager (ООО «Производственное объединение «ОВЕН»), которое позволяет осуществлять связь между приборами и персональными компьютерами посредством соответствующих преобразователей интерфейсов. Для вывода и редактирования текстовых и цифровых параметров системы применяли компактную символьную панель с управляемой логикой ИПП 120 (ООО «Производственное объединение «ОВЕН») совместно с контроллерами или модулями ввода и вывода, подключенными по сети через интерфейс RS-485. Схема подключения устройств представлена на рис. 1.
Рис. 1. Схема подключения устройств управления автоматизированной установкой для онлайн-концентрирования с применением магнитных сорбентов.
Перемешивание и центрифугирование растворов осуществляли верхнеприводной мешалкой MXB-S3500L (YOTEC Instruments Co.) и центрифугой ОЛЦ-3п (ООО «ЕС-Лаб») соответственно. Взвешивание проводили на весах лабораторных ВЛТЭ-510Т (ООО «Весовые Технологии») и аналитических Vibra AF 225DRCE (Vibra). Упаривание концентратов выполняли на испарительном концентраторе в токе азота EvaPor (ООО «Компания Пущинские лаборатории»). Для газохроматографического анализа с масс-спектрометрическим детектированием применяли хроматограф Agilent 7890B GC System с детектором масс Agilent 5977A MSD (Agilent Technologies). Магнитные характеристики синтезированного сорбента изучали с помощью магнитометра VSM-7410S (Lake Shore). рН раствора контролировали с помощью pH-150M (АО «Аквилон»).
Растворители квалификации х.ч. (н-гексан, диэтиловый эфир, ацетон, ацетонитрил, метиловый спирт, все — АО «ЭКОС-1») применяли без дополнительной очистки. Для десорбции использовали метиловый спирт (для газовой хроматографии, 99.9% чистого вещества, ООО ТД «ХИММЕД»). Систему промывали деионизированной водой, полученной с помощью системы водоподготовки RiOs-DI (Merck Millipore), HCl и NaOH (ч.д.а., АО «ЛенРеактив»). Для приготовления растворов бисфенола А, нонилфенола, октилфенола (наиболее распространенные фенольные ксеноэстрогены [8]) применяли стандартные образцы для ГХ/ВЭЖХ с содержанием чистого вещества не менее 97% (ООО ТД «ХИММЕД»).
Для синтеза сорбента применяли гуминовые кислоты, выделенные из сапропеля, отобранного из озера Чистое, Воронежский биосферный заповедник, Воронежская область. Выделение проводили с применением HCl, НF и NaOH (ч.д.а., АО «ЛенРеактив») по алгоритму [9]. Основной недостаток гуминовых кислот — их частичная растворимость в органических растворителях, которая мешает проведению десорбции [10]. Необходимо удаление растворимой в органических растворителях составляющей гуминовых кислот. Для этого 10 г гуминовых кислот, выделенных из сапропеля, помещали в сосуд, добавляли 150 мл воды, 30 мин интенсивно перемешивали (1000 об·мин–1), далее 20 мин воздействовали ультразвуком (ультразвуковая ванна ПСБ-1322-05, ЗАО НПО «Техноком»), отделяли надосадочную жидкость, осадок промывали деионизированной водой. Повторяли перемешивание, обработку ультразвуком и промывку (двухкратно). Промытый осадок переносили в экстрактор Сокслета (ООО «ЦНТС ХимБиоБезопасность»), в котором последовательно проводили экстракцию н-гексаном, диэтиловым эфиром, смесью ацетон–вода (12:1, об.), метиловый спирт–вода (12:1, об.) и ацетонитрил–вода (12:1, об.). После каждой экстракции проводили промывание деионизированной водой, далее осадок высушивали при 50°С. Порции 0.05 г препарата помещали в полипропиленовую пробирку типа Эппендорф, добавляли 1 мл воды, н-гексана, диэтилового эфира, ацетона, метилового спирта или ацетонитрила, затем ее помещали в центрифугу, перемешивали 1 мин при 4000 об·мин–1 и отстаивали в течение 30 мин. Отбирали пробу и проводили анализ методом газохроматографического анализа с масс-спектрометрическим детектированием.
Отсутствие хроматографических пиков или их малая интенсивность, за исключением пиков растворителей, свидетельствовала об удалении растворимой в воде и органических растворителях фракции гуминовых кислот.
Синтез сорбента на основе гуматов (Fe3O4@SiO2-HA) приводили по методике, изложенной в работе [11]. Fe3O4 получены с использованием FeCl3·6H2O (Merck), FeSO4·7H2O (99.9%, АО «ЛенРеактив») и NH3·H2O (ч.д.а., АО «ЛенРеактив»). Сорбенты синтезированы с использованием тетраэтилортосиликата (99%, Acros Organics), цитрата натрия (ч.д.а., АО «ЛенРеактив»), диметилформамида (х.ч., АО «ЛенРеактив») и тионилхлорида (не менее 99.5% основного вещества, Acros Organics).
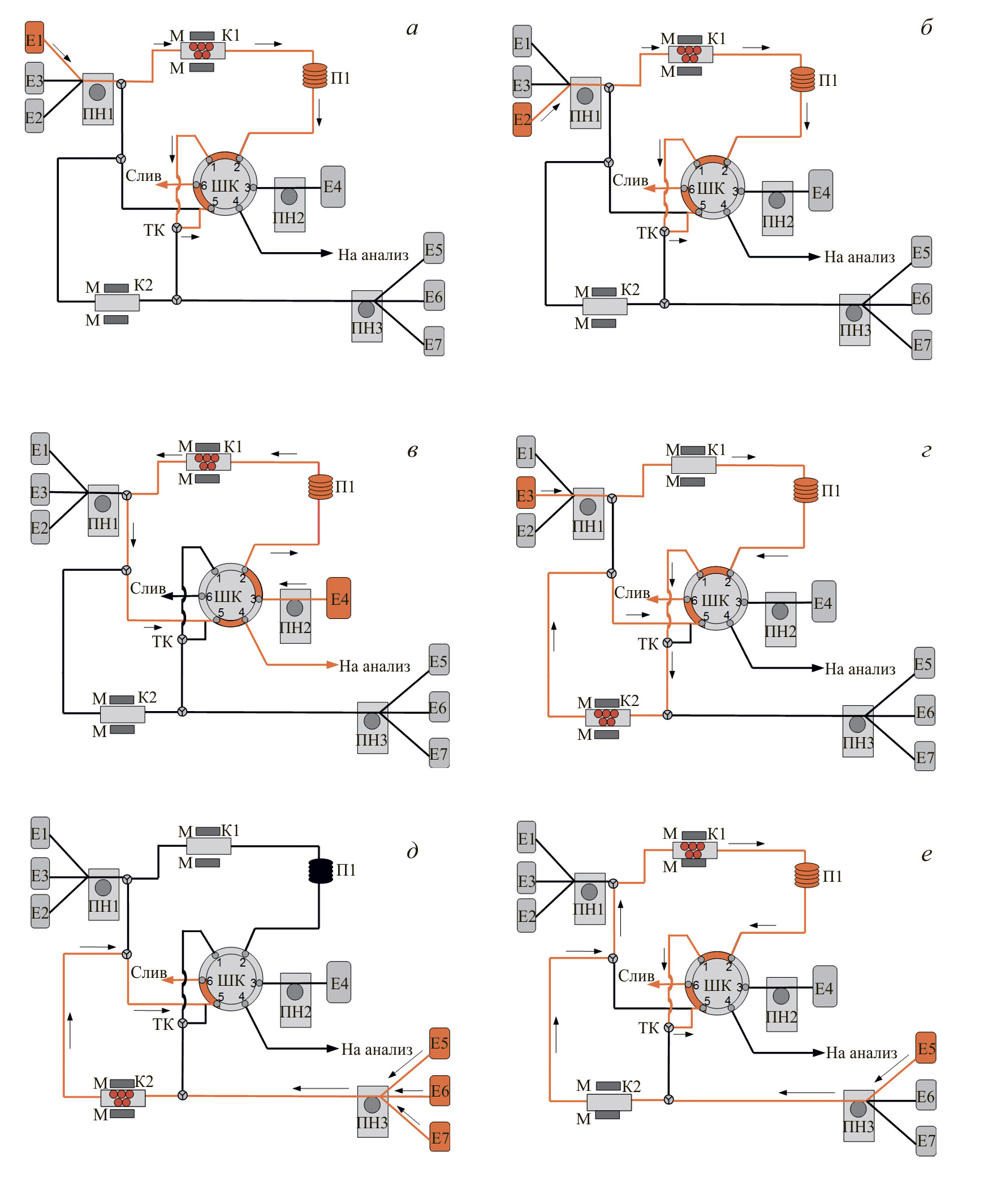
Система для онлайн-магнитной твердофазной микроэкстракции состоит из трех емкостей Е1–Е3 (рис. 2). В одну заливали раствор фенолов, в другую — суспензию магнитного сорбента. Для подачи раствора или суспензии сорбента применяли перистальтический насос ПН1. В емкости Е3 содержится деионизированная вода. Колонка К1 служит для сорбционного концентрирования. Для равномерного распределения сорбента по колонке предложена установка собственного изготовления, состоящая из двух магнитов, помещенных на раму (рис. 3). Эмульсия магнитного сорбента в воде перемещалась со скоростью 0.5 см3·мин–1 по колонке и перемешивалась двумя магнитами за счет поступательных движений вверх-вниз, осуществляемых с помощью эксцентрика. После прекращения подачи суспензии магнитного сорбента в колонку и равномерного распределения магниты прижимались к колонке с применением манипулятора, управляемого сервомотором. Для десорбции растворитель из емкости Е3 направляется в реверсном режиме с помощью перистальтического насоса ПН2 в колонку К1. В колонке К2 проводили регенерацию сорбента. Петля П1 служит для выравнивания потоков при неравномерности подачи. Емкости Е4, Е5 и Е6 содержали соответственно воду, н-гексан и смесь метиловый спирт–вода (10:1, об.). Сорбент сначала промывается н-гексаном, затем метиловым спиртом с добавлением воды (10:1, об.) и после водой. По окончании промывки магниты отводятся от колонки К2, и вода из емкости Е4 уносит регенерированный сорбент обратно в колонку К1. Управление потоками осуществляется с применением шестиходового крана и четырех трехходовых кранов.
Рис. 2. Схема стендовой автоматизированной установки для онлайн-концентрирования с применением магнитных сорбентов. Е — емкости, ПН — перистальтический насос, М — магниты, К — колонки, П — петля, ШК — шестиходовой кран, ТК – трехходовой кран. Работа стендовой установки в различных режимах: заполнение колонки К1 сорбентом (а), сорбционное концентрирование (б), элюирование фенолов (в), перенос сорбента в колонку К2 для регенерации (г), промывка сорбента водой и растворителями (д), перенос регенерированного сорбента обратно в колонку К1 для сорбционного концентрирования (е); оранжевым цветом показаны действующие потоки в каждом режиме.
Установка работает в шести режимах. На первом (рис. 2, а) происходит заполнение колонки сорбентом. Для этого суспензия сорбента подается насосом ПН1 в колонку К1 со скоростью не более 0.5 см3·мин–1. В колонке из потока суспензии магнитами отделяется сорбент Fe3O4@SiO2-HA, который распределяется за счет работы устройства для периодического воздействия постоянными магнитами (рис. 3), затем фиксируется магнитами, закрепленными на манипуляторе. Вода после колонки направляется через шестиходовой кран.
Рис. 3. Устройство для периодического воздействия постоянными магнитами на концентрирующий патрон.
1 — направляющие оси, 2 — неодимовые магниты, 3 — эксцентрик, 4 — рамка, 5 — колонка, 6 — двигатель, 7 — магнитный сорбент, 8 — сервомотор, 9 — манипулятор, 10 — неодимовые магниты на манипуляторе для фиксации сорбента в колонке.
Положение с опущенной рамой (а), поднятой рамой (б), вид сбоку (в), соответствующий положению с опущенной рамой (показан без сервомоторов с манипуляторами), и положение с подведенными манипуляторами с магнитами для фиксации сорбента в колонке (г).
Далее через колонку из емкости Е2 пропускают раствор фенолов для сорбционного концентрирования (рис. 2, б) с заданной скоростью пропускания, которая автоматически устанавливается оператором. В колонке К1 происходит их сорбционное концентрирование. Маршрут потока после колонки К1 аналогичен предыдущему этапу.
В ходе третьего режима проводится десорбция фенолов (рис. 2, в). Для этого 1 мл метилового спирта перистальтическим насосом ПН2 подается в систему из емкости Е4. Через шестиходовой кран ШК (положение 3-2) направляется в колонку К1, где происходит десорбция. Далее поток метилового спирта вместе с десорбированным фенолом направляется через ШК и далее на анализ.
Затем сорбент отправляется на регенерацию в колонку К2 (рис. 2, г). Для этого деионизированная вода из емкости Е3 с большой скоростью подается в колонку К1. Магниты отводятся манипулятором от колонки К1, и сорбент потоком воды через ШК попадает в колонку К2, где улавливается двумя магнитами, приводимыми в движение манипуляторами. Вода направляется через ШК на слив.
Далее начинается промывка сорбента (рис. 2, д). Сначала происходит промывка водой из емкости Е4, затем 1 мл смеси метиловый спирт–вода (10:1, об.) из емкости Е6, затем 1 мл н-гексана из емкости Е5, снова 1 мл смеси метиловый спирт–вода (10:1, об.). Завершается процесс переносом сорбента из колонки К2 обратно в колонку К1 (рис. 2, е). Для этого отводят магниты манипулятором от колонки К2, подают с большой скоростью деионизированную воду из Е4. Для улавливания магнитного сорбента в колонке К1 включают устройство для периодического воздействия постоянными магнитами (рис. 3).
Для установления характеристик сорбции в динамических условиях пропускали 1 дм3 раствора (рН 3) из емкости Е2 со скоростью пропускания растворов 0.5, 1, 2, 3, 5, 7, 10 см3·мин–1 через колонку К1. После колонки К1 раствор фенолов отправляли на анализ, переводя ШК в положение 5-4. Колонку заполняли 1 см3 сорбента (в пересчете на сухое вещество). Десорбцию проводили 2 см3 метилового спирта. Строили выходные кривые сорбции в координатах с/с0 = f(V), где с и с0 — концентрации фенолов (мкг·мл–1) на выходе и входе в систему соответственно; V — объем пробы, прошедший через колонку (см3). По выходным кривым находили объем до проскока (см3) и коэффициент концентрирования в динамических условиях K согласно уравнениям (1), (2) [12]:
(1)
где и — концентрация аналита в исходном водном растворе и в объеме сорбента (мг·мл–1) в момент 10%-ного проскока соответственно.
(2)
где — объем сухого сорбента в колонке (); — масса аналита (мг), сорбированного твердой фазой из объема, соответствующего 10%-ному проскоку.
Также рассчитывали коэффициент концентрирования (EF) как отношение исходной концентрации фенолов до сорбции к концентрации после сорбции, десорбции метанолом и упаривания метанольного концентрата. Концентрацию фенолов устанавливали методом газохроматографического анализа с масс-спектрометрическим детектированием.
Для оптимизации распределения сорбента в колонке К1 выполнялось моделирование распределения магнитного сорбента. Для этого 0.5 г сорбента помещали в колонку и фиксировали с помощью одного, двух магнитов, двух магнитов в положении, перпендикулярном относительно друг друга, и двух магнитов, находящихся на небольшом расстоянии (0.3 мм) друг от друга. Распределение магнитного сорбента изучали с помощью микрофотографий. Для этого использовали зеркальную камеру Nikon D5200 с макрообъективом AF-S Micro-Nikkor 105mm f/2.8G IF-ED VR и макрофильтром KnightX. По полученным фотографиям выбирали наиболее равномерно распределенный вариант по продольному и поперечному сечению колонки. Также визуально с применением микрофотографий устанавливали предельный расход жидкости в колонке, при котором происходит унос сорбента, удерживаемого магнитом, в диапазоне скоростей 0.5–12.0 см3·мин–1.
Обсуждение результатов
Для удержания наночастиц сорбента в колонке при динамических условиях концентрирования нами применены магниты с постоянной силой 1.47 Тл. Перед сорбцией магнитный сорбент необходимо относительно равномерно распределить по сечению колонки. Такая задача не решается простой установкой магнитов с одной или обеих сторон колонки. Если пропустить суспензию магнитного сорбента в воде через колонку, с двух сторон которой установлены два магнита, то магнитный сорбент образует в колонке узкую полосу в самом начале зоны воздействия магнитов и практически не распределяется по сечению колонки и не формирует слой, необходимый для сорбции.
Магниты поднимаются вверх и вниз с заданной частотой и попеременно воздействуют на сорбент в колонке. Эмульсия магнитного сорбента в воде перемещается с небольшой скоростью по колонке и перемешивается двумя магнитами за счет поступательных движений вверх-вниз, осуществляемых с помощью эксцентрика. При этом на магнитные частицы попеременно воздействует скорость течения воды и неодимовые магниты, что позволяет сорбенту медленно двигаться вдоль колонки, распределяясь в продольном сечении. В то же время сорбент распределяется в поперечном сечении за счет движения вверх и вниз под действием магнитов, что приводит к равномерному распределению Fe3O4@SiO2-НА, который формирует относительно однородный слой. Как только такой слой сформировался, магниты на раме отводятся, и равномерно упакованный в колонке слой сорбента фиксируется другими магнитами, приводимыми в движение с помощью манипулятора, управляемого сервомотором.
Для оптимизации условий распределения были проведены эксперименты с одним и двумя магнитами, а также рассмотрены различные варианты расположения двух магнитов. При установке магнита с одной стороны образуется зона сорбента, покрывающая приблизительно 50–70% площади поперечного сечения колонки (рис. 4, а). Сорбент распределяется внутри колонки в виде игольчатых структур, вытянутых по магнитным линиям.
Рис. 4. Распределение сорбента по колонке (внутренний диаметр 1 мм) при его иммобилизации одним неодимовым магнитом (а), двумя магнитами (б), двумя магнитами в перпендикулярном положении относительно друг друга (в) и двумя магнитами, отведенными от колонки на 0.3 мм (г).
На фото слева представлено поперечное сечение колонки в аналогичных условиях (внутренний диаметр 2.5 мм).
При установке двух магнитов формируется зона магнитного сорбента по всей высоте колонки (рис. 4, б). Слой сорбента образует столб в поперечном сечении, оставляя незаполненными области около боковых стенок колонки. По длине колонки образуется длинная зона сорбента, удерживаемая магнитами, которая находится посередине колонки. Она касается дна и верхней части колонки, но не касается боковых стенок.
Расположение магнитов перпендикулярно друг другу позволяет сорбенту практически полностью заполнить все сечение колонки (рис. 4, в). Ранее [13] было показано, что такой вариант наиболее эффективен. Однако на практике, вероятно, распределение сорбента зависит от силы магнита, намагниченности насыщения и разброса размера частиц магнитного сорбента. По бокам колонки в поперечном сечении формируются небольшие зоны, не занятые сорбентом, либо плотность сорбента в этих зонах значительно ниже, чем в центральной, верхней и нижней части колонки. При проведении сорбционного концентрирования это способствует возникновению пристеночных эффектов и уносу сорбента. Наиболее эффективным вариантом оказалось отведение магнитов от колонки на расстояние 0.2–0.3 мм (рис. 4, г). В таком случае сечение колонки относительно равномерно заполняется сорбентом, формируя слой длиной, соответствующей зоне влияния приближенных к колонке магнитов. Эффективность сорбции в таком случае оказалась максимальной.
Еще одним важным критерием стабильной работы колонки в динамических условиях является неподвижность слоя сорбента. Поскольку сорбент иммобилизован только за счет магнита, основными параметрами, определяющими унос, являются намагниченность насыщения и скорость потока (расход пропускаемого раствора). Установлена скорость потока при постоянной силе магнита 1.47 Тл, при котором не происходит унос сорбента (рис. 5). При небольших значениях намагниченности насыщения (8–15 э.м.е·г–1) скорость пропускания сорбента, при которой происходит унос сорбента, составляет 2–4 см3·мин–1, при значительной намагниченности насыщения (64 э.м.е·г–1), которая характерна для немодифицированного Fe3O4, может достигать значительных величин (12 см3·мин–1).
Сорбция в основном происходит за счет образования водородных связей, поскольку исходные гуминовые кислоты содержат большое количество гидроксильных, карбоксильных и азотсодержащих групп. В меньшей степени извлечение возможно за счет гидрофобных взаимодействий и образования ионных ассоциатов [14].
Рис. 5. Максимальные скорости потока, при которых не происходит уноса сорбентов с различной намагниченностью насыщения.
Изучение концентрирования в динамических условиях показало высокую эффективность в отношении всех исследуемых веществ. Необходимо отметить, что в интервале скоростей пропускания раствора 0.5–3.0 см3·мин–1 происходит лишь незначительное снижение сорбционных характеристик (см. таблицу), что позволяет ускорить проведение динамического концентрирования, увеличив скорость пропускания до 3.0 см3·мин–1 без существенного снижения эффективности. Объемы растворов до проскока составляют 840–990 см3, что соответствует коэффициентам концентрирования 745–916. Упаривание концентрата в токе азота увеличивает коэффициенты концентрирования в 2.5–3 раза. Коэффициенты концентрирования с учетом упаривания составляют 2100, 2090 и 2071 для бисфенола А, нонилфенола и октилфенола соответственно.
Объемы до проскока и коэффициенты концентрирования при динамической сорбции фенолов в зависимости от скоростей пропускания растворов (объем сухого сорбента 1.0 см3)
Характеристика | Фенол | Скорость пропускания растворов, см3·мин–1 | |||||
0.5 | 1.0 | 2.0 | 3.0 | 5.0 | 7.0 | ||
Объем до проскока, см3 | Бисфенол А | 990 | 960 | 900 | 820 | 570 | 230 |
Коэффициент концентрирования в динамических условиях* | 916 | 884 | 817 | 728 | 478 | 147 | |
Коэффициент концентрирования | 2100 | 2082 | 2061 | 2005 | 1740 | 430 | |
Объем до проскока, см3 | Нонилфенол | 960 | 920 | 870 | 800 | 520 | 190 |
Коэффициент концентрирования в динамических условиях* | 889 | 829 | 774 | 714 | 430 | 100 | |
Коэффициент концентрирования | 2090 | 2070 | 2051 | 1994 | 1618 | 295 | |
Объем до проскока, см3 | Октилфенол | 930 | 900 | 840 | 780 | 450 | 120 |
Коэффициент концентрирования в динамических условиях* | 832 | 814 | 745 | 709 | 362 | 64 | |
Коэффициент концентрирования | 2071 | 2053 | 2016 | 1989 | 1435 | 137 | |
* Коэффициенты концентрирования вычислены с учетом расхода метилового спирта (1 см3) на десорбцию без упаривания концентрата.
Повышение скоростей пропускания до 5.0 см3·мин–1 показывает снижение объема до проскока на 40%, но в целом позволяет достигать относительно высоких показателей — коэффициенты концентрирования без учета упаривания концентрата составляют 362–478. Дальнейшее увеличение скорости пропускания до 7.0 см3·мин–1 вызывает образование каналов и ухудшение условий сорбции. Коэффициенты концентрирования существенно снижаются, а при скорости 8.0 см3·мин–1 начинается унос сорбента.
Магнитные свойства сорбента позволяют управлять сорбентом и полностью автоматизировать процесс сорбции, начиная от подачи сорбента и заканчивая его регенерацией. Автоматизация также улучшает воспроизводимость результатов, не ухудшая количественные характеристики сорбции, и позволяет управлять процессом полностью дистанционно. Полученные коэффициенты концентрирования на 10–15% выше, чем ранее установленные при использовании аналогичной технологии без автоматизации процесса путем пропускания через колонку с установленными по обе стороны магнитами [11].
Выводы
Применение магнитных сорбентов и управление ими за счет использования магнитных свойств позволило полностью автоматизировать все стадии процесса концентрирования (сорбция, десорбция и регенерация сорбента) фенольных ксеноэстрогенов из водных растворов при использовании проточной системы. Получены высокие коэффициенты концентрирования (2100, 2090 и 2071 для бисфенола А, нонилфенла и октилфенола соответственно). Разработанная система может стать прототипом для других систем извлечения и концентрирования с использованием магнитных сорбентов как в аналитической химии, так и для применения в препаративных целях в различных отраслях химической и химико-фармацевтической промышленности.
Конфликт интересов
Авторы заявляют об отсутствии конфликта интересов, требующего раскрытия в данной статье.
Информация о вкладе авторов
А. С. Губин — разработка концепции и идеи работы, проведение экспериментов по синтезу магнитных сорбентов, анализ проб; П. Т. Суханов, А. А. Кушнир — проведение экспериментов по изучению сорбции в динамических условиях и проведение упаривания концентратов; А. А. Евдокимов, Д. В. Болдырев — разработка схемы подключения устройств для управления стендовой установкой и системы для онлайн-магнитной твердофазной микроэкстракции.
Об авторах
Александр Сергеевич Губин
Воронежский государственный университет инженерных технологий
Автор, ответственный за переписку.
Email: goubinne@mail.ru
ORCID iD: 0000-0002-0119-4375
SPIN-код: 6968-2366
Scopus Author ID: 8590575600
к.х.н., доцент
Россия, 394036, г. Воронеж, пр. Революции, 19Павел Тихонович Суханов
Воронежский государственный университет инженерных технологий
Email: goubinne@mail.ru
ORCID iD: 0000-0002-2588-9286
SPIN-код: 8978-9118
Scopus Author ID: 10046067600
д.х.н., проф.
Россия, 394036, г. Воронеж, пр. Революции, 19Алексей Алексеевич Кушнир
Воронежский государственный университет инженерных технологий
Email: goubinne@mail.ru
ORCID iD: 0000-0003-4844-0147
SPIN-код: 7049-2733
Scopus Author ID: 55983575000
к.х.н.
Россия, 394036, г. Воронеж, пр. Революции, 19Алексей Алексеевич Евдокимов
Северо-Кавказский федеральный университет
Email: goubinne@mail.ru
ORCID iD: 0000-0003-1283-0768
SPIN-код: 1351-2146
Scopus Author ID: 57206467831
к.т.н., доцент
Россия, 355017, г. Ставрополь, ул. Пушкина, 1Дмитрий Владимирович Болдырев
Северо-Кавказский федеральный университет
Email: goubinne@mail.ru
ORCID iD: 0000-0001-9225-2560
SPIN-код: 6933-9049
Scopus Author ID: 57206471605
к.т.н., доцент
Россия, 355017, г. Ставрополь, ул. Пушкина, 1Список литературы
- Толмачева В. В., Апяри В. В., Кочук Е. В., Дмитриенко С. Г. Магнитные сорбенты на основе наночастиц оксидов железа для выделения и концентрирования органических соединений // ЖАХ. 2016. Т. 71. № 4. С. 339–356. https://www.elibrary.ru/VRZHZT
- Faraji M., Shirani M., Rashidi-Nodeh H. The recent advances in magnetic sorbents and their applications // TrAC Trends in Analytical Chemistry. 2021. V. 141. ID 116302. https://doi.org/10.1016/j.trac.2021.116302
- Цизин Г. И., Статкус М. А., Золотов Ю. А. Сорбционное и экстракционное концентрирование микрокомпонентов в проточных системах анализа // ЖАХ. 2015. Т. 70. № 11. С. 1123–1142. https://www.elibrary.ru/UIMHED
- Giakisikli G., Anthemidis A. N. Automated magnetic sorbent extraction based on octadecylsilane functionalized maghemite magnetic particles in a sequential injection system coupled with electrothermal atomic absorption spectrometry for metal determination // Talanta. 2013. V. 110. P. 229–235. https://doi.org/10.1016/j.talanta.2013.02.035
- Bernad S. I., Bernad E. Magnetic forces by permanent magnets to manipulate magnetoresponsive particles in drug-targeting applications // Micromachines. 2022. V. 13. ID 1818. https://doi.org/10.3390/mi13111818
- Chen B., Heng S., Peng H., Hu B., Yu X., Zhang Z., Pang D., Yue X., Zhu Y. Magnetic solid phase microextraction on a microchip combined with electrothermal vaporization-inductively coupled plasma mass spectrometry for determination of Cd, Hg and Pb in cells // J. Anal. At. Spectrom. 2010. V. 25. P. 1931–1938. https://doi.org/10.1039/c0ja00003e
- Huang Y. F., Li Y., Jiang Y., Yan X. P. Magnetic immobilization of amine-functionalized magnetite microspheres in a knotted reactor for on-line solid-phase extraction coupled with ICP-MS for speciation analysis of trace chromium // J. Anal. At. Spectrom. 2010. V. 25. P. 1467–1474. https://doi.org/10.1039/C004272B
- Lv X., Xiao S., Zhang G. Jiang P., Tang F. Occurrence and removal of phenolic endocrine disrupting chemicals in the water treatment processes // Sci. Rep. 2016. V. 6. ID 22860. https://doi.org/10.1038/srep22860
- Губин А. С., Суханов П. Т., Кушнир А. А. Извлечение фенолов из водных сред с применением магнитных сорбентов, модифицированных гуминовыми кислотами // Вестн. Москов. ун-та. Сер. 2: Химия. 2019. Т. 60. № 5. С. 338–346. https://www.elibrary.ru/YWKHJJ
- Kosaka J., Honda C., Izeki A. Fractionation of humic acid by organic solvents // Soil Science and Plant Nutrition. 1961. V. 7. N 2. P. 4–53. https://doi.org/10.1080/00380768.1961.10430956
- Gubin A. S., Sukhanov P. T., Kushnir A. A. Magnetic sorbent modified by humate for the extraction of alkylphenols, bisphenol // Mendeleev Commun. 2023. V. 33. P. 285–286. https://doi.org/10.1016/j.mencom.2023.02.044 https://www.elibrary.ru/VVYDSV
- Кушнир А. А., Суханов П. Т., Чурилина Е. В., Шаталов Г. В. Динамическая сорбция нитрофенолов из водных растворов полимерами на основе N-винилпирролидона // ЖПХ. 2014. Т. 87. № 5. С. 589–594. https://www.elibrary.ru/SMFLMM
- Giakisikli G., Anthemidis A. N. Automated magnetic sorbent extraction based on octadecylsilane functionalized maghemite magnetic particles in a sequential injection system coupled with electrothermal atomic absorption spectrometry for metal determination // Talanta. 2013. V. 110. P. 229–235. https://doi.org/10.1016/j.talanta.2013.02.035
- Gubin A. S., Sukhanov P. T., Kushnir A. A., Shikhaliev K. S., Potapov M. A., Kovaleva E. N. Ionic-liquid-modified magnetite nanoparticles for MSPE-GC-MS determination of 2,4-D butyl ester and its metabolites in water, soil, and bottom sediments // Environ. Nanotechnol. Monit. Manag. 2022. V. 17. ID 100652. https://doi.org/10.1016/j.enmm.2022.100652 https://www.elibrary.ru/SOPDDB
Дополнительные файлы








