Synchronized Detection of X-Ray and Secondary Fluorescent Radiation of a Sample by Monophoton Sensors
- Authors: Kalinin A.P.1, Egorov V.V.2, Rodionov A.I.3, Rodionov I.D.3, Rodionova I.P.3
- 
							Affiliations: 
							- Ishlinsky Institute for Problems in Mechanics, Russian Academy of Sciences
- Space Research Institute, Russian Academy of Sciences
- Semenov Federal Research Center for Chemical Physics, Russian Academy of Sciences
 
- Issue: Vol 42, No 7 (2023)
- Pages: 17-22
- Section: XXXIV СИМПОЗИУМ “СОВРЕМЕННАЯ ХИМИЧЕСКАЯ ФИЗИКА” (СЕНТЯБРЬ 2022 г., ТУАПСЕ)
- URL: https://journal-vniispk.ru/0207-401X/article/view/139929
- DOI: https://doi.org/10.31857/S0207401X23070087
- EDN: https://elibrary.ru/YBPOIC
- ID: 139929
Cite item
Full Text
Abstract
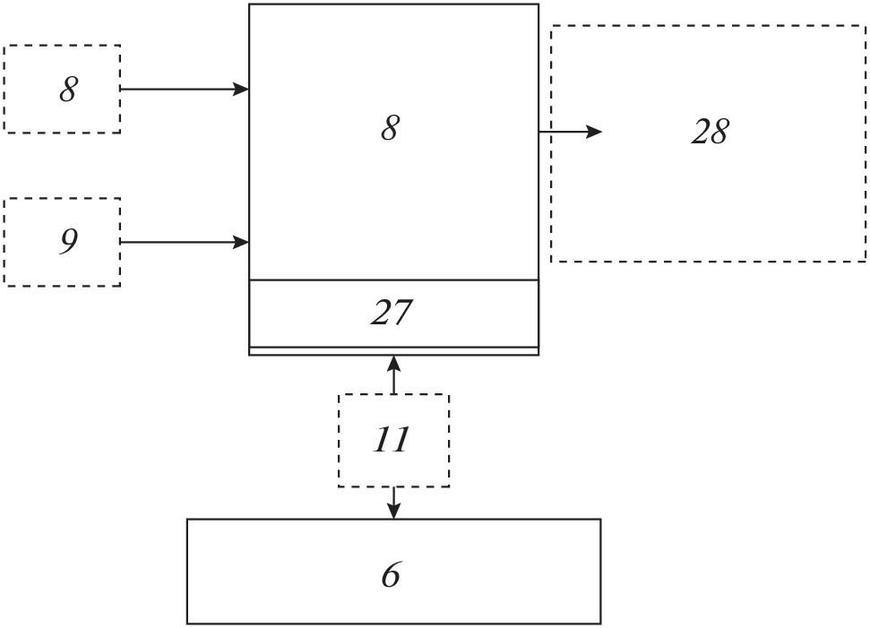
The structure of a device designed to detect X-ray and optical photons ascending from a sample irradiated with synchrotron radiation or X-ray tube radiation and the principles of its operation are described. The operation of the device consists of determining the delay time of the specified optical photons relative to the X-ray photons. Block diagrams of the main components of the device, outlining the principles of their operation, are given: a monophoton X-ray sensor, a monophoton optical sensor, and a unit for determining the time delay. The areas of scientific and applied use of information obtained with the help of the considered device are indicated.
Keywords
About the authors
A. P. Kalinin
Ishlinsky Institute for Problems in Mechanics, Russian Academy of Sciences
														Email: victor_egorov@mail.ru
				                					                																			                												                								 Moscow, Russia						
V. V. Egorov
Space Research Institute, Russian Academy of Sciences
														Email: victor_egorov@mail.ru
				                					                																			                												                								 Moscow, Russia						
A. I. Rodionov
Semenov Federal Research Center for Chemical Physics, Russian Academy of Sciences
														Email: victor_egorov@mail.ru
				                					                																			                												                								 Moscow, Russia						
I. D. Rodionov
Semenov Federal Research Center for Chemical Physics, Russian Academy of Sciences
														Email: victor_egorov@mail.ru
				                					                																			                												                								 Moscow, Russia						
I. P. Rodionova
Semenov Federal Research Center for Chemical Physics, Russian Academy of Sciences
							Author for correspondence.
							Email: victor_egorov@mail.ru
				                					                																			                												                								 Moscow, Russia						
References
- Андреев П.В., Трушин В.Н., Фаддеев М.А. Рентгеновский фазовый анализ поликристаллических материалов. Н. Новгород: Нижегородский ГУ, 2012.
- Анфимов Д.Р., Голяк Иг.С., Небритова О.А., Фуфурин И.Л. // Хим. физика. 2022. Т. 41. № 10. С. 10.
- Матвеева И.А., Шашкова В.Т., Любимов А.В. и др. // Хим. физика. 2019. Т. 38. № 9. С. 30.
- Гласкер Дж.П., Трублад К.Н. Анализ кристаллической структуры. М.: Мир, 1974.
- Чижов П., Левин Э., Митяев А., Тимофеев А. Приборы и методы рентгеновской и электронной дифракции. М.: МФТИ, 2011.
- Синицын Д.О., Лунин В.Ю., Грум-Гржимайло А.Н. и др. // Хим. физика. 2014. Т. 33. № 7. С. 21.
- Жорин В.А., Киселев М.Р., Мухина Л.Л., Пуряева Т.П., Разумовская И.В. // Хим. физика. 2008. Т. 27. № 2. С. 39.
- https://vk.com/@luconpro-vse-o-metode-rentgenofluorescentnogo-analiza-rfa-kak-eto-rab
- Черноруков Н.Г., Нипрук О.В. Теория и практика рентгенофлуоресцентного анализа. Электронное учебно-методическое пособие. Н. Новгород: Нижегородский ГУ, 2012.
- Belov A.A., Korovin N.A., Rodionov A.I. et al. // Automation Remote Control. 2014. V. 75. № 8. P. 1479.
- Родионов И.Д., Родионов А.И., Родионова И.П. и др. // Хим. физика. 2019. Т. 38. № 11. С. 1; https://doi.org/10.1134/S0207401X19070136
- Родионов А.И., Родионов И.Д., Родионова И.П. и др. // Хим. физика. 2021. Т. 40. № 10. С. 61; https://doi.org/10.31857/S0207401X21100113
Supplementary files
 
				
			 
					 
						 
						 
						 
						 
				
 
  
  
  Email this article
			Email this article 





