Контроль текущего рабочего состояния и прогнозирование остаточного ресурса высоковольтных изоляторов
- Авторы: Голенищев-Кутузов В.А.1, Голенищев-Кутузов А.В.1, Семенников А.В.1, Калимуллин Р.И.1, Иванов Д.А.1
-
Учреждения:
- Федеральное государственное бюджетное образовательное учреждение высшего образования “Казанский государственный энергетический университет”
- Выпуск: Том 87, № 12 (2023)
- Страницы: 1823-1827
- Раздел: Статьи
- URL: https://journal-vniispk.ru/0367-6765/article/view/232558
- DOI: https://doi.org/10.31857/S0367676523703143
- EDN: https://elibrary.ru/QLIKVU
- ID: 232558
Цитировать
Полный текст
Аннотация
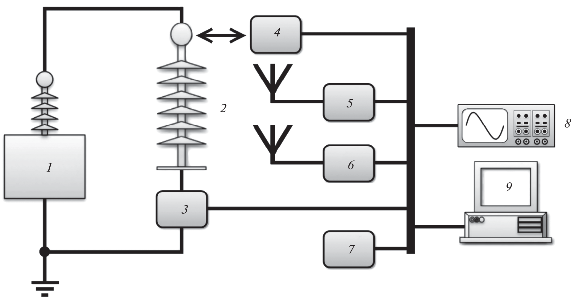
Рассмотрены особенности разработанного комплексного дистанционного метода диагностики текущего рабочего состояния и прогнозирования остаточного ресурса высоковольтных изоляторов в условиях эксплуатации. Метод основан на регистрации и последующем компьютерном анализе набора экспериментально установленных диагностических параметров частичных разрядов. Для поиска и локализации места, вида и степени опасности дефектов используется двухканальный бесконтактный метод регистрации частичных разрядов с применением электромагнитного и акустического датчиков в составе узкосфокусированных антенн. Особое внимание уделено изучению влияния наиболее опасных дефектов, возникающих за счет индуцированных электрических полей, созданных предыдущими частичными разрядами.
Об авторах
В. А. Голенищев-Кутузов
Федеральное государственное бюджетное образовательное учреждение высшего образования“Казанский государственный энергетический университет”
Email: campoce6e@gmail.com
Россия, Казань
А. В. Голенищев-Кутузов
Федеральное государственное бюджетное образовательное учреждение высшего образования“Казанский государственный энергетический университет”
Email: campoce6e@gmail.com
Россия, Казань
А. В. Семенников
Федеральное государственное бюджетное образовательное учреждение высшего образования“Казанский государственный энергетический университет”
Автор, ответственный за переписку.
Email: campoce6e@gmail.com
Россия, Казань
Р. И. Калимуллин
Федеральное государственное бюджетное образовательное учреждение высшего образования“Казанский государственный энергетический университет”
Email: campoce6e@gmail.com
Россия, Казань
Д. А. Иванов
Федеральное государственное бюджетное образовательное учреждение высшего образования“Казанский государственный энергетический университет”
Email: campoce6e@gmail.com
Россия, Казань
Список литературы
- Hikita M., Yamada K., Nakamura A. et al. // IEEE Trans. Electr. Insul. 1990. V. 25. No. 3. P. 453.
- Morshuis P.H.F., Kreuger F.H. // J. Phys. D. 1990. V. 23. No. 12. P. 1562.
- Аввакумов М.В., Голенищев-Кутузов А.В. // Изв. вузов. Пробл. энерг. 2003. № 9–10. С. 134.
- Вдовико В.П. Частичные разряды в диагностировании высоковольтного оборудования. Новосибирск: Наука, 2007. 155 с.
- Коробейников С.М., Овчинников А.Г. Физические механизмы частичных разрядов. Новосибирск: Издательство НГТУ, 2022. 266 с.
- Голенищев-Кутузов А.В., Голенищев-Кутузов В.А., Семенников А.В. и др. // Изв. РАН. Сер. физ. 2022. Т. 86. № 11. С. 1660; Golenishchev-Kutuzov V.A., Golenishchev-Kutuzov A.V., Semennikov A.V. et al. // Bull. Russ. Acad. Sci. Phys. 2022. V. 86. No. 11. P. 1376.
- Кузьмин Г.Н. // в кн: Физическая энциклопедия. Т. 4. М.: БРЭ, 1994. С. 544.
- Рашба Э.И. // в кн: Физическая энциклопедия. Т. 1. М.: Советская энциклопедия, 1988. С. 598.
- Голенищев-Кутузов А.В., Голенищев-Кутузов В.А., Иванов Д.А. и др. // Дефектоскопия. 2018. № 10. С. 10; Golenishchev-Kutuzov A.V., Golenishchev-Kutuzov V.A., Ivanov D.A. et al. // Russ. J. Nondestruct. Test. 2018. V. 54. No. 10. P. 682.
- Florkowski M.I. // Measurement. 2022. V. 196. Art. No. 111198.
- Nikonov V., Bartnicas R., Wertheimer M.R. // IEEE Transact. Plasma Sci. 2001. V. 29. No. 6. P. 866.
- Голенищев-Кутузов В.А., Голенищев-Кутузов А.В., Семенников А.В. и др. // Изв. вузов. Пробл. энерг. 2023. Т. 25. № 1. С. 154.
Дополнительные файлы







