Аппаратная реализация и тестирование 4-канальной быстрой электроники для детектора на МКП
- Авторы: Валиев Ф.Ф.1, Калиниченко Н.И.1, Макаров Н.А.1, Феофилов Г.А.1
-
Учреждения:
- Федеральное государственное бюджетное образовательное учреждение высшего образования Санкт-Петербургский государственный университет
- Выпуск: Том 88, № 8 (2024)
- Страницы: 1305-1311
- Раздел: Фундаментальные вопросы и приложения физики атомного ядра
- URL: https://journal-vniispk.ru/0367-6765/article/view/279606
- DOI: https://doi.org/10.31857/S0367676524080231
- EDN: https://elibrary.ru/OOWRTW
- ID: 279606
Цитировать
Полный текст
Аннотация
С использованием программной среды Quartus выполнено моделирование временных измерений для быстрого монитора столкновений пучков частиц на основе шевронных сборок микроканальных пластин (МКП). Алгоритм измерений основан на методе задержанных совпадений. Создана 4-канальная электроника для детектора на МКП на основе быстродействующих компараторов и FPGA EPM240 фирмы ALTERA. Проверка тестового прототипа проведена с использованием 4-канального генератора наносекундных импульсов с регулируемой задержкой между каналами. При использовании данных компараторов и FPGA установлена возможность определения времени регистрации частиц детектором с погрешностью 100 пс, при этом расчетное быстродействие схемы считывания совпадает с измеренным и составляет для 4-канальной системы не более 10 нс на каждое событие.
Полный текст
ВВЕДЕНИЕ
Исследование свойств материи с максимальной барионной плотностью на коллайдере NICA в ОИЯИ предполагает сканирование по энергии столкновения и по размерам сталкивающихся ядер с измерением различных наблюдаемых. Одной из основных задач в физической программе комплекса NICA является пособытийное исследование процессов рождения странных и мультистранных частиц [1]. Для прецизионного определения вторичных вершин распада короткоживущих странных частиц в настоящее время развиваются новые технологии для вершинных кремниевых детекторов, призванные повысить эффективность регистрации частиц в мягкой области спектра [2]. Особый интерес представляют гипероны и гиперядра, выходы которых оказываются чувствительными к эффектам ядерной плотности и к характеристикам среды, образующейся на раннем этапе столкновений [1]. В связи с этим существует необходимость точной информации о начальном состоянии системы для каждого события сталкивающихся ядер, в том числе о плотности энергии в области взаимодействия. Поэтому особое место занимает быстрый отбор событий ядро-ядерных столкновений, удовлетворяющих определенным критериям и реализуемый в условиях светимости коллайдера NICA на уровне L = 1027 см-2∙с-1 для A+A столкновений.
Так, прецизионное определение времени и места столкновения ядер в экспериментах на встречных пучках тяжелых ионов на коллайдере NICA важно для регистрации событий, удовлетворяющих заданным начальным условиям, например, для отбора только самых центральных столкновений. Кроме того, вершина события должна находиться в пределах заданного аксептанса, необходимо режектировать фоновые события, связанные с взаимодействие пучка с остаточным газом, а также случаи наложения событий (т. н. pile-up). Для решения перечисленных задач предложен быстрый монитор столкновений пучков — Fast Beam-Beam Collisions Monitor (FBBC) на основе МКП [3]. Многоанодные кольцевые МКП-детекторы, расположенные симметрично относительно центра экспериментальной установки, могут позволить получать для каждого столкновения ядер информацию о координате и времени столкновения, а также множественности заряженных частиц в области больших быстрот.
С целью пособытийного восстановления координаты, а также быстрой оценки класса центральности столкновения ядер ранее были проведены исследования с использованием средств машинного обучения [4, 5], которые позволили предложить варианты FBBC с постановкой детекторных МКП колец как внутри, так и вне ионопровода.
Здесь мы рассматриваем возможные конфигурации системы МКП детекторов, систему быстрого считывания информации, результаты моделирования и тестирования 4-канальной электроники быстрого считывания.
КОНФИГУРАЦИЯ СИСТЕМЫ МКП ДЕТЕКТОРОВ
На рис. 1 представлена конфигурация системы, состоящей из шести детекторных колец на микроканальных пластинах расположенных — для первого варианта внутри ионопровода.
Рис. 1. Конфигурация системы, состоящей из шести детекторов на МКП с внутренними кольцами из МКП детекторов.
В случае второго варианта возможна установка двух кольцевых многосекционных МКП детекторов в отдельных вакуумных камерах, расположенных вне ионопровода симметрично от точки взаимодействия. На рис. 2 представлена конфигурация такой внешней системы, состоящей из двух 32-канальных детекторов. Эту систему мы рассматриваем ниже, как базовую для разработки аппаратной реализации быстрой многоканальной электроники для детектора на МКП.
Рис. 2. Схема конфигурации детектора № 2. Большие кольца детектора (не в масштабе).
Детектор состоит из восьми сегментов по четыре анода в каждом. Каждый анод регистрации через схему дискриминации (компаратор с регулируемым порогом) соединен с индивидуальным преобразователем время — код.
С учетом частоты повторения банчей на коллайдере NICA можно получить требования для выполнения обработки в реальном времени. Основное требование к системе регистрации — время считывания, оцифровки и передачи информации о номере канала не должно превышать 20 нс. Кроме того, время прихода частицы на детектор должна определяться с точностью порядка 100 пс.
Время-цифровые преобразователи (ВЦП) можно разделить на ВЦП прямого счета, “уилкинсоновского” и нониусного типа. ВЦП “уилкинсоновского” типа позволяют получить временное разрешение менее 10 пс [6], но зарядка и последующая разряда конденсатора длительный процесс и время преобразования составляет десятки мкс. Нониусный метод аналогичен дискретному счету, в котором идет подсчете числа тактовых импульсов генератора в течение измеряемого промежутка времени с помощью счетчика, но кроме генератора счетных импульсов, в схеме имеется генератор нониусных импульсов. Это позволяет повысить точность преобразования и применять их в субнаносекундной области [7—9].
Применение программируемых логических интегральных схем (ПЛИС/FPGA) с высоким быстродействием и большим количеством элементов дает возможность создать компактные, полностью интегральные и программируемые ВЦП.
ВЦП прямого счета на базе ПЛИС Altera EPF10K50VRC240-3 с типовым временем задержки на вентиль 2.5 нс и тактовой частотой между сигналами START и STOP 40 МГц показан в работе [10]. Цена одного канала измерения порядка 2.5 нс, а диапазон измеряемых интервалов времени от 2.5 нс до 2.8 мкс.
Применение нониусного принципа на порядок повысило разрешающую способность. Восьмиканальный ВЦП с переменным размером ячейки до 0.28 нс был реализован в ПЛИС Xilinx Kintex-7 [11]. Входной сигнал делился на четыре с частотой опорного тактового сигнала 110 МГц. Временное разрешение составило 0.08—0.10 нс, а минимальная задержка от входного сигнала до выхода буфера 0.21 мкс. В работе [12] на ПЛИС Kintex-7 реализован 128-канальный ВЦП с мертвым временем 1.47 нс, динамическим диапазоном 360 нс и среднеквадратичным разрешением менее 10 пс.
Недостатком вышеперечисленных устройств является низкая пропускная способность системы коррекции линейности выходных данных, что не позволяет в режиме реального времени получать информацию о столкновении частиц.
Ниже представлены результаты моделирование и тестирования 4-канальной электроники быстрого считывания, позволяющей за время не более 10 нс, получать информацию о номере сработавшего канала и о времени прихода продуктов реакции. Эта система регистрации является прототипом для многоканальной электроники для монитора столкновений пучков (FBBC) на основе МКП.
Для тестирования 4-канальной системы быстрого считывания с четырех падов проведено моделирование и изготовлен прототип. Они описаны в последующих разделах.
СИСТЕМА БЫСТРОГО СЧИТЫВАНИЯ
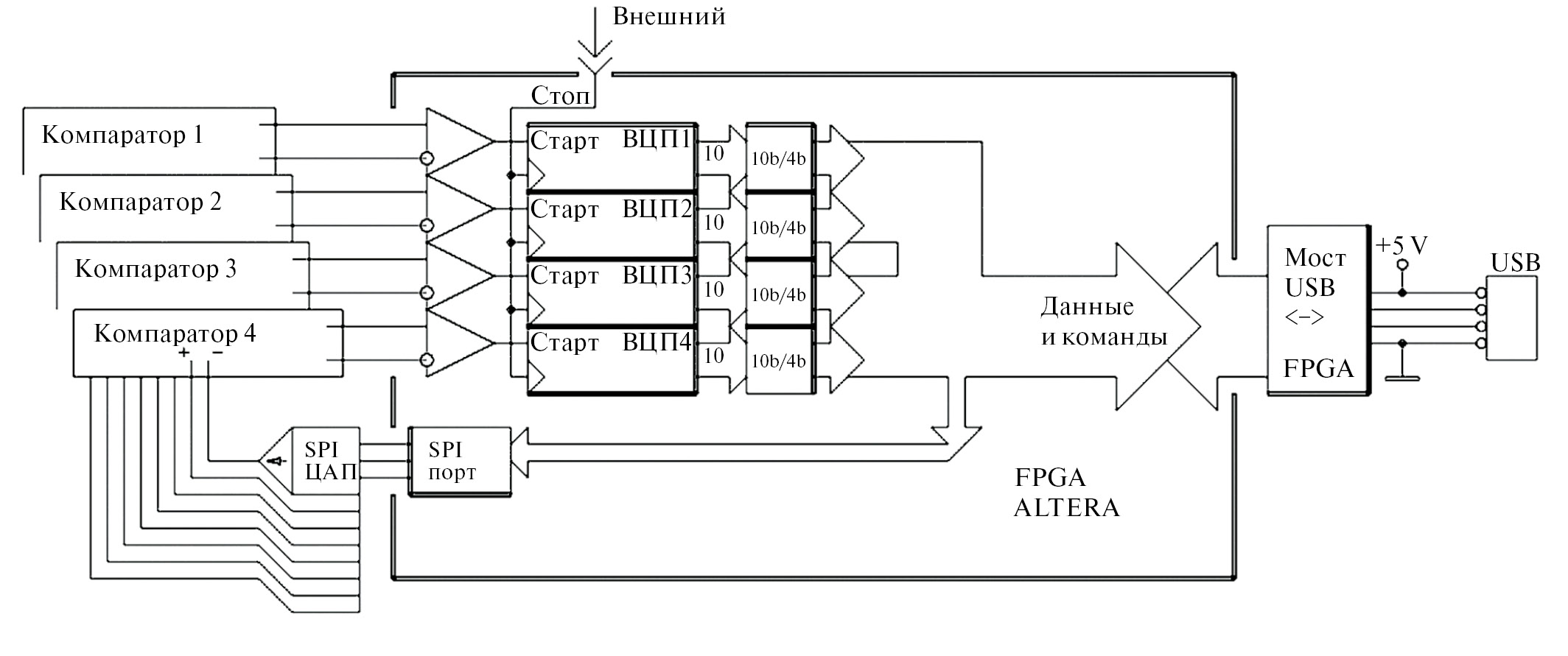
Предварительное проектирование и моделирование системы быстрого считывания для монитора столкновений пучков проведено в рамках программной среды Quartus [13] в режиме Timing Simulation. Для повышения скорости обработки временной информации в многоканальной системе разработана система время — код преобразований на основе метода задержанных совпадений. Каждый канал состоит из преобразователя уровня LVDC-LVTTL, собственно блока преобразования время — код (TDC) и преобразователя кода.
Блок-схема быстрой электроники и схема четырех каналов регистрации представлена на рис. 3. Основная часть логических блоков преобразователей реализована в составе FPGA. Внешними по отношению к кристаллу FPGA являются компараторы и многоканальный ЦАП, задающий пороги компараторов. Поскольку компараторы включены в дифференциальной моде, для каждого устанавливаются два опорных напряжения.
Рис. 3. Блок-схема четырех каналов регистрации.
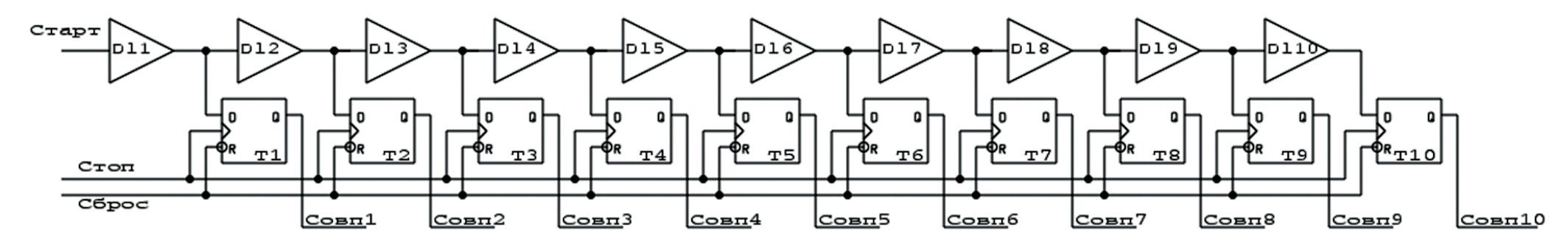
На рис. 4 представлена основная конфигурация для одного канала системы регистрации сигналов с МКП детектора, в которой каждый из 32 каналов детекторов из МКП соединен через схему дискриминации (компаратор с регулируемым порогом) с индивидуальным преобразователем время-код.
Рис. 4. Блок-схема одного из каналов преобразователя время-код (ВЦП).
Импульс, поступающий на вход Start, через измерительные линии задержки Dl1–Dl10 распространяется на информационные входы триггеров. Величина задержки в измерительных линиях на каждом из элементов по спецификации ~ 200 пс, при незначительном разбросе (не более 50 пс), что дает возможность получить приемлемую линейность зависимости номер — величина задержки.
На тактовые входы триггеров поступает сигнал Stop, сформированный из импульса высокоточного источника синхронизации. Задержка подбирается таким образом, чтобы скомпенсировать время пролета продуктов реакции от точки взаимодействия до детектора, время прихода ионов до центра установки и удвоенная длительность банча. В момент прихода сигнала Stop происходит фиксация состояний выходов измерительных линии задержки.
На выходах триггеров возникает информация в термометрическом коде, соответствующая опережению импульсом Start импульса Stop, то есть о времени задержки. Таким образом, в момент прихода сигнала Stop происходит фиксация состояний выходов измерительных элементов задержки. Далее термометрический код преобразуется в двоичный.
Более подробно один из элементов, на котором построен преобразователь время—код представлен на рис. 5, временная диаграмма, поясняющая особенности работы этой системы представлена справа.
Рис. 5. Элемент, на котором построен преобразователь время—код и временная диаграмма.
Сброс осуществляет сброс ячейки в исходное состояние по окончании измерения, когда данные считаны. Нами также была проведена эмуляция работы преобразователя время—код в программной среде Quartus [13]. На рис. 6. приведен пример временной диаграммы, полученной в результате моделирования в среде Quartus отработки системой пары импульсов Start-Stop со сдвигом 380 пс.
Рис. 6. Диаграмма, полученная в результате моделирования в среде Quartus [13] отработки системой пары импульсов Start-Stop со сдвигом 380 пс.
Можно видеть распространение сигнала через элементы задержки, момент срабатывания триггера с задержкой времени работы триггера, момента появление выходного термометрического кода и далее срабатывание дешифратора, который преобразует термометрический код в двоично-взвешенный. События начинаются с импульса Start в момент 4 нс, далее с задержкой чуть больше 2.5 нс следует сигнал фиксации термометрического кода и через 5 нс после прохождения фронта сигнала Start вся система отработала и код, соответствующий задержке 5 элементарных задержек, сформирован на выходе преобразователя время-код.
Из рис. 6 видно, что время работы преобразователя из термометрического кода в двоичный в FPGA для одного канала не превосходит 6 нс, задержка сброса составляет 3 нс.
Для 32 канальной системы регистрации координаты и времени по сигналам с детекторов на МКП, построенной на основе разработанной схемы, с учетом всех задержек расчетное время обработки не превысит 20 нс.
Проведенное моделирование работоспособности предложенной системы с использованием САПР Quartus (среды для проектирования и отладки проектов на FPGA Altera) показало возможность определения времени регистрации частиц детектором с точностью (сигма) не хуже 100 пс. Ограничение связано с быстродействием использованной в данном прототипе схемы FPGA типа EPM240.
ИЗГОТОВЛЕНИЕ И ТЕСТИРОВАНИЕ ПРОТОТИПА МОДУЛЯ БЫСТРОГО СЧИТЫВАНИЯ С ИСПОЛЬЗОВАНИЕМ ГЕНЕРАТОРА НАНОСЕКУНДНЫХ ИМПУЛЬСОВ
На основе FPGA EPM240 фирмы ALTERA и компараторов ADC MP604 системы обработки сигнала изготовлен 4-канальный прототип модуля электроники быстрого считывания с детектора на МКП (см. рис. 7). Здесь в середине находится кристалл FPGA фирмы ALTERA семейства MAX2. Ниже его расположен блок компараторов и входные разъемы подключения дифференциальных линий (использованы компоненты интерфейса SATA).
Рис. 7. Модуль 4-канальной электроники.
С помощью генератора наносекундных импульсов c возможностью изменять задержку между импульсами с шагом 100 ± 25 пс, проведено тестирование прототипа модуля быстрого считывания и обработки сигнала, т. к. параметры импульсов с генератора аналогичны сигналам с МКП. Осциллограмма выхода генератора представлена на рис. 8. Рядом представлен сигнал с МКП. Видно, что сигналы практически эквивалентны.
Рис. 8. Осциллограммы сигналов от детектора на МКП, 20 мВ/дел. (а), и генератора наносекундных импульсов, 50 мВ/дел. (б).
На рис. 8 приведено сравнение сигналов от детектора на МКП (а) и от генератора наносекундных импульсов (б) с разверткой 1 нс/дел. Четыре выходных канала генератора позволяют изменять задержку между каналами с шагом 100 пс.
Для управления модулем и сбора данных с него написана программа на языке LabVIEW7.1, обеспечивающая возможности установки порогов каждого канала регистрации, времени экспозиции и числа шагов измерения, графический вывод получаемых данных, формирование файла результатов измерения и сохранение на диск.
Лицевая панель — внешний интерфейс виртуального прибора, содержащий средства ввода-вывода, использующиеся для управления виртуальным прибором, изображена на рис. 9.
Рис. 9. Лицевая панель программы для управления вводом-выводом.
На рис. 10 представлен результат проверки системы быстрого считывания для одного канала в режиме старт-стоп. Изменение кода на выходе ВЦП в зависимости от изменения задержки между каналами стартового и стопового импульсами. Шаг по оси х равен 100 пс, шаг по оси y представляет выходные коды преобразователя ВЦП.
Рис. 10. Зависимость кода ВЦП одного из каналов прототипа от вводимой задержки.
Из графика рис. 10 видно, что максимальное отклонение от линейной зависимости составляет ±100 пс.
ЗАКЛЮЧЕНИЕ
Проведенное моделирование работоспособности системы быстрого считывания для монитора столкновений пучков с использованием САПР Quartus показало возможность определения времени регистрации с точностью не хуже 100 пс.
Разработан и создан прототип многоканального модуля быстрой электроники временной привязки к сигналам с МКП детекторов с использованием дискретных компараторов и многоканального преобразователя время—код на основе FPGA EPM240. Написана программа, обеспечивающая возможность работы с модулем. Полученные с использованием генератора данные подтверждают результаты моделирования. Погрешность времени регистрации разработанной системы не хуже 100 пс. Для 32-канальной системы регистрации координаты и времени по сигналам с детекторов на МКП, построенной на основе разработанной схемы, расчетное время обработки с учетом всех задержек не превысит 20 нс.
Исследование выполнено в рамках проекта Санкт-Петербургского государственного университета ID94031112.
Об авторах
Ф. Ф. Валиев
Федеральное государственное бюджетное образовательное учреждение высшего образования Санкт-Петербургский государственный университет
Email: n.a.makarov@mail.spbu.ru
Россия, Санкт-Петербург
Н. И. Калиниченко
Федеральное государственное бюджетное образовательное учреждение высшего образования Санкт-Петербургский государственный университет
Email: n.a.makarov@mail.spbu.ru
Россия, Санкт-Петербург
Н. А. Макаров
Федеральное государственное бюджетное образовательное учреждение высшего образования Санкт-Петербургский государственный университет
Автор, ответственный за переписку.
Email: n.a.makarov@mail.spbu.ru
Россия, Санкт-Петербург
Г. А. Феофилов
Федеральное государственное бюджетное образовательное учреждение высшего образования Санкт-Петербургский государственный университет
Email: n.a.makarov@mail.spbu.ru
Россия, Санкт-Петербург
Список литературы
- Колесников В.И., Зинченко А.И., Васендина В.А. // Изв. РАН. Сер. физ. 2020. Т. 84. № 4. С. 575; Kolesnikov V.I., Zinchenko A.I., Vasendina V.A. // Bull. Russ. Acad. Sci. Phys. 2020. V. 84. No. 4. P. 451.
- Жеребчевский В.И., Мальцев Н.А., Нестеров Д.Г. и др. // Изв. РАН. Сер. физ. 2022. T. 86. № 8. C. 1146; Zherebchevsky V.I., Maltsev N.A., Nesterov D.G. et al. // Bull. Acad. Sci. Phys. 2022. V. 86. No. 8. P. 948.
- Baldin A.A et al. // Nucl. Instrum. Meth. Phys. Res. A. 2020. V. 958. Art. No. 162154.
- Сандул В.C., Феофилов Г.А., Валиев Ф.Ф. // ЭЧАЯ. 2023. Т. 54. № 4. C. 848.
- Галактионов К., Руднев В., Валиев Ф. // ЭЧАЯ. 2023. Т. 54. № 3. C. 560.
- Беспалько В.А. // ПТЭ. 2009. № 2. С. 57.
- Будагов Ю.А., Семан М., Ситар Б. и др. Преобразователь время-код с наносекундным разрешением. Препринт ОИЯИ 13—84—395. Дубна, 1984.
- Абрамов Г.Н. Рециркуляционно-нониусный время-цифровой преобразователь. Патент РФ № 2730125 C1. 2020.
- Гурин Е.И., Коннов Н.Н., Механов В.Б., Попов К.В. // ПТЭ. 1997. № 3. С. 102.
- Букин М.А., Титов В.М. Время-цифровой преобразователь с наносекундным разрешением на основе ПЛИС Altera. Новосибирск: Ин-т ядерн. физики имени Г.И. Будкера СО РАН, 2001.
- Sanoa Y., Horiia Y., Ikenob M. et al. // Nucl. Instrum. Meth. Phys. Res. A. 2017. V. 874. P. 50.
- Liu C., Wang Y. // IEEE Trans. Nucl. Sci. 2015. V. 62. No 3.
- https://www.intel.ru/content/www/ru/ru/software/programmable/quartus-prime/overview.html
Дополнительные файлы













