Био-магнитостратиграфия туронских–коньякских отложений разреза Нижняя Банновка, юго-восток Русской плиты
- Авторы: Первушов Е.М.1, Рябов И.П.1, Гужиков А.Ю.1, Сельцер В.Б.1, Калякин Е.А.1, Фомин В.А.1
-
Учреждения:
- Саратовский национальный исследовательский государственный университет им. Н. Г. Чернышевского
- Выпуск: Том 32, № 1 (2024)
- Страницы: 58-90
- Раздел: Статьи
- URL: https://journal-vniispk.ru/0869-592X/article/view/258542
- DOI: https://doi.org/10.31857/S0869592X24010058
- EDN: https://elibrary.ru/ZJJEBT
- ID: 258542
Цитировать
Полный текст
Аннотация
Представлено описание, палеонтологическая и биостратиграфическая характеристика туронских–коньякских отложений в опорном разрезе Нижняя Банновка, стратотипе банновской свиты (турон Нижнего Поволжья). Дополнена и уточнена магнитостратиграфическая характеристика данных отложений. Петромагнитные данные способствуют дополнительному расчленению разреза и выявлению седиментационной ритмичности. Палеомагнитные данные в сочетании с данными по бентосным фораминиферам способствуют проведению наиболее детальной корреляции туронских–коньякских отложений Поволжья. По результатам комплексного изучения рассматриваемого интервала отложений в пределах юго-восточного свода Ульяновско-Саратовского прогиба обозначены закономерности в распространении губкинского горизонта, обусловленные существовавшим структурным планом территории и процессами, предшествовавшими осадконакоплению в коньякское и сантонское время.
Ключевые слова
Полный текст
Био-магнитостратиграфия туронских–коньякских отложений разреза Нижняя Банновка, юго-восток Русской плиты1
ВВЕДЕНИЕ
Разрезы верхнемеловых отложений в окрестностях с. Нижняя Банновка, в частности с интервалами туронских–коньякских карбонатных пород, принято считать опорными при рассмотрении вопросов стратиграфии верхнего мела Поволжья. Это выразилось в том, что разрез Нижняя Банновка был предложен в качестве стратотипа банновской свиты (турон юго-западной части Ульяновско-Саратовского прогиба) (Олферьев, Алексеев, 2005). Представления о стратиграфии литологически однообразного интервала карбонатных пород в этом разрезе неоднозначны. Отчасти это обусловлено тем, что ранее стратиграфические построения основывались на двучленной структуре туронского и коньякского ярусов без опоры на материалы микрофаунистических исследований. Присутствие и положение в разрезе границы турона–коньяка, как и более детальное расчленение этого интервала, остаются дискуссионными.
Авторы публикации предприняли изучение полного разреза туронских–коньякских отложений разреза Нижняя Банновка с целью представить обоснованное зональное расчленение этого интервала пород и уточнить положение подошвы коньякского яруса. В основу проведенных работ положено комплексирование результатов анализа вертикального распределения бентосных фораминифер и представителей макрофауны с полученной магнитостратиграфической и петромагнитной характеристикой разреза.
ИСТОРИЯ ИЗУЧЕНИЯ ТУРОНСКИХ–КОНЬЯКСКИХ ОТЛОЖЕНИЙ РАЗРЕЗА НИЖНЯЯ БАННОВКА
Описания верхнемеловых образований, слагающих гору Сырт и ограничивающего ее с севера Можжевелового оврага, стали известны по работам А.Д. Архангельского (Архангельский, 1912; Архангельский, Добров, 1913), А.Н. Мазаровича (1924) и Е.Е. Милановского (1940). В середине 1950-х годов нижнебанновские разрезы были выбраны в качестве опорных при проведении ознакомительных полевых маршрутов Всесоюзного стратиграфического совещания (Решения…, 1955, 1962). До начала двадцать первого века суждения о геологическом возрасте и детальности расчленения интервала карбонатных пород, заключенного между терригенными породами сеномана и карбонатно-кремнистыми образованиями нижнего сантона, основывались на представлениях авторов первых описаний.
Изначально исследователи (Архангельский, 1912; Милановский, 1940; Глазунова, 1972) относили эти карбонатные породы к туронскому ярусу. Позже были представлены разные варианты детального стратиграфического расчленения туронских и коньякских пород в разрезе Нижняя Банновка. Д.П. Найдин (1995) и Р.А. Габдуллин (2007) выделяли в этом разрезе средний и верхний турон, нижний коньяк. В.М. Харитонов с коллегами (2001, 2003), исходя из двучленной структуры ярусов, установил в этом разрезе нижний и верхний турон, нижний и верхний коньяк. История изучения туронских–коньякских отложений разреза Нижняя Банновка отражает в целом эволюцию взглядов на стратиграфию этого интервала в Поволжье (табл. 1).
Таблица 1. Эволюция взглядов на строение туронских–коньякских отложений Поволжья и современные представления о лито- и биостратиграфии турона–коньяка Восточно-Европейской платформы
Примечание. B. — Berthelini, G. — Gavelinella, Gr. — Grammostomum, P. — Protostensioeina, S. — Stensioeina, T. — Tappanina.
В середине 90-х годов прошлого века был инициирован переход к выделению местных картируемых подразделений, что способствовало разработке проекта стратиграфической схемы верхнемеловых отложений Саратовского Поволжья (Первушов и др., 1999). В этом варианте схемы весь интервал карбонатов турона–коньяка Волгоградского–Саратовского правобережья рассматривался как нижнебанновская свита, в составе двух подсвит: нижней, которая соотносилась с гулюшевской свитой северо-западного свода Ульяновско-Саратовского прогиба, и верхней, сопоставляемая с сурской свитой.
В Стратиграфической схеме верхнемеловых отложений Восточно-Европейской платформы (Стратиграфическая…, 2004; Олферьев, Алексеев, 2005) карбонатные породы турона–коньяка определены как губкинский горизонт. В структуре этого регионального стратона на территории Саратовского и северной части Волгоградского правобережья выделены банновская (турон) и вольская (коньяк) свиты. В качестве стратотипа банновской свиты указаны разрезы в окрестностях с. Нижняя Банновка (Красноармейский район Саратовской области) (Олферьев, Алексеев, 2005). В южной части Волгоградского Поволжья генетически близкие банновскую и вольскую свиты объединяют в захаровскую серию (Олферьев, Алексеев, 2005; Государственная…, 2009).
В окрестностях с. Нижняя Банновка, по итогам тематических работ (Харитонов и др., 2001; Суринский и др., 2016; Суринский, Гужиков, 2017; Guzhikova et al., 2019), нами выбран конкретный разрез (рис. 1), в котором уверенно по литологическим признакам прослеживается подошва и кровля губкинского горизонта (рис. 2). Проведено описание этого разреза (см. Дополнительные материалы), который представляется в качестве стратотипа банновской свиты, и впервые изложены результаты расчленения туронских–коньякских отложений на уровне зон по бентосным фораминиферам. Однозначная характеристика подошвы и кровли губкинского горизонта (см. Дополнительные материалы) позволяет сопоставить изученные разрезы туронских–коньякских отложений Поволжья (рис. 3) и проследить палеоструктурный план территории исследований на начало коньякского и раннесантонского времени (рис. 4).
Рис. 1. Расположение района стратотипической местности банновской свиты на территории исследований губкинского горизонта (а) и местоположение стратотипа банновской свиты (б).
1 — стратотип банновской свиты; 2 — линия профиля сопоставления опорных разрезов губкинского горизонта (рис. 3): 1 — Коммунар, 2 — Сплавнуха, 3 — Нижняя Банновка, 4 — Каменный Брод, 5 — Чухонастовка
Рис. 2. Опорный разрез Нижняя Банновка.
(а) — правый борт оврага, выходящего к р. Волга, стратотипический разрез банновской свиты; (б) — базальный фосфоритовый прослой в основании банновской свиты; (в) — плита желваковых фосфоритов в основании банновской свиты; (г) — базальный фосфоритовый “губковый” прослой в основании можжевелоовражной свиты; (д) — детальное строение участка “губкового” прослоя, залегающего в основании можжевелоовражной свиты, с ксенолитами подстилающих карбонатных пород. K2ml — меловатская свита (сеноман Поволжья), K2bn — банновская свита (турон), K2vl — вольская свита (коньяк), K2mo — можжевелоовражная свита (нижний сантон). Сплошная красная линия — литологически обособленные поверхности подошвы банновской и можжевелоовражной свит, пунктирная линия — поверхность подошвы коньяка (вольской свиты) по данным БФ
Рис. 3. Сводный магнитостратиграфический разрез турона–нижнего сантона Нижнего–Среднего Поволжья (по Гужикова и др., 2021а, 2021б, с дополнениями) и корреляция туронских–коньякских отложений Ульяновско-Саратовского прогиба. Номера разрезов соответствуют номерам в схеме расположения разрезов на рис. 1
Рис. 4. Положение стратотипа банновской свиты в структуре губкинского горизонта на территории Нижнего и Среднего Поволжья, приведенное к подошве пород нижнего сантона (Первушов и др., 2019, с исправлениями и дополнением).
(а) — палеогеологический профиль по линии разрезов Чухонастовка–Каменный Брод–Мирошники–Меловатка–Нижняя Банновка–Сплавнуха–Пудовкино–Багаевка–Озерки-2–Карамышка–Мизино-Лапшиновка-2–Вишневое–Коммунар; (б) — положение линии палеогеологического профиля и ее соотношение с современным структурным планом территории. Ульяновско-Саратовский наложенный прогиб: I — северо-восточная часть, II — юго-западная часть; 1 — Ольховская впадина, 2 — Каменско-Золотовская структурная ступень, 3 — Карамышская впадина, 4 — Елшано-Сергеевский вал, 5 — Татищевский вал, 6 — Саратовские дислокации, 7 — Степновский вал, 8 — Вольская впадина, 9 — Терсинская впадина. ВУА — Волго-Уральская антеклиза
МАТЕРИАЛ И МЕТОДЫ ИССЛЕДОВАНИЙ
Разрез Нижняя Банновка изучен с использованием доступных геофизических, палеонтологических и литологических методов, при этом особое внимание уделено идентификации положения подошвы коньякского яруса в литологически едином интервале карбонатных пород. Обоснование положения межъярусной границы основывалось на результатах анализа вертикального распределения макро- и микрофоссилий. Магнитостратиграфическая характеристика и зональное расчленение туронских–сантонских образований разреза Нижняя Банновка позволили сопоставить выделенные здесь биостратиграфические и палеомагнитные интервалы с таковыми синхронных отложений в разрезах Ульяновско-Саратовского прогиба (рис. 3, 4) (Первушов и др., 2017а, 2017б, 2019, 2022а, 2022б, 2022в; Гужикова и др., 2021а, 2021б, 2021в), представив положение стратотипа банновской свиты в регионе (рис. 4, табл. 2). Реперными уровнями туронских–коньякских отложений (губкинского горизонта) выбраны подошва карбонатных пород и “губковый” прослой нижнего сантона, залегающий на их кровле (рис. 3, 4). Находки макрофоссилий по всему разрезу соотнесены с точками отбора (через 0.5 м) микрофаунистических проб.
Таблица 2. Выделенные стратиграфические интервалы туронских–коньякских отложений в изученных разрезах Ульяновско-Саратовского прогиба и положение среди них стратотипа банновской свиты (Нижняя Банновка)
Для извлечения микрофоссилий использовалась методика ацетолиза (Wissing, Herrig, 2000), с дальнейшей промывкой через сито с ячеей 0.1 мм. Сухой порошок делился на фракции менее 0.4 мм и более 0.4 мм, которые изучались под микроскопом MC-2 ZOOM. В порошках микрофаунистических проб во фракции более 0.4 мм выделены мелкоразмерные элементы иглокожих и мелкие скелеты известковых губок. Изображения стратиграфически значимых форм получены с использованием сканирующего электронного микроскопа MIRA 2 LMU (Tescan). Линейные измерения скелетных элементов иглокожих проведены с использованием программы ImageJ. Изображенные экземпляры фоссилий хранятся в Региональном музее землеведения Саратовского госуниверситета (СГУ), в составе монографических коллекций И.П. Рябова (IPR), В.Б. Сельцера (SVB) и Е.А. Калякина (EAK).
С целью дополнительного обоснования первичности намагниченности и уточнения информации об условиях осадконакопления проводились добавочные исследования магнитных свойств каменного материала, собранного ранее (Суринский и др., 2016; Суринский, Гужиков, 2017; Guzhikova et al., 2019). У 87 образцов кубической формы с ребрами по 2 см, отобранных по разрезу с интервалом 0.2 м, изучался широкий спектр петромагнитных характеристик, связанных с воздействием на породу искусственного магнитного поля и температуры. Остаточная намагниченность насыщения (Jrs), остаточная коэрцитивная сила (Bcr) и отношение K/Jrs определялись у каждого образца. Затем после прогрева в муфельной печи при температуре 500°C в течение часа у образцов повторно измерялись объемная магнитная восприимчивость (Kt) и остаточная намагниченность насыщения (Jrst), определялись и анализировались значения dK = Kt – K, dJrs = Jrs – Jrst и Kt /Jrst. Подробная информация о методике палео- и петромагнитных исследований изложена ранее (Суринский, Гужиков, 2017; Суринский и др., 2016; Guzhikova et al., 2019).
Описание разреза, графика и определение кремневых губок выполнены Е.М. Первушовым, бентосные фораминиферы (БФ) изучены И.П. Рябовым, двустворчатые моллюски, аммониты и белемниты — В.Б. Сельцером, брахиоподы — Е. И. Ильинским, иглокожие — Е.А. Калякиным. Палео- и петромагнитные исследования проводились А.Ю. Гужиковым и В.А. Фоминым, подготовившими соответствующие графические приложения, в полевом опробовании разреза Нижняя Банновка участвовали А.А. Гужикова, А.Г. Маникин и В.А. Грищенко.
БИОСТРАТИГРАФИЧЕСКИЙ АНАЛИЗ
Палеонтологическую характеристику турон-коньякских отложений составляют бентосные и планктонные фораминиферы (Pervushov et al., 2019; Рябов, 2021), белемниты и аммониты (Сельцер, 2018; Сельцер, Калякин, 2021), замковые брахиоподы, разнообразные иглокожие (Первушов и др., 2022а, 2022б, 2022в), известковые губки (Первушов, Худяков, 2020), мшанки (Коромыслова, Первушов, 2022; Koromyslova, Pervushov, 2022) и селяхии (Первушов и др., 2017б; Бирюков, 2018). При биостратиграфических построениях использованы материалы вертикального распределения и площадного распространения бентосных фораминифер, иноцерамид, иглокожих и цефалопод, которые установлены и в разрезе Нижняя Банновка.
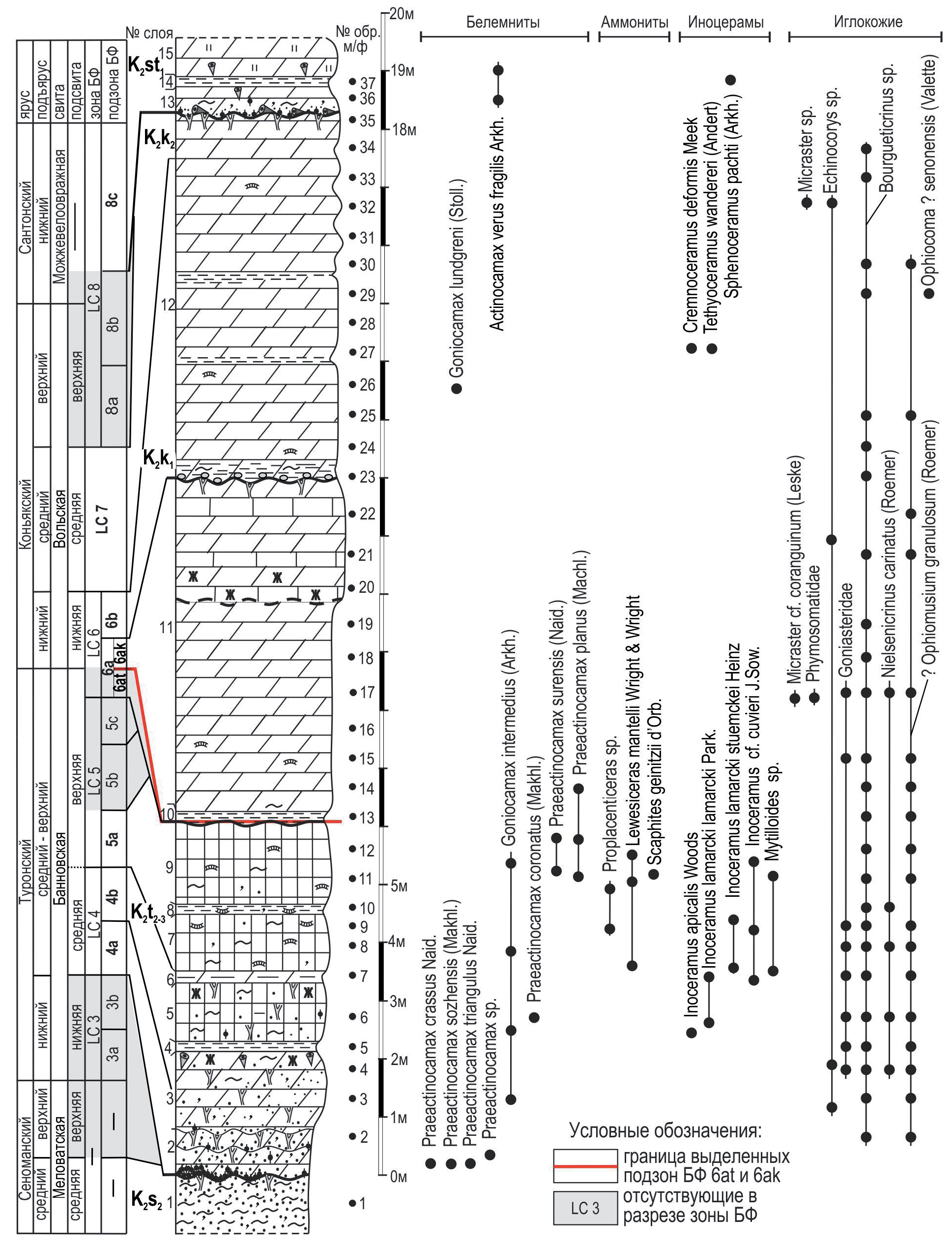
Бентосные фораминиферы (рис. 5, табл. I, II). По результатам изучения состава комплексов БФ, в соответствии со схемой В.Н. Беньямовского (2008а, 2008б), установлено четыре зоны в интервале туронских–коньякских отложений и одна зона — в нижнем сантоне, над губковым прослоем.
Рис. 5. Распределение бентосных фораминифер в разрезе Нижняя Банновка. Зоны/подзоны БФ — зоны/подзоны по бентосным фораминиферам (Беньямовский, 2008а, 2008б). Жирным шрифтом выделены зональные формы. Сокращения: зона БФ и подзона БФ — зона и подзона по бентосным фораминиферам, выделенные по схеме В. Н. Беньямовского (2008а, 2008б)
Таблица I. Бентосные фораминиферы из разреза Нижняя Банновка. a — вид с брюшной стороны, б — вид с периферического края, в — вид со спинной стороны. Длина масштабной линейки 100 мкм.
1 — Gavelinella ammonoides (Reuss), обр. 3, экз. СГУ IPR № 262/НБ-3-18; 2 — Berthelina berthelini (Keller), обр. 10, экз. СГУ IPR № 262/НБ-10-28; 3 — Berthelina berthelini (Keller), обр. 10, экз. СГУ IPR № 262/НБ-10-27; 4 — Gavelinella moniliformis (Reuss), обр. 3, экз. СГУ IPR № 262/НБ-3-25; 5 — Gavelinella moniliformis (Reuss), обр. 3, экз. СГУ IPR № 262/НБ-3-21; 6 — Gavelinella vesca (Bykova), обр. 12, экз. СГУ IPR № 262/НБ-12-74; 7 — Gavelinella ukrainica (Vassilenko), обр. 4, экз СГУ IPR № 262/НБ-4-99; 8 — Reussella carinata Vassilenko, обр. 14, экз. СГУ IPR № 262/НБ-14-32; 9 — Protostensioeina praeexculpta (Keller), обр. 17, экз. СГУ IPR № 262/НБ-17-13; 10 — Gavelinella kelleri (Vassilenko), обр. 14, экз. СГУ IPR № 262/НБ-14-81; 11 — Gavelinella lorneiana (d’Orbigny), обр. 12, экз. СГУ IPR № 262/НБ-12-75; 12 — Eponides concinnus Brotzen, обр. 16, экз. СГУ IPR № 262/НБ-16-1
Таблица II. Бентосные фораминиферы из разреза Нижняя Банновка. a — вид с брюшной стороны, б — вид с периферического края, в — вид со спинной стороны. Длина масштабной линейки 100 мкм.
1 — Protostensioeina emscherica (Baryshnikova), обр. 16, экз. СГУ IPR № 262/НБ-16-44; 2 — Protostensioeina granulata (Olbertz), обр. 12, экз. СГУ IPR № 262/НБ-12-78; 3 — Gavelinella umbilicatula (Vassilenko et Myatlyuk), обр. 24, экз. СГУ IPR № 262/НБ-24-31; 4 — Protostensioeina emscherica (Baryshnikova), обр. 31, экз. СГУ IPR № 262/НБ-31-17; 5 — Loxostomum eleyi (Cushman), обр. 34, экз. СГУ IPR № 262/НБ-34-38; 6 — Tappanina selmensis (Cushman), обр. 14, экз. СГУ IPR № 262/НБ-14-80; 7 — Heterostomella carinata (Franke), обр. 19, экз. СГУ IPR № 262/НБ-19-30; 8 — Protostensioeina bohemica (Jirova), обр. 25, экз. СГУ IPR № 262/НБ-25-83; 9 — Gavelinella thalmanni (Brotzen), обр. 34, экз. СГУ IPR № 262/НБ-34-35; 10 — Gavelinella costulata (Marie), обр. 35, экз СГУ IPR № 262/НБ-35-36; 11 — Stensioeina exculpta (Reuss), обр. 27, экз. СГУ IPR № 262/НБ-27-55; 12 — Gavelinella vombensis (Brotzen), обр. 37, экз. СГУ IPR № 262/НБ-37-85
В нижней части разреза, от кровли сеномана и в интервале обр. 2–7, установлен комплекс среднетуронской зоны Gavelinella moniliformis/Gavelinella ammonoides LC4. В составе комплекса из основания разреза преобладают виды-индексы Gavelinella moniliformis (Reuss) и G. ammonoides (Reuss), а также G. vesca (Bykova). На уровне обр. 3 отмечается появление вида Gavelinella ukrainica (Vassilenko), что позволяет выделить подзону G. ukrainica LC4b. В кровле зоны, на уровне обр. 7, массово присутствует характерный для турона ВЕП вид Berthelina berthelini (Keller). Комплекс зоны LC4 здесь характеризуется смешанным составом, включая появившиеся еще в сеномане Gyroidinoides nitida (Reuss), Tappanina eouvigeriniformis (Keller), а также типично туронские Marssonella oxycona (Reuss), Eggerelina brevis (d’Orbigny), Globorotalites multiseptus Brotzen, Bifarina regularis (Keller), Reussella carinata Vassilenko.
На уровне обр. 8 отмечено появление Protostensioeina praeexculpta (Keller), что отражает начало “стенсиоинового” этапа развития позднемеловых фораминифер (Беньямовский, 2008а, 2008б). В интервале обр. 8–12 выделяется зона Protostensioeina praeexculpta LC5 в объеме нижней одноименной подзоны LC5a. Вверх по разрезу комплекс постепенно обновляется за счет появления новых видов: Eponides karsteni (Reuss), Verneuillina muensteri Reuss, единичных Ataxophragmium cf. compactum Brotzen. В кровле интервала установлены находки Osangularia whitei Brotzen, Reussella aff. kelleri Vassilenko, Cibicides pollyrraphes (Reuss) и ряда переходных форм от Protostensioeina praeexculpta к P. granulata (Olbertz) (обр. 12). Здесь, в кровле слоя 9, отмечаются последние находки вида B. berthelini, исчезновение которого предлагается рассматривать в качестве биособытия, маркирующего кровлю туронских отложений в Поволжье (Рябов, 2021).
Таким образом, в стратотипе, в разрезе Нижняя Банновка, банновская свита представлена в объеме БФ зон LC4 (подзоны a и b) и LC5 (подзона a), которые характеризуют отложения среднего–верхнего подъярусов турона.
В основании слоя 11 (обр. 14) отмечено обновление комплекса за счет появления Arenobulimina frons Olszewski, Gavelinella praeinfrasantonica (Mjatluk), Eponides concinnus Brotzen, Reussella kelleri Vassilenko, Tappanina selmensis (Cushman). Присутствие видов-индексов Gavelinella kelleri (Mjatluk) и Protostensioeina granulata позволяет выделить здесь зону Gavelinella kelleri/Protostensioeina granulata LC6, основание которой было сопоставлено с основанием коньякского яруса (Беньямовский, 2008а). Однако впоследствии по результатам сопоставления фораминиферовой и иноцерамовой зональных схем выяснилось, что основание зоны LC6 находится в пределах верхнетуронской иноцерамовой зоны Cremnoceramus waltersdorfensis waltersdorfensis (Walaszczyk et al., 2013). Это нашло подтверждение и по изученным разрезам Поволжья (табл. 2): в Каменном Броде найдены Cr. cf. waltersdorfensis waltersdorfensis (Pervushov et al., 2019), а в Сплавнухе установлены туронские иноцерамы Inoceramus lusatie, I. turonicus (Гужикова и др., 2021в). По опубликованным данным (Василенко, 1954, 1961; Koch, 1977) и по результатам исследований разрезов Правобережного Поволжья (Первушов и др., 2019, 2021, 2022а, 2022б, 2022в) виды-индексы зоны LC6 G. kelleri, P. granulata и P. emscherica различаются уровнями первого появления в позднем туроне и в раннем коньяке, что зависит от стратиграфической полноты изучаемого разреза.
Поэтому можно считать, что положение нижней границы зоны LC6 не соответствует подошве коньякского яруса, а находится ниже. Тогда граница турона и коньяка внутри этой зоны требует дополнительного обоснования с использованием новых биостратиграфических критериев. В качестве таковых ранее были предложены уровень исчезновения типичных туронских видов Berthelina berthelini и Tappanina eouvigeriniformis и уровень появления вида Tappanina selmensis (Первушов и др., 2022а, 2022б, 2022в; Рябов, 2023). Эти биособытия прослеживаются во всех разрезах турона–коньяка Правобережного Поволжья, и для этого региона предложено выделять подзону Berthelina berthelini/Gavelinella kelleri LC6at (терминальный турон) и подзону Tappanina selmensis/Protostensioeina granulata LC6ak (нижний коньяк) (Первушов и др., 2022в; Рябов, 2023).
В разрезе Нижняя Банновка установлена только подзона LC6ak (рис. 5, табл. 2), так как в ее основании отмечается как исчезновение Berthelina berthelini и Tappanina eouvigeriniformis, так и появление Tappanina selmensis (Cushman), Gavelinella kelleri (Mjatluk), P. granulata (Olbertz), G. praeinfrasantonica (Mjatluk).
Выше, на уровне обр. 24, над прослоем, обогащенным соединениями железа, установлено появление видов Protostensioeina bohemica (Jirova), Globorotalites michelinianus Brotzen и Gavelinella umbilicatula (Mjatluk), что позволяет выделить здесь подзону Loxostomum eleyi LC6b, несмотря на отсутствие вида-индекса. На уровне обр. 25 также отмечается появление крупных форм P. emscherica (Baryshnikova) и Gavelinella costulata (Marie) — еще одного вида-индекса подзоны.
В интервале обр. 34–35 установлено присутствие типичной Gavelinella thalmmani (Brotzen) — вида-индекса среднеконьякской зоны LC7, а также появление Gaudryina laevigata Franke. В остальном состав комплекса преимущественно сохраняется.
Резюмируя вышесказанное, отметим, что в разрезе Нижняя Банновка вольская свита установлена в объеме БФ зон LC6 (подзоны ak и b) и LC7, которые характеризуют отложения ранне- и среднеконьякского возраста.
Выше базального прослоя, представленного скелетами кремневых губок (слои 13, 14), в мергелях и глинах можжевелоовражной свиты установлен раннесантонский комплекс БФ в составе Stensioeina exculpta (Reuss) и типичных крупных Gavelinella vombensis (Brotzen), что позволяет выделять зону LC8. Комплекс бедный, раковины БФ очень редки, а виды, характерные для коньякских отложений, здесь не установлены.
Белемниты (рис. 6, табл. III). Ростры белемнитов наиболее часты в интервалах пород, в которых фоссилии характеризуются той или иной степенью конденсированности. В разрезе Нижняя Банновка отчетливо выделяются три белемнитовых комплекса: раннетуронский, средне-позднетуронский и коньяк-раннесантонский.
Рис. 6. Распределение цефалопод, иноцерамов и иглокожих в разрезе Нижняя Банновка. Условные обозначения см. рис. 3
Таблица III. Белемниты турона и коньяка из разреза Нижняя Банновка. Ростры изображены с напылением NH4Cl и представлены в натуральную величину. Длина масштабной линейки 10 мм.
1 — Praeactinocamax crassus (Naidin), экз. СГУ SVB24/10: a — спинная сторона со следами посмертной биоэрозии, б — вид сбоку, в — спереди; банновская свита, слой 2; 2 — Praeactinocamax triangulus (Naidin), экз. СГУ SVB24/15: a — спинная сторона, б — сбоку, в — спереди; банновская свита, слой 2; 3 — Praeactinocamax sozhensis (Makhlin), экз. СГУ SVB24/16: a — спинная сторона, б — сбоку, в — со стороны альвеолы; банновская свита, слой 2; 4 — Praeactinocamax sp., экз. СГУ SVB24/37: a — спинная сторона, б — сбоку, в — спереди; банновская свита, слой 2; 5 — Goniocamax intermedius (Arkhangelsky), экз. СГУ SVB24/42: a — спинная сторона, б — сбоку, в — спереди; банновская свита, слой 5; 6 — Goniocamax lundgreni (Stolley), экз. СГУ SVB24/43: a — брюшная сторона, б — сбоку, в — спереди; вольская свита, слой 12; 7 — Praeactinocamax surensis (Naidin), экз. СГУ SVB24/49: a — брюшная сторона, б — сбоку, в — спереди; банновская свита, слой 9; 8 — Praeactinocamax coronatus (Makhlin), экз. СГУ SVB24/50: a — брюшная сторона, б — сбоку, в — спереди; банновская свита, слой 5
Раннетуронский комплекс. Из слоя 2 определены Praeactinocamax crassus Naidin, P. triangulus Naidin и P. sozhensis (Makhlin). Вид sozhensis описан из верхнесеноманских и нижнетуронских отложений Смоленской, Брянской областей и Поволжья (Махлин, 1973; Košťák, 2004). По данным Д.П. Найдина (1964), виды crassus и triangulus известны из нижнего турона Волгоградской области и окрестностей г. Канева (Украина). Вместе с тем отсутствуют прямые указания, что упоминаемые выше виды характеризуют только нижний турон. В описаниях отмечается лишь то, что ростры происходят из основания туронских отложений, но из какого стратиграфического интервала турона не уточняется; и, кроме того, туронский ярус первоначально рассматривался в двучленном варианте. Поскольку представители туронских Praeactinocamax унаследовали многие черты предковых позднесеноманских форм, то закрепилось представление об упоминаемых выше видах как раннетуронских (Košťák, 2004, 2012). Вместе с тем обращает на себя внимание явная лакуна в вертикальном распространении белемнитов в среднетуронском интервале. Отметим и локальное распространение нижнетуронских отложений на изучаемой территории, что отражено в региональной стратиграфической схеме (Олферьев, Алексеев, 2005). Это позволяет предполагать, с учетом сохранности фоссилий, что упоминаемые выше ростры раннетуронских форм были переотложены либо их диапазон распространения достигает нижней части среднего турона.
Небольшая ремарка касается вида P. crassus Naidin. Выделяющийся облик ростра характеризует, по мнению М. Коштяка, геронтическую стадию вида triangulus (Košťák, 2004). Очевидно, имеет смысл такая запись — Praeactinocamax triangulus Naidin, forma crassus. Экземпляр, определенный нами как P. sp., отличается подчеркнуто округлым очертанием альвеолярного края, что делает его весьма близким к раннетуронской форме P. sp. 1, изображенной из разреза Сурское (Ульяновская область) (Košťák, 2004, pl. 6, fig. 3). Возможно, это новый вид.
Средне-позднетуронский комплекс. В слоях 3–9 установлены ростры Goniocamax intermedius Arkhangelsky, Praeactinocamax planus (Makhlin) и P. surensis (Naidin). Это типичные средне-позднетуронские виды востока Европейской палеобиогеографической области (ЕПО) (Найдин, 1964; Christensen, 1997; Košťák, 2012). В частности, вид P. planus (Makhlin) первоначально описан из Ульяновской области (Махлин, 1965), где распространен как в верхах среднего турона, так и в верхнем туроне. Отметим, что P. planus (Makhlin) из разреза Сплавнуха найден нами в интервале, отнесенном по бентосным фораминиферам к нижнему коньяку (верхняя часть зоны LC6) (Первушов и др., 2019, рис. 7). В разрезе Нижняя Банновка один из представителей этого вида происходит из интервала, также отнесенного к нижнеконьякским отложениям (слой 11).
Коньяк-раннесантонский комплекс белемнитов представлен Goniocamax lundgreni lundgreni Stolley и Actinocamax verus fragilis Arkhangelsky. Наибольшее число находок ростров A. verus fragilis Arkhangelsky приурочено к “губковому” прослою, и эти формы считаются типичными для нижнего сантона.
Прослеженная последовательность распространения белемнитов в туронских–коньякских отложениях Поволжья уверенно сопоставляется с белемнитовыми зональными схемами Западной Европы, что позволяет соотнести выделенные в регионе белемнитовые комплексы с известными зонами по аммонитам и иноцерамам.
Сопоставить раннетуронский комплекс белемнитов затруднительно вследствие того, что они в стратотипическом разрезе банновской свиты переотложены, и поэтому их стратиграфическое положение неоднозначно. Формально, безотносительно к рассматриваемому разрезу, это может соответствовать последовательности аммонитовых зон devonense–catinus–nodosoides или иноцерамовым зонам puebloensis–kossmati–mytilloides. Для нижнего турона востока Европейской провинции М. Коштяк предлагает выделить белемнитовую зону (triangulus). Для среднего, за исключением базальных интервалов, и верхнего турона предлагается зона intermedius (Košťák, 2004). В Западной и Центральной Европе подобные зоны не выделялись, так как, по мнению В. Христенсена, диапазон распространения упоминаемых видов-индексов не в полной мере удовлетворял принципу последовательности зон. Некоторые из этих форм известны как в туронских, так и в коньякских отложениях (Christensen, 1982). Средне-позднетуронский комплекс сопоставляется с аммонитовыми зонами woolgari, neptuni и germari или целиком с семью иноцерамовыми зонами среднего и верхнего турона (Walaszczyk, Wood, 1998; Walaszczyk et al., 2013; Niebuhr et al., 1999). Коньяк-раннесантонские белемниты Поволжья последовательно сопоставляются с белемнитовыми зонами lundgreni и lundgreni/praewestfalica (коньяк и нижний сантон Балто-Скандии) (Christensen, 1997).
Аммониты (рис. 6, табл. IV). Представители группы (Lewesiceras mantelli Wright et Wright и Scaphites geinitzii d’Orbigny) характеризуют средне-верхнетуронские отложения. Для вида mantelli характерны подковообразный оборот и наличие выраженных пупковых бугорков. Умбиликус занимает 33% от диаметра, как и у экземпляров из Франции (Kennedy, Gale, 2015). Описанный ранее вид L. criki Spath (Сельцер, Иванов, 2010) рассматривается как синоним вида mantelli (Kennedy, Gale, 2015; Kennedy, Kaplan, 2019).
Таблица IV. Аммониты турона из разреза Нижняя Банновка. Длина масштабной линейки 10 мм, за исключением фиг. 1а.
1 — Lewesiceras s.l., экз. СГУ SVB24/53: a — фрагмент фрагмокона и его положение на раковине, вид сбоку, б — спереди; банновская свита, слой 9; 2 — Scaphites geinitzii d’Orbigny, экз. СГУ SVB24/54: a — вид боку, б — вентральная сторона; банновская свита, слой 9; 3 — Lewesiceras mantelli Wright et Wright, экз. СГУ SVB24/55: * — начало жилой камеры; a — неполный фрагмокон, вид сбоку, б — со стороны перегородки; банновская свита, слой 9; 4 — Lewesiceras mantelli Wright et Wright, экз. СГУ SVB24/09: а — сбоку, б — со стороны перегородки (по Сельцер, Иванов, 2010, табл. 6, фиг. 1); банновская свита, осыпь слоя 7
Кроме того, известны находки Proplacenticeras sp. (Сельцер, Иванов, 2010) и фрагмент крупного фрагмокона Lewesiceras s.l. Вид L. mantelli — типичный позднетуронский аммонит, известный в Европе, южной и юго-восточной периферии Европейской России, включая и Поволжье (Wright, Wright, 1951; Wright, Kennedy, 1981; Houša, 1967; Wiese et al., 2004; Kennedy, Gale, 2015; Сельцер, 2018). Вид S. geinitzii d’Orbigny представлен неполным фрагмоконом с отчетливо выраженной скульптурой тонких и слабоизогнутых ребер и узким умбиликусом. Диаметр фрагмокона ~27 мм, что, вероятно, относится к макроконхам (Kennedy, Kaplan, 2019). Вид geinitzii известен из верхнетуронских отложений Крыма, Северного Кавказа, Прикаспийского региона и Поволжья. Он характерен для верхнего турона Западной Европы, где приурочен к аммонитовым зонам neptuni и germari (Kaplan et al., 1987; Wiese et al., 2004).
Иноцерамиды (рис. 6, табл. V). Находки этих моллюсков многочисленны и разнообразны в нижней части разреза (слои 5–9). Многочисленны Inoceramus lamarcki lamarcki Park (слои 5–6), I. lamarcki stuemckei Heinz (слой 7), Inoceramus apicalis Woods, Inoceramus cf. cuvieri Sow., Mytiloides cf. striatoconcentricus (Gümbel). Раковины ламаркоидных форм образуют крупные скопления целых и фрагментированных разрозненных створок. Некоторые экземпляры достигают в длину более 1.0 м. Данные виды характерны для верхов среднего турона и средней части верхнего турона (Walaszczyk, 1992; Wiese et al., 2020).
Таблица V. Иноцерамидные моллюски турона и коньяка из разреза Нижняя Банновка. Длина масштабной линейки 10 мм.
1 — Inoceramus lamarcki lamarcki Parkinson, экз. СГУ SVB 24/14, левая створка; банновская свита, слой 6; 2 — Inoceramus lamarcki stuemckei Heinz, экз. СГУ SVB 24/13, левая створка; банновская свита слой 6; 3 — Cremnoceramus deformis deformis Meek, экз. СГУ SVB 24/90, правая створка; вольская свита, слой 12; 4 — Tethyoceramus wandereri (Andert), экз. СГУ SVB 78/92, левая створка; вольская свита, слой 12
В вышележащих интервалах вольской свиты (слои 11, 12) представители группы редки. В.М. Харитонов отмечал, что в этой части разреза (слои 7 и 8 по Харитонову) таксономический состав иноцерамов включает I. inconstans, I. frechi, I. lamarcki (s.l.), I. waltersdorfensis, I. waltersdorfensis hannovrensis, I. perscostatus, I. cf. involutus, I. mantelli, I. umbonatus, I. cf. koeneni (Харитонов и др., 2001, с. 24). При последующих сборах в слое 12 достоверно установлено только два вида: Cremnoceramus deformis (Meek) и Tethyoceramus wandereri (Andert). Это указывает на присутствие нижнеконьякских отложений объемом вплоть до иноцерамовой зоны crassus/deformis.
Выше “губкового” прослоя, в слое 15, многочисленны Sphenoceramus pachti (Arkhangelsky). В западноевропейских разрезах первые сфеноцерамы появляются в терминальной части коньяка. В Поволжье этот вид встречается совместно с раннесантонским комплексом бентосных фораминифер и белемнитов (Walaszczyk et al., 2018).
Иглокожие (рис. 6, табл. VI). Находки представителей группы в разрезе редки. Банновская свита (средний–верхний турон) охарактеризована деформированными и фрагментированными панцирями Echinocorys, детальное определение которых невозможно в связи с плохой сохранностью. В вольской свите (коньяк, зона БФ LC6) установлен фрагментированный панцирь Phymosomatidae, фрагмент панциря Micraster sp. и представляющий наибольший интерес деформированный панцирь Micraster cf. coranguinum (Leske). Последний вид известен из среднего коньяка–среднего сантона Англии (зона M. coranguinum), Франции, Германии; из верхнего коньяка Мангышлака (зона Magadiceramus subquadratus), Северного Кавказа, Копетдага, Грузии; верхнего коньяка вольских разрезов; коньяка Восточной Украины и Донбасса; сантона Польши (Калякин, 2019). Для Вольской структурной зоны M. coranguinum является видом-индексом филозоны M. coranguinum–M. rogalae, охватывающей верхний коньяк–нижний сантон (Первушов и др., 2022б). Здесь, в разрезе Коммунар, M. coranguinum известен из отложений зоны LC8 по БФ. Положение нижней границы филозоны M. coranguinum–M. rogalae обозначено условно, поскольку в разрезе между “последним появлением” M. cortestudinarium (Goldfuss) и “первым появлением” M. сoranguinum отмечена “лакуна” — семиметровый интервал, не охарактеризованный представителями микрастерид. Находка M. cf. сoranguinum в отложениях зоны БФ LC6 в разрезе Нижняя Банновка может свидетельствовать о более низком стратиграфическом положении подошвы филозоны M. coranguinum–M. rogalae в Поволжье — до нижнего коньяка — и, соответственно, об изменении ее объема и взаимоотношении с подстилающей филозоной M. cortestudinarium.
Таблица VI. Иглокожие турона–коньяка из разреза Нижняя Банновка. Длина масштабной линейки 1 мм (кроме особо указанных случаев).
1 — Bourgueticrinus sp., обр. 4, экз. СГУ ЕАК № 207.1/NB-4-1, членик стебля, вид сбоку; 2 — Nielsenicrinus carinatus (Roemer), обр. 5, экз. СГУ ЕАК № 207.2/NB-5-1, членик стебля: a — вид со стороны поверхности сочленения, б — вид сбоку; 3 — Nielsenicrinus carinatus (Roemer), обр. 17, экз. СГУ ЕАК № 207.2/NB-17-1, членик стебля, вид со стороны поверхности сочленения; 4 —? Ophiomusium granulosum (Roemer), обр. 8, экз. СГУ ЕАК № 208.1/NB-8-1, боковая пластинка руки: a — вид с внешней стороны, б — вид с внутренней стороны; 5 —? Ophiomusium granulosum (Roemer), обр. 8, экз. СГУ ЕАК № 208.1/NB-8-2, боковая пластинка руки: a — вид с внутренней стороны, б — вид с внешней стороны; 6 — Bourgueticrinus sp., обр. 17, экз. СГУ ЕАК № 207.1/NB-17-1, членик стебля, вид со стороны поверхности сочленения; 7 — Goniasteridae gen. et sp. indet., обр. 9, экз. СГУ ЕАК № 209.1/NB-9-1, маргинальная пластинка; 8 — Goniasteridae gen. et sp. indet., обр. 17, экз. СГУ ЕАК № 209.1/NB-17-1, маргинальная пластинка; 9 — Goniasteridae gen. et sp. indet., обр. 8, экз. СГУ ЕАК № 209.1/NB-8-1, маргинальная пластинка; 10 —? Ophiocoma senonensis (Valette), обр. 15, экз. СГУ ЕАК № 208.2/NB-15-1, адоральная пластинка руки; 11 —? Ophiomusium granulosum (Roemer), обр. 8, экз. СГУ ЕАК № СГУ ЕАК № 208.1/NB-8-3, боковая пластинка руки: a — вид с внешней стороны, б — вид с внутренней стороны; 12 —? Drepanocrinus communis (Douglas), обр. 25, экз. СГУ ЕАК № 207.3/NB-25-1, вторая брахиальная табличка первого порядка (IBr2): a — вид с внешней стороны, б — вид с внутренней стороны; 13 — брахиальная табличка второго порядка (IIBr) представителя отряда Comatulida Clark, обр. 25, экз. СГУ ЕАК № 207.4/NB-25-1, вид со стороны поверхности сочленения; 14 — брахиальная табличка второго порядка (IIBr) представителя отряда Comatulida Clark, обр. 9, экз. СГУ ЕАК № 207.4/NB-9-1, вид со стороны поверхности сочленения; 15 — брахиальная табличка второго порядка (IIBr) представителя отряда Comatulida Clark, обр. 9, экз. СГУ ЕАК № 207.4/NB-9-2, вид со стороны сизигальной поверхности; 16 — брахиальная табличка второго порядка (IIBr) представителя отряда Comatulida Clark, обр. 17, экз. СГУ ЕАК № 207.4/NB-17-1, вид со стороны сизигальной поверхности; 17 — Bourgueticrinus sp., обр. 34, экз. СГУ ЕАК № 207.1/NB-34-1, членик стебля, вид сбоку
По результатам изучения порошков микрофаунистических проб, разрозненные мелкоразмерные скелетные элементы морских ежей, морских лилий, морских звезд и офиур выделены практически по всему разрезу. Морские ежи представлены фрагментированными пластинками панцирей и обломками игл “правильных” и “неправильных” форм. Они установлены в большинстве проб, но при этом стратиграфически незначимы, так как их определение затруднено. Разрозненные членики морских лилий Bourgueticrinus sp. установлены в образцах 2–15, 17–19, 21, 23–25, 29–30. В образцах 4–6, 8, 10, 17 среди криноидей определены представители Nielsenicrinus carinatus (Roemer). Это вид ранее описан из туронских–коньякских отложений разрезов Чухонастовка, Каменный Брод, Сплавнуха (Ольховская и Карамышская впадины), но не отмечен в разрезах Вольской впадины (Первушов и др., 2019, 2022б; Pervushov et al., 2019). За пределами региона вид известен из коньяка–кампана севера Западной Европы, Украины, Казахстана, Туркмении и Крыма (Klikushin, 1983; Кликушин, 1991; Selden, 2011). В образцах 9, 17, 25 установлены брахиальные таблички представителей отряда Comatulida Clark. В образце 25 впервые в регионе установлены элементы ? Drepanocrinus communis (Douglas); это вид, который известен из верхнего турона–нижнего коньяка Англо-Парижского бассейна (зоны M. coranguinum и M. cortestudinarium) (Gale, 2019). Его находка в одновозрастных отложениях зоны M. coranguinum в пределах Поволжья позволяет, с одной стороны, расширить ареал, а с другой — повышает его ценность в качестве маркера, характеризующего узкий стратиграфический интервал.
Таблички морских звезд Goniasteridae установлены из образцов 4–9, 15, 17.
Наряду с остатками бургуетикринид, в пробах преобладают скелетные элементы офиур. В образцах 2–9, 11–15, 17, 21–22, 25, 30 доминируют боковые пластинки рук ? Ophiomusium granulosum (Roemer). В образце 29 установлена адоральная пластинка руки, предположительно, Ophiocoma? senonensis (Valette). “Позвонки” офиур выделены в образцах 3, 5, 6, 12 и 15, таксономическая принадлежность которых не определена. Эти формы впервые отмечены в верхнемеловых отложениях региона. При изучении микрофаунистических проб элементы офиур установлены в разрезах Сплавнуха, Мирошники и Чухонастовка. За пределами региона вид Ophiomusium granulosum (Roemer) известен из нижнего кампана Великобритании и Германии, маастрихта Германии, маастрихта–нижнего палеоцена Дании (Jagt, 2000). Ophiocoma? senonensis (Valette) описан из ? сеномана Великобритании, турона Чехии, среднего–верхнего турона, нижнего коньяка и верхнего сантона Туниса, верхней части нижнего кампана Швеции, маастрихта Германии, Дании, Испании, верхнего кампана–нижнего палеоцена юго-востока Нидерландов и северо-востока Бельгии (стратотипической местности маастрихта), верхнего “сенона” Франции, Германии, Дании, Англии, нижнего дания Дании, верхнего дания Швеции и США (Нью Джерси) (Jagt, 2000; Štorc, Žitt, 2008).
Стратиграфическое распространение мелкоразмерных скелетных элементов иглокожих прослежено в ряде разрезов верхнего мела Поволжья (Первушов и др., 2019, 2022а, 2022б, 2022в; Pervushov et al., 2019). В туронском интервале разрезов Коммунар, Чухонастовка и Каменный Брод установлены концентрации остатков иглокожих, выделенные благодаря их большому количеству в пробах. Подобный уровень концентрации элементов иглокожих установлен в разрезе Нижняя Банновка. Наибольшая концентрация отмечена в пробах 3–6, а выше, в пробах 7–9, их концентрация заметно снижается. Пробы выше 9-й характеризуются наименьшим количеством элементов иглокожих в этом разрезе.
Спонгиофауна (рис. 7). В изученном разрезе скелеты кремневых губок приурочены к двум интервалам: нижней части среднетуронских мергелей (зона БФ LC4) и к “губковому” прослою нижнего сантона (подзона БФ LC8c).
Рис. 7. Распределение кремневых губок и замковых брахиопод в разрезе Нижняя Банновка. Условные обозначения см. рис. 3
Туронский спонгиокомплекс составляют формы, распространенные в породах нижнего–среднего турона и верхнего турона, которые однообразны по видовому составу, но отличаются условиями обитания и захоронения губок. Спонгиокомплекс нижнего–среднего турона (слои 2–3) — это фосфатные скелеты мелкорослых губок-гексактинеллид Plocoscyphia sp., Ventriculites sp., Microblastium spinosum (Sinzow), Guettardiscyphia multilobata (Sinzow), G. stellata (Michelin), G. sp. и реже демоспонгий. По таксономическому составу это сообщество губок слабо отличается от позднесеноманского спонгиокомплекса. Нижне-среднетуронский спонгиокомплекс известен из разрезов, расположенных в южной части Поволжья (Каменный Брод, Красный Яр-1, Мирошники, Чухонастовка-1) (Pervushov et al., 2019; Первушов и др., 2021).
Спонгиокомплекс верхнего турона — это автохтонные, равномерно рассеянные захоронения единичных тонкостенных крупных скелетов гексактинеллид Etheridgia sp., Plocoscyphia sp. и Ventriculites sp., выполненных окислами железа и марказитом. Представители позднетуронского спонгиокомплекса также установлены в разрезах Большой Каменный овраг, Меловатка и Мирошники (Гужикова и др., 2020а, 2021б). В разрезах Филин и Чухонастовка-2 в верхних интервалах верхнего турона установлены мелкие сферические скелеты известковых губок Porosphaera globularis (Phillips, 1835) (Первушов, Худяков, 2020). В нижнебанновском разрезе найдено несколько скелетов Porosphaera sp., без конкретной послойной привязки.
Нижнеконьякские образования на территории Поволжья спонгиофауной не охарактеризованы. В разрезе Нижняя Банновка отложения среднего коньяка сильно редуцированы (рис. 7), и в них губки не найдены. Среднеконьякский спонгиокомплекс известен в разрезе Каменный Брод, но его состав аналогичен раннесантонскому спонгиокомплексу (Pervushov et al., 2019).
Скопление фосфатных скелетов кремневых губок в основании пород нижнего сантона подчеркивает кровлю губкинского горизонта. В разрезе Нижняя Банновка “губковый” прослой характеризуется малой мощностью, ограниченным таксономическим составом и небольшим количеством фоссилий (Первушов, 2016; Первушов и др., 2017а, 2017б, 2019). Плохая сохранность скелетов губок синхронного аллохтонного комплекса, часто представленных видоизмененными биоэрозией окатанными фрагментами, обусловили идентификацию форм лишь до уровня рода.
На юго-востоке Восточно-Европейской провинции в составе раннесантонских поселений губок доминировали гексактинеллиды (75–80%), а среди них были наиболее распространены представители отряда Lychniscosa. Демоспонгии занимали менее четверти таксономического состава губковых поселений, а известковые губки неизвестны. В разрезе Нижняя Банновка установлены гексактинеллиды Cephalites (Cephalites) alternans T. Smith, Coscinopora infundibuliforme Goldfuss, Lepidospongia rugosa Schluter, Microblastium cylindratum Perv., Sororistirps radiatum (Mantell) и представитель демоспонгий Actinosiphonia radiata (Fischer Waldcheim) [=? Phyllodermia incrassate (Griepenkerl)]. Представители родов Guettardiscyphia и Plocoscyphia характеризуются как транзитные, их распространение в регионе отмечается со среднего сеномана до маастрихта; а представители Tremabolites, Etheridgia, Napaeana, Sporadoscinia и Ventriculites cribrosus (Phillips) встречаются с позднего турона и среднего коньяка. События турона–коньяка в истории развития спонгиофауны Восточно-Европейской провинции во многом совпадают с тенденциями расселения губок в целом в пределах ЕПО (Первушов, 1998; Svennevig, Surlyk, 2019; Swierczewska-Gładysz et al., 2019).
Брахиоподы. В разрезе Нижняя Банновка находки брахиопод немногочисленны (38 экз.), и они приурочены к двум уровням (рис. 7). В средней части слоя 10 собрано наибольшее количество раковин разнообразных представителей группы. Большая часть раковин несет следы постседиментационной деформации и отличается плохой сохранностью элементов тонкой скульптуры створок. Лишь у некоторых экземпляров сохранились элементы ручного аппарата — петля брахидия. Определены представители гиббетиридид (Gibbithyris Sahni и Concinnithyris Sahni), базилиолид (Orbirhynchia Pettitt) и кингенид (Kingena Davidson). Род Gibbithyris Sahni представлен видами G. grandis Sahni, G. cf. subrotunda (J. Sowerby), G. semiglobosa (J. Sowerby) и тремя, предположительно, новыми формами. Вид G. semiglobosa (J. Sowerby) распространен в верхнетуронских отложениях Туркмении, европейской части России, Украины и Западной Европы, а G. grandis Sahni отмечен и из нижнеконьякских отложениях указанных территорий (Кац, 1974; Титова, 1992). Из турона Туркмении и Англии известен вид G. subrotunda (J. Sowerby) (Титова, 1992). Обнаружены несколько представителей рода Concinnithyris Sahni, видовая принадлежность которых не установлена. Из базилиолид определены Orbirhynchia reedensis Pettitt, O. orbigny Pettitt и O. sp. Первый вид известен из верхнего турона–верхнего сантона Западной Европы (Monks, Owen, 2000), а второй — из нижнего и среднего турона Англии (Кац, 1974; Gaspard, 1997) и верхнего турона Украины и европейской части России (Кац, 1974).
Из средней части слоя 12 известны единичные брахиоподы, представленные целыми раковинами и отдельными створками Concinnithyris sp., Gibbithyris cf. semiglobosa (J. Sowerby) и Kingena sp.
В разрезе Нижняя Банновка в туронских породах встречены редкие скелеты мелких одиночных кораллов, без достоверной послойной привязки.
МАГНИТОСТРАТИГРАФИЯ
В результате проведенных ранее детальных магнитостратиграфических исследований турона–коньяка разреза Нижняя Банновка установлено, что отложения характеризуются преимущественно прямой полярностью и хорошо дифференцированы в петромагнитном отношении. По данным опытов магнитного насыщения и термомагнитного анализа, проведенных на выборочных образцах, обосновано, что основным носителем намагниченности в разрезе является тонкодисперсный магнетит (Guzhikova et al., 2019). Сверхдетальные данные по магнитной восприимчивости (5 640 замеров удельной магнитной восприимчивости (Km) на 1820 уровнях, расположенных в сантиметре друг от друга) использовались для циклостратиграфического анализа (Суринский и др., 2016; Суринский, Гужиков, 2017).
Анализ петромагнитных данных, представленных в настоящей работе, позволил извлечь новую информацию о свойствах ферромагнитной фракции и осо бенностях ее распределения по разрезу. Результаты проведенных исследований имеют значение для обоснования природы намагниченности и выявления седиментационной ритмичности.
Несмотря на то, что изученные породы слабомагнитны (K = 0.1–6.9 × 10–5 ед. СИ, Jn = 0.04–0.4 × 10–3А/м), разрез хорошо дифференцирован в петромагнитном отношении. Кривая магнитной восприимчивости имеет отчетливо ритмичный характер. По наиболее резким изменениям значений K на соседних уровнях (более чем в 3 раза) разрез подразделен на пять петромагнитных интервалов: Pi-1–Pi-5 (рис. 8). Границы этих интервалов отражаются и на других графиках; например, подошва Pi-3 сопровождается выразительными изменениями в характере кривых dK и K/Jrs, основание Pi-5 отмечено скачкообразными возрастаниями Jn и Jrs (рис. 8). Просуммировав нормализованные значения наиболее тесно связанных между собой корреляционными зависимостями параметров, можно добиться максимальной контрастности петромагнитных ритмов. Например, они весьма отчетливо проявляются на аддитивном графике K/Kmax + Jn/Jnmax + Jrs/Jrsmax 2 (рис. 8). Коэффициенты парной линейной корреляции между K и Jn, K и Jrs, Jn и Jrs высоки: 0.85–0.89. Столь сильная взаимосвязь обусловлена зависимостью величин всех трех параметров от концентраций ферромагнитного материала. Явные тренды к уменьшению K, J1n, Jrs, наблюдаемые в Pi-1, Pi-2, Pi-3 и Pi-5, указывают на закономерное снижение магнетитовой фракции в пределах каждого из них, в то время как в пределах Pi-4 подобная тенденция отсутствует (рис. 8).
Рис. 8. Петромагнитный разрез турон-коньякских отложений у с. Нижняя Банновка (Саратовская область).
I и II — нижние границы петромагнитных подразделений, выделенных по вариациям отношения K/Jrs (K/Jrs-1 — K/Jrs-3) и концентрационно-зависимых параметров (Pi-1 — Pi-5) соответственно. MFS — поверхность максимального затопления
Если носителями магнитных свойств пород служат аллотигенные минералы, то петромагнитная ритмичность разреза отражает изменения уровня моря: возрастание величин концентрационно-зависимых параметров соответствует регрессии бассейна и связанной с ней активизации терригенного сноса, а убывание этих параметров отвечает трансгрессии, для которой характерен минимальный привнос обломочных ферромагнетиков (Гужиков, Молостовский, 1995). Подобная модель была заложена в основу секвенс-стратиграфической интерпретации вариаций магнитной восприимчивости по разрезу Нижняя Банновка (Суринский и др., 2016; Суринский, Гужиков, 2017), но ее слабым местом оставалось отсутствие надежных доказательств терригенного генезиса магнетита. Анализ петромагнитных характеристик, полученных в результате настоящих исследований, позволил в значительной мере восполнить этот пробел.
Остаточная намагниченность насыщения почти всех образцов значительно (в разы и на порядок) возрастает после прогрева (рис. 8). Это не связано с образованием новых сильномагнитных фаз, потому что магнитная восприимчивость после термического воздействия практически не меняется (среднее значение dK по разрезу составляет всего 0.38 × 10–5 ед. СИ) (рис. 8). Следовательно, приращение Jrs обусловлено только уменьшением среднего размера магнетитовых зерен. На повсеместный рост дисперсности ферромагнитной фракции после прогрева указывают и существенно меньшие значения Kt /Jrst по сравнению с K/Jrs (рис. 8).
В целом петромагнитный облик пород после нагрева наилучшим образом объясняется распадом магнетитовых зерен на частицы более мелкой размерности. Дезинтеграция магнетита происходит, скорее всего, по плоскостям спайности, которые в процессе термического воздействия могут окисляться до гетита или гематита. Однако концентрации новообразованных магнитожестких ферромагнетиков ничтожно малы для того, чтобы сказаться на магнитных свойствах образцов. Уместно предположить, что аллотигенные частицы, поступившие в палеобассейн из зоны гипергенеза, изначально трещиноваты и потому более подвержены дезинтеграции, по сравнению с аутигенными минеральными зернами. С этой точки зрения интенсивное дробление ферромагнитных частиц вследствие термических воздействий можно расценивать как показатель их обломочного происхождения.
Отрицательные коэффициенты корреляции между K/Jrs и Bcr (r(K/Jrs — Bcr)) 3 в нижней части разреза (рис. 8) связаны с обусловленностью обоих петромагнитных параметров размерностью ферромагнитных частиц. Преимущественно положительные r(K/Jrs — Bcr) указывают на изменения состава магнитной фазы в верхней части разреза. Интервалу преимущественно обратной корреляции сопутствуют повышенные значения остаточной коэрцитивной силы, свойственные окисленным магнетитовым зернам. Поэтому можно предположить, что изменения магнитной фазы, разрушившие обратную связь между K/Jrs и Bcr в верхах разреза, сводятся к уменьшению доли продуктов окисления Fe3O4 — гидроокислов железа. Интенсивность окисления обломочного материала находится в прямой зависимости от продолжительности времени, в течение которого он подвергался гипергенным воздействиям. Поэтому общую тенденцию к убыванию величин Bcr вверх по разрезу, предположительно, можно трактовать как постепенную смену области размыва, которая длительное время представляла собой сушу, на “свежие” источники терригенного сноса, возможно появлявшиеся за счет локальных тектонических поднятий.
Исключение из рассмотрения единственного образца, обогащенного жесткими ферромагнетиками, не меняет общей петромагнитной картины разреза. Скорее всего, гематит или/и сильно дегидратированные гидроокислы железа в этом образце также имеют аллотигенное происхождение (если бы они были продуктом интенсивного окисления магнетита во время перерыва в осадконакоплении, то в разрезе на уровне обр. 24 наблюдались бы резкие изменения в характере распределения хотя бы некоторых магнитных свойств).
Каждая из описанных выше особенностей, так же, как и отмеченные ранее (Guzhikova et al., 2019) признаки ориентационной природы намагниченности (малые значения фактора Q и палеомагнитных кучностей), лишь косвенно свидетельствует в пользу обломочного генезиса ферромагнетиков. Однако в совокупности они являются практическим доказательством тезиса об обусловленности вариаций концентрационно-зависимых петромагнитных параметров по разрезу турона–коньяка Нижняя Банновка изменениями уровня моря.
Графики независимых от концентраций ферромагнетиков параметров также прекрасно дифференцированы. Например, график K/Jrs отчетливо подразделяется на три части, средняя из которых (K/Jrs–2) отмечена минимальными размерами магнетитовых частиц, а нижняя и верхняя (K/Jrs–1 и K/Jrs–3 соответственно) характеризуются более крупной ферромагнитной фракцией (рис. 6). Подразделения, выделенные по K/Jrs, совпадают с послойным строением разреза (K/Jrs–1 отвечает слоям 2–9, K/Jrs–2 — слою 11, а K/Jrs–3 — слою 12), а их нижние границы соответствуют плоскостям явно выраженных перерывов в осадконакоплении. Подошва K/Jrs–2 совпадает с основанием петромагнитного интервала Pi-3; интервал Pi-5 дополнительно подразделяется по рубежу между K/Jrs–2 и K/Jrs–3 (рис. 8).
ОБСУЖДЕНИЕ РЕЗУЛЬТАТОВ
Анализ палеонтологического материала, собранного на территории Среднего и Нижнего Поволжья, позволяет заключить, что наиболее детальные и обоснованные данные по биостратиграфии туронского–коньякского интервала могут быть получены при изучении комплексов бентосных фораминифер. Это показано при обосновании положения границы турона и коньяка, при выделении и прослеживании зон и подзон по БФ в разрезах мел-мергельных образований Ульяновско-Саратовского прогиба. Цефалоподы, иноцерамиды и морские ежи характеризуют отдельные интервалы туронских–коньякских отложений и пограничные интервалы коньяка–сантона. Брахиоподы, в силу недостаточной изученности представителей группы и их селективной приуроченности к узким интервалам, дополняют палеонтологическую характеристику турона–коньяка региона. Кремневые губки подчеркивают начало туронского и раннесантонского осадконакопления, что обусловлено трансгрессивными тенденциями в развитии морского бассейна. Известковые губки (род Porosphaera) рассматриваются как транзитные формы, которые известны в регионе со среднего турона по палеоцен.
Туронские отложения почти повсеместно представлены одной последовательностью детальных биостратиграфических подразделений, выделенных по БФ: подзоны LC4a, LC4b, LC5a, LC5b, LC5c и нижние интервалы подзоны LC6b. В пределах региона вариации мощности подзон LC4a и LC4b, как и ее значения, незначительны. Значения мощности подзон верхних интервалов турона изменяются в широких пределах, что во многом обусловлено последующими эрозионными срезами в предконьякское и предсантонское время. Подзона LC5a не установлена лишь в разрезе Большевик, где отмечена минимальная мощность турона в регионе. Присутствие наиболее ранних отложений турона предполагается в разрезе Чухонастовка-1 (подзоны LC3a–LC3b) и Озерки-2 (LC3).
В разрезе Нижняя Банновка установлена только часть подзон БФ среднего и верхнего турона. В результате предконьякского эрозионного среза здесь отсутствуют подзоны LC5b, LC5c и подзона LC6at, т.е. интервал пород верхнего турона сильно сокращен. Мощность банновской свиты в стратотипе близка к минимальным значениям, что заметно при сравнении с разрезами юго-западной части Ульяновско-Саратовского прогиба (Каменный Брод, Сплавнуха, Чухонастовка; рис. 3).
При полевом изучении разрезов губкинского горизонта по прослоям пелитового материала и карбонатных окатышей предпринималось выделение внутриформационных несогласий. В ряде случаев, в том числе и в разрезе Нижняя Банновка, наличие подобных несогласий было подтверждено при анализе вертикального распределения БФ. Явные и скрытые стратиграфические несогласия порой достигают величины нескольких подзон. В разрезах Сплавнуха, Нижняя Банновка, Каменный Брод и Чухонастовка подошва подзоны LC6a залегает на размытых породах подзоны LC5a; и это означает, что в этих разрезах отсутствуют подзоны LC5b и LC5c. Рассматриваемое авторами положение подошвы коньяка внутри подзоны LC6a, на границе подзон LC6at и LC6ak, литологически не выражено, за исключением случаев, когда отсутствует подзона LC6at (разрезы Коммунар, Нижняя Банновка).
Исходя из требования к выделению магнитозон по образцам не менее чем с трех уровней, два интервала прямой и два интервала аномальной полярности в основании разреза Нижняя Банновка (Guzhikova et al., 2019) объединены в одну зону аномальной полярности (рис. 3).
Аномальные направления намагниченности отличаются от среднего по разрезу палеомагнитного вектора прямой полярности на 60°–150° и, возможно, являются результатом частичного перемагничивания пород (стабилизированной векторной суммой компонент прямой полярности). С этой точки зрения существует опасность того, что весь разрез (или его значительная часть) являются результатом полного перемагничивания пород современным полем. Однако, как показали исследования последних лет, подобные аномальные направления Jn фиксируются во всех разрезах турона–сантона Нижнего и Среднего Поволжья, образуя крупные магнитозоны аномальной полярности (Guzhikova et al., 2019; Гужикова и др., 2020а, 2021а, 2021б, 2021в; Pervushov et al., 2019; Первушов и др., 2022а, 2022б). Поэтому версия о древнем возрасте намагниченности туронских–сантонских отложений Поволжья выглядит более обоснованно на данном этапе исследований. Дополнительно в ее пользу свидетельствуют результаты проведенных петромагнитных исследований, представленные в настоящей работе.
Ранее (Гужикова и др., 2021б) по результатам комплексной био- и магнитостратиграфической корреляции 12 разрезов турона–сантона Волгоградского, Саратовского и Самарского Правобережья был построен сводный палеомагнитный разрез, в котором, руководствуясь правилами выделения магнитостратиграфических подразделений (Стратиграфический …, 2019), зафиксированы субзоны обратной (Rt), преимущественно прямой (Nr.n1, Nr.n2) и аномальной (Nr.a1, Nr.a2) полярности (Гужикова и др., 2021б). Нижняя субзона Rt примерно соответствует среднему турону (зоне LC4), а располагающаяся над ней субзона Nr.n1 — преимущественно верхнему турону (зоне LC5a). Вышележащая субзона Nr.a1 приурочена к нижнему коньяку (зоне LC6). Следующая вверх по разрезу субзона Nr.n2 отвечает в основном среднему–верхнему коньяку (зонам LC7 и нижней части зоны LC8). Верхняя субзона Nr.a2 характеризует нижний сантон (верхнюю часть зоны LC8) (рис. 3).
Нижняя субзона Rt, возможно, является зоной такой же аномальной полярности, как субзоны Nr.a1 и Nr.a. Аргументы в пользу идентификации Rt как зоны обратной полярности существуют (Первушов и др., 2017а, 2017б; Guzhikova et al., 2019; Гужикова и др., 2020а; 2021б), но они неоднозначны. Во избежание путаницы в индексации магнитозон мы сохраняем название субзоны Rt, предложенное в первом варианте сводного магнитостратиграфического разреза турона–коньяка Поволжья (Гужикова и др., 2021б), по крайней мере до тех пор, пока не появятся надежные доводы для ее переименования.
Неоднократно отмечалось (Guzhikova et al., 2019; Гужикова и др., 2021б; Первушов и др., 2022а, 2022б), что согласовать, на первый взгляд, противоречивые палеомагнитные данные по турону–сантону Поволжья можно, исходя из клиноморфного строения толщ, обусловленного тектонической активизацией во время их формирования, в результате которой формировались структурные элементы Саратовских и Доно-Медведицких дислокаций.
Для того чтобы с этих позиций провести комплексную био- и магнитостратиграфическую корреляцию турона–коньяка Ульяновско-Саратовского прогиба, необходимо ввести в сводный магнитостратиграфический разрез более дробные магнитостратиграфические подразделения (микрозоны), подразделив субзону Rt на микрозоны Rt.1r, Rt.2n и Rt.3r, а субзону Nr.a1 на микрозоны Nr.a1.1a, Nr.a1.2n и Nr.a1.3a (рис. 3).
Полученные палеомагнитные данные позволяют детализировать клиноформное строение турона–коньяка Ульяновско-Саратовского прогиба (рис. 3), но использовать их для дальних корреляций пока невозможно, несмотря на веские аргументы в пользу древнего возраста намагниченности.
Теоретически возможны только два варианта объяснения сложной палеомагнитной зональности турона–сантона Поволжья, противоречащей традиционным представлениям об устойчивом режиме прямой полярности туронского–сантонского поля (Gradstein et al., 2020). Первый вариант допускает полное или частичное перемагничивание пород, что сразу же исключает возможность использования полученных данных для межрегиональных сопоставлений. Второй вариант предполагает существование недипольного поля в конце мелового суперхрона нормальной полярности в течение, по крайней мере, 5–6 млн лет (Гужиков, Федулеев, 2019; Гужиков, Барабошкин, 2022; Гужикова и др., 2020б, 2021б). Если палеомагнитные данные по турону–сантону Поволжья отражают аномальный характер туронского–сантонского геомагнитного поля, то их корреляционная ценность в глобальном масштабе не очевидна. По имеющимся представлениям недипольное состояние поля свойственно только эпохам геомагнитных инверсий, продолжительность которых не превышает 20 тыс. лет (Valet, Herrero-Bervera, 2007). Подтверждение гипотезы о существовании аномального режима поля в течение многих миллионов лет имело бы фундаментальное значение для физики Земли, но обсуждение этой проблемы выходит за рамки настоящей работы.
На основе петромагнитной ритмичности нами выделены четыре трансгрессивно-регрессивных цикла (T–R), из которых только третий запечатлен полностью (рис. 8). У остальных T–R циклов регрессивные части (в которых происходит возрастание K, Jn, Jrs) целиком уничтожены последующими размывами. Подошва петромагнитного интервала Pi-4 отмечает переход от трансгрессии к регрессии бассейна и соответствует поверхности максимального затопления. В разрезе этот уровень выражен только границей слоев плотных мергелей и вряд ли мог быть идентифицирован как MFS без анализа петромагнитных данных.
Трудно избежать искушения отождествить выявленную MFS с максимальной поверхностью затопления K.Tu3.mfs, а основание петромагнитного интервала Pi-5 с подошвой секвенции K.Tu4 (Gradstein et al., 2020), как это сделано в работах (Суринский и др., 2016; Суринский, Гужиков, 2017). Однако надо признать, что сопоставлять выделенные T–R циклы с известными секвенциями преждевременно, потому что колебания уровня моря на территории Нижнего Поволжья в туроне–коньяке контролировались в основном тектоническим фактором. По этой же причине петромагнитные вариации по разрезу Нижняя Банновка нельзя корректно сопоставить с изменениями магнитной восприимчивости по GSSP коньяка — разрезу Зальцгиттер-Сальдер (Salzgitter-Salder) в Саксонии (Walaszczyk et al., 2022). В стратотипе нижней границы яруса, так же как и в пограничном интервале турона–коньяка Поволжья, не удается на основании имеющихся данных дифференцировать вклад эвстатического, климатического и регионального тектонического факторов в магнитные свойства пород.
В перспективе нельзя исключить, что петромагнитные данные будут востребованы для прослеживания реперных уровней в разных регионах. И в поволжском, и в саксонском разрезах вариации магнитной восприимчивости связаны с изменениями концентраций обломочных частиц в осадках. Наиболее существенное изменение на графике K по разрезу Зальцгиттер-Сальдер (между слоями 52 и 53a) объясняется резкой, хотя и незначительной, гумидизацией климата (Walaszczyk et al., 2022). Смену отрицательных коэффициентов корреляции r(K/Jrs–Bcr) на положительные в разрезе Нижняя Банновка (рис. 8), обусловленную сокращением времени окисления обломочных ферромагнитных частиц (см. раздел “Магнитостратиграфия”), также допустимо интерпретировать как активизацию терригенного сноса вследствие увеличения количества осадков. Если предположить, что повышение относительной влажности атмосферы в коньякском веке было глобальным, то петромагнитный рубеж между слоями 52 и 53a в GSSP можно сопоставить с уровнем перемены характера корреляции между K/Jrs и Bcr в низах петромагнитного интервала Pi-3 разреза Нижняя Банновка (рис. 8). Однако без дополнительной палеогеографической и магнито-минералогической информации подобная гипотеза является спекулятивной.
Уровни резких изменений в распределении магнитных свойств по разрезу соответствуют перерывам в осадконакоплении. По степени контрастности этих изменений косвенно можно судить об относительной продолжительности перерывов и соответственно о полноте осадочной последовательности.
Один из наиболее значительных гиатусов в изученном разрезе (не принимая во внимание подошву и кровлю губкинского горизонта) приходится на границу слоев 9–10 и маркируется скачкообразными изменениями большинства петромагнитных параметров, по которым определены нижние границы петромагнитных подразделений Pi-3 и K/Jrs–2 (рис. 8). Объем размытых отложений соответствует нескольким подзонам по БФ (LC5a, LC5b и, частично, LC6a).
Длительность перерыва между слоями 11 и 12, несмотря на визуальные признаки размыва в подошве 12 слоя (наличие окатышей слабофосфатных мергелей), напротив, мала, поскольку характер петромагнитных вариаций на этом рубеже относительно плавный. Контрастные изменения связаны только с резким возрастанием отношения K/Jrs, по которому определена нижняя граница интервала K/Jrs–3. Вероятно, этот уровень соответствует появлению близкого локального источника сноса, возникшего при росте антиклинальной структуры. На вовлечение в размыв новых пород указывает как укрупнение размерности ферромагнитной фракции, так и минимальная степень окисленности магнетитовых частиц в пределах K/Jrs–3 (см. раздел “Магнитостратиграфия”). Вывод о небольшой продолжительности перерыва, основанный на петромагнитных данных, подтверждается наличием полной последовательности инфразональных подразделений по БФ в этой части разреза.
Петромагнитные данные позволяют установить уровни еще нескольких диастем, которые по своим масштабам сопоставимы с перерывом в осадконакоплении на границе слоев 11 и 12. Таковыми уровнями являются нижние границы петромагнитных интервалов Pi-2, Pi-4 и Pi-5. При геологическом описании разреза признаки перерыва (в виде многочисленных мелких ихнофоссилий) отмечены только в подошве Pi5.
Основания петромагнитных интервалов Pi-2 и Pi-5 одновременно являются подошвами трансгрессивно-регрессивных циклов (секвенций), а основание Pi-4 соответствует MFS. Поэтому петромагнитные границы целесообразно использовать для послойного расчленения разреза, в особенности рубеж между Pi-4 и Pi-5, который маркирует наиболее значимые изменения в магнитных свойствах пород после уровня границы Pi-4 и Pi-5 (рис. 8).
ЗАКЛЮЧЕНИЕ
В разрезе Нижняя Банновка на основе анализа вертикального распределения бентосных фораминифер установлены интервалы среднего (зона LC4) и верхнего (зоны/подзоны LC5a, LC6at) турона, нижнего коньяка (зоны/подзоны LC6ak, LC6b) и нижней части среднего коньяка (основание зоны LC7). Это биостратиграфическое расчленение подтверждается находками иглокожих, аммонитов, иноцерамов и белемнитов.
Официальная граница турона–коньяка не утверждена, и ее уровень не может быть точно определен в разрезе. Предполагается, что подошва коньяка в разрезе Нижняя Банновка приурочена к подошве слоя 11, которой соответствует нижняя граница зоны LC6 по БФ. В схеме (Беньямовский, 2008а) основанию коньяка соответствует подзона LC6a. Однако сопоставление фораминиферовой и иноцерамовой схем в разрезах Мангышлака (Walaszczyk et al., 2013) и Правобережного Поволжья (Первушов и др., 2022а, 2022б; Рябов, 2023) показало, что граница подзоны расположена ниже. Анализ вертикального распространения БФ в разрезах турона–коньяка Ульяновско-Саратовского прогиба позволил связать с этим уровнем несколько событий: исчезновение видов БФ B. berthelina и T. eouvigeriniformis, а также появление вида T. selmensis (Первушов и др., 2022в). На этой основе было предложено выделение в составе подзоны LC6a двух новых подзон: Berthelina berthelini/Gavelinella kelleri LC6at и Tappanina selmensis/Protostensioeina granulata LC6ak. Подзона LC6at соответствует терминальным интервалам верхнего турона и иноцерамовой зоне Cremnoceramus waltersdorfensis waltersdorfensis, а подзона LC6ak — базальным интервалам нижнего коньяка (Рябов, 2023). В этом случае подошва коньяка в регионе может быть соотнесена с основанием подзоны LC6ak и с подразделениями зональной схемы по иноцерамам (Walaszczyk et al., 2013).
Находка Micraster cf. сoranguinum в отложениях зоны БФ LC6 позволяет предполагать смещение положения границы между филозонами M. coranguinum–M. rogalae/M. cortestudinarium в Поволжье до раннего коньяка и, как следствие, увеличение объема филозоны M. coranguinum–M. rogalae. Впервые в регионе установлено присутствие двух видов офиур: Ophiocoma ? senonensis (Valette) и ? Ophiomusium granulosum (Roemer) и одного вида криноидей ? Drepanocrinus communis (Douglas).
На основании петромагнитной и магнитостратиграфической характеристики туронского–коньякского интервала отложений нижнебанновского разреза проведено сопоставление синхронных отложений в опорных разрезах региона. Петромагнитные данные позволили выделить в нижнебанновском разрезе трансгрессивно-регрессивные циклы, обусловленные региональным тектоническим фактором, и идентифицировать уровень поверхности максимального затопления (MFS), выявить перерывы в осадконакоплении и оценить их относительную продолжительность.
Прояснено положение разреза Нижняя Банновка, как стратотипа банновской свиты, среди изученных ранее разрезов губкинского горизонта, расположенных в пределах Ульяновско-Саратовского прогиба. Более полная палеонтологическая характеристика и стратиграфический объем банновской свиты установлен в разрезах Ольховской впадины (Рябов, 2021; Koromyslova, Pervushov, 2022) и Елшано-Сергиевского вала (Первушов и др., 2017а, 2017б) (табл. 2). Изучение разрезов губкинского горизонта юго-западного свода Ульяновско-Саратовского прогиба приводит к заключению о невозможности выделения и прослеживания в его составе местных подразделений на основе тех или иных литологических признаков.
Благодарности. Признательны коллегам, участвовавшим в изучении и лабораторной обработке проб туронского–коньякского интервала пород Нижней Банновки: А.Г. Маникину, В.А. Грищенко, А.М. Суринскому, А.А. Гужиковой (СГУ, лаборатория петрофизики), а также В.А. Мусатову (НВНИИГГ) за предоставление условий для подготовки микрофаунистических проб и А.М. Захаревичу (СГУ) за помощь в получении изображений микрофоссилий на электронном микроскопе. Авторы благодарны И. Валащику (Варшавский университет, Польша) за консультации по иноцерамидам; Е.Ю. Барабошкину, В.А. Захарову, Н.В. Сенникову, А.Б. Герману и М.А. Рогову за высказанные замечания и ценные рекомендации по содержанию публикации, что способствовало конкретизации представленного материала.
Источники финансирования. Полевые работы и магнитостратиграфические исследования выполнены за счет гранта Российского научного фонда (проект № 20-77-00028)“Проверка гипотезы о существовании эпох обратной полярности в туронском, коньякском и сантонском веках (поздний мел)”. Исследование бентосных фораминифер выполнено при финансовой поддержке Российского фонда фундаментальных исследований в рамках научного проекта № 20-35-90077 “Бентосные фораминиферы как ключевой фактор детального расчленения и стратиграфической корреляции турон-коньякских отложений Поволжья”.
1 Дополнительная информация для этой статьи доступна по doi 10.31857/S0869592X24010058 для авторизованных пользователей.
2 При построении аддитивного графика исключены данные по обр. 24, обогащенному магнитожесткими минералами, фиксируемыми по аномально высокому значению Bcr (451 мТл) и отсутствию признаков магнитного насыщения в полях вплоть до 700 мТл (Guzhikova et al., 2019).
3 Коэффициенты парной линейной корреляции r(K/Jrs – Bcr) рассчитывались в скользящем окне, размером в ٧ образцов, которое перемещалось по разрезу с шагом в 1 образец.
Об авторах
Е. М. Первушов
Саратовский национальный исследовательский государственный университет им. Н. Г. Чернышевского
Автор, ответственный за переписку.
Email: pervushovem@mail.ru
Россия, Саратов
И. П. Рябов
Саратовский национальный исследовательский государственный университет им. Н. Г. Чернышевского
Email: pervushovem@mail.ru
Россия, Саратов
А. Ю. Гужиков
Саратовский национальный исследовательский государственный университет им. Н. Г. Чернышевского
Email: pervushovem@mail.ru
Россия, Саратов
В. Б. Сельцер
Саратовский национальный исследовательский государственный университет им. Н. Г. Чернышевского
Email: pervushovem@mail.ru
Россия, Саратов
Е. А. Калякин
Саратовский национальный исследовательский государственный университет им. Н. Г. Чернышевского
Email: pervushovem@mail.ru
Россия, Саратов
В. А. Фомин
Саратовский национальный исследовательский государственный университет им. Н. Г. Чернышевского
Email: pervushovem@mail.ru
Россия, Саратов
Список литературы
- Архангельский А.Д. Верхнемеловые отложения востока Европейской России // Материалы для геологии России. Т. 25. СПб.: Типография Импер. акад. наук, 1912.
- Архангельский А.Д., Добров С.А. Геологический очерк Саратовской губернии // Материалы изучения естественно-производственных условий Саратовской губернии. Вып. 1. М.: Печатня С.П. Яковлева, 1913.
- Беньямовский В.Н. Схема инфразонального биостратиграфического расчленения верхнего мела Восточно-Европейской провинции по бентосным фораминиферам. Статья 1. Сеноман–коньяк // Стратиграфия. Геол. корреляция. 2008а. Т. 16. № 3. С. 36–46.
- Беньямовский В.Н. Схема инфразонального биостратиграфического расчленения верхнего мела Восточно-Европейской провинции по бентосным фораминиферам. Статья 2. Сантон–маастрихт // Стратиграфия. Геол. корреляция. 2008б. Т. 16. № 5. С. 62–74.
- Бирюков А.В. О стратиграфическом значении эласмобранхий (Chondrichthyes, Elasmobranchii) в сеномане Правобережного Поволжья // Изв. Сарат. ун-та. Нов. сер. Сер. Науки о Земле. 2018. Т. 18. Вып. 1. С. 27–40. https://doi.org/10.18500/1819-7663-2018-18-1-27-40
- Василенко В.П. Ископаемые фораминиферы СССР. Аномалиниды // Тр. ВНИГРИ. Нов. Сер. 1954. № 80. С. 1–82.
- Василенко В.П. Фораминиферы верхнего мела полуострова Мангышлака // Тр. ВНИГРИ. 1961. Вып. 171. 487 с.
- Вишневская В.С., Копаевич Л.Ф., Беньямовский В.Н., Овечкина М.Н. Корреляция верхнемеловых зональных схем Восточно-Европейской платформы по фораминиферам, радиоляриям и нанопланктону // Вестник Моск. ун-та. Сер. 4. Геология. 2018. № 1. С. 26–35.
- Габдуллин Р.А. Верхнемеловые отложения Русской плиты: секвентная стратиграфия и циклы Миланковича // Вестник Моск. ун-та. Сер. 4. Геология. 2007. № 5. С. 16–25.
- Глазунова А.Е. Палеонтологическое обоснование стратиграфического расчленения меловых отложений Поволжья. Верхний мел. М.: Недра, 1972.
- Государственная геологическая карта Российской Федерации. Масштаб 1:1 000 000 (третье поколение). Серия Центрально-Европейская. Лист М-38 (Волгоград). Объяснительная записка. СПб.: ВСЕГЕИ, 2009. 399 с.
- Гужиков А.Ю., Барабошкин Е.Ю. Магнитостратиграфия верхнего мела Юго-Западного Крыма // Геология и водные ресурсы Крыма. Полевые практики в системе высшего образования. Материалы конференции. Ред. Аркадьев В.В. СПб.: ЛЕМА, 2022. С. 39–42.
- Гужиков А.Ю., Молостовский Э.А. Стратиграфическая информативность численных магнитных характеристик осадочных пород (методические аспекты) // Бюлл. МОИП. Отд. геол. 1995. Т. 70. Вып. 1. С. 32–41.
- Гужиков А.Ю., Федулеев Д.В. Палеомагнетизм коньякских–сантонских отложений разреза Аксу-Дере (ЮЗ Крым) // Геологические науки — 2019. Материалы научной межведомственной конференции (с международным участием), Саратов, 24–25 октября 2019 г. Саратов: Техно-Декор, 2019. С. 80–81.
- Гужикова А.А., Первушов Е.М., Рябов И.П., Фомин В.А. Магнитозона обратной полярности в туроне–коньяке северного окончания Доно-Медведицких дислокаций // Изв. Сарат. ун-та. Нов. сер. Сер. Науки о Земле. 2020а. Т. 20. Вып. 4. С. 262–277.
- Гужикова А.А., Рябов И.П., Копаевич Л.Ф. Новые палеомагнитные и микрофаунистические данные по турону–сантону разреза Аксу-Дере (ЮЗ Крым) // Меловая система России и ближнего зарубежья: проблемы стратиграфии и палеогеографии. Материалы Десятого Всероссийского совещания, г. Магадан, 20–25 сент. 2020 г. Ред. Барабошкин Е.Ю., Гужиков А.Ю. Магадан: ОАО “МАОБТИ”, 2020б. С. 81–84.
- Гужикова А.А., Грищенко В.А., Фомин В.А., Барабошкин Е.Ю., Шелепов Д.А. Магнитостратиграфия турона–сантона Самарского Правобережья // Изв. Саратов. гос. ун-та. Нов. сер. Сер. Науки о Земле. 2021а. Т. 21. Вып. 4. С. 248–263.
- Гужикова А.А., Рябов И.П., Грищенко В.А., Фомин В.А., Гужиков А.Ю., Первушов Е.М. Магнитостратиграфия турона–сантона Нижнего и Среднего Поволжья // Палеонтология, стратиграфия и палеогеография мезозоя и кайнозоя бореальных районов. Материалы научн. онлайн-сессии, 19–22 апреля 2021 г. [электронный ресурс]. Ред. Лебедева Н.К., Горячева А.А., Дзюба О.С., Шурыгин Б.Н. Новосибирск: ИНГГ СО РАН, 2021б. С. 54–58.
- Гужикова А.А., Фомин В.А., Рябов И.П., Первушов Е.М. Разрез Сплавнуха: магнитостратиграфические данные по интервалу турон-сантонских отложений (Красноармейский район Саратовской области) // Геологические науки — 2021. Материалы Всероссийской научно-практической конференции, Саратов, 2–3 декабря 2021 г. Саратов: Техно-Декор, 2021в. С. 69–74.
- Калякин Е.А. Морские ежи Micraster Центральнорусской палеобиогеографической провинции // Труды Всеросс. палеонтол. об-ва. Т. II. М.: ПИН РАН, 2019. С. 69–85.
- Камышева-Елпатьевская В.Г., Морозов Н.С., Пославская Г.Г. Маркирующие горизонты мезозойских отложений северного окончания Доно-Медведицких дислокаций // Ученые записки Сарат. ун-та. 1953. Т. 37. Вып. геол. С. 35–150.
- Кац Ю.И. Тип Brachiopoda — Брахиоподы // Атлас верхнемеловой фауны Донбасса. М.: Недра, 1974. С. 240–275.
- Келлер Б.М. Микрофауна верхнего мела Днепровско-Донецкой впадины и некоторых других сопредельных областей // Бюлл. МОИП. Отд. геол. 1935. Т. 13. Вып. 4. С. 523–558.
- Кликушин В.Г. Ископаемые морские лилии пентакриниды и их распространение в СССР. СПб.: Ленинградская Палеонтологическая лаборатория, 1991.
- Коромыслова А.В., Первушов Е.М. Мшанки верхнего турона Волгоградской области, Нижнее Поволжье // Палеонтология и стратиграфия: современное состояние и пути развития. Материалы LXVIII сессии Палеонтол. общества при РАН, посвященной 100-летию со дня рождения А.И. Жамойды. СПб.: Изд-во ВСЕГЕИ, 2022. С. 72–73.
- Мазарович А.Н. О верхнемеловых отложениях р. Иловли, в Саратовской губернии // Бюлл. МОИП. Нов. сер. Отд. геол. 1924. Т. 2. Вып. 3. С. 1–10.
- Махлин В.З. Новые позднетуронские гониокамаксы Поволжья // Палеонтол. журн. 1965. № 4. С. 26–32.
- Махлин В.З. Подкласс Endocochlia // Новые виды растений и беспозвоночных СССР. Труды ВНИГРИ. 1973. Т. 318. С. 87–92.
- Милановский Е.В. Очерк геологии Нижнего и Среднего Поволжья. М. — Л.: Гостоптехиздат, 1940.
- Найдин Д.П. Верхнемеловые белемниты Русской платформы и сопредельных областей. М.: Изд-во МГУ, 1964. 190 с.
- Найдин Д.П. Эвстазия и эпиконтинентальные моря Восточно-Европейской платформы. Ст. 2. Верхнемеловые секвенции платформы // Бюлл. МОИП. Отд. геол. 1995. Т. 70. Вып. 5. С. 49–64.
- Найдин Д.П., Морозов Н.С. Схема биостратиграфического расчленения верхнего мела Восточно-Европейской платформы // Стратиграфия СССР. Меловая система. Полутом 1. М.: Недра, 1986. С. 98–106.
- Олферьев А.Г., Алексеев А.С. Стратиграфическая схема верхнемеловых отложений Восточно-Европейской платформы. Объяснительная записка. М.: ПИН РАН, 2005. 204 с.
- Олферьев А.Г., Беньямовский В.Н., Вишневская В.С., Иванов А.В., Копаевич Л.Ф., Первушов Е.М., Сельцер В.Б., Тесакова Е.М., Харитонов В.М., Щербинина Е.А. Верхнемеловые отложения северо-запада Саратовской области. Статья 1. Разрез у д. Вишневое. Лито- и биостратиграфический анализ // Стратиграфия. Геол. корреляция. 2007. Т. 15. № 6. С. 62–109.
- Первушов Е.М. Позднемеловые вентрикулитидные губки Поволжья // Труды НИИ геологии Сарат. ун-та. Т. 2. Саратов: Изд-во “Колледж”, 1998. 168 с.
- Первушов Е.М. Геохронология и структура “сантонского” “губкового” горизонта в пределах правобережного Поволжья // Меловая система России и ближнего зарубежья: проблемы стратиграфии и палеогеографии. Сб. научн. трудов. Ред. Барабошкин Е.Ю. Симферополь: ИД “Черноморпресс”, 2016. С. 205–207.
- Первушов Е.М., Худяков Д.В. Позднемеловые известковые губки юго-востока Восточно-Европейской платформы // Изв. Сарат. ун-та. Нов. сер. Сер. Науки о Земле. 2020. Т. 20. Вып. 3. С. 184–191.
- Первушов Е.М., Иванов А.В., Попов Е.В. Местная стратиграфическая схема верхнемеловых отложений правобережного Поволжья // Тр. НИИ геологии Сарат. ун-та. Нов. сер. 1999. Т. I. С. 85–94.
- Первушов Е.М., Сельцер В.Б., Калякин Е.А., Фомин В.А., Рябов И.П., Ильинский Е.И., Гужикова А.А., Бирюков А.В., Суринский А.М. Комплексное био- и магнитостратиграфическое изучение разрезов “Озерки” (верхний мел, Саратовское правобережье). Статья 1. Характеристика разрезов, результаты петромагнитных и магнито-минералогических исследований // Изв. Сарат. ун-та. Нов. сер. Сер. Науки о Земле. 2017а. Т. 17. Вып. 2. С. 105–116.
- Первушов Е.М., Сельцер В.Б., Калякин Е.А., Фомин В.А., Рябов И.П., Ильинский Е.И., Гужикова А.А., Бирюков А.В., Суринский А.М. Комплексное био- и магнитостратиграфическое изучение разрезов “Озерки” (верхний мел, Саратовское правобережье). Статья 2. Характеристика ориктокомплексов и биостратиграфия // Изв. Сарат. ун-та. Нов. сер. Сер. Науки о Земле. 2017б. Т. 17. Вып. 3. С. 182–199.
- Первушов Е. М., Сельцер В. Б., Калякин Е. А., Ильинский Е.И., Рябов И.П. Туронские–коньякские отложения юго-западной части Ульяновско-Саратовского прогиба // Изв. вузов. Геол. и разведка. 2019. № 5. С. 10–27.
- Первушов Е.М., Рябов И.П., Гужиков А.Ю., Сельцер В.Б., Калякин Е.А., Гужикова А.А., Ильинский Е.И., Худяков Д.В., Фомин В.А. Предварительные итоги комплексных стратиграфических исследований губкинского горизонта (турон–коньяк Поволжья) // Геологические науки — 2021. Материалы Всероссийской научно-практической конференции. Саратов: Техно-Декор, 2021. С. 53–56.
- Первушов Е.М., Рябов И.П., Сельцер В.Б., Валащик И., Калякин Е.А., Гужикова А.А., Ильинский Е.И., Худяков Д.В. Верхнемеловые отложения Вольской структурной зоны Восточно-Европейской платформы: турон–нижний кампан разреза Коммунар. Статья 1. Описание разреза, бентосные фораминиферы, магнитостратиграфия // Стратиграфия. Геол. корреляция. 2022а. Т. 30. № 2. С. 101–124. https://doi.org/10.31857/S0869592X22020041
- Первушов Е.М., Рябов И.П., Сельцер В.Б., Валащик И., Калякин Е.А., Гужикова А.А., Ильинский Е.И., Худяков Д.В. Верхнемеловые отложения Вольской структурной зоны Восточно-Европейской платформы: турон–нижний кампан разреза Коммунар. Статья 2. Макрофаунистическая характеристика, выводы // Стратиграфия. Геол. корреляция. 2022б. Т. 30. № 3. С. 1–28.
- Первушов Е.М., Рябов И.П., Гужиков А.Ю., Сельцер В.Б., Калякин Е.А., Фомин В.А. Результаты комплексных стратиграфических исследований турона–коньяка Поволжья // Меловая система России и ближнего зарубежья: проблемы стратиграфии и палеогеографии. Материалы Одиннадцатого Всероссийского совещания, 19–24 сентября 2022 г., г. Томск. Гл. ред. Барабошкин Е. Ю. Томск: Изд-во Томского ун-та, 2022в. С. 200–203.
- Решения Всесоюзного совещания по уточнению унифицированной схемы стратиграфии мезозойских отложений Русской платформы. Л.: Гостоптехиздат, 1955. 90 с.
- Решения Всесоюзного совещания по уточнению унифицированной схемы стратиграфии мезозойских отложений Русской платформы. Л.: Гостоптехиздат, 1962. 90 с.
- Рябов И.П. Комплексы бентосных фораминифер Сплавнухинской площади (верхний мел) // Труды XXII Международного научного симпозиума им. академика М. А. Усова студентов и молодых ученых “Проблемы геологии и освоения недр” (2–7 апреля 2018 г., Томск). Том 1. Томск: Изд-во Томского политехнического университета, 2018. С. 94–96.
- Рябов И.П. Биостратиграфический анализ бентосных фораминифер верхнемелового разреза “Чухонастовка” (Ульяновско-Саратовский прогиб) // Теоретические и прикладные аспекты палеонтологии. Материалы LXVII сессии Палеонтологического общества при РАН, 5–9 апреля 2021 г., Санкт-Петербург. СПб.: Изд-во ВСЕГЕИ, 2021. С. 64–66.
- Рябов И.П. Бентосные фораминиферы турона–коньяка Правобережного Поволжья. Автореф. дисс. … канд. геол.- мин. наук. Саратов, 2023. 23 с.
- Сельцер В.Б. Верхнетуронские аммониты из центральной части Саратовского правобережья // Меловая система России и ближнего зарубежья: проблемы стратиграфии и палеогеографии. Материалы 9-го Всеросс. совещания. Ред. Барабошкин Е. Ю., Липницкая Т.А., Гужиков А.Ю. Белгород: Политерра, 2018. С. 249–252.
- Сельцер В.Б., Иванов А.В. Атлас позднемеловых аммонитов Саратовского Поволжья. М.: Изд-во “Университет”, 2010. 152 с.
- Сельцер В.Б., Калякин Е.А. Эскиз турон-раннесантонской фауны моллюсков и эхиноидей из обнажений Волжской Правобережной полосы участка Ахмат–Кондаково (Саратовская область) // Геологические науки — 2021. Материалы Всеросс. научно-практ. конф. Саратов: Техно-Декор, 2021. С. 60–64.
- Стратиграфическая схема верхнемеловых отложений Восточно-Европейской платформы (6 схем на 10 листах). СПб.: Картфабрика ВСЕГЕИ, 2004.
- Стратиграфический кодекс России. Издание третье, исправленное и дополненное. СПб.: Изд-во ВСЕГЕИ, 2019.
- Суринский А.М., Гужиков А.Ю. Опыт циклостратиграфического анализа петромагнитных данных по разрезу турона–маастрихта “Нижняя Банновка” (юг Саратовского Правобережья) // Изв. Сарат. ун-та. Нов. сер. Сер. Науки о Земле. 2017. Т. 17. Вып. 2. С. 117–124.
- Суринский А.М., Гужиков А.Ю., Александров П.Н. Результаты циклостратиграфического анализа петромагнитных данных по разрезу турона–коньяка “Нижняя Банновка” (юг Саратовского Правобережья) // Меловая система России и ближнего зарубежья: проблемы стратиграфии и палеогеографии. Сб. научн. трудов. Ред. Барабошкин Е.Ю. Симферополь: ИД “Черноморпресс”, 2016. С. 267–269.
- Титова М.В. Брахиоподы верхнего мела Юга СССР // Атлас руководящих групп фауны мезозоя юга и востока СССР. Труды Всесоюзн. научно-исслед. геол. ин-та. 1992. Т. 350. С. 137–171.
- Харитонов В.М., Сельцер В.Б., Иванов А.В. К вопросу о расчленении турон-коньякских отложений в классическом разрезе “Нижняя Банновка” (Саратовское Поволжье) по фауне иноцерамов // Тр. НИИ геологии СГУ. Нов. сер. 2001. Т. 8. С. 21–28.
- Харитонов В.М., Иванов А.В., Сельцер В.Б. Стратиграфия туронских и коньякских отложений Нижнего Поволжья // Недра Поволжья и Прикаспия. 2003. Вып. 36. С. 48–60.
- Christensen W.K. Late Turonian-early Coniacian belemnites from western and central Europe // Bull. Geol. Soc. Denmark. 1982. V. 31. P. 63–79.
- Christensen W.K. The Late Cretaceous belemnite family Belemnitellidae: taxonomy and evolutionary history // Bull. Geol. Soc. Denmark. 1997. V. 44. P. 59–88.
- Ernst G., Schmid F., Seibertz E. Event-Stratigraphie im Cenoman und Turon von NW Deutschland // Zitteliana. 1983. V. 10. P. 531–554.
- Gale A.S. Microcrinoids (Echinodermata, Articulata, Roveacrinida) from the Cenomanian-Santonian chalk of the Anglo-Paris Basin: taxonomy and biostratigraphy // Rev. Paléobiol. 2019. V. 38. № 2. P. 397–533.
- Gaspard D. Distribution and recognition of phases in Aptian-Turonian (Cretaceous) Brachiopod development in NW Europe // Geologica Carpathica. 1997. V. 48. № 3. P. 145–161.
- Gradstein F. M., Ogg J.G., Schmitz M.B., Ogg G.M. Geologic Time Scale 2020. V. 2. Amsterdam, Oxford, Cambridge: Elsevier, 2020. 1357 p.
- Guzhikova A.A., Guzhikov A.Yu., Pervushov E.M., Ryabov I.P., Surinskiy A.M. Existence of the reversal polarity zones in Turonian-Coniacian from the Lower Volga (Russia): new data // Recent Advances in Rock Magnetism, Environmental Magnetism and Paleomagnetism. Eds. Nurgaliev D., Shcherbakov V., Kosterov A., Spassov S. Springer Geophysics. Springer, Cham., 2019. P. 353–369.
- Houša V. Lewesiceras Spath (Pachydiscidae, Ammonoidea) from Turonian of Bohemia // Sbornik Geol. Ved. Paleontologie. 1967. V. 9. P. 7–49.
- Jagt J. W.M. Late Cretaceous–Early Palaeogene echinoderms and the K/T boundary in the southeast Netherlands and northeast Belgium — Part 3: Ophiuroids // Scripta Geologica. 2000. № 121. P. 1–179.
- Kaplan U., Kennedy W.J., Wright C.W. Turonian and Coniacian Scaphitidae from England and North-Western Germany // Geol. Jb. 1987. V. 109. P. 9–39.
- Kennedy W.J., Gale A.S. Late Turonian ammonites Haute-Normandie France // Acta Geol. Polonica. 2015. V. 65. № 4. P. 507–524.
- Kennedy W.J., Kaplan U. Ammoniten aus dem Turonium des Münsterländer Kredebeckens // Geologie und Paläontologie in Westfalen. 2019. V. 92. P. 3–223.
- Klikushin V.G. Distribution of crinoidal remains in the Upper Cretaceous of the U.S.S.R // Cretaceous Res. 1983. V. 4. P. 101–106.
- Koch W. Stratigraphie der Oberkreide in Nordwestdeutchland (Pompeckjsche Scholle). Teil 2. Biostratigraphie in der Oberkreide und Taxonomie von Foraminiferen // Geol. Jahrb. 1977. V. 38. Р. 11–123.
- Koromyslova A.V., Pervushov E.M. Uppermost Turonian bryozoans from the Lower Volga River region: scanning electron microscopy and micro-computed tomography studies // N. Jb. Geol. Paläont. Abh. 305/3. 2022. Р. 263–295. https://doi.org/10.1127/nigpa/2022/1090
- Košťák M. Cenomanian through the lowermost Coniacian Belemnitellidae Pavlov (Belemnitida, Coleoidea) of the East European Province // Geolines. 2004. V. 18. P. 59–103.
- Košťák M. On the Turonian origin of the Goniocamax-Belemnitella stock (Cephalopoda, Coleoidea) // Geobios. 2012. V. 45. № 1. P. 79–85. https://doi.org/10.1016/j.geobios.2011.11.004.
- Monks N., Owen E. Phylogeny of Orbirhynchia Pettitt, 1954 (Brachiopoda, Rhynchonellida) // Palaeontology. 2000. V. 43. № 5. P. 871–880.
- Niebuhr B., Baldschuhn R., Ernst E., Walaszczyk I., Weiss W., Wood C.J. The Upper Cretaceous succession (Cenomanian–Santonian) of the Staffhorst Shaft, Lower Saxony, northern Germany: integrated biostratigraphic, lithostratigraphic and downhole geophysical log data // Acta Geol. Polon. 1999. V. 49. № 3. P. 175–213.
- Pavlow A.P. Voyage géologique par la Volga de Kasan á Tsaritsyn // Guide des excursions du VII Congress Géol. Intren. Pt. XX. St. Petersburg, 1897. P. 1–40.
- Pervushov E.M., Ryabov I.P., Guzhikov A.Yu., Vishnevskaya V.S., Kopaevich L.F., Guzhikova A.A., Kalyakin E.A., Fomin V. A., Sel’tser V.B., Il’inskii E.I., Mirantsev G.V., Proshina P.A. Turonian–Coniacian deposits of the Kamennyi Brod-1 Section (Southern Ulyanovsk-Saratov Trough) // Stratigr. Geol. Correl. 2019. V. 27. № 7. P. 804–839.
- Selden P. A. (Ed.) Treatise on Invertebrate Paleontology. Part T, Echinodermata 2, Revised, Crinoidea, vol. 3. The University of Kansas Paleontological Institute, 2011. 261 p.
- Štorc R., Žitt J. Late Turonian ophiuroids (Echinodermata) from the Bohemian Cretaceous Basin, Czech Republic // Bull. Geosci. 2008. V. 83. № 2. P. 123–140.
- Svennevig K., Surlyk F. A high-stress shelly fauna associated with sponge mud-mounds in the Coniacian Arnager Limestone of Bornholm, Denmark // Lethaia. 2019. V. 52. P. 57–76. https://doi.org/10.1111/let.12290
- Swierczewska-Gładysz E., Jurkowska A., Niedzwiedzki R. New data about the Turonian-Coniacian sponge assemblage from Central Europe // Cretaceous Res. 2019. V. 94. P. 229–258. https://doi.org/10.1016/j.cretres.2018.10.001
- Valet J.-P., Herrero-Bervera E. Geomagnetic Reversals, Archives // Encyclopedia of Geomagnetism and Paleomagnetism. Eds. Gubbins D., Herrero-Bervera E. Berlin, Heidelberg, New York: Springer, 2007. P. 339–346.
- Walaszczyk I. Turonian trough Santonian deposits of the Central Polish Uplands; their facies development, inoceramid paleontology and stratigraphy // Acta Geol. Polon. 1992. V. 42. № 1–2. P. 1–122.
- Walaszczyk I., Wood C.J. Inoceramids and biostratigraphy at the Turonian/Coniacian boundary; based on the Salzgitter-Salder Quarry, Lower Saxony, Germany, and the Słupia Nadbrzeżna section, Central Poland // Acta Geol. Polon. 1998. V. 48. № 4. P. 395–434.
- Walaszczyk I., Kopaevich L. F., Beniamovski V.N. Inoceramid and foraminiferal record and biozonation of the Turonian and Coniacian (Upper Cretaceous) of the Mangyschlak Mts., Western Kazakhstan // Acta Geol. Polon. 2013. V. 63. № 4. P. 469–487.
- Walaszczyk I., Dubicka Z., Olszewska-Nejbert D., Remin Z. Integrated biostratigraphy of the Santonian through Maastrichtian (Upper Cretaceous) of extra-Carpathian Poland // Acta Geol. Polon. 2016. V. 66. № 3. P. 313–350.
- Walaszczyk I., Pervushov E., Seltser V., Dubicka Z. A sponge horizon at the Coniacian–Santonian boundary of the Saratov Cretaceous; integrated stratigraphy and palaegeographic significance // Меловая система России и ближнего зарубежья: проблемы стратиграфии и палеогеографии. Матер. 9-го Всеросс. совещания Ред. Барабошкин Е.Ю., Липницкая Т.А., Гужиков А.Ю. Белгород: Политерра, 2018. С. 77–80.
- Walaszczyk I., Čech S., Crampton J.S., Dubicka Z., Ifrim Ch., Jarvis I., Kennedy W.J., Lees J.A., Lodowski D., Pearce M., Peryt D., Sageman Br.B., Schiøler P., Todes J., Uličný D., Voigt S., Wiese F., Linnert Ch., PüttmannT., Toshimitsu S. The Global Boundary Stratotype Section and Point (GSSP) for the base of the Coniacian Stage (Salzgitter-Salder, Germany) and its auxiliary sections (Słupia Nadbrzeżna, central Poland; Střeleč, Czech Republic; and El Rosario, NE Mexico) // Episodes. 2022. V. 45. № 2. P. 181–220. https://doi.org/10.18814/epiiugs/2021/021022
- Wiese F., Čech S., Ekrt B., Košťák M., Mazuch M., Voigt S. The Upper Turonian of the Bohemian Cretaceous Basin (Czech Republic) exemplified by the Úpohlavy working quarry: integrated stratigraphy and paleoceanography of a gateway to the Tethys // Cretaceous Res. 2004. V. 25. № 3. P. 329–352. https://doi.org/10.1016/j.cretres.2004.01.003
- Wiese F., Čech S., Walaszczyk I., Košťák M. An upper Turonian (Upper Cretaceous) inoceramid zonation and a round the world trip with Mytiloides incertus (Jimbo, 1894) // Z. Dt. Ges. Geowiss. 2020. V. 171. № 2. P. 211–226.
- Wissing H., Herrig E. Arbeitstechniken der Mikropaleontologie. Eine Einführung. Stuttgart: Ferdinand Enke Verlag, 2000.
- Wright C.W., Kennedy W.J. The Ammnoidea of the plenus Marls and the Middle Chalk // London: Palaeontograph. Soc. Monographs, 1981. 148 p.
- Wright C.W., Wright E.V. A survey of the fossil Cephalopoda of the Chalk of Great Britain. London: Palaeontograph. Soc. Monographs, 1951. 40 p.
Дополнительные файлы


















