Анализ результатов исследования качества электроэнергии в электрических сетях зао «сибгазстройдеталь»
- Авторы: Антонов А.И.1, Руди Д.Ю.1, Хацевский К.В.1
-
Учреждения:
- Сибирский государственный университет водного транспорта
- Выпуск: Том 19, № 4 (2023)
- Страницы: 143-152
- Раздел: ЭЛЕКТРОЭНЕРГЕТИКА
- URL: https://journal-vniispk.ru/1816-9228/article/view/279732
- DOI: https://doi.org/10.18822/byusu202304143-152
- ID: 279732
Цитировать
Полный текст
Аннотация
Предмет исследования: процессы, протекающие в электрических сетях с установками индукционного нагрева.
Цель исследования: исследование качества электроэнергии в электрических сетях.
Объект исследования: электрические сети объекта исследования.
Методы исследования: в процессе выполнения исследований применялись научно-техническое обобщение литературных источников по исходным предпосылкам исследований, методы теории вероятности и математической статистики. Экспериментальные исследования выполнялись комплексным методом с использованием прибора «Ресурс-ПКЭ».
Основные результаты исследования: на основе проведённых исследований показано, что мощные электрические приёмники являются источниками искажений.
Полный текст
Введение
На современных промышленных предприятиях Российской Федерации к общей шине цеховых систем электроснабжения подключается значительное число электроприемников с нелинейными вольт-амперными характеристиками, так как данные электроприемники могут работать при различных режимах [3]. В настоящее время широко используются электроустановки индукционного нагрева (ЭИН) для поверхностной закалки, гибки труб, высокочастотной пайки и т. д. Принцип индукционного нагрева основан на создании электромагнитного поля высокой частоты, которое индуцирует в нагреваемом теле вихревые токи. Для создания индуцированных токов используются высокочастотные генераторы на базе статических силовых полупроводниковых преобразователей. В зависимости от вида электротехнологической нагрузки применяются статические преобразователи различной конфигурации и построенные на разнообразной элементной базе. Статические полупроводниковые преобразователи являются генераторами высших гармоник тока и напряжения в электрическую сеть, входящую в состав системы электроснабжения промышленного предприятия [4]. В связи с этим особую значимость имеют проблемы электромагнитной совместимости (ЭМС) как способности технических средств нормально функционировать в условиях электромагнитных воздействий, не создавая при этом недопустимых помех для других технических средств [5].
Проблема электромагнитной совместимости технических средств в электроэнергетических системах возникает у приёмников электрической энергии и в системах распределения этой энергии, если нарушается их нормальное функционирование [6].
Реакция технического средства (ТС) на воздействие электромагнитных помех зависит от его помеховосприимчивости (иначе – электромагнитной восприимчивости) и помехоустойчивости. По определению, помеховосприимчивость – неспособность ТС работать без ухудшения качества функционирования при наличии электромагнитных помех; помехоустойчивость – способность ТС сохранять заданное качество функционирования при воздействии на него электромагнитных помех с регламентируемыми значениями параметров в отсутствии дополнительных средств защиты от электромагнитных помех, не относящихся к принципу действия или построения ТС [2, 7].
В электроэнергетических системах и в системах распределения электрической энергии при нарушении нормального функционирования приёмников этой энергии появляется проблема ЭМС технических средств. Обнаруживается наличие электромагнитных влияний. При этом снижается качество функционирования технических средств – совокупность показателей технического средства, характеризующих его способность удовлетворять требованиям эксплуатации [2].
Одним из основных факторов повышения энергетической эффективности промышленных предприятий является повышение качества электроэнергии. Удовлетворение норм показателей КЭ является необходимым условием безопасного применения электрооборудования. Несоответствие норм показателей КЭ может привести к порче дорогостоящего оборудования, нарушениям производственных циклов, выпуску некачественной продукции. Своевременное обнаружение отклонений показателей КЭ от нормы позволяет предотвратить данные негативные последствия.
Руководящие документы [8, 9] устанавливают методику по контролю и анализу качества электрической энергии в системах электроснабжения общего назначения, проведения работ, процедуры выполнения измерений, обработки и представления результатов при различных видах контроля и испытаний электрической энергии на соответствие требованиям межгосударственного стандарта [10]. Он предназначен для персонала энергоснабжающих и энергопотребляющих организаций, аккредитованных испытательных лабораторий, органов государственного энергетического надзора за соблюдением требований [11].
При всех видах контроля и измерений показателей КЭ, за исключением технологического контроля, должны использоваться средства измерений, реализующие алгоритмы обработки измерительной информации в соответствии с требованием ГОСТ 32144-2013 и имеющие метрологические характеристики [10-11].
Результаты экспериментальных исследований наиболее достоверно представляют информацию об электромагнитной обстановке в электрической сети. Для измерения показателей КЭ применялся прибор «Ресурс-ПКЭ» модификации «Ресурс-ПКЭ-1.7-ои-А», предназначенный для автоматических измерений показателей КЭ в соответствии с требованиями ГОСТ 30804.4.30-2013 для оценки соответствия значений показателей КЭ установленным нормам согласно ГОСТ 32144-2013 [10].
Прибор «Ресурс-ПКЭ» позволяет одновременно измерять параметры напряжения одного трёхфазного фидера и работать автономно и в составе автоматизированных информационно-измерительных систем. Прибор обеспечивает: ведение реального времени и календаря; синхронизацию времени с национальной шкалой координированного времени Российской Федерации UTC (SU) с помощью GPS-приёмника, входящего в комплект поставки; автоматическую и программную коррекцию времени внутреннего таймера один раз в сутки на время не более ±20 с; передачу данных по интерфейсам RS-223 и RS-485 во внешнее устройство (компьютер, модем) [4].
На приборы «Ресурс-ПКЭ» выдано свидетельство об утверждении типа средств измерений RU.C.34.004.A № 45577, утверждено от 24 февраля 2012 г. и продлено от 17 февраля 2017 г., соответственно, приказами № 111 и № 312 Федерального агентства по техническому регулированию и метрологии. Прибор имеет свидетельство о поверке № 19-0320.
Исследование проводились на полигоне исследования промышленного предприятия ЗАО «СибГазСтройДеталь». Электрическими потребителями являются установки индукционного нагрева (станы горячего гнутья), станок горизонтально-расточной с ЧПУ, станок горизонтально-расточной, мостовой кран, токарные станки с ЧПУ, кран-балка, наждак, фуганок, пилорама, вытяжка, освещение, бытовые посещения.
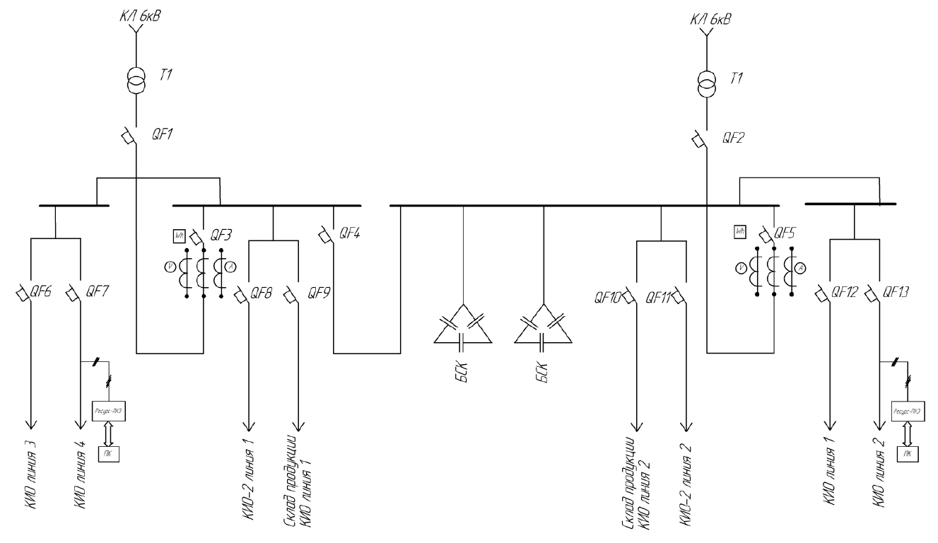
Схема подключение прибора – анализатора качества электроэнергии в схему электроснабжения приведена на рисунке 1.
Рисунок 1 – Схема подключение прибора – анализатора качества электроэнергии
После того, как получен массив данных в ходе экспериментальных исследований с помощью прибора «Ресурс-ПКЭ», его необходимо обработать. Проверка качества электроэнергии полигона исследования на соответствие требованиям ГОСТ 32144-2013 [10] проводилась по следующим показателям качества электроэнергии: медленные изменения напряжений; несимметрия напряжений по обратной последовательности, суммарный коэффициент гармонических составляющих напряжения и коэффициент n-ой гармонической составляющей напряжения. Для обработки результатов измерений по данным ПКЭ использовались программные продукты [12-15], созданные в научной школе Сибирского государственного университета водного транспорта. Данные программы разработаны в среде программного продукта LabVIEW [16].
Используемые программные продукты [12-15] позволяют вычислять такие параметры распределения, как математическое ожидание, дисперсия и среднеквадратичное отклонение. Также программа вычисляет вероятности выхода показателя КЭ за нормируемые значения и определяет вероятность появления кондуктивной низкочастотной ЭМП. Для визуализации полученных в ходе экспериментальных исследований данных программа содержит осциллограмму напряжения и гистограмму распределения.
Результаты и обсуждение
Сводные данные результатов экспериментальных исследований по ПКЭ приведены в таблицах. Жирным шрифтом выделены значения показателей КЭ, выходящие за нормируемые пределы.
Таблица 1
Сводные данные результатов экспериментальных исследований по медленному изменению напряжений при работе установок индукционного нагрева
№ п/п | Параметры | Значения на фазе А | Значения на фазе В | Значения на фазе С |
1 | Максимальное значение медленных изменений, , В | 416 | 415 | 415 |
2 | Минимальное значение медленных изменений, , В | 399 | 398 | 398 |
3 | Математическое ожидание медленных изменений напряжения , В | 409,068 | 407,916 | 408,083 |
4 | Дисперсия D | 17,971 | 19,757 | 18,784 |
5 | Среднеквадратичное отклонение , В | 4,239 | 4,445 | 4,334 |
6 | Вероятность выхода установившегося отклонения за границу Uн -10%, % | 0,000 | 0,000 | 0,000 |
7 | Вероятность выхода установившегося отклонения за границу Uн + 10%, % | 0,000 | 0,000 | 0,000 |
8 | Вероятность кондуктивной электромагнитной помехи ЭМП , % | 0,000 | 0,000 | 0,000 |
Таблица 2
Сводные данные результатов экспериментальных исследований коэффициента несимметрии напряжений по обратной последовательности при работе установок индукционного нагрева
№ п/п | Параметры | Значения |
1 | Максимальное значение коэффициента несимметрии напряжения по обратной последовательности, | 0,37 |
2 | Минимальное значение коэффициента несимметрии напряжения по обратной последовательности, | 0,05 |
3 | Математическое ожидание коэффициентов несимметрии напряжения по обратной последовательности , % | 0,178 |
4 | Среднеквадратичное отклонение | 0,081 |
5 | Вероятность выхода за нормально допустимое значение K2uн, % | 0,000 |
6 | Вероятность выхода за нормально допустимое значение K2uп, % | 0,000 |
7 | Вероятность кондуктивной электромагнитной помехи ЭМП K2u,% | 0,000 |
8 | Вероятность кондуктивной электромагнитной помехи ЭМП K2u по нормально допустимому значению, % | 0,000 |
9 | Вероятность кондуктивной электромагнитной помехи ЭМП K2u по предельно допустимому значению, % | 0,000 |
Таблица 3
Сводные данные результатов экспериментальных исследований по суммарному коэффициенту гармонических составляющих напряжения при работе установок индукционного нагрева
№ п/п | Параметры | Значения на фазе А | Значения на фазе В | Значения на фазе С |
1 | Максимальное значение суммарных коэффициентов гармонических составляющих напряжения, , | 3,14 | 3,19 | 2,94 |
2 | Минимальное значение суммарных коэффициентов гармонических составляющих напряжения, , | 1,88 | 1,90 | 1,68 |
3 | Математическое ожидание суммарных коэффициентов гармонических составляющих напряжения , % | 2,379 | 2,424 | 2,285 |
4 | Среднеквадратичное отклонение | 0,261 | 0,262 | 0,243 |
5 | Вероятность выхода за нормально допустимое значение коэффициента Kuн | 0,000 | 0,000 | 0,000 |
6 | Вероятность выхода за нормально допустимое значение коэффициента Kuп | 0,000 | 0,000 | 0,000 |
7 | Вероятность кондуктивной электромагнитной помехи ЭМП Ku,% | 0,000 | 0,000 | 0,000 |
8 | Вероятность кондуктивной электромагнитной помехи ЭМП Ku по нормально допустимому значению, % | 0,000 | 0,000 | 0,000 |
9 | Вероятность кондуктивной электромагнитной помехи ЭМП Ku по предельно допустимому значению, % | 0,000 | 0,000 | 0,000 |
Таблица 4
Вероятность появления кондуктивной низкочастотной ЭМП по коэффициенту n-ой гармонической составляющей напряжения при работе установок индукционного нагрева
№ гармоники | Фаза А | Фаза В | Фаза С | ||||||
|
|
|
|
|
|
|
|
| |
2 | 0,00 | 0,00 | 0,00 | 0,00 | 0,00 | 0,00 | 0,00 | 0,00 | 0,00 |
3 | 0,00 | 0,00 | 0,00 | 0,00 | 0,00 | 0,00 | 0,00 | 0,00 | 0,00 |
4 | 0,00 | 0,00 | 0,00 | 0,00 | 0,00 | 0,00 | 0,00 | 0,00 | 0,00 |
5 | 0,00 | 0,00 | 0,00 | 0,00 | 0,00 | 0,00 | 0,00 | 0,00 | 0,00 |
6 | 0,00 | 0,00 | 0,00 | 0,00 | 0,00 | 0,00 | 0,00 | 0,00 | 0,00 |
7 | 0,00 | 0,00 | 0,00 | 0,00 | 0,00 | 0,00 | 0,00 | 0,00 | 0,00 |
8 | 0,00 | 0,00 | 0,00 | 0,00 | 0,00 | 0,00 | 0,00 | 0,00 | 0,00 |
9 | 0,00 | 0,00 | 0,00 | 0,00 | 0,00 | 0,00 | 0,00 | 0,00 | 0,00 |
10 | 0,117 | 0,00 | 0,00 | 0,00 | 0,00 | 0,00 | 0,00 | 0,00 | 0,00 |
11 | 0,00 | 0,00 | 0,00 | 0,00 | 0,00 | 0,00 | 0,00 | 0,00 | 0,00 |
12 | 0,00 | 0,00 | 0,00 | 0,00 | 0,00 | 0,00 | 0,098 | 0,00 | 0,00 |
13 | 0,00 | 0,00 | 0,00 | 0,00 | 0,00 | 0,00 | 0,00 | 0,00 | 0,00 |
14 | 1,11 | 1,887 | 1,887 | 3,102 | 3,206 | 3,206 | 1,993 | 1,826 | 1,826 |
15 | 13,56 | 3,733 | 12,29 | 7,662 | 1,572 | 4,234 | 18,57 | 4,028 | 17,59 |
16 | 2,468 | 2,79 | 2,79 | 1,065 | 0,852 | 0,852 | 0,524 | 2,306 | 2,306 |
17 | 0,00 | 0,00 | 0,00 | 0,00 | 0,00 | 0,00 | 0,00 | 0,00 | 0,00 |
18 | 0,00 | 0,00 | 0,00 | 0,00 | 0,00 | 0,00 | 0,688 | 0,00 | 0,00 |
19 | 0,00 | 0,00 | 0,00 | 0,00 | 0,00 | 0,00 | 0,00 | 0,00 | 0,00 |
20 | 1,659 | 0,111 | 0,111 | 1,963 | 1,636 | 1,636 | 2,608 | 0,453 | 0,453 |
21 | 3,413 | 0,00 | 0,00 | 8,448 | 0,786 | 4,234 | 8,35 | 0,098 | 3,448 |
22 | 1,566 | 0,522 | 0,522 | 0,106 | 0,00 | 0,00 | 2,094 | 0,209 | 0,209 |
23 | 0,00 | 0,00 | 0,00 | 0,00 | 0,00 | 0,00 | 0,00 | 0,00 | 0,00 |
24 | 0,00 | 0,00 | 0,00 | 0,00 | 0,00 | 0,00 | 0,00 | 0,00 | 0,00 |
25 | 0,00 | 0,00 | 0,00 | 0,00 | 0,00 | 0,00 | 0,00 | 0,00 | 0,00 |
26 | 0,00 | 0,00 | 0,00 | 1,044 | 0,261 | 0,261 | 0,715 | 0,119 | 0,119 |
27 | 0,00 | 0,00 | 0,00 | 1,081 | 0,00 | 0,00 | 2,358 | 0,00 | 0,00 |
28 | 0,770 | 0,642 | 0,642 | 0,00 | 0,00 | 0,00 | 0,657 | 0,919 | 0,919 |
29 | 0,00 | 0,00 | 0,00 | 0,00 | 0,00 | 0,00 | 0,00 | 0,00 | 0,00 |
30 | 0,00 | 0,00 | 0,00 | 0,00 | 0,00 | 0,00 | 0,00 | 0,00 | 0,00 |
31 | 0,00 | 0,00 | 0,00 | 0,00 | 0,00 | 0,00 | 0,00 | 0,00 | 0,00 |
32 | 0,00 | 0,00 | 0,00 | 0,163 | 0,00 | 0,00 | 0,00 | 0,00 | 0,00 |
33 | 0,00 | 0,00 | 0,00 | 0,00 | 0,00 | 0,00 | 0,786 | 0,00 | 0,00 |
34 | 0,00 | 0,00 | 0,00 | 0,00 | 0,00 | 0,00 | 0,577 | 0,00 | 0,00 |
35 | 0,00 | 0,00 | 0,00 | 0,00 | 0,00 | 0,00 | 0,00 | 0,00 | 0,00 |
36 | 0,00 | 0,00 | 0,00 | 0,00 | 0,00 | 0,00 | 0,00 | 0,00 | 0,00 |
37 | 0,00 | 0,00 | 0,00 | 0,00 | 0,00 | 0,00 | 0,00 | 0,00 | 0,00 |
38 | 0,185 | 0,00 | 0,00 | 0,348 | 0,00 | 0,00 | 0,523 | 0,00 | 0,00 |
39 | 0,098 | 0,00 | 0,00 | 0,098 | 0,00 | 0,00 | 0,491 | 0,00 | 0,00 |
40 | 0,00 | 0,00 | 0,00 | 0,00 | 0,00 | 0,00 | 0,00 | 0,00 | 0,00 |
Таблица 5
Вероятность появления кондуктивной низкочастотной ЭМП по коэффициенту n-ой гармонической составляющей напряжения, когда не работают установки индукционного нагрева
№ гармоники | Фаза А | Фаза В | Фаза С | ||||||
|
|
|
|
|
|
|
|
| |
2 | 0,00 | 0,00 | 0,00 | 0,00 | 0,00 | 0,00 | 0,00 | 0,00 | 0,00 |
3 | 0,00 | 0,00 | 0,00 | 0,00 | 0,00 | 0,00 | 0,00 | 0,00 | 0,00 |
4 | 0,00 | 0,00 | 0,00 | 0,00 | 0,00 | 0,00 | 0,00 | 0,00 | 0,00 |
5 | 0,00 | 0,00 | 0,00 | 0,00 | 0,00 | 0,00 | 0,00 | 0,00 | 0,00 |
6 | 0,00 | 0,00 | 0,00 | 0,00 | 0,00 | 0,00 | 0,00 | 0,00 | 0,00 |
7 | 0,00 | 0,00 | 0,00 | 0,00 | 0,00 | 0,00 | 0,00 | 0,00 | 0,00 |
8 | 0,00 | 0,00 | 0,00 | 0,00 | 0,00 | 0,00 | 0,00 | 0,00 | 0,00 |
9 | 0,00 | 0,00 | 0,00 | 0,00 | 0,00 | 0,00 | 0,00 | 0,00 | 0,00 |
10 | 0,00 | 0,00 | 0,00 | 0,00 | 0,00 | 0,00 | 0,00 | 0,00 | 0,00 |
11 | 0,00 | 0,00 | 0,00 | 0,00 | 0,00 | 0,00 | 0,00 | 0,00 | 0,00 |
12 | 0,198 | 0,00 | 0,00 | 0,00 | 0,00 | 0,00 | 0,00 | 0,00 | 0,00 |
13 | 0,00 | 0,00 | 0,00 | 0,00 | 0,00 | 0,00 | 0,00 | 0,00 | 0,00 |
14 | 0,00 | 0,00 | 0,00 | 0,00 | 0,00 | 0,00 | 0,00 | 0,00 | 0,00 |
15 | 2,48 | 0,297 | 0,297 | 0,793 | 0,00 | 0,00 | 3,175 | 5,853 | 5,853 |
16 | 0,00 | 0,00 | 0,00 | 0,00 | 0,00 | 0,00 | 0,00 | 0,00 | 0,00 |
17 | 0,00 | 0,00 | 0,00 | 0,00 | 0,00 | 0,00 | 0,00 | 0,00 | 0,00 |
18 | 0,00 | 0,00 | 0,00 | 0,00 | 0,00 | 0,00 | 2,087 | 0,00 | 0,00 |
19 | 0,00 | 0,00 | 0,00 | 0,00 | 0,00 | 0,00 | 0,00 | 0,00 | 0,00 |
20 | 1,004 | 0,00 | 0,00 | 0,00 | 0,00 | 0,00 | 2,425 | 0,00 | 0,00 |
21 | 3,671 | 4,464 | 4,464 | 3,075 | 4,067 | 4,067 | 2,083 | 5,952 | 5,952 |
22 | 2,267 | 0,00 | 0,00 | 0,00 | 0,00 | 0,00 | 2,854 | 0,00 | 0,00 |
23 | 0,00 | 0,00 | 0,00 | 0,00 | 0,00 | 0,00 | 0,00 | 0,00 | 0,00 |
24 | 1,687 | 0,00 | 0,00 | 0,00 | 0,00 | 0,00 | 2,877 | 0,794 | 0,794 |
25 | 0,00 | 0,00 | 0,00 | 0,00 | 0,00 | 0,00 | 0,00 | 0,00 | 0,00 |
26 | 3,043 | 0,00 | 0,00 | 0,00 | 0,00 | 0,00 | 4,478 | 1,493 | 1,493 |
27 | 2,579 | 5,357 | 5,357 | 2,579 | 2,679 | 2,679 | 0,992 | 7,738 | 7,738 |
28 | 4,815 | 0,371 | 0,371 | 0,00 | 0,00 | 0,00 | 5,214 | 2,793 | 3,007 |
29 | 0,00 | 0,00 | 0,00 | 0,00 | 0,00 | 0,00 | 0,00 | 0,00 | 0,00 |
30 | 2,579 | 0,595 | 0,595 | 0,694 | 0,198 | 0,198 | 3,472 | 2,579 | 2,579 |
31 | 0,00 | 0,00 | 0,00 | 0,00 | 0,00 | 0,00 | 0,00 | 0,00 | 0,00 |
32 | 4,99 | 1,871 | 1,871 | 0,407 | 0,00 | 0,00 | 9,636 | 6,424 | 11,06 |
33 | 2,183 | 5,357 | 5,357 | 2,877 | 4,762 | 4,762 | 0,595 | 8,135 | 8,135 |
34 | 5,835 | 1,006 | 1,841 | 0,00 | 0,00 | 0,00 | 7,063 | 5,204 | 7,268 |
35 | 0,00 | 0,00 | 0,00 | 0,00 | 0,00 | 0,00 | 0,00 | 0,00 | 0,00 |
36 | 3,002 | 0,621 | 0,621 | 0,00 | 0,00 | 0,00 | 4,687 | 3,125 | 3,125 |
37 | 0,00 | 0,00 | 0,00 | 0,00 | 0,00 | 0,00 | 0,00 | 0,00 | 0,00 |
38 | 7,264 | 2,179 | 4,443 | 0,265 | 0,00 | 0,00 | 9,535 | 9,535 | 14,07 |
39 | 2,381 | 5,853 | 5,853 | 1,687 | 4,861 | 4,861 | 0,595 | 8,135 | 8,135 |
40 | 7,945 | 3,288 | 6,233 | 0,00 | 0,00 | 0,00 | 9,071 | 7,965 | 12,04 |
Таблица 6
Вероятность появления кондуктивной низкочастотной ЭМП по коэффициенту n-ой гармонической составляющей напряжения смежной линии
№ гармоники | Фаза А | Фаза В | Фаза С | ||||||
|
|
|
|
|
|
|
|
| |
2 | 0,00 | 0,00 | 0,00 | 0,00 | 0,00 | 0,00 | 0,00 | 0,00 | 0,00 |
3 | 0,00 | 0,00 | 0,00 | 0,00 | 0,00 | 0,00 | 0,00 | 0,00 | 0,00 |
4 | 0,00 | 0,00 | 0,00 | 0,00 | 0,00 | 0,00 | 0,00 | 0,00 | 0,00 |
5 | 0,00 | 0,00 | 0,00 | 0,00 | 0,00 | 0,00 | 0,00 | 0,00 | 0,00 |
6 | 0,00 | 0,00 | 0,00 | 0,00 | 0,00 | 0,00 | 0,00 | 0,00 | 0,00 |
7 | 0,00 | 0,00 | 0,00 | 0,00 | 0,00 | 0,00 | 0,00 | 0,00 | 0,00 |
8 | 0,00 | 0,00 | 0,00 | 0,00 | 0,00 | 0,00 | 0,00 | 0,00 | 0,00 |
9 | 0,00 | 0,00 | 0,00 | 0,00 | 0,00 | 0,00 | 0,00 | 0,00 | 0,00 |
10 | 0,00 | 0,00 | 0,00 | 0,00 | 0,00 | 0,00 | 0,00 | 0,00 | 0,00 |
11 | 0,00 | 0,00 | 0,00 | 0,00 | 0,00 | 0,00 | 0,00 | 0,00 | 0,00 |
12 | 0,00 | 0,00 | 0,00 | 0,00 | 0,00 | 0,00 | 0,00 | 0,00 | 0,00 |
13 | 0,00 | 0,00 | 0,00 | 0,00 | 0,00 | 0,00 | 0,00 | 0,00 | 0,00 |
14 | 0,00 | 0,00 | 0,00 | 0,00 | 0,00 | 0,00 | 0,00 | 0,00 | 0,00 |
15 | 0,297 | 0,00 | 0,00 | 0,00 | 0,00 | 0,00 | 0,396 | 0,00 | 0,00 |
16 | 0,00 | 0,00 | 0,00 | 0,00 | 0,00 | 0,00 | 0,00 | 0,00 | 0,00 |
17 | 0,00 | 0,00 | 0,00 | 0,00 | 0,00 | 0,00 | 0,00 | 0,00 | 0,00 |
18 | 0,00 | 0,00 | 0,00 | 0,00 | 0,00 | 0,00 | 0,00 | 0,00 | 0,00 |
19 | 0,00 | 0,00 | 0,00 | 0,00 | 0,00 | 0,00 | 0,00 | 0,00 | 0,00 |
20 | 0,125 | 0,00 | 0,00 | 0,476 | 0,00 | 0,00 | 0,135 | 0,00 | 0,00 |
21 | 0,198 | 0,00 | 0,00 | 0,893 | 0,298 | 0,298 | 1,587 | 0,00 | 0,00 |
22 | 0,505 | 0,00 | 0,00 | 0,00 | 0,00 | 0,00 | 0,388 | 0,00 | 0,00 |
23 | 0,00 | 0,00 | 0,00 | 0,00 | 0,00 | 0,00 | 0,00 | 0,00 | 0,00 |
24 | 0,00 | 0,00 | 0,00 | 0,00 | 0,00 | 0,00 | 0,00 | 0,00 | 0,00 |
25 | 0,00 | 0,00 | 0,00 | 0,00 | 0,00 | 0,00 | 0,00 | 0,00 | 0,00 |
26 | 0,00 | 0,00 | 0,00 | 0,258 | 0,258 | 0,258 | 0,00 | 0,00 | 0,00 |
27 | 0,00 | 0,00 | 0,00 | 0,099 | 0,00 | 0,00 | 1,587 | 0,00 | 0,00 |
28 | 0,565 | 0,00 | 0,00 | 0,00 | 0,00 | 0,00 | 0,166 | 0,00 | 0,00 |
29 | 0,00 | 0,00 | 0,00 | 0,00 | 0,00 | 0,00 | 0,00 | 0,00 | 0,00 |
30 | 0,00 | 0,00 | 0,00 | 0,00 | 0,00 | 0,00 | 0,00 | 0,00 | 0,00 |
31 | 0,00 | 0,00 | 0,00 | 0,00 | 0,00 | 0,00 | 0,00 | 0,00 | 0,00 |
32 | 0,00 | 0,00 | 0,00 | 0,310 | 0,00 | 0,00 | 0,00 | 0,00 | 0,00 |
33 | 0,00 | 0,00 | 0,00 | 0,00 | 0,00 | 0,00 | 0,893 | 0,00 | 0,00 |
34 | 0,181 | 0,00 | 0,00 | 0,00 | 0,00 | 0,00 | 0,00 | 0,00 | 0,00 |
35 | 0,00 | 0,00 | 0,00 | 0,00 | 0,00 | 0,00 | 0,00 | 0,00 | 0,00 |
36 | 0,00 | 0,00 | 0,00 | 0,00 | 0,00 | 0,00 | 0,00 | 0,00 | 0,00 |
37 | 0,00 | 0,00 | 0,00 | 0,00 | 0,00 | 0,00 | 0,00 | 0,00 | 0,00 |
38 | 0,00 | 0,00 | 0,00 | 0,00 | 0,00 | 0,00 | 0,00 | 0,00 | 0,00 |
39 | 0,00 | 0,00 | 0,00 | 0,00 | 0,00 | 0,00 | 0,00 | 0,00 | 0,00 |
40 | 0,00 | 0,00 | 0,00 | 0,00 | 0,00 | 0,00 | 0,00 | 0,00 | 0,00 |
Заключение и выводы
Из полученных данных можно заметить следующее:
- вероятность выхода за границу как отрицательного, так и положительного значения изменения напряжения на фазах А, В и С в исследуемой электрической сети равна 0. Также равна 0 и вероятность кондуктивной низкочастотной ЭМП по медленному изменению напряжения на всех фазах. Следовательно, наблюдается соответствие ГОСТ 32144-2013 по медленным изменениям напряжения и отсутствие кондуктивной низкочастотной ЭМП по данному показателю КЭ;
- вероятность кондуктивной низкочастотной ЭМП по нормально и предельно допустимым значениям K2U равна 0. Также вероятность выхода K2U за нормально и предельно допустимые значения на всех фазах равна 0. Следовательно, на данном участке наблюдается соответствие качества электрической энергии по коэффициенту несимметрии напряжений по обратной последовательности ГОСТ 32144-2013 и отсутствие кондуктивной низкочастотной ЭМП по данному показателю КЭ;
- вероятность кондуктивной низкочастотной ЭМП по нормально и предельно допустимым значениям KU во всех фазах равна 0. Также вероятность выхода KU за нормально допустимое и предельно допустимое значения на всех фазах равна 0. Следовательно, на данном участке наблюдается соответствие качества электрической энергии по суммарному коэффициенту гармонических составляющих напряжения ГОСТ 32144-2013 и отсутствие кондуктивной низкочастотной ЭМП по данному показателю КЭ.
Установлено, что качество функционирования исследуемой сети по коэффициенту n-ой гармонической составляющей напряжения характеризуется кондуктивной низкочастотной ЭМП, которая представляется с вероятностью 0,95 математическим ожиданием и среднеквадратичным отклонением. Вероятность появления этой помехи превышает допустимую вероятность коэффициентом нормально допустимого и предельно допустимого значения в несколько раз [2, 10].
Об авторах
Александр Игоревич Антонов
Сибирский государственный университет водного транспорта
Автор, ответственный за переписку.
Email: aleksandr_antonov_85@mail.ru
кандидат технических наук, доцент кафедры электротехники и электрооборудования
Россия, ОмскДмитрий Юрьевич Руди
Сибирский государственный университет водного транспорта
Email: aleksandr_antonov_85@mail.ru
старший преподаватель кафедры электротехники и электрооборудования
Россия, ОмскКонстантин Владимирович Хацевский
Сибирский государственный университет водного транспорта
Email: aleksandr_antonov_85@mail.ru
доктор технических наук, профессор кафедры электротехники и электрооборудования
Россия, ОмскСписок литературы
- Волков, Н. Г. Качество электроэнергии в системах электроснабжения: учебное пособие / Н. Г. Волков; Национальный исследовательский Томский политехнический универси-тет. – Томск: Изд-во Томского политехнического университета, 2010. – 152 с. – Текст : непосредственный.
- Данилов, Г. А. Повышение качества функционирования линий электропередачи / Г. А. Данилов, Ю. М. Денчик, М. Н. Иванов, Г. В. Ситников; под ред. В. П. Горелова, В. Г. Сальникова. – Новосибирск : Новосиб. гос. акад. водн. трансп., 2013. – 559 с. – Текст : непосредственный.
- Лимаров, Д. С. Электромагнитная совместимость в цеховых системах электроснабжения при наличии электроприемников с нелинейными вольт-амперными характеристиками : дисс. ... канд. техн. наук : 05.14.02 / Лимаров Денис Сергеевич. – Белгород, 2015. – 189 с. – Текст : непосредственный.
- Антонов, А. И. Исследование качества электроэнергии в электрических сетях с полу-проводниковыми преобразователями / А. И. Антонов, Д. Ю. Руди, К. В. Хацевский. – Текст : непосредственный // Вестник Югорского государственного университета. – 2023. – № 1 (68). – С. 123–130.
- Коржов, Д. Н. Обеспечение электромагнитной совместимости в системах электроснаб-жения промышленных предприятий с электроустановками индукционного нагрева : дисс. ... канд. техн. наук : 05.14.02 / Коржов Дмитрий Николаевич. – Белгород, 2015. – 169 с. – Текст : непосредственный.
- Проблемы качества электроэнергии в системах электроснабжения / К. В. Хацевский, Ю. М. Денчик, В. И. Клеутин [и др.]. – Текст : непосредственный // Омский научный вест-ник. – 2012. – № 2 (110). – С. 212–214.
- Иванова, Е. В. Кондуктивные электромагнитные помехи в электроэнергетических си-стемах : теория, расчет, подавление : дисс. ... докт. техн. наук : 05.14.02 / Иванова Елена Васильевна. – Новосибирск, 2007. – 345 с. – Текст : непосредственный.
- РД 153–34.0–15.501–01. Методические указания по контролю и анализу качества элек-трической энергии в системах электроснабжения общего назначения: Часть 1. Контроль качества электрической энергии. – М. : Минэнерго РФ. – 2000. – 67 с. – Текст : непо-средственный.
- РД 153–34.0–15.502–02. Методические указания по контролю и анализу качества элек-трической энергии в системах электроснабжения общего назначения: Часть 2. Анализ электрической энергии. – М. : Минэнерго РФ. – 2002. – 49 с. – Текст : непосредствен-ный.
- ГОСТ 32144-2013. Межгосударственный стандарт. Электрическая энергия. Совмести-мость технических средств электромагнитная. Нормы качества электрической энергии в системах электроснабжения общего назначения. – М. : Стандартинформ, 2014. – 15 с. – Текст : непосредственный
- Скакунов, Д. А. Методы и средства обеспечения качества электрической энергии в рас-пределительных сетях 0,4–6 кВ нефтеперерабатывающих предприятий : диссертация ... кандидата технических наук : 05.14.02 / Скакунов Дмитрий Александрович. – Красно-ярск, 2010. – 218 с. – Текст : непосредственный.
- Свидетельство о государственной регистрации программы для ЭВМ RU2021613934 Программа для определения кондуктивной низкочастотной электромагнитной помехи по коэффициенту n-й гармонической составляющей напряжения / Д. Ю. Руди, А. И. Ан-тонов, Ю. М. Денчик [и др.]. Заявка № 2021610633; Опубл. 16.03.2021. Бюл. 8(137). – 1 с.
- Свидетельство о государственной регистрации программы для ЭВМ RU2016615972. Программа для исследования медленных изменений напряжения при изменении нагруз-ки электрической сети / А. И. Антонов, Ю. М. Денчик, Д. А. Зубанов [и др.]. Заявка № 2016613475; Опубл. 20.07.16. Бюл. 7(117). – 1 с.
- Свидетельство о государственной регистрации программы для ЭВМ RU2016616351 Программа для оценки влияния суммарного коэффициента гармонических составляю-щих напряжения на качество электрической энергии / А. И. Антонов, Ю. М. Денчик, Д. А. Зубанов [и др.]. Заявка № 2016613475; Опубл. 20.07.16. Бюл. 7(117). – 1 с.
- Свидетельство о государственной регистрации программы для ЭВМ RU2016661752. Обработка экспериментальных данных показателей качества электрической энергии по коэффициенту несимметрии напряжений по обратной последовательности / А. И. Анто-нов, Ю. М. Денчик, Д. А. Зубанов [и др.]. Заявка № 2016619225; Опубл. 20.11.16. Бюл 11(121). – 1 с.
- LabVIEW 8.20: Справочник по функциям / А.Я. Суранов. – М. : ДМК Пресс, 2007. – 536 с. – Текст : непосредственный.
Дополнительные файлы



