Modelling and control of hydrogen production processes based on electrolysis
- Авторлар: Mironov E.A.1
-
Мекемелер:
- Samara State Technical University
- Шығарылым: Том 31, № 2 (2023)
- Беттер: 70-84
- Бөлім: Information Technology and Communications
- URL: https://journal-vniispk.ru/1991-8542/article/view/142729
- DOI: https://doi.org/10.14498/tech.2023.2.6
- ID: 142729
Дәйексөз келтіру
Толық мәтін
Аннотация
Currently, hydrogen is considered as one of the most promising energy carriers, the production of which is possible from various raw materials, including water, natural gas, hydrogen sulphide, coal, etc. The article presents the main results of an analysis of global technological trends in the development of hydrogen generation methods in the period from 2010 to 2038, which aims to identify in-demand and popular technological solutions for hydrogen energy. The analysis is based on the International Energy Agency's database published in October 2022, which contains the most comprehensive information on the key characteristics of 990 hydrogen projects based in sixty countries: output, installed electrical power, carbon dioxide emissions, type of output, stage and timing of implementation. The analysis shows the steady leadership of electrolysis hydrogen generation technologies in the context of the search for the most widespread method of hydrogen production. At the same time, the global hydrogen energy industry has clearly expressed trends towards the increased introduction of alternative (non-electrolysis) technologies in large-scale industrial production. Based on the existing empirical Ullerberg model, a modified universal structural simulation model of hydrogen electrolysis generation in plants with alkaline electrolysers and with proton exchange membrane has been proposed. The modified model has been developed in MATLAB application package and Simulink dynamic simulation environment using Simscape physical simulation elements. Verification procedure of the developed model showed good agreement of simulation results with the experimental data available in the open sources and obtained at the alkaline electrolysis and proton exchange membrane electrolysis plants. To increase the energy efficiency of hydrogen production process, a single-loop system for automatic regulation of feed water temperature supplied to the proton-exchange membrane electrolysis unit was developed.
Негізгі сөздер
Толық мәтін
Введение
В настоящее время одним из наиболее актуальных глобальных трендов мирового развития является использование водорода в качестве энергоносителя и материального ресурса в энергетике, промышленном производстве и различных сферах жизнедеятельности человека [1]. Резкое увеличение производственных мощностей для генерации водорода и продуктов на его основе [2] свидетельствует о растущей динамике развития водородной энергетики в передовых странах мира, в связи с чем необходимы разработка и исследование новых моделей, цифровых двойников и киберфизических систем управления процессами производства водорода, что соответствует магистральному направлению развития мировой энергетики в рамках концепции Индустрии 4.0.
Анализ публикаций [3, 4] показал безусловное лидерство технологий электролизной генерации водорода. В период с 2000 по 2030 гг. электролизные проекты показывают интенсивный рост суммарной производительности в 500 раз, при этом традиционные неэлектролизные технологии значительно уступают в темпах роста, поскольку их производительность выросла только в 15 раз. К группе электролизных технологий в основном относятся щелочной электролиз (ЩЭ) и электролиз с протонообменной мембраной (ЭПМ). Проведенный сравнительный анализ проектов генерации водорода в исследованиях [5, 6], основанных на базе водородных проектов Международного энергетического агентства [7], показал, что до 2022 года большинство проектов с небольшой расчетной нормализованной производственной мощностью (3,5 тыс. нм3H2/час) и низкой установленной мощностью электролиза (2,3 МВт/проект) являлись демонстрационными, что подтверждается существующими обзорами и исследованиями различных авторов. При этом ожидается, что после 2025 года расчетная нормализованная производственная мощность и электролизная установленная мощность водородных проектов значительно возрастут при одновременном существенном снижении общего количества проектов. Это подтверждает стратегически важный переход от стадии исследований технологических решений к их промышленному внедрению (рис. 1).
Рис. 1. Динамика изменения суммарной производительности проектов генерации водорода
Анализ географического распределения проектов производства водорода (рис. 2) показал лидерство проектов из Австралии как по суммарной установленной электрической мощности (59500 МВт), так и по суммарной расчетной нормализованной производительности (15284,44 тыс. нм3H2/час); по числу проектов лидирует Германия (118 проектов).
Рис. 2. География распределения проектов производства водорода
Полученные при анализе выводы обусловливают выбор электролизных технологий генерации водорода как предмета исследования и сравнения с альтернативными технологическими решениями для развития и совершенствования технологической базы водородной энергетики будущего. Следует отметить, что несмотря на широкое распространение технологии электролиза воды проблему ее моделирования нельзя считать полностью решенной к настоящему моменту.
В работах [8, 9] представлен подход к моделированию технологии ЩЭ. Однако модель, построенная на основе данного подхода, оказывается неработоспособной в отдельных случаях. Например, если электрический ток электролизера принимает низкие значения, логарифмическая составляющая становится отрицательной, что приводит к ошибочным результатам, поскольку при моделировании поляризационных кривых отсутствует ограничение на токовый сигнал. Кроме того, малые значения электрического тока приводят к генерации напряжения на контактах электролизной ячейки модели. Однако на практике химическая реакция электролиза происходит только после того, как внешнее приложенное напряжение превышает обратимое напряжение, и при напряжении ниже этого предельного значения ток через электролизер протекать не может [10].
В работе предложена модифицированная система эмпирических уравнений, устраняющая недостатки модели, приведенной в [8], которая служит основой для разработки структурной имитационной модели генерации водорода технологией электролиза. Далее описаны результаты верификации и система автоматического управления температурой электролизной установки, в которой в качестве объекта управления используется модифицированная структурная модель электролизной установки.
Основные технологии электролизной генерации водорода
Использование электроэнергии в технологиях электролиза для производства водородного энергоносителя позволяет широко применять данный процесс в химической, электроэнергетической, транспортной и металлургической отраслях промышленности. Производство водорода электролизным способом предоставляет множество возможностей для аккумулирования и поглощения избыточной энергии, производимой из возобновляемых источников, что частично решает проблему нестабильности производства энергии на основе солнечных, ветровых, атомных источников энергии. Замена ископаемых видов топлива водородным энергоносителем может существенно снизить выбросы парниковых газов при усиленном внедрении электролизных технологий.
Одной из основных электролизных технологий является технология ЭПМ, ориентированная на производство водорода из воды, которая подается на электролизную ячейку, состоящую из трех основных элементов: протонообменной мембраны, анода и катода. Материалом для изготовления катода служит платина или другой катализатор, который реагирует с водой и стимулирует реакцию разложения воды на водород и кислород, а анод, в свою очередь, выполняет функцию отвода электрического тока. Протонообменная мембрана в электролизных установках используется для разделения анодного и катодного пространств. Для изготовления мембраны в основном используют перспективные полимерные материалы, такие как перфторсульфиновая, перфторксетановая кислоты или полиэтилентерефталат, обладающие высокой проводимостью и химической стойкостью [11].
При подаче электрического тока на электролизер происходит процесс расщепления воды на водород и кислород в соответствии с химической реакцией
(1)
Электрический ток, проходящий через электроды, обеспечивает передачу электронов водороду, который выделяется на катоде:
(2)
Одновременно с водородом на аноде выделяется кислород (3):
(3)
В результате реакций (1)–(3) на катоде образуется газообразный водород, который хранится для дальнейшего использования, а кислород в газообразной форме, выделяющийся на аноде, может либо использоваться как побочный продукт процесса, либо отводиться в окружающую среду.
Основными преимуществами технологии ЭПМ являются:
- Высокая электрическая эффективность, позволяющая производить водород наиболее экономичным способом.
- Быстродействие: при поступлении энергии на электролизный модуль происходит мгновенная электролитическая реакция, что позволяет производить быстрый старт и останов процесса.
- Протекание процесса ЭПМ при низком давлении, что гарантирует безопасность работы и понижает риск возникновения взрыва.
- Адаптивность к масштабированию, позволяющая использовать данную технологию как в промышленных условиях, так и в лабораторных установках.
При наличии большого ряда преимуществ рассматриваемая технология обладает следующими недостатками:
- Стоимость изготовления ячейки довольно высока: использование катализаторов, изготавливаемых из благородных металлов, делает данную технологию наиболее дорогостоящей по сравнению с другими способами генерации водорода.
- Технология ЭПМ использует только питательную воду высокой чистоты, поскольку использование неочищенной воды приводит к загрязнению протонообменной мембраны, сокращая срок ее службы.
Основанные на аналогичных (1)–(3) химических реакциях, технологии ЩЭ заключаются в разложении воды на водород и кислород путем прохождения электрического тока через щелочной электролит, в качестве которого используются гидроксиды натрия (NaOH) или калия (KOH) [11].
Основные преимущества ЩЭ:
- Высокая электрохимическая эффективность, позволяющая получать высокую конверсию энергии в виде газообразного водорода.
- Низкая стоимость сырья для изготовления электролита.
- Высокое качество выходных продуктов.
К недостаткам технологии ЩЭ можно отнести:
- Необходимость использования дорогостоящих и сложных систем подачи электролита для обеспечения требуемой концентрации щелочи.
- Низкую коррозионную стойкость используемых в процессе элементов аппаратуры и электродов, что приводит к дополнительным затратам на техническое обслуживание.
- Снижение показателей эффективности процесса ЩЭ при высоких значениях электрического тока, что влечет за собой увеличение затрачиваемой энергии для производства необходимого количества водорода.
Эмпирическая модель электролизной генерации водорода
Подход к моделированию, предложенный в [12], основан на уравнениях, описывающих поведение поляризационных кривых, генерируемых на контактах электролизной ячейки (4):
(4)
Где U(t), [B] и I(t), [A] – напряжение и ток, генерируемые на контактах электролизной установки, соответственно; N – число объединенных электролизных ячеек; Urev, [B] – минимально допустимое напряжение, требующееся для активации процесса электролиза (для ЩЭ – = 1,229[B], для ЭПМ – = 12,3[B] [13]); A, [м2]– площадь поверхности электрода;r1, [м2]; r2, [м2oC-1]; p1, [A-1м2]; p2, [A-1м2oC]; p3, [A-1м2oC2]; s, [B] – шесть коэффициентов, определяемых интерполяцией экспериментальных поляризационных кривых и характеризующих процесс перенапряжения, который, в свою очередь, зависит от температуры поступающего на электролизную установку электролита или воды – Ɵ,[ oC].
Для модификации модели (4) предлагается рассмотреть в качестве входных параметров температуру воды или электролита и напряжение, генерируемое на контактах электролизной установки, а в качестве выходных параметров – выработку водорода и электрический ток, протекающий через ячейку электролизера. Кроме того, целесообразно ввести дополнительное ограничение на минимальное напряжение, необходимое для начала реализации процесса электролиза, и расширить эмпирическую модель поляризационных кривых дополнительным уравнением (5) [14], описывающим физико-химический процесс генерации водорода, который зависит от температуры электролита и тока на контактах электролизной ячейки.
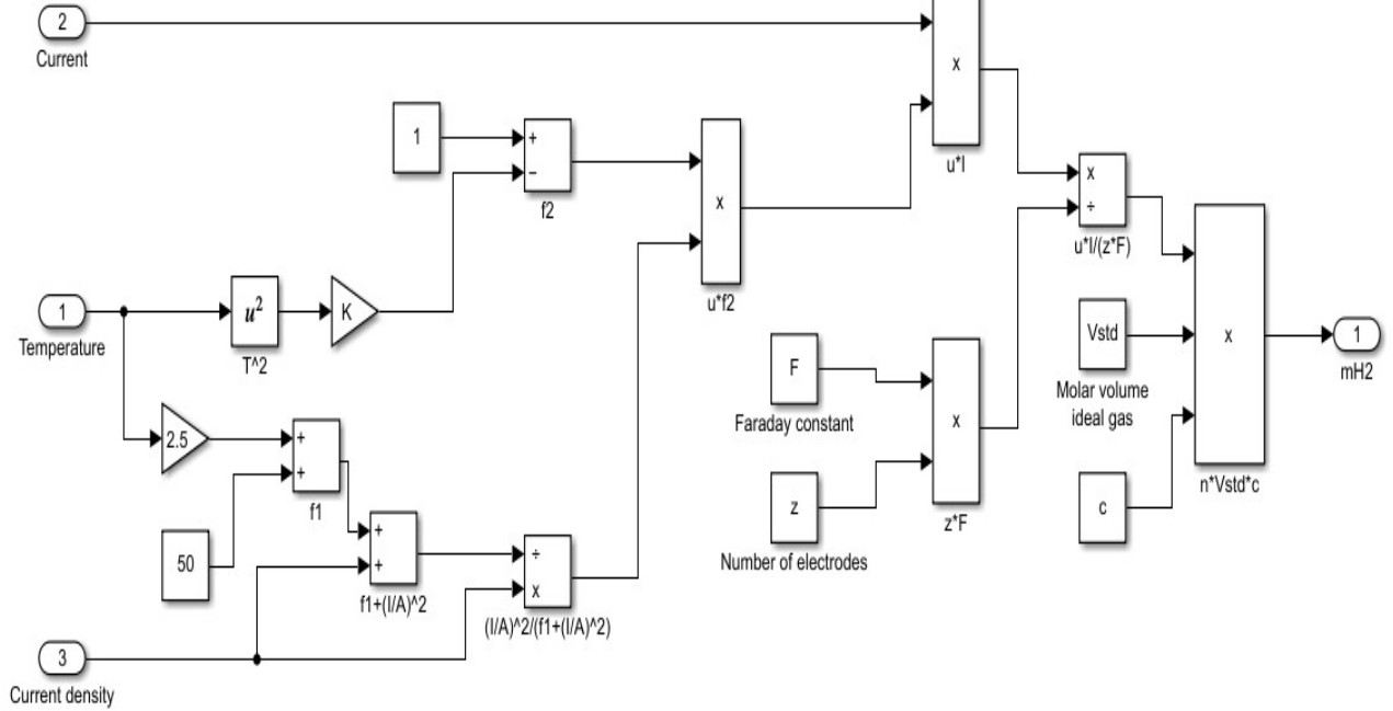
Массовая выработка водорода MH2, [кг*сек-1], определяется выражением
(5)
где ƒ1, ƒ2 – величины эффективности Фарадея, принимаются постоянными, однако в некоторых случаях могут изменяться в зависимости от температурного режима; z– количество электронов, участвующих в реакции электролиза; F, [Кл*моль-1] – постоянная Фарадея; c = 0,08988,[кг*сек-1], – константа преобразования; vstd = 0.224136, [м2*моль-1] – молярный объем идеального газа.
Предлагается изменить уравнение (4) таким образом, чтобы ток определялся как функция напряжения, а также расширить его дополнительными ограничениями на минимальное напряжение, необходимое для запуска процесса электролиза. Для этого введем следующие обозначения в (4) для упрощения последующих преобразований:
(6)
Подставив введенные обозначения (6) в (4), получим:
(7)
При исключении логарифмической составляющей в (7) посредством операции потенцирования и применении различных упрощений, в том числе функции Ламберта (W-функции [15]), становится возможным выразить ток как функцию напряжения следующим образом:
(8)
Для более компактной записи уравнения (8) введем следующие обозначения:
. (9)
Для действительных значений величины напряжения, соответствующих эмпирическим моделям, применяется основная ветвь W-функции: W(bI(t) – bc-1) ≥ ‒1 [15]. Дополнительные ограничения на активацию процесса электролиза с учетом (8), (9) описываются системой:
(10)
Таким образом, получаем эмпирическую модель (5), (8) и (10), которая служит основой для разработки имитационной структурной модели в ППП MATLAB/Simulink с использованием элементов из библиотеки физического моделирования Simscape [16].
Структурная имитационная модель электролизной установки
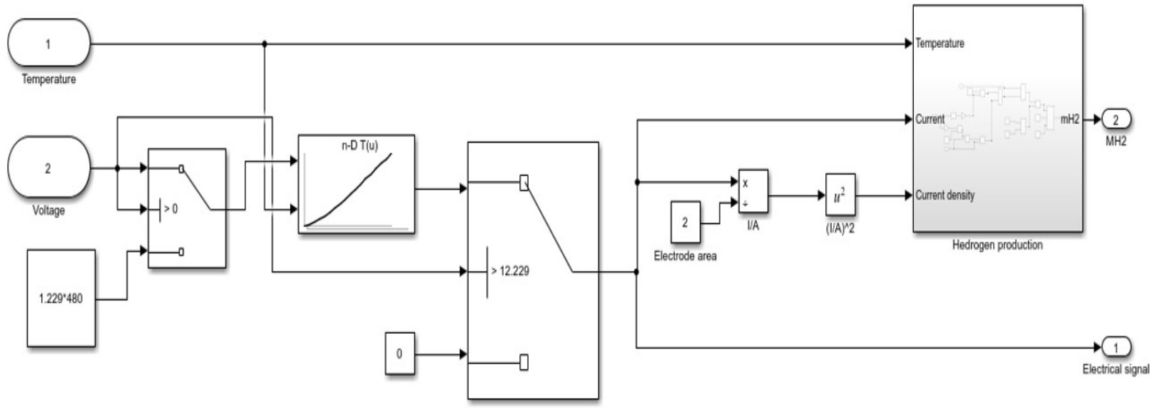
На первом уровне вложенности имитационной структурной модели (рис. 3) реализуется задание входных параметров, к которым относятся температура питательной воды или электролита и напряжение. Напряжение задается с помощью блоков «Control voltage source», которые представляют собой идеальный источник напряжения с мощностью, необходимой для поддержания заданного напряжения на выходе независимо от протекающего тока. Блоки «Current and Voltage measurement» необходимы для измерения тока и напряжения между двумя электрическими узлами, их выходные сигналы могут использоваться на входе других блоков библиотеки Simulink [16].
Рис. 3. Верхний уровень вложенности имитационной структурной модели
Второй уровень вложенности имитационной структурной модели (рис. 4) представляет собой подсистему генерации поляризационных кривых. Блок «Switch» необходим для выполнения условий запуска реакции электролиза (10), т. е. если на вход блока поступает напряжение, которое будет меньше величины NUrev, то выход системы будет равен нулю; следовательно, реакция неактивна.
Рис. 4. Второй уровень вложенности имитационной структурной модели
Экспериментальные данные, полученные с реальной физической установки, записываются в виде массива в блок табличного хранения данных «2-D Lookup Table», на вход которого подаются параметры температуры питательной воды или электролита и напряжения, а выходной величиной является сила тока [16].
Величины температуры, силы и плотности электрического тока являются входными для третьего уровня вложенности модели (рис. 5), на котором происходит расчет количества вырабатываемого водорода согласно выражению (5).
Рис. 5. Третий уровень вложенности имитационной структурной модели
После завершения построения имитационной структурной модели проводится проверка ее адекватности относительно экспериментальной установки.
Верификация результатов моделирования
Процесс верификации результатов имитационного структурного моделирования проводился с использованием экспериментальных данных (рис. 6), полученных для ячеек электролизера щелочного типа с температурами электролита 40, 50, 60, 70, 80 °С и для электролизера с протонообменной мембраной для температур питательной воды 40, 60, 80 °С [8, 13].
Рис. 6. Верификация результатов моделирования
В качестве показателя, характеризующего сходимость результатов моделирования и экспериментальных данных, использовалась нормированная среднеквадратичная оценка [17]. Результаты верификации приведены в табл. 1, где представлены значения указанной оценки в зависимости от типа электролизера и температуры электролита или воды. Поскольку близость полученной оценки к единице свидетельствует о хорошем соответствии структурной модели и экспериментальных данных, разработанная модель может представлять объект управления в САУ процессами электролизной генерации водорода. В частности, была разработана система оптимального управления выработкой водорода в зависимости от заданной температуры электролита или воды.
Таблица 1. Значения нормированной среднеквадратичной ошибки
Температура, °С | Тип установки | |
Щелочной электролизер | Электролизер с протонообменной мембраной | |
40 | 0.935666 | 0.977537 |
50 | 0.955586 | – |
60 | 0.955586 | 0.970202 |
70 | 0.980023 | – |
80 | 0.975527 | 0.971501 |
На рис. 7 представлена зависимость объема вырабатываемого водорода от времени для электролизной установки с протонообменной мембраной при температуре питательной воды 80 °C. Данная зависимость свидетельствует о том, что на вход электролизера непрерывно подается постоянный объем жидкости, в результате чего объем генерируемого водорода увеличивается (с постоянной скоростью начиная с определенного момента времени).
Рис. 7. Зависимость объема выработанного водорода от времени
Система автоматического регулирования температуры питательной воды, поступающей на электролизную установку
Одним из важнейших факторов, влияющих на эффективность работы электролизной ячейки с протонообменной мембраной, является ее температура, в основном зависящая от напряжения, генерируемого электролизной ячейкой, и температуры поступающей на нее воды. В связи с тем, что температура питательной воды (электролита) зависит от множества внешних воздействий, основным из которых является нестабильное напряжение источника питания, необходимо обеспечить автоматическую стабилизацию заданного значения температуры рабочей жидкости (воды или электролита).
Для регулирования температуры в электролизере используются два теплообменника. Электролизер сконструирован так, что выходные продукты естественным образом циркулируют в первом теплообменнике, в котором утилизируется тепло, выделяемое водородом и кислородом. Однако теплота выходных продуктов частично рассеивается в окружающую среду, что приводит к недостаточному нагреву питательной воды (электролита), поступающей на вход электролизной установки. Для решения данной проблемы устанавливается второй теплообменник, в который поступает тепловая энергия и в котором происходит дальнейший нагрев исходной воды до требуемой технологическим режимом температуры.
Для управления температурными режимами электролизной установки на измерительную часть поступают сигналы, содержащие информацию о температуре электролизной ячейки и о скорости изменения температуры на входе во второй теплообменник. Температура воды на входе второго теплообменника и электролизной ячейки измеряется с помощью термометров сопротивления, сигналы которых преобразуются в электрические сигналы постоянного тока с использованием нормирующих преобразователей. В установившемся режиме при заданной температуре на выходе из теплообменника сигнал с датчика температуры сравнивается с сигналом задающего устройства, с помощью которого можно изменять температуру, поддерживаемую регулятором.
В случае отклонения текущего значения температуры от заданного сигнал, пропорциональный входному сигналу и имеющий знак, зависящий от отклонения, поступает на вход регулирующего блока, на выходе которого формируется сигнал, управляющий с помощью реверсивного пускового устройства силовыми цепями исполнительного механизма, связанного с регулирующим клапаном. Регулирующий клапан изменяет расход теплоносителя в теплообменник в сторону ликвидации отклонения температуры от заданной.
Представленная в статье модифицированная структурная модель электролизной установки может использоваться как объект управления в предложенной системе автоматического регулирования, структурная схема которой представлена на рис. 8.
Рис. 8. Структурная схема системы автоматического регулирования температуры питательной воды электролизной установки
В системе был выбран ПИ-регулятор, поскольку при использовании П‑регулятора наблюдается статическая ошибка, равная 10 %, и недопустимое перерегулирование, что приводит к перегреву теплоносителя, поступающего на электролизную установку, и кроме того, возникают колебания температуры питательной воды, что отрицательно сказывается на чистоте производимого водорода. Применение ПИД-регулятора приводит к недопустимо высокому показателю колебательности системы.
Для моделирования системы автоматического регулирования в среде ППП MATLAB использовался блок «PIController», позволяющий проводить автоматическую настройку основных параметров регулятора с помощью опции «Tune» в зависимости от выбранного типа переходного процесса (табл. 2).
Таблица 2. Значения параметров ПИ-регулятора
Вид переходного процесса | Коэффициент усиления ПИ-регулятора, Kp | Постоянная времени ПИ-регулятора, ТИ |
Апериодический | 0.148 | 0.035 |
20% перерегулирование | 0.293 | 0.123 |
При использовании параметров ПИ-регулятора, полученных с использованием автоматической настройки программными средствами ППП MATLAB, получен переходный процесс с 20%-м перерегулированием, характеризующийся достижением заданного значения температуры при t20% = 15 сек, что существенно ускоряет процесс выхода на заданное значение регулируемой величины (рис. 9) по сравнению со случаем применения настроек регулятора для апериодического переходного процесса, при котором в системе возникает 10%-е перерегулирование при одновременном значительном увеличении времени переходного процесса (ta = 39 сек).
Рис. 9. Переходные характеристики САР температуры питательной воды
Заключение
Проведенный анализ основных технологических направлений производства водорода показал высокий спрос на электролизные технологии, к которым главным образом можно отнести технологии щелочного электролиза и электролиза с протонообменной мембраной. Разработана и верифицирована имитационная структурная модель электролизной генерации водорода, позволяющая установить зависимость между объемом выработанного водорода, температурой электролизной установки и напряжением источника питания. Разработанная система автоматического регулирования температуры электролизной установки способствует более эффективному протеканию данного процесса с точки зрения энергоэффективности.
Полученные результаты исследования могут быть применены в следующих целях:
Авторлар туралы
Egor Mironov
Samara State Technical University
Хат алмасуға жауапты Автор.
Email: yaegormir2188@gmail.com
SPIN-код: 7447-8822
engineer
Ресей, 244, Molodogvardeyskaya st., Samara, 443100Әдебиет тізімі
- Tahir Khan, Miao Yu, Muhammad Waseem. Review on recent optimization strate-gies for hybrid renewable energy system with hydrogen technologies: State of the art, trends and future directions // International Journal of Hydrogen Energy, 2022. Vol. 47. Is. 60. Pp. 25155–25201.
- Thema M., Bauer F., Sterner M. Power-to-Gas: Electrolysis and methanation status review // Renewable and Sustainable Energy Reviews. 2019. Vol. 112. Pp. 775–787.
- Nurdiawati A., Urban F. Towards Deep Decarbonisation of Energy-Intensive In-dustries: A Review of Current Status // Technologies and Policies. Energies, 2021, Vol. 14. P. 2408.
- Madadi Avargani Vahid, Zendehboudi Sohrab, Cata Saady Noori M., Dusseault Maurice B. A comprehensive review on hydrogen production and utilization in North America: Prospects and challenges // Energy Conversion and Management, 2022, Vol. 269. P. 115927.
- Pleshivtseva Yuliya, Derevyanov Maksim, Pimenov Andrey, Rapoport Alexey. Comprehensive review of low carbon hydrogen projects towards the decarbonization path-way // International Journal of Hydrogen Energy, 2023, Vol. 48. Is. 10. Pp. 3703–3724.
- Pleshivtseva Yuliya, Derevyanov Maksim, Pimenov Andrey, Rapoport Alexey. Comparative analysis of global trends in low carbon hydrogen production towards the decarboniza-tion pathway. doi: 10.1016/j.ijhydene.2023.04.264.
- IEA // Hydrogen Projects Database. https://www.iea.org/reports/hydrogen-projects-database (Дата обращения 10.04.2023).
- Ulleberg Øystein. Modeling of advanced alkaline electrolyzers: A system simulation approach // International Journal of Hydrogen Energy. 2003, Vol. 28. Pp. 21–33.
- Martinez David, Zamora Ramon. MATLAB simscape model of an alkaline electrolyzer and its simulation with a directly coupled PV module // International Journal of Renewable Energy Research. 2018. Vol. 8. Pp. 552–560.
- Tongzhou Wang, Xuejie Cao, Lifang Jiao. PEM water electrolysis for hydrogen pro-duction: fundamentals, advances, and prospects // Carb Neutrality. 2022. Vol. 1, No. 21. 19 p.
- Grigoriev S.A., Porembsky V.I., Fateyev V.N., Samsonov R.O., Kozlov S.I. Hydrogen production by electrolysis of water: current status, problems and prospects // Transport on alternative fuel. 2008, No. 3. Pp. 62–69. (In Russian)
- Järvinen Lauri, Puranen Pietari, Kosonen Antti, Ruuskanen Vesa, Ahola Jero, Kau-ranen Pertti, Hehemann Michael. Automized parametrization of PEM and alkaline water electrolyzerpolarisation curves // International Journal of Hydrogen Energy. 2022. Vol. 47. Is. 75. Pp. 31985–32003.
- Briguglio N., Brunaccini G., Siracusano S., Randazzo N., Dispenza G., Ferraro M., Ornelas R., Aricò A.S., Antonucci V. Design and testing of a compact PEM electrolyzer system // International Journal of Hydrogen Energy. 2013. Vol. 38. Is. 26. Pp. 11519–11529.
- Tugirumubano, Alexandre & Shin, Hee&Kwac, Lee & Kim, Hong. Numerical Simulation of the Polymer Electrolyte Membrane Electrolyzer // IOSR Journal of Mechanical and Civil Engineering. 2016. Vol. 13. Pp. 94–97.
- Beardon A.F. The Principal Branch of the Lambert W Function // Computational Methods and Function Theory. 2021. No. 21. Pp. 307–316.
- Smith, Kirsten & Rubin, David & Turner, Martin. Modelling dynamic response of physical systems in Simulink // 2018 3rd Biennial South African Engineering Conference, Stellenbosch, South Africa, 2018. Pp. 1–4.
- Timothy O. Hodson. Root-mean-square error (RMSE) or mean absolute error (MAE): when to use them or not // Geoscientific Model Development. 2022. Vol. 15. Is. 14. Pp. 5481–5487.
- Dariush Khezrimotlagh, Joe Zhu, Wade D. Cook, Mehdi Toloo. Data envelopment analysis and big data // European Journal of Operational Research, 2019. Vol. 274. Is. 3. Pp. 1047–1054.
Қосымша файлдар











