Optimization of combined thermal circuits gas turbine expander power plants
- Authors: Gulina S.A.1, Sheludko L.P.1
-
Affiliations:
- Samara State Technical University
- Issue: Vol 31, No 3 (2023)
- Pages: 22-42
- Section: Information Technology and Communications
- URL: https://journal-vniispk.ru/1991-8542/article/view/253764
- ID: 253764
Cite item
Full Text
Abstract
In this paper, thermal schemes are proposed and the principle of operation of combined power plants of a new type for a thermal power plant is given. Thermodynamic analysis of parameters of thermal circuits of combined power gas turbine expander plants was carried out depending on the outside air temperature, electric and thermal loads of the thermal power plant, as well as the flow rate of natural gas through the gas distribution point consumed by the thermal power plant. Based on the results of the calculation, optimization of the power plant cycle parameters was carried out, providing the specified electric power and efficiency of the gas power turbine. It has been found that its electric power and efficiency depend on the flow rate of natural gas supplied to the thermal power plant in different months of the year and the corresponding air temperatures. The most efficient combined plant is a system in which turbo expanders are connected to the turbocharger shaft of a typical GTU or complementary to a typical GTU by a turbo expander compressor unit. The use of a new type of combined gas turbine expander power plants seems to be the most effective solution for increasing the generation of electric energy and increasing the thermal efficiency of thermal power plants.
Full Text
В Российской Федерации эксплуатируется самая мощная и протяженная газотранспортная система. Единая система газоснабжения – высокотехнологичный инженерный комплекс, объединяющий добычу, транспортировку, распределение, хранение и переработку природного газа.
Природный газ по трубопроводной магистральной системе транспортируется с давлением от 5,5 до 11,8 МПа. Перед подачей потребителям в специальном дроссельном оборудовании на газораспределительных станциях (ГРС) давление газа снижается. Для потребителей природный газ подается с давлением порядка 0,6 – 0,003 МПа, соответствующим техническим характеристикам газового оборудования, порядка. Технологический процесс газоснабжения потребителей сопровождается колоссальным объемом недоиспользованной энергии давления природного газа.
Для повышения экономической эффективности использования потенциальной энергии природного газа (ПГ) широко применяются специальные расширительные машины — турбодетандеры. В этих установках происходит снижение давления газа с отдачей внешней работы на вал машины. Как правило, полученная полезная работа турбодетандера идет на привод электрогенератора или другого механического оборудования (компрессора, насоса) [1].
В европейских странах и в России уже получен большой опыт использования детандер-генераторных энергетических агрегатов. Их применение на ГРС с производительностью от 100 т.м3/час является весьма обоснованным.
Примеры успешной реализации включают установку крупных турбодетандерных агрегатов на ТЭЦ-21, ТЭЦ-23, Среднеуральской ГРЭС и Лукомльской ГРЭС. Однако были замечены некоторые проблемы, связанные с изменением мощности турбодетандеров и их влиянием на надежность и экономичность котельных агрегатов, куда подается расширенный в ДГА топливный газ с низкой температурой [2]. По этим причинам на ТЭЦ-21 и ТЭЦ-23 ДГА были выведены из эксплуатации.
Применение газотурбодетандерных энергетических установок представляется наиболее эффективным решением для увеличения выработки электрической энергии и повышения тепловой экономичности ТЭЦ [3, 4]. В западных странах уже применяются детандер-генераторные агрегаты (ДГА), которые генерируют электроэнергию с использованием избыточного давления природного газа на ТЭС. На базе завода «Криокор» были установлены ДГА-5000 на ТЭЦ-21 и ТЭЦ-23 Мосэнерго, а также на Среднеуральской ГРЭС и Лукомльской ГРЭС. Для повышения эффективности ДГА перед ними производится предварительный подогрев газа с использованием тепла сетевой воды. Заводом-изготовителем были установлены ограничения по максимальной температуре ПГ перед ДГА не выше 80 °С и температуре газа на выходе не ниже -20 °С. При низкой конечной температуре ПГ за ДГА увеличивается расход топлива в котлах, связанный с тем, что при ряде рабочих режимов ТЭЦ температура ПГ за ДГА становится отрицательной и приводит не к увеличению, а к снижению тепловой экономичности ТЭЦ. В этих условиях выбор источника подогрева газа является одним из основных при создании эффективных ДГА.
Важно отметить, что решения по созданию эффективных ДГА для использования избыточной энергии давления газа при его редуцировании имеются преимущественно для производства электрической энергии. Однако при адиабатном расширении газа с отдачей внешней работы температура рабочего тела понижается, что может привести к снижению тепловой экономичности ТЭЦ.
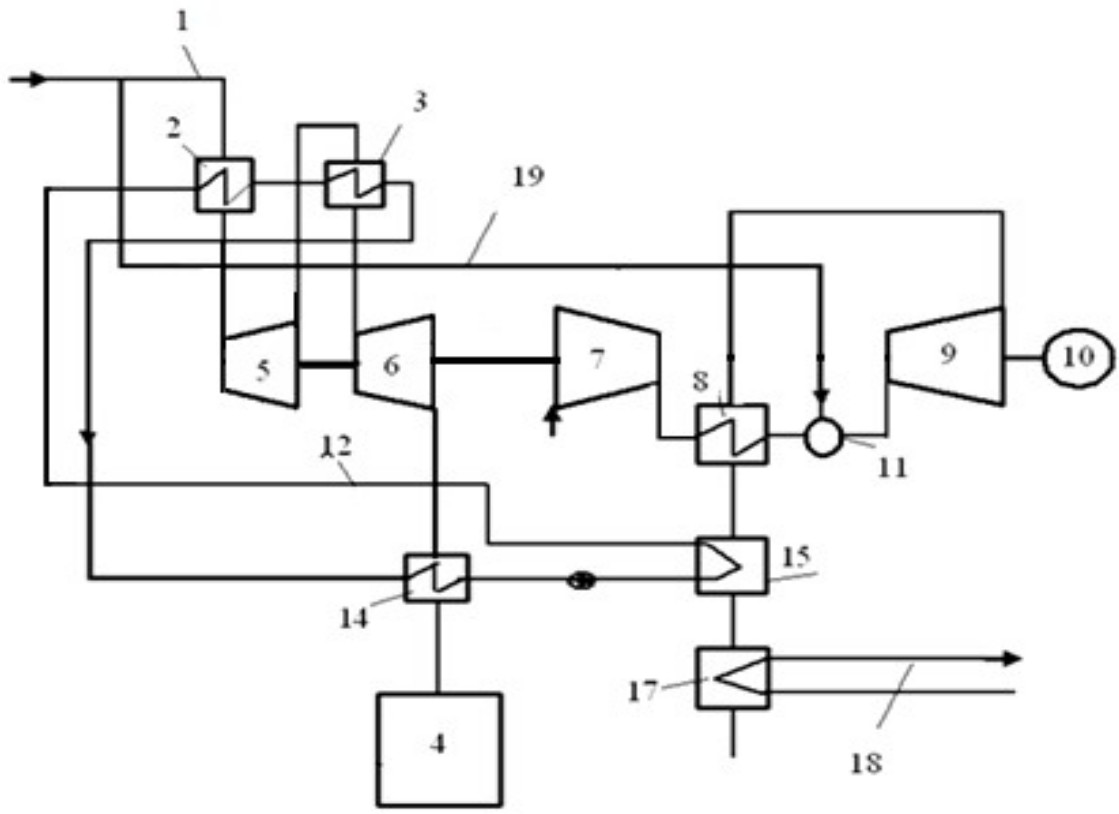
По мнению авторов, наиболее эффективным направлением, обеспечивающим увеличение выработки электрической энергии и повышение тепловой экономичности, является применение на ТЭЦ комбинированных газотурбодетандерных энергетических установок (КГТДУ). На рис. 1 приведена тепловая схема нового типа комбинированной энергетической установки ТЭЦ.
На ТЭЦ топливный газ после ГРС с давлением PГРС = 1,2 МПа поступает в блок регулирования топливного газа для котельной установки (КУ) с давлением PвхБРКУ = 0,125 МПа. Суммарная степень понижения давления в ТД5 и ТД6 составила πТД5,6 = 8,37. Она определяется по перепаду давления на входе в ТД5 и выходе из ТД6 с учетом гидравлических потерь в трубопроводных коммуникациях, которые составляют не более 4 %. Задаемся температурой природного газа на выходе из теплообменных аппаратов 2 и 3 перед турбодетандерами (ТД) 5 и 6. При заданном перепаде давления температура ПГ на выходе из турбодетандеров 5 и 6 должна иметь положительное значение, чтобы исключить гидратообразование.
Рис. 1. Схема энергетической ГТДУ в составе ТЭЦ: 1 – газопровод высокого давления 1,2 Мпа; 2 – теплообменный аппарат ПГ; 3 – теплообменный аппарат ПГ; 4 – котельный агрегат; 5 – турбодетандер высокого давления; 6 – турбодетандер низкого давления; 7 – воздушный компрессор; 8 – теплообменный аппарат КГТДЭУ; 9 – газовая турбина; 10 – электрогенератор; 11 – камера сгорания КГТДЭУ; 12 – трубопровод горячего теплоносителя; 13 – теплообменный аппарат топливного газа КУ; 14 – теплообменный аппарат топливного газа КУ; 15 – газоводяной утилизационный теплообменник; 16 – трубопроводы сетевой воды теплосети; 17 – теплообменный аппарат подогрева сетевой воды; 18 – трубопроводы сетевой воды теплосети
Газ с давлением 1,2 МПа подогревают в теплообменном аппарате (ТА) 2 теплом теплоносителя от TвхТД5 =100 °С, расширяют в ТД высокого давления 2 до давления 0,5–0,6 МПа, подогревают в ТА низкого давления 3 TвхТД5 = 80°С, расширяют в ТД низкого давления 6 до 0,12–0,125 МПа, подогревают теплоносителем в ТА подогрева газа 14 до температуры 40–50 °С и подают в блок регулирования топливного газа для горелок котельных агрегатов ТЭЦ 4. Теплоноситель для ТА 2, 3 и 14 нагревают в утилизационном ТА 15 теплом уходящих газов после расширения в газовой турбине 9. Далее после ТА 15 теплом выхлопных газов подогревают сетевую воду теплосети в ТА подогрева сетевой воды 17.
В камеру сгорания 11 газовой турбины 9 подают сжатый воздух после компрессора 7. Полезную работу турбодетандеров 5 и 6 используют для привода компрессора 7, а полезную работу газовой турбины 9 – для дополнительной выработки электроэнергии.
Удельная работа расширения в ТД 5 и в ТД 6 определяется по зависимостям [5, 6], кДж/кг:
LТД(5,6) = , ,
где ηТД – изоэнтропический КПД турбины; ηТД = 0,9; – изобарная удельная теплоемкость природного газа; = 2,208кДж/Ккг; kПГ – показатель адиабаты ПГ, kПГ = 1,31.
Температуры рабочего тела за ТД 5 и ТД 6, К:
TТД(5,6) = T вхТД(5,6)
При выбранных температурах топливного газа на выходе из теплообменных аппаратов 2 и 3 после расширения в турбодетандерах 5 и 6 температура топливного газа составила более 26 и 10 °С соответственно. Если по техническим характеристикам давление природного газа после ГРС будет 2,5 МПа, то температуру подогрева в теплообменных аппаратах нужно увеличить для избегания гидратообразования в трубопроводных коммуникациях.
Мощность турбодетандерной установки, МВт:
NТД = (LТ5+LТ6)·GтгКУ · ηМ,
где GтгКУ – расход топливного газа для котлов ТЭЦ, кг/с; ηМ – КПД механических потерь.
На рис. 2 показано изменение расхода топливного газа GГРП по месяцам года для ТЭЦ с номинальной мощностью 450 МВт. В зависимости от времени года, величин электрической и тепловой нагрузок ТЭЦ расход топливного газа, подаваемого ГРС, изменяется от 5 до 37 кг/с.
Суммарная мощность ТД 5 и ТД 6 прямо пропорциональна расходу природного газа через ТЭЦ и изменяется от 11,85 до 1,95М Вт. Всю мощность турбодетандеров 5 и 6 используют для привода компрессора 7. Оценим основные теплофизические параметры компрессора с учетом располагаемого потенциала газовых турбодетандеров.
Баланс мощности турбодетандеров 5, 6 и мощности, потребляемой воздушным компрессором 7:
NКТ = (NТ5 + NТ6) · ηМ и LК7GвГТУ = (LТ5 + LТ6) · GмгКУ · ηМ ,
где GвГТУ – расход воздуха через компрессор 7 для ГТУ, кг/с; LК7 – удельная работа сжатия в компрессоре, кДж/кг.
Природный газ, поступающий с ГРС на ТЭЦ, разделяется на два потока. Основной поток – топливный газ для КУ ТЭЦ; дополнительный поток – топливный газ для ГТУ.
Суммарный массовый расход природного газа:
GГРС = GтгКУ + GтгГТУ и m = ,
где m – отношение расхода топливного газа через КУ к суммарному расходу газа через ТЭЦ.
Рис. 2. Изменение расхода природного газа GТГ, подаваемого на ТЭЦ от ГРП, и располагаемой мощности турбодетандеров по месяцам года
В соответствии с методикой, приведенной в [2, 3], удельная работа сжатия в компрессоре, кДж/кг, определяется по формуле
LК7 = · ТВхК7 · и mв = ,
где ηК7 – изоэнтропический КПД компрессора; – изобарная удельная теплоемкость воздуха, = 1,01 кДж/Ккг; kв – показатель адиабаты воздуха, kв = 1,4.
Подставляя удельную работу сжатия LK7 в уравнение баланса мощности, получаем уравнение, связывающие параметры ТД и компрессора:
.
Мощность, потребляемая компрессором, зависит от степени повышения давления πК7 и расхода воздуха через компрессор GвГТУ. Задаемся πК7 в диапазоне от 2 до 14 и рассчитываем расход воздуха по зависимости
.
По результатам расчета на рис. 3 построены графические зависимости изменения расхода воздуха в КГТДУ.
Во всем диапазоне располагаемой мощности газовых турбодетандеров расход воздуха через компрессор изменяется в зимний период от 140 до 25 кг/с и в летний период от 30 до 5 кг/с. С ростом степени повышения давления в воздушном компрессоре расход воздуха снижается. Следовательно, на электрическую мощность КГТДКУ влияние оказывает расход природного газа через ТЭЦ, и усиливает это влияние зависимость параметров воздушного компрессора от расхода газа через ТЭЦ.
Рис. 3. Изменение расхода воздуха через компрессор в зависимости от расхода природного газа GТГ, подаваемого на ТЭЦ, и степени повышения давления в компрессоре
Удельная работа турбины электрогенератора определяется:
, mг = , ,
Где ТГ – температура газа перед турбиной, К; πT9 – степень понижения давления в турбине; σгид – гидравлические потери давления в тракте ГТУ; ηт9 – изоэнтропический КПД турбины; – изобарная удельная теплоемкость газа, = 1,15 кдж/Ккг; kг – показатель адиабаты газа, kг = 1,4.
Удельная работа турбины пропорционально зависит от температуры в камере сгорания и степени повышения давления в компрессоре. Также будет увеличиваться и КПД установки. Используя зависимость, предложенную в методике [5, 6], эффективный КПД определим по формуле
.
Удельная теплота, подводимая в цикле с топливом, кдж/кг:
и ,
и ,
где , – коэффициенты изменения массы рабочего тела на входе в камеру сгорания и в турбину; ТК и ТR – температуры рабочего тела на выходе из компрессора и из теплообменного аппарата 8; ηкс – коэффициент полноты сгорания топлива; – относительные расходы рабочего тела на охлаждение и утечки топлива (задаются из опыта эксплуатации ГТУ).
На рис. 4 построены графические зависимости удельной полезной работы турбины электрогенератора и КПД установки.
Рис. 4. Изменение параметров эффективности КГТДЭУ в зависимости от степени повышения давления в компрессоре πК7 и температуры газа перед турбиной
Эффективность предложенной схемы очевидна. Для ТЭЦ с номинальной мощностью 450 МВт, работающей на природном газе, применение комбинированной газотурбодетандерной установки позволит получить дополнительную электрическую мощность за счет использования газотурбинной установки с КПД 65–70 % установки.
Электрическая мощность КГТДКУ для схемы, указанной на рис. 1, рассчитана по методике [5, 6] в диапазоне расхода природного газа через ТЭЦ в течение года:
,
где GгТ9 – расход газа через энергетическую турбину, кг/с, определяется:
, .
Для температуры газа перед турбиной TГ = 1350 К и TГ = 1550 К для степени повышения давления и в диапазоне расхода природного газа через ТЭЦ построены графические зависимости изменения мощности турбины электрогенератора (рис. 5).
Рис. 5. Изменение электрической мощности турбины электрогенератора в зависимости от расхода природного газа GТГ, подаваемого на ТЭЦ
Мощность турбины электрогенератора зависит от расхода воздуха через компрессор. Как было установлено ранее, расход воздуха через компрессор с ростом степени повышения давления в нем снижается. Следовательно, эти два параметра противоположено влияют на мощность турбины электропривода. На рис. 6 приведена графическая зависимость изменения электрической мощности турбины электрогенератора от степени повышения давления в компрессоре πК7.
Несмотря на рост удельной работы расширения турбины электрогенератора (см. рис. 4) мощность турбины снижается с ростом степени повышения давления, так как снижается расход воздуха через компрессор. Установлено, что увеличение степени повышения давления πК в воздушном компрессоре К7 приводит к росту КПД установки, но при этом снижает ее электрическую мощность и приводит к одновременному удорожанию конструкции самого компрессора. При степени повышения давления в диапазоне от 4 до 10 можно получить КПД от 55 до 70 % и мощность установки от 12 до 16,5 МВ для среднегодового значения расхода газа через ТЭЦ GГЗС = 22 кг/с. Это доказывает высокую эффективность предложенной схемы.
Рис. 6. Изменение электрической мощности турбины электрогенератора в зависимости от степени повышения давления в компрессоре πК7
Тем не менее подобная схема имеет существенный недостаток – зависимость параметров воздушного компрессора от расхода топливного газа на ТЭЦ. Снижение расхода воздуха через компрессор в летний период приведет к возникновению критических положительных углов атаки на лопатках компрессора и помпажу. Необходима дополнительная мощность, подводимая к компрессору, для поддержания расхода воздуха через компрессор в заданных пределах, что дополнительно скажется и на мощности энергетической турбины.
Также нужно учитывать влияние температуры окружающего воздуха на параметры компрессора. Определен расход воздуха через компрессор 7 и его потребляемая мощность по зависимостям
, ,
где за приведенные параметры GвпрГТУ и NпрК7 взяты расход и мощность, определенные при стандартных атмосферных условиях (P = 101,3 кПа, T = 228 К).
Рис. 7. Коэффициент климатического влияния на мощность и расход воздуха в КГТДУ и изменение удельной полезной работы от среднемесячной температуры окружающего воздуха
На рис. 7 представлены графические зависимости коэффициента климатического влияния температуры атмосферного воздуха на расход воздуха и мощность компрессора от температуры окружающего воздуха и количественное изменение удельной полезной работы КГТДУ.
Мощность, потребляемая компрессором, в зимний период снижается на 5 %, а летом, в жаркое время, увеличивается на 1 %; следовательно, полезная мощность энергетической турбины 9 изменится аналогично. Снижение расхода топливного газа для ТЭЦ снизит мощность энергетической турбины в 6 раз.
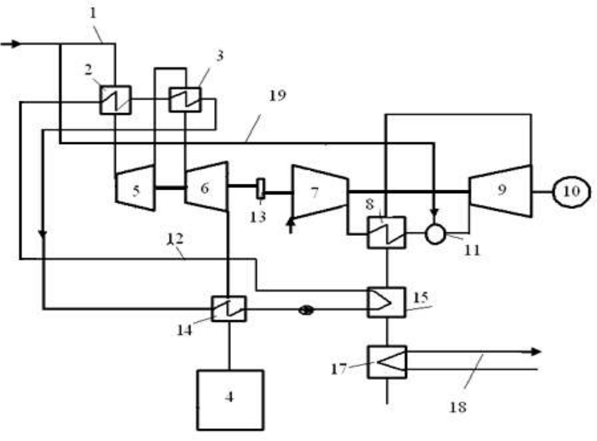
Следовательно, необходимо регулировать работу компрессора при наличии двух возмущающих воздействий: изменения температуры окружающего воздуха и расхода природного газа через ТЭЦ. Использование входного регулируемого направляющего аппарата будет недостаточно, нужен еще один регулирующий фактор, в качестве которого может быть топливный клапан камеры сгорания ГТУ. Но для этого необходимо установить механическую связь между компрессором 7 и турбиной 9. Это позволит уйти от зависимости вырабатываемой электрической мощности от расхода газа в котле-утилизатора ТЭЦ. В летний период стабильность вырабатываемой мощности установки будет поддерживаться увеличением расхода топлива КГТДУ и стабилизацией параметров компрессора. Схема приведена на рис. 8.
Рис. 8. Схема одновальной комбинированной энергетической газотурбодетандерной установки ТЭЦ: 1 – газопровод высокого давления 1,2 Мпа; 2 – теплообменный аппарат ПГ; 3 – теплообменный аппарат ПГ; 4 – котельный агрегат; 5 – турбодетандер высокого давления; 6 – турбодетандер низкого давления; 7 – воздушный компрессор; 8 – теплообменный аппарат КГТДЭУ; 9 – газовая турбина; 10 – электрогенератор; 11 – камера сгорания КГТДЭУ; 12 – трубопровод горячего теплоносителя; 13 – редуктор; 14 – теплообменный аппарат топливного газа КУ; 15 – газоводяной утилизационный теплообменник; 16 – трубопроводы сетевой воды теплосети; 17 – теплообменный аппарат подогрева сетевой воды; 18 – трубопроводы сетевой воды теплосети
Принципиальным отличием этой схемы является механическая связь между компрессором 7 и турбиной 9. Компрессор 7 через редуктор 13 связан с турбодетандерами 5 и 6. Используя зависимости в методике [1, 2], рассчитаем основные термодинамические показатели данной схемы и определим их оптимальные значения для оценки максимальной эффективности установки для данного типа ТЭЦ.
Баланс мощности данной установки включает мощности, вырабатываемые турбодетандерами ТД5, ТД6, энергетической газовой турбиной Т9, и мощность, потребляемую воздушным компрессором К7 и электрогенератором 10, и определяется уравнением
.
Удельная полезная работа комбинированной энергетической установки определяется по зависимости
,
где ηред – КПД редуктора.
Механическая, жесткая связь между компрессором и энергетической турбиной дает возможность с учетом опыта проектирования осевых компрессоров задаться расходом воздуха через компрессор от 25 до 125 кг/с.
КПД установки определяется аналогично схеме рис. 2. Для осредненного расхода топливного газа для ТЭЦ, равного 20 кг/с, в зависимости от степени повышения давления в компрессоре 7 рассчитаны изменения удельной полезной работы турбины 9 и эффективного КПД установки (рис. 9).
Рис. 9. Зависимости удельной полезной работы и эффективного КПД КГТДУ от степени повышения давления в компрессоре К7
При температуре TГ = 1350 К перед Т9 максимальные значения эффективного КПД получаются при степени повышения давления в компрессоре πК7 = 6, удельной полезной работы КГТДУ – при πК7 = 9. При температуре TГ = 1550 К максимальные значения эффективного КПД – при πК7 = 8, удельной полезной работы КГТДУ – при πК7 = 12. По величине с ростом температуры ТГ параметры эффективности увеличиваются в среднем от 7 до 30 %.
На основе полученных данных целесообразно задаться высокой температурой газа 1550 К и степенью повышения давления не более 8 (задаемся πК7 = 8). Рассчитаем параметры эффективности установки (рис. 10) в зависимости от расхода топливного газа через ТЭЦ и расхода воздуха через компрессор в диапазоне от 25 до 125 кг/с.
Соответственно, чем больше расход воздуха через компрессор 7 при заданной степени повышения давления (πК7 = 8), тем более мощна установка, но КПД такой установки приближается к КПД обычной ГТУ регенеративного цикла.
Для типового расхода воздуха через ГТУ в среднем 60 кг/с при минимальной располагаемой мощности турбодетандера можно получить мощность КГТДУ от 20 МВт с КПД более 36 %. При увеличении расхода газа через ТЭЦ КПД установки увеличивается более 45 %, и если нет необходимости в увеличении мощности ГТ, экономичность КГТУ увеличивается.
Рис. 10. Зависимости эффективной мощности и эффективного КПД КГТДУ от расхода топливного газа через ТЭЦ
Недостаток схемы – это наличие редуктора 13, что снижает мощность, передающуюся компрессору 7, и его термодинамические параметры. Частота вращения ротора КГТД во всем диапазоне режима работы должна быть постоянной (50 Гц). Следовательно, установка рассчитывается на минимальные параметры топливного газа через ТЭЦ. При увеличении расхода газа через ТЭЦ давление за компрессором 7 будет увеличиваться и расход топлива для КГТДУ снижается для поддержания постоянных оборотов турбины 9.
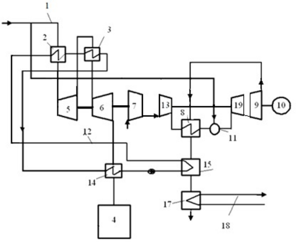
Данных недостатков лишена трехвальная схема КГТДУ (рис. 11). Компрессор низкого давления 7 механически связан c турбодетандерами 5 и 6. Его производительность зависит только от расхода природного газа через ТЭЦ. Обеспечение заданного режима работы КГТДУ при изменении расхода топливного газа или климатических условий осуществляется за счет регулирования расхода топливного газа для КГТДУ.
Данная схема позволяет исключить наличие редуктора у компрессора 7 и сохранить расход воздуха через ГТУ при изменении расхода природного газа через ТЭЦ на постоянном уровне за счет изменения частоты вращения ротора газогенератора, при постоянных оборотах ротора энергетической турбины 9. Разделение компрессора на два каскада повышает запас устойчивой его работы в целом, а наличие свободной силовой турбины электрогенератора позволяет поддерживать частоту вращения ротора электрогенератора во всем диапазоне возмущающих факторов (изменение мощности турбодетандеров, температуры окружающего воздуха) за счет одного регулирующего органа – расхода топливного газа через КГТДУ.
Рис. 11. Схема трехвальной энергетической КГТДУ в составе ТЭЦ: 1 – газопровод высокого давления 1,2 Мпа; 2 – теплообменный аппарат ПГ; 3 – теплообменный аппарат ПГ; 4 – котельный агрегат; 5 – турбодетандер высокого давления; 6 – турбодетандер низкого давления; 7 – компрессор низкого давления; 8 – теплообменный аппарат КГТДЭУ; 9 – газовая турбина; 10 – электрогенератор; 11 – камера сгорания КГТДЭУ; 12 – трубопровод горячего теплоносителя; 13 – компрессор высокого давления; 14 – теплообменный аппарат топливного газа КУ; 15 – газоводяной утилизационный теплообменник; 16 –турбина компрессора высокого давления; 17 – теплообменный аппарат подогрева сетевой воды; 18 – трубопроводы сетевой воды теплосети; 19 – турбина компрессора высокого давления
Оценка эффективных параметров данной схемы проводится с учетом баланса мощности, вырабатываемой турбодетандерами ТД 5, ТД 6, и мощности, потребляемой воздушным компрессором К7, далее – турбодетандерный компрессорный блок (ТДКБ):
.
Из данного уравнения, задавшись расходом воздуха через КГТДУ, определяем степень повышения давления в компрессоре ТДКБ:
.
Расчетная степень повышения давления в компрессоре 7 для двух значений расхода воздуха через КГТДУ в зависимости от расхода природного газа через ТЭЦ представлена на графике (рис. 12).
Баланс мощности для КГТДУ состоит из двух уравнений:
и .
Рис. 12. Зависимость степени повышения давления в компрессоре ТДКБ в зависимости от расхода топливного газа через ТЭЦ
Удельная полезная работа комбинированной энергетической установки определяется по зависимости
, ,
и ,
где ТвхТ9 – температура газа перед турбиной 9, К; πТ9 – степень понижения давления в турбине; σгид – гидравлические потери давления в тракте ГТУ; ηТ9 – изоэнтропический КПД турбины; vвхК-вхТ19 – коэффициент изменения массы рабочего тела в КГТДУ.
Для схемы с одновальной КГТДУ (см. рис. 8) была определена оптимальная степень повышения давления в цикле КГТДУ. С учетом того, что все схемы КГТДУ выполнены по регенеративному циклу, для достижения максимальной эффективности такого цикла необходимы небольшие значения степени повышения давления в компрессоре и высокие температуры газа перед турбиной. Аналогично и для трехвальной схемы КГТДУ (см. рис. 11) максимальные значения эффективного КПД и удельной полезной работы КГТДУ при температуре К достигаются при суммарной степени повышения давления в компрессорах 8 ≤≤ 12 соответственно.
Оптимальными параметрами трехвальной схемы КГТУ для заданного расхода природного газа ТЭЦ являются температура перед турбиной К и суммарная степень повышения давления в компрессорах, соответствующая максимальному КПД установки . Расход воздуха через КГТДУ с учетом графической зависимости (рис. 13) должен быть не менее от 45 кг/с. При меньшем расходе воздуха в КГТДУ 45 кг/с на режиме максимальной мощности турбодетандеров 5, 6 степень повышения давления в компрессоре 7 увеличивается и станет больше суммарной степени повышения давления. Это приведет к отключению газогенератора (компрессора 13, камеры сгорания и турбины 19) и получим установку, выполненную по схеме рис. 1.
Рассчитаны параметры эффективности трехвальной КГТДУ при температуре в цикле TГ = 1550 К в зависимости от расхода топливного газа через ТЭЦ и расхода воздуха через компрессор в диапазоне от 45 до 125 кг/с.
Рис. 13. Зависимости параметров эффективности трехвальной КГТДУ от расхода топливного газа через ТЭЦ
Мощность КГТДУ составила от 4 до 45 МВт (в зависимости от производительности ТЭЦ) и увеличивается пропорционально заданному расходу воздуха в КГТДУ. Снижение КПД установки будет существеннее с уменьшением мощности турбодетандеров 5 и 6 (при одинаковых параметрах цикла с регенерацией теплоты уходящих газов) для меньшего значения расхода воздуха через КГТДУ, при режимах пониженной производительности ТЭЦ и при небольшими расходах рабочего тела у КГТДУ.
Полученные выводы позволят применить уже находящиеся в эксплуатации энергетические газотурбинные установки с несколькими каскадами компрессоров и свободной силовой турбиной. Использование энергии природного газа при его дросселировании актуально на всех производственных объектах. Для типовой ГТУ со свободной силовой турбиной (паспортные данные приведены в таблице) оценим эффективность ее использования для выбранной ТЭЦ.
Газотурбинные установки авиационного типа НК-37СТ и НК-16СТ (см. таблицу) имеют многовальный газогенератор, НК-12СТ снабжен одновальным газогенератором. Для установок НК-37СТ и НК-16СТ компрессор низкого давления отключается от турбины ГТУ и подключается к турбодетандерам 5 и 6. Для установки НК-12СТ предварительно изготавливается турбокомпрессорный блок, состоящий из турбодетандеров 5 и 6 и компрессора 7 с расходом воздуха, равным ГТУ · GВ = 56 кг/с.
Паспортные данные типовой ГТУ со свободной силовой турбиной
№ | Параметр | Установка | |||
НК-37СТ | НК-16СТ | НК-12СТ | |||
1 | Температура перед турбиной | TГ, К° | 1460 | 1083 | 998 |
2 | Степень повышения давления в КНД | πКНД | 2,63 | 2,72 | 8,8 |
3 | Степень повышения давления в КСД | πКСД | 2,80 | – | – |
4 | Степень повышения давления в КВД | πКВД | 2,85 | 3,57 | – |
5 | Суммарная степень повышения давления | π∑ | 21 | 9,7 | 8,8 |
6 | Эффективный КПД | , % | 36 | 29,0 | 26,1 |
7 | Расход воздуха | GB, кг/с | 103 | 105 | 56 |
8 | Мощность ГТУ | Nе, МВт | 25 | 16,0 | 6,3 |
С учетом производительности ТЭЦ, температуры окружающей среды по месяцам года и расхода воздуха через ГТУ GB была рассчитана располагаемая степень повышения давления в компрессоре 7 (рис. 14).
Рис. 14. Климатическая характеристика района ТЭЦ и зависимость степени повышения в компрессоре 7 от расхода топливного газа через ТЭЦ
Степень повышения давления в компрессоре 7 повлияет на суммарную степень повышения давления в установках НК-37СТ и НК-16СТ. Наибольшее ее значение достигается на максимальной производительности ТЭЦ и приближается к расчетному значению πКНД (см. таблицу). На остальных режимах она меньше, и соответственно снизится суммарная степень повышения давления в ГТУ. Для установки НК-12СТ снижение степени повышения давления в компрессорном блоке 7 компенсируется повышением давления в компрессоре ГТУ.
Для выбранных ГТУ с учетом новой схемы рассчитаны параметры эффективности установок при изменении температуры атмосферного воздуха и расхода топливного газа для ТЭЦ. На рис. 15 приведены графические зависимости изменения мощности и КПД турбодетандерных установок относительно их значений для типовых схем, но с учетом тех же атмосферных условий.
Рис. 15. Изменение относительной мощности и КПД типовых ГТУ в зависимости от расхода топливного газа через ТЭЦ
Для всех установок в летний период снижение расхода топливного газа для ТЭЦ (в сравнении с повышением температуры атмосферного воздуха) является преобладающим фактором снижения КПД и мощности.
Для установки НК-37СТ прирост эффективности наблюдается только в зимний период с наибольшими расходами топливного газа. Увеличения мощности можно достигнуть до 40 %, увеличения КПД – порядка 20 % (эти значения характерны только для заданных параметров ТЭЦ в зимний период). При снижении расхода топливного газа снижается суммарная степень повышения в компрессоре ГТУ и параметры эффективности существенно ухудшаются относительно базовой установки НК-37СТ.
Более плавное изменение параметров на режимах снижения топливного газа ТЭЦ наблюдается у НК-16СТ. В летний период расчетные мощности и КПД незначительно снижаются (порядка 2 %), в зимний период наблюдается существенное улучшение характеристик ГТУ.
По результатам предварительного расчета оснащение установки НК-12СТ турбодетандерным компрессорным блоком увеличивает ее эффективность. Даже на минимальных расходах топливного газа для ТЭЦ в летний период оно позволит увеличить мощность НК-12СТ на 7 % и повысить КПД на 12 %.
В составе комбинированной установки ТЭЦ целесообразно применять типовые ГТУ только при наличии турбодетандерного компрессорного блока. На примере газотурбинной установки НК-12СТ при минимальной тепловой нагрузке ТЭЦ комбинированная газотурбодетандерная энергетическая установка вырабатывает порядка 10 МВТ мощности с КПД 30 %, а в зимний период КПД установки увеличивается до 53 %.
Проведенный расчетный анализ показал, что ее электрическая мощность и КПД зависят от величины расхода природного газа, подаваемого на ТЭЦ, по месяцам года и соответствующим им температурам атмосферного воздуха. Наиболее эффективна комбинированная установка, в которой турбодетандеры связаны с общим валом типовой ГТУ. В качестве типовой ГТУ наиболее эффективна по своим термогазодинамическим параметрам установка НК-12СТ, которая хорошо себя зарекомендовала в эксплуатации на компрессорных станциях магистральных газопроводов. Установлено, что турбодетандерный компрессорный блок повышает параметры эффективности НК-16СТ, НК-12СТ, которые не соответствуют современным техническим требованиям.
Разработанная тепловая схема КГТДУ может применяться не только для ТЭЦ, она весьма эффективна и для модернизации ГТУ, которые используются в качестве приводов на компрессорных станциях магистральных газопроводов.
About the authors
Svetlana A. Gulina
Samara State Technical University
Author for correspondence.
Email: kr_oeg@mail.ru
(Ph.D. (Techn.)), Associate Professor
Russian Federation, 244, Molodogvardeyskaya st., Samara, 443100Leonid P. Sheludko
Samara State Technical University
Email: chel_lp@mail.ru
(Ph.D. (Techn.)), Associate Professor
Russian Federation, 244, Molodogvardeyskaya st., Samara, 443100References
- Strebkov A.N., Osipov A.V., Zhyvronsky S.K. Termodinamicheskie osnovy ispol'zovaniya detander-kompressornoj GTU [Thermodymnamic Bases for Using the Expander Compressor GTU] // Bulletin of the Moscow State Technical University named after N.E. Bauman. Ser. Mechanical Engineering. 2021. No. 1. Pp. 166–181. (In Russian).
- Kulichikhin V.V., Tyunyaev M.V. Consequences of the introduction of expander-generator units into the thermal scheme of the thermal power plant // Heat Supply News. 2017. No. 5 (201).
- Gulina S.A., Shelud'ko L.P. Modelirovanie termodinamicheskogo cikla GTD, rabo-tayushchego na gazoobraznom toplive proizvol'nogo sostava [Modeling of the thermodynamic cycle of a gas turbine engine operating on gaseous fuel of arbitrary composition] // Sbornik trudov XXIX mezhdunarodnoj nauchnoj konferencii «Matematicheskie metody v tekhnike i tekhnolo-giyah MMTT – 29». T. 12. Saratov, 2016. Pp. 67–73. (In Russian).
- Gulina S.A. Gazoturbinnye ustanovki [Gas turbine units]. Samara: SamGTU, 2023. 180 p. (In Russian).
- Tkachenko V.V., Girsht S.M. Analiz i obosnovanie effektivnosti primeneniya detander-generatornyh agregatov v energeticheskih sistemah [Analysis and justification of the effectiveness of using expander-generator units in energy systems] // Vestnik Izhevskogo gosudarstvennogo tekhnicheskogo universiteta. 2019. № 1. Pp. 82–92. (In Russian).
- Yudin Yu.V., Khovansky Ya.V., Artemyev S.N. Sovershenstvovanie sistemy teplosnab-zheniya s primeneniem detander-generatornyh agregatov [Improvement of the heat supply system using expander-generator units] // Vestnik Udmurtskogo universiteta. Seriya: Tekhnika i tekhnologii. 2017. № 2. Pр. 5–10. (In Russian).
- Khudoley V.I., Kokotkin A.M. Modelirovanie i analiz ekspluatacionnyh harakteristik detander-generatornyh agregatov [Modeling and analysis of operating characteristics of expander-generator units] // Scientific Bulletin Chernіvetskogo unіversitetu. Mekhanіka, materіaloznavstvo, іnzhenerne possession. 2016. No. 795. Pр. 33–39. (In Russian).
- Potekhina N.V., Sorokina O.P., Pashenkin V.I. Optimizaciya parametrov raboty detander-generatornyh agregatov dlya povysheniya energoeffektivnosti gazotransportnoj sistemy [Optimization of the parameters of operation of the expander-generator units to increase the energy efficiency of the gas transmission system] // Industrial Energy. 2018. No. 6. Pр. 24–28. (In Russian).
- Baranov G.G., Shabalina G.M. Vliyanie granic temperatur na parametry raboty detander-generatornyh agregatov [Influence of temperature limits on operating parameters of expander-generator units] // Thermal Power Engineering. 2015. No. 12. Pр. 40–43. (In Russian).
- Kiselev S.V., Ryzhenkov D.V. Analysis of Combined Cycle Power Plant Integration with Expander-Generators for Electric Power Generation // International Journal of Environmental and Science Education. 2021. № 16 (12). Рр. 8576–8588.
- Chen H.Yu.C., Zhang C. Thermodynamic analysis of combined cycle power plant integrated with expander-generator and cooling heat pipe // Applied Thermal Engineering. 2019. № 161. Рр. 114165.
- Sangeetha G., Srinivas T. Thermodynamic analysis of combined gas turbine and organic Rankine cycle using expander-generator // Materials Today: Proceedings. 2017. № 4 (2). Рр. 1080–1090.
- Hui S., Min J., Jiandong G., Chao H. Thermoeconomic optimization and performance analysis of a combined cycle power plant based on an expander-generator // Energy Conversion and Management. 2016. № 108. Рр. 343–355.
- Li J., Shu G., Yan J., Li G., Zhou B. Performance analysis of gas turbine power plants with expander-generator unit // Energy Procedia. 2016. № 8. Рр. 487–492.
- Yuan Z., Degelaen P., Lecompte S. Analysis on the application of a sliding pressure cycle in a combined cycle power plant with an expander–generator // Applied Sciences. 2018. № 8 (6). Р. 878.
- Bai Z., Lei W., Xie H., Xu Y. Comparative assessment of working fluids for Organic Rankine Cycles based on combined expander-generator. Energy Sources, Part A: Recovery, Utilization, and Environmental Effects. 2021. № 1.
- Villanueva F., Ahmadi P., Patterson R., Inger G. Feasibility analysis of combining a Brayton and organic Rankine cycle with an expander-generator in a combined heat and power plant // Applied Thermal Engineering. 2019. № 146. Рр. 538–548.
- Hongqiang Y., Xinqiang Y. Thermodynamic performance analysis of combined cycle power plant with steam extraction from bottoming cycle // Energy Conversion and Management. 2015. № 94. Рр. 1–12.
Supplementary files

















