Structural modeling of expanded clay cooling technological process in a drum cooler as a control object
- Authors: Nazarov M.A.1, Galitskov K.S.1
-
Affiliations:
- Samara State Technical University
- Issue: Vol 32, No 4 (2024)
- Pages: 27-41
- Section: Information Technology and Communications
- URL: https://journal-vniispk.ru/1991-8542/article/view/310299
- DOI: https://doi.org/10.14498/tech.2024.4.2
- EDN: https://elibrary.ru/ECOPNZ
- ID: 310299
Cite item
Full Text
Abstract
The technological process of expanded clay cooling in a drum cooler is considered as a control object with distributed parameters. Taking into account reasonable assumptions and simplifications, the dynamics of the process under consideration is described by a system of non-homogeneous differential equations in partial derivatives of the first order, the solution of which made it possible to obtain operators linking the control action and the main disturbances with the temperature of expanded clay in the drum cooler. The obtained operators of the mathematical model, which are transcendental transfer functions, are approximated by typical forms of transfer functions for the possibility of their further practical application in the synthesis of automation systems. A structural diagram of the mathematical model of the process of expanded clay cooling in a drum cooler as a control object is synthesized. Computational experiments are carried out to study the dynamic and static operating modes of the control object.
Full Text
Введение
Широкое применение в строительстве керамзита в качестве теплоизоляционного, конструкционно-теплоизоляционного и конструктивного материала обусловлено рядом преимуществ – сравнительно небольшой массой конструкций, низкими тепловыми потерями, высокими огнестойкостью и морозостойкостью стеновых ограждений, длительным периодом эксплуатации дорожных покрытий [1–5].
Керамзит изготавливается из определенного глинистого сырья, последовательно проходящего многоступенчатую цепочку требуемых технологических переделов, каждый из которых в определенной степени влияет на качество конечной продукции. Основными операциями керамзитового производства являются: предварительная подготовка глинистого сырья; формование гранул сырца, например с помощью шнекового пресса; окатывание и сушка гранул в сушильном барабане; обжиг во вращающейся печи и последующее охлаждение обожженного керамзита в барабанном холодильнике.
Охлаждение гранул керамзита – финальный технологический этап, на котором формируются требуемые физико-химические характеристики конечного продукта. Известно, что в процессе обжига на гранулы оказывается тепловое воздействие, что, в свою очередь, приводит к их расширению и образованию пор. Соблюдение технологических требований, исключающих резкое снижение температуры на этапе охлаждения керамзита, позволяет предотвратить деформации гранул и их трещинообразование. При остывании формируется прочная кристаллическая решетка гранул керамзита, что делает их более устойчивыми к механическим повреждениям. В противном случае гранулы остывают неравномерно, возникают термические напряжения и, как следствие, образование трещин и потеря целостности материала. Чрезмерно интенсивное охлаждение может явиться одной из причин снижения прочности керамзита и невозможности применения его в качестве заполнителя при изготовлении теплоизоляционно-конструкционного и конструктивного легких бетонов. Кроме того, формируемые теплоизоляционные свойства керамзита зависят от образующихся внутри материала пор во время обжига. Высокий темп остывания влечет их закрытие, что негативно сказывается на теплоизоляционных и звукоизоляционных характеристиках конечной продукции. Поэтому обеспечение требуемого режима на этапе охлаждения оказывает существенное влияние на эксплуатационные свойства готового керамзита. Очевидно, что для получения керамзита заданного качества необходимо использовать современные подходы к автоматизации, основанные на глубоком изучении свойств и анализе технологического процесса охлаждения как объекта управления. Создание подобных систем автоматического управления, очевидно, должно включать стадию математического моделирования, проведения вычислительных экспериментов и анализа полученных результатов. Однако исследования в этой области практически не проводились. Это подчеркивает актуальность задачи создания математической модели технологического процесса охлаждения керамзита в барабанном холодильнике в виде уравнений и структуры, а также их глубокого исследования.
Постановка задачи
В настоящее время существует несколько типов оборудования, используемых для охлаждения керамзита после обжига, каждый из которых имеет свои особенности и преимущества. Барабанные холодильники являются одним из наиболее широко применяемых видов. Основным их элементом является вращающийся барабан, обеспечивающий равномерное распределение керамзита по длине и охлаждение. Непрерывная циркуляция воздуха вокруг гранул способствует интенсивному и равномерному их охлаждению, так как увеличивается площадь теплообменной поверхности между керамзитом и охлаждающим воздухом. Дополнительным достоинством оборудования данного типа является меньшая, по сравнению с другими установками аналогичного назначения, подверженность керамзита повреждениям, что снижает потери материала и обеспечивает больший объем готовой продукции на выходе. Барабанные холодильники также обладают гибкостью в эксплуатации, так как могут быть адаптированы для работы с различными объемами керамзита, что делает их универсальным решением для производств разного масштаба.
Рассмотрим конструкцию барабанного холодильника (рис. 1), который представляет собой теплообменный аппарат непрерывного действия, работающий по принципу противотока. Он выполнен в виде открытого с торцов стального цилиндра (барабана) 1, установленного с уклоном φ к горизонту и вращающегося со скоростью , что обеспечивает передвижение материала [6]. Загрузка обожженного керамзита 2 после вращающейся печи осуществляется с горячего конца; двигаясь к противоположному (холодному) концу, он охлаждается встречным потоком воздуха. Для защиты корпуса холодильника от высоких температур примерно треть длины барабана со стороны горячего конца футеруется огнеупорным кирпичом 3. Ввиду того, что характерные свойства рассматриваемого объекта зависят как от времени, так и от пространственных координат, процесс охлаждения классифицируем как объект управления с распределенными параметрами.
Рис. 1. Расчетная схема процесса охлаждения керамзита в барабанном холодильнике как объекта управления с распределенными параметрами
При рассмотрении процесса охлаждения керамзита как объекта управления с распределенными параметрами и учете того, что пространственное изменение параметров наблюдается только по продольной координате барабана холодильника, его динамика характеризуется температурой керамзита, перемещающегося со скоростью вдоль оси ( – длина барабана, – время). Исходя из ограничений, обусловленных необходимостью согласованной работы холодильника с другими установками технологической линии и удобства последующей технической реализации, за управляющее воздействие принимаем скорость движения охлаждающего воздуха вдоль оси x. На основании проведенного анализа из множества возмущающих факторов выбираем наиболее существенные – температуры керамзита и воздуха , поступающих в барабан, а также температуру окружающей среды.
Требуется найти операторы исследуемого объекта управления в виде передаточных функций, связывающих выходные координаты с управляющими и возмущающими воздействиями, с последующей их аппроксимацией типовыми динамическими звеньями и структурным представлением математического описания.
Решение поставленной задачи
При создании математического описания, ориентированного на рассмотрение ключевых аспектов процесса, и для исключения вероятности получения модели излишней сложности, очевидно, требуется ввести ряд допущений. Основываясь на анализе влияния тех или иных факторов на рассматриваемые процессы, сформулируем следующие упрощения [7].
- Считаем, что теплофизические характеристики участвующих в теплопередаче сред и материалов не изменяются по пространственным координатам и остаются постоянными во времени.
- Принимаем, что используемые в математической модели коэффициенты теплопередачи постоянны и усредняем их по длине корпуса ввиду наличия футеровки на начальном участке.
- Пренебрегаем динамикой изменения температуры корпуса холодильника.
- Допускаем, что пространственное изменение температур керамзита и воздуха наблюдается только по оси х, а по радиусу барабана рассматриваем некоторые средние их значения.
- Считаем, что скорости движения керамзита и воздуха одинаковы по всей длине барабанного холодильника, но могут изменяться во времени.
- Учитываем, что скорости υк и υв могут принимать различные значения, но в первом приближении не рассматриваем влияние их изменения на динамику процесса.
В рамках поставленной задачи с учетом принятых допущений, когда рассматривается динамический процесс теплообмена двух движущихся в противоположных направлениях вдоль продольной оси сред, непосредственно контактирующих между собой, математическое описание может быть представлено следующей системой линейных неоднородных дифференциальных уравнений в частных производных [7]:
(1)
где F – площадь поверхности теплообмена между керамзитом и воздухом; , , – объем, плотность и удельная теплоемкость керамзита, находящегося в холодильнике; α – коэффициент теплоотдачи на контактной поверхности керамзита и охлаждающего воздуха; , – коэффициенты теплопередачи между керамзитом и окружающей средой, воздухом и окружающей средой через корпус холодильника; Fк, Fв – площади поверхностей теплообмена между керамзитом и окружающей средой, воздухом и окружающей средой через ограждающие конструкции холодильника; Vв, ρв, cв – объем, плотность и удельная теплоемкость воздуха, находящегося в холодильнике.
Считая начальные условия нулевыми и применяя к (1) преобразование Лапласа, получим систему обыкновенных неоднородных дифференциальных уравнений первого порядка:
(2)
где p – оператор Лапласа.
Исходя из применяемой технологии охлаждения и конструкции установки, которая находится под влиянием сосредоточенных воздействий на ее концах, граничные условия для рассматриваемого случая будем определять температурами поступающих в холодильник керамзита и воздуха , которые в операторной форме имеют вид:
(3)
Производя ряд очевидных преобразований и решая систему (2) относительно , получим линейное неоднородное дифференциальное уравнение второго порядка
(4)
где коэффициенты представляют собой сложные функции характерных параметров и оператора p:
Используя граничные условия (3), найдем решение (4) в виде
(5)
где операторы
(6)
(7)
(8)
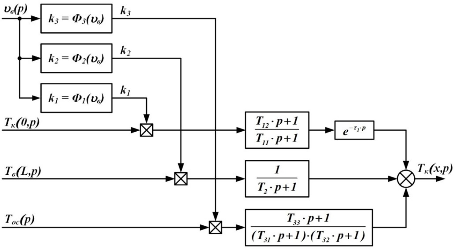
Операторы , , в (5) являются трансцендентными функциями. Использование математического описания такого типа при синтезе систем управления затруднительно. В связи с этим, учитывая наиболее очевидную конфигурацию системы управления, которую возможно внедрить в данном случае, осуществим аппроксимацию в точке выхода керамзита из холодильника (т. е. при ) при некоторых фиксированных значениях скорости . Используя аппарат логарифмических амплитудно-фазовых частотных характеристик, выполним переход к типовым передаточным функциям [8]. Рассмотрим случай, характеризующийся параметрами процесса (см. таблицу).
Параметры технологического процесса охлаждения керамзита в барабанном холодильнике
Параметр | Единица измерения | Численное значение | Параметр | Единица измерения | Численное значение |
L | м | 20 | cк | Дж/(кг·°C) | 840 |
Vк | м3 | 10 | cв | Дж/(кг·°C) | 1005 |
Vв | м3 | 60 | α | Вт/(м2·°C) | 36.5 |
F | м2 | 190 | kк | Вт/(м2·°C) | 10 |
Fк | м2 | 50.2 | kв | Вт/(м2·°C) | 7.4 |
Fв | м2 | 81.7 | υк | м/с | 0.008 |
ρк | кг/м3 | 600 |
| ||
ρв | кг/м3 | 1.2 | |||
В результате аппроксимации найдены типовые формы передаточных функций , , , наиболее приближенные к исходным трансцендентным , , в сечении, соответствующем точке выгрузки керамзита из холодильника:
;
;
,
где передаточные функции без учета коэффициентов передачи
(9)
(10)
(11)
Следует отметить, что значения постоянных времени остаются неизменными в рассматриваемом диапазоне вариации параметров, а коэффициенты передачи , , функционально зависят от скорости движения воздуха :
(12)
Коэффициенты передачи определены для относительного отклонения скорости воздуха () от номинальной величины общеизвестным методом по значениям логарифмических амплитудных частотных характеристик, соответствующих передаточным функциям , , при нулевой частоте. В качестве рабочей принята скорость воздуха м/с. Зависимость численных значений рассматриваемых коэффициентов от величины приращения скорости воздуха приведена на рис. 2. Анализ полученных характеристик показывает, что коэффициент при уменьшении скорости на 5 % от номинальной возрастает на 15 %, а при увеличении скорости на ту же величину снижается на 12.9 %. Коэффициент имеет аналогичную тенденцию, но при этом уменьшение скорости приводит к его росту лишь на 1.6 %, а увеличение скорости – к снижению на 4.3 %. Для коэффициента имеет место рост при увеличении скорости движения воздуха, однако в рассматриваемом диапазоне его приращение составляет менее 1 %, поэтому он может считаться постоянным. Параметрическая неопределенность, выраженная в виде существенной вариации коэффициента , очевидно, усложняет управление рассматриваемым объектом и должна быть учтена при разработке системы автоматизации процесса охлаждения керамзита для достижения робастной устойчивости [9, 10].
Рис. 2. Зависимость численных значений коэффициентов передачи k1, k2, k3 от величины приращения скорости движения воздуха υв
Постоянные времени и время запаздывания в передаточных функциях , , составляют: с, с, с, с, с, с, с.
Основной методикой теоретического исследования объектов управления и последующего синтеза систем автоматизации, которая позволяет в удобной форме представить взаимосвязи операторов математической модели и дает возможность упростить решение задачи настройки регуляторов с заранее установленными показателями качества работы, является структурная теория. Воспользуемся выражениями (9)–(12) и построим структурную схему (рис. 3) математической модели процесса охлаждения керамзита в барабанном холодильнике, которая позволит оценить динамику выходной координаты в сечении .
Вычислительные эксперименты по исследованию объекта управления
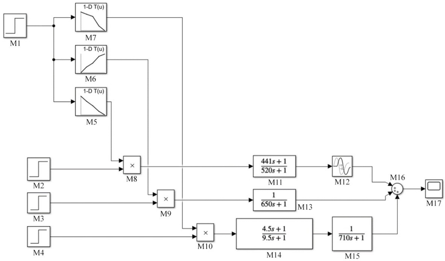
На основании структурной схемы (см. рис. 3) в программной среде Matlab Simulink создана вычислительная модель (рис. 4), которая позволит определить численные решения и представить результаты в удобной для анализа форме. Потребуем, чтобы модель обеспечивала возможность проведения экспериментов по исследованию временных характеристик объекта управления по отношению к управляющему и возмущающим воздействиям.
Блоки М1, М2, М3 и М4 обеспечивают возможность скачкообразного изменения скорости υв и температур , , соответственно. С их помощью производится вывод объекта в рабочую точку и задание приращений управляющего и возмущающих параметров для исследования динамики в малой окрестности рабочей точки. Блоки М5, М6, М7 соответствуют нелинейным функциям , , , связывающим коэффициенты , , со скоростью воздуха υв. Множительные блоки М8, М9, М10 аналогичны операторам умножения структурной схемы. С помощью блоков М11, М12, М13, М14 и М15 задаются передаточные функции , , . Причем блок М12 позволяет учесть величину времени запаздывания в передаточной функции . Формирование выходной величины как суммы выходных сигналов обозначенных передаточных функций осуществляется с помощью блока М16. Для наблюдения переходных процессов в объекте управления введен осциллограф М17.
Рис. 3. Структурная схема математической модели процесса охлаждения керамзита в барабанном холодильнике как объекта управления
Рис. 4. Вычислительная модель процесса охлаждения керамзита в барабанном холодильнике при рассмотрении выходной координаты в сечении x=L
Выполнено исследование реакции объекта на управляющее и основное возмущающее воздействия – скорости движения охлаждающего воздуха вдоль оси и температуры керамзита, поступающего в барабан. При проведении экспериментов наблюдалась динамика выходной координаты – температуры керамзита на выходе из холодильника.
Проведение вычислительных экспериментов осуществлялось в определенной последовательности согласно следующей методике. На первом этапе процесс охлаждения керамзита был выведен в рабочую точку с координатами: скорость движения воздуха м/с, температура керамзита на входе °C, температура воздуха на входе °C, температура окружающей среды °C.
После того как все переходные процессы завершились, к моменту времени с величина температуры керамзита на выходе барабана составляла °C. При исследовании реакции объекта на изменение управляющего воздействия в момент времени скорость была ступенчато увеличена на и составила . Проведено четыре эксперимента с различными величинами приращений скорости : , , , . На рис. 5 представлены графики переходных процессов по отношению к приращению .
По аналогичной методике выполнены эксперименты при вариации возмущающего воздействия путем ступенчатого изменения в момент температуры керамзита на входе в барабан . Приращения температуры составили , , , . Переходные процессы, отражающие реакцию объекта на изменения возмущений, приведены на рис. 6.
Рис. 5. Переходные процессы в объекте управления по отношению к управляющему воздействию: 1 – Δυв=0.1υв0; 2 – Δυв=0.05υв0; 3 – Δυв=-0.05υв0; 4 – Δυв=-0.1υв0
Рис. 6. Переходные процессы в объекте управления по отношению к возмущающему воздействию: 1 – ΔТк.вх=0.1Тк.вх0; 2 – ΔТк.вх=0.05Тк.вх0; 3 – ΔТк.вх=-0.05Тк.вх0; 4 – ΔТк.вх=-0.1Тк.вх0
Преимущественно для тепловых установок рассматриваемого типа существенное значение имеет вид кривой изменения температуры обрабатываемых материалов по продольной координате, который при проектировании систем управления может влиять на выбор количества датчиков и мест их установки. Для адекватного решения этой задачи применительно к последующей автоматизации процесса охлаждения керамзита целесообразно построить график распределения температуры по координате x при различных скоростях движения охлаждающего воздуха (рис. 7).
Рис. 7. Распределение температуры керамзита Тк по координате х при различных скоростях υв
Построим статическую характеристику объекта управления путем соотнесения установившихся значений выходной координаты с величинами управляющих и возмущающих воздействий из технологически обоснованного диапазона (рис. 8). Такая трехмерная поверхность представляет собой нелинейную функцию и в практике эксплуатации барабанного холодильника может использоваться как регулировочная характеристика, которая позволит определить требуемую скорость υв движения охлаждающего воздуха для получения заданной температуры керамзита на выходе холодильника при определенном значении температуры материала на входе установки.
Рис. 8. Регулировочная характеристика барабанного холодильника
Полученные результаты исследований динамических и статического режимов работы рассматриваемого объекта управления позволяют судить об адекватности разработанного математического описания, а также могут быть использованы при проектировании систем автоматизации керамзитового производства и использованы в практике эксплуатации установок рассматриваемого типа.
Выводы
- Проведен анализ процесса охлаждения обожженного керамзита в барабанном холодильнике, который показал, что рассматриваемый технологический передел может быть классифицирован как объект управления с распределенными по продольной координате параметрами.
- Разработано математическое описание процесса охлаждения керамзита как объекта управления в виде системы неоднородных дифференциальных уравнений в частных производных первого порядка и их краевых условий.
- Найдено частное решение системы уравнений для случая, соответствующего реальным технологическим условиям на керамзитовом производстве, и получены математические операторы, отражающие динамику процесса.
- Для удобства использования полученных результатов при автоматизации произведена аппроксимация трансцендентных функций типовыми динамическими звеньями, на основании чего создана структурная схема, проблемно ориентированная на создание систем управления производством керамзита.
- Проведен ряд вычислительных экспериментов по исследованию динамических и статических режимов работы объекта управления. Полученные результаты позволяют судить об адекватности разработанной математической модели и могут упростить синтез систем управления, повысить качество настройки их регуляторов, сократить временные затраты на их проектирование.
About the authors
Maxim A. Nazarov
Samara State Technical University
Author for correspondence.
Email: nazarovm86@yandex.ru
(Ph.D. (Techn.)), Associate Professor, Dept. of Mechanization, Automation, and Energy Supply in Construction
Russian Federation, 244, Molodogvardeyskaya str., Samara, 443100Konstantin S. Galitskov
Samara State Technical University
Email: ksgal@yandex.ru
(Ph.D. (Techn.)), Associate Professor, Head of Dept. Mechanization, Automation, and Energy Supply in Construction
Russian Federation, 244, Molodogvardeyskaya str., Samara, 443100References
- Gorin V.M., Tokareva S.A., Vytchikov Yu.S., Belyakov I.G., Shiyanov L.P. Primenenie stenovyh kamnej iz bespeschannogo keramzitobetona v zhilishnom stroitelstve [The use of wall blocks made of sand-free expanded clay concrete in residential construction] // Stroitelnye materialy. 2010. № 2. P. 15–18. (In Russian)
- Gorin V.M., Tokareva S.A., Kabanova M.K. Stenovye keramzitobetonnye konstrukcii – perspektivnyj material dlya industrialnogo domostroeniya [Wall structures made of expanded clay concrete are a promising material for industrialized housing construction] // Stroitelnye materialy. 2011. № 3. P. 55–58. (In Russian)
- Ledyajkin A.S., Liyaskin O.V. Perspektivy primeneniya keramzita v Rossii [The prospects for the use of expanded clay in Russia] // Aktualnye voprosy arhitektury i stroitelstva: Sbornik trudov semnadcatoj Mezhdunarodnoj nauchno-tehnicheskoj konferencii. Saransk, 2018. P. 196–199. (In Russian)
- Galitskov K. Intelligent management of high-technology equipment for the manufacture of concrete and ceramic materials and products // Integration, Partnership and Innovation in Construction Science and Education: Proceedings VI International Scientific Conference. MATEC Web of Conferences. 2018. P. 03043. doi: 10.1051/matecconf/201825103043.
- Galitskov S., Galitskov K., Samokhvalov O. Computer modeling of the dynamics of energy consumption during expanded clay burning // Complex Systems: Control and Modeling Problems: Proceedings 21st International Conference. Samara, 2019. P. 401–406. doi: 10.1109/CSCMP45713.2019.8976656.
- Onackij S.P. Proizvodstvo keramzita [The production of expanded cla]. 3-e izd., pererab. i dop. M.: Strojizdat, 1987. 333 p. (In Russian)
- Nazarov M.A. Matematicheskoe opisanie barabannogo holodilnika kak obekta avtomatizacii proizvodstva keramzita [Mathematical Description of a Drum Cooler as an Object of Automation in the Production of Expanded Clay] // Mehanizaciya i avtomatizaciya stroitelstva: sbornik statej. Samara, 2021. P. 75–80. (In Russian)
- Nazarov M.A. Approksimaciya matematicheskoj modeli barabannogo holodilnika dlya proizvodstva keramzita kak obekta upravleniya s raspredelennymi parametrami [Approximation of the Mathematical Model of a Drum Cooler for the Production of Expanded Clay as a Distributed Parameter Control Object] // Tradicii i innovacii v stroitelstve i arhitekture: sbornik statej. Samara, 2023. P. 892–898. (In Russian)
- Polyak B.T., Sherbakov P.S. Robastnaya ustojchivost i upravlenie [Robust Stability and Control]. M.: Nauka, 2002. 303 p. (In Russian)
- Zotov M.G. Robastnye i adaptivnye sistemy [Robust and Adaptive Systems] // Avtomatika i telemehanika. 2015. № 2. P. 61–72. (In Russian)
Supplementary files










