Devised Technology for Wireless Power Transmission
- Autores: Al-Rawi M.1
-
Afiliações:
- Institut Teknologi Bandung
- Edição: Volume 32, Nº 4 (2024)
- Páginas: 53-68
- Seção: Information Technology and Communications
- URL: https://journal-vniispk.ru/1991-8542/article/view/310301
- DOI: https://doi.org/10.14498/tech.2024.4.4
- EDN: https://elibrary.ru/MHUWHI
- ID: 310301
Citar
Texto integral
Resumo
Wireless charging of gadgets is one of the most emerging technologies in the world today. The most common method currently used is wireless power transfer through inductive coupling. Wireless power transfer is one of the simplest and cost-effective ways of charging, as it eliminates the need for conventional copper cables and current-carrying wires. In this paper, a methodology and principle of operation are devised for wireless power transfer through inductive coupling, and a feasible design is modeled accordingly. The inductive coupling technique is chosen because it is currently the easiest method of wireless power transfer, offering high efficiency and the ability to transfer a large amount of energy. This paper presents the results of experiments conducted to verify the wireless power transfer functionality. Additionally, to demonstrate its versatility and range of applications, the transferred power is used to charge a battery with the aid of additional circuitry. We also study the effect of placing obstacles between the transmitter and receiver to determine its potential as an alternative in the medical industry, such as for charging pacemakers. This research focuses on the study of wireless power transfer for the purpose of transferring energy at maximum efficiency within a small range or in the near-field region.
Palavras-chave
Texto integral
Introduction
If we are using an electronic device, perhaps a mobile phone, and we need to recharge the battery then we will probably have to get a charger and connect the phone to the wire. But what if we could charge it without having to connect it to wire? meaning power will be transferred wirelessly. This is possible through a concept called Wireless Power Transmission (WPT). Research and studies have been done ever since the 19th century but it is only recently that this concept has begun to be implemented [1–5].
Currently, engineers are trying to discover how to increase the efficiency of power transmitted wirelessly and also methods that are safe to human beings and the environment and notwithstanding, methods that are cheaper and hence can be commercially viable. Though still in the early stages, several electronic companies are beginning to roll out devices that can wirelessly transmit power [6–10].
WPT is based on the principle of electromagnetic induction. Electromagnetic induction works on the concept of a primary coil generating a predominantly magnetic field and a secondary coil being within that field so a current is induced within its coils. This causes the relatively short range due to the amount of power required to produce an electromagnetic field [11–15].
This paper seeks to eliminate the use of wires in the transmission of power from the source to the device to be powered. Although WPT is based on electromagnetic induction, there are various methods that are used. Some are less efficient than others and costly while others do not allow for a longer range of transmission. In this paper, it is required to design and construct an electronic device that shall transmit power within a small range. The device can then be used to charge batteries for devices like pace makers.
In the paper, a suitable method is used to ensure that enough power is transmitted wirelessly so that it can then charge batteries. The major challenge is in the coupling circuit which comprises of the coils where electromagnetic induction occurs.
1. Methods and materials
1.1. General principle of design
The general principle of operation is designed using inductive coupling and ensuring that the power transfer is as efficient as possible and the transfer within the near field. The design also ensures for purposes of versatility and optimization of the battery charging circuit is energy efficient and prevents losses. The circuit is divided into two sections; transmitter circuit, and receiver circuit
The transmitter circuit comprises of the power supply, boost converter, royer oscillator and the copper laminated coils. The receiver side has the receiver coil, rectifier, Liquid Crystal Display (LCD), Atmega 328 microcontroller and the switching circuit that uses the CD4066. Fig. 1 shows the block diagram of the design.
Fig. 1. Block diagram of the design
AC power is supplied from the mains and fed to the power supply. It is stepped down and then rectified to give DC power. The DC voltage is then passed through the voltage regulator (LM7805) so as to give a constant 5V DC. This DC signal is however not enough to cause a significant to create a large emf that causes the induction. The 5V is then fed to the DC boost converter to raise the voltage to 30V. The 30V now becomes the input to the royer oscillator circuit. The oscillator then converts the received DC voltage to AC power with a high frequency.
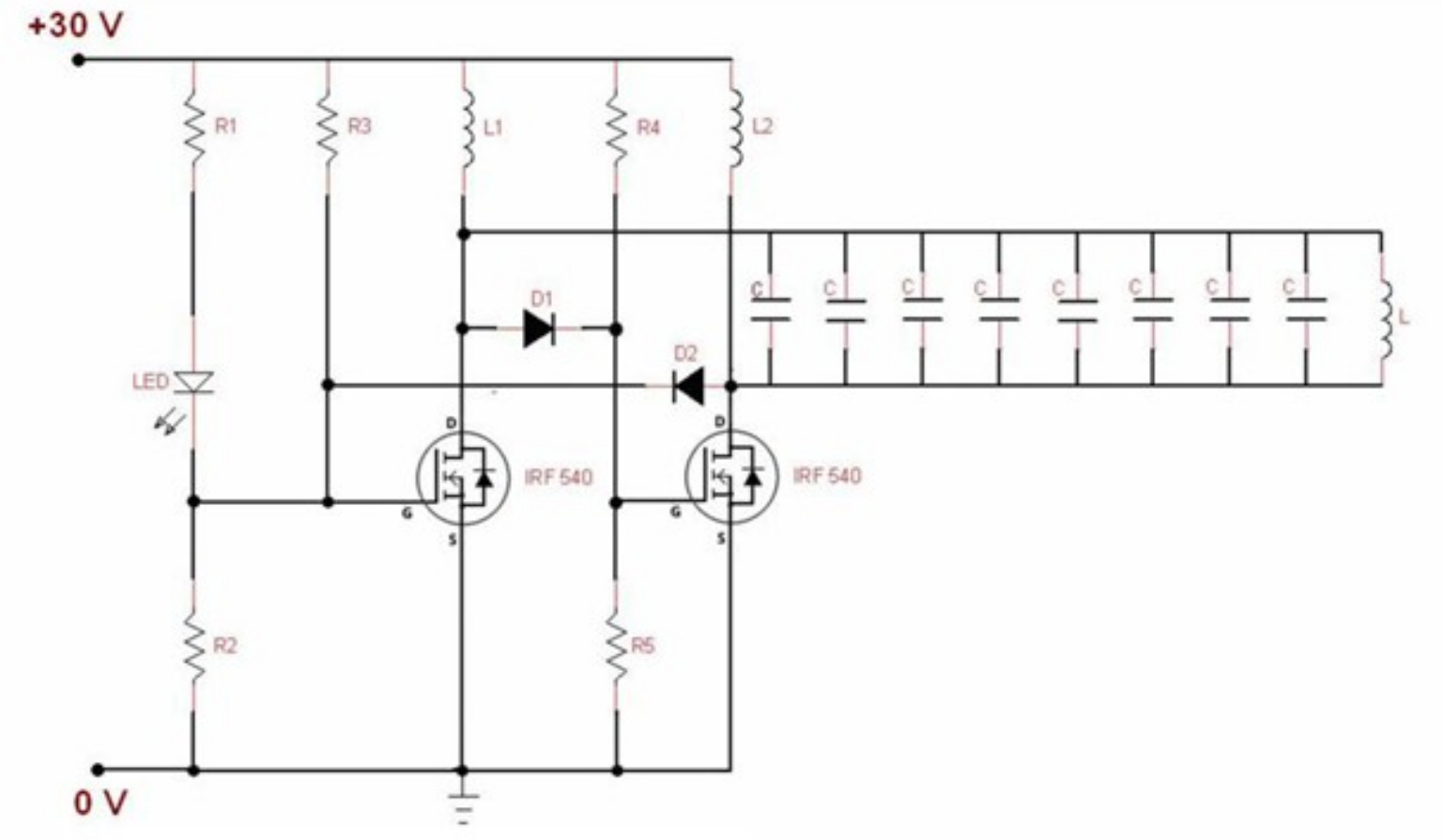
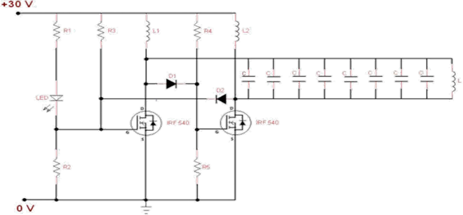
The transistor (MOSFET) causes a large current which is then supplied to the transmitting copper coil. The diagram in Fig. 2 shows the circuit of the transmitter section.
Fig. 2. Transmitter section circuit
The transmitter circuit section has two power MOSFETs (IRF540) which are biased using the resistors R1, R2, R3, R4. There is also a choke made up of inductors L1 & L2. The 8 capacitors C operate as resonating capacitors to ensure the coils are at resonant frequencies. Oscillators have feedback, in the case of the royer oscillator negative feedback. The two diodes D1 & D2 thus provide the cross coupled feedback required. The transmitter coil L which is basically an inductor is where the electromagnetic induction occurs. The coil used in this case is gauge 26. When power is given to the oscillator circuit, the DC current starts flowing through the two sides of the coil (L1&L2) and also to the drain terminals of the MOSFET. During the same instant, voltage appears on gate terminal of both the transistors and tries to turn ON the transistors. Any one of the transistor will be faster than the other and it will turn ON first.
When Q1 turns on first, its drain voltage will be clamped to near ground. Meanwhile Q2 will be in the off state. Once Q2 is in the conduction state, its drain voltage begins rising steadily to peak and then immediately begins to drops due to the tank circuit formed by the capacitor C and the primary coil of oscillator through one half cycle. The operating frequency of the oscillator is determined by the resonance formula given below
(1)
In the receiver side, the circuit is as shown in Fig. 3.
Fig. 3. Receiver circuit
When the receiver coil is placed within the near field range from the transmitter coil, the magnetic field in the transmitter coil extends and it induces an AC voltage which generates a current flow in the receiver coil of the wireless charger. The transmitted AC voltage is then fed to the rectifier which converts it to DC. A capacitive filter is used to eliminate any ripples. The rectified voltage is fed to the voltage regulator LM7805 to ensure that the voltage is regulated and constant. The output is regulated 5V DC. This power then goes to power the microcontroller, LCD and the CD4066 switch.
1.2. Hardware and software components
1.2.1. Hardware
1.2.1.1. Power supply
The power supply circuit is shown in Fig.4.
Fig. 4. Power supply
The oscillator needs 30V DC supplied. The power supply unit used however gives an output of 5V DC. The power supply contains a transformer that stepped down the 230V AC supplied from the mains to 9V AC. A full-wave bridge rectifier then rectified the 9V AC. Full wave bridge rectifier is preferred over the half wave bridge rectifier since, for the half wave rectifier, a large capacitor will be required to hold up the voltage during the gap whereby an AC cycle is skipped.
The bridge rectifier has an efficiency of 80% hence the rectified output is less than the input. The output received is 7.2V DC. This voltage however is still erratic and pulsating thus a smoothening capacitor is required. The smoothening capacitor supplies charge when the rectifier voltage falls thus evening out any fluctuations by the signal. The smoothened DC voltage is then fed to the voltage stabilizer LM7805 which ensures a stable output voltage of 5V.
1.2.1.2. DC - DC boost converter
This is required since the voltage required to be fed into the oscillator is 30V yet from the power supply unit only 5V is being achieved. To step up to 30V, we use the switching regulator shown in Fig. 5.
Fig. 5. Switching regulator
This switching regulator can operate in the continuous or the discontinuous mode so that the output voltage is higher. It consists of the following components: an inductor, capacitor, switching device, diode, and the input voltage source. The switch is usually controlled by a pulse width modulator. A potentiometer is also available that regulates the output voltage. In the continuous mode, the switch conducts and thus the current through the inductor is ramped up. When the switch is turned off, the voltage at point 4 in Fig.5 rises rapidly. This is because the inductor is attempting to maintain the current at a constant. The diode in turn goes on and thus the inductor dumps the current into capacitor C3 resulting in more energy being generated and thus a higher output voltage than the input voltage.
1.2.1.3. Royer oscillator
Oscillators are systems that consist of both passive and active components of a circuit which then generate sinusoidal waveforms or repetitive waveforms. Oscillator circuits generate waveforms without the aid of external inputs. They convert the DC supply power source to AC power which is supplied to a load. For this design, we use a royer oscillator as shown in Fig. 6. This oscillator belongs to the relaxation oscillators classification since its output is non-sinusoidal.
Fig. 6. Oscillator circuit
The capacitors turn the oscillator into a harmonic oscillator that outputs sine waves. This oscillator has two parts. The first part is a relaxation oscillator. It is connected as an astable multi vibrator which converts the DC power fed into it. It then converts the received DC power to a high frequency AC power. This part generates square waves which are the input of the second part which is the power amplifier. These waves are the input at the gate terminal of the power MOSFET.
The second part is the power amplifier. The gate of the first MOSFET is driven by the signal generated at the oscillator part. This MOSFET provides the voltage and the current needed to drive the gate of the second MOSFET. When the second MOSFET turns on, it allows a large current from the DC signal to flow to the transmitting coil. The large current generates a large flux which then induces a high voltage to the receiving coil.
1.2.1.4. Full-wave bridge rectifier
The transmitted current received on the receiver side is AC. However, for purposes of charging the battery, DC is needed hence the need for rectification. In the design, a full wave bridge rectifier instead of a half wave rectifier is used. It is basically a full wave rectifier but uses four diodes instead of two which then form arms that are the bridge rectifier.
1.2.1.5. Microcontroller unit
A simple definition of the microcontroller is a computer on a chip. The microcontroller enables the work to be a standalone system which is able to produce varied reactions to various situations according to preset controls. The microcontroller in this paper is the Atmega-328 microcontroller.
The system is required to alert the user if a load is in place, calculate and display the level of charge, start the charging if needed and finally cut the charging when the load is fully charged. To do these actions on its own, the microcontroller needs to be loaded with a program to enable it execute all these actions.
1.2.1.6. LCD screen
In this paper, a display screen is used to show various aspects of the work. Internally, the LCD is made up of a thin layer of liquid crystals sandwiched between two layers of transparent electrode glass sheets. The nature of the glass sheets determines the type of the LCD screen. If both glass sheets are transparent then the LCD is transmissive and if one sheet has a reflective coat then the cell will be reflective. The liquid crystal molecules are able to twist, therefore changing slightly the amount of light penetration resulting in different characters being displayed on the screen. The display unit for this paper is a 16X2 LCD as shown in Fig. 7.
Fig. 7. 16X2 LCD
This means that the screen can display a maximum of 16 characters on one line and there are two lines where the characters can be displayed. The LCD used is HITACHI 44780. It is connected to the Atmega-328 microcontroller as shown in Fig. 8. A potentiometer is connected to control the brightness of the LCD. The LCD model used has additional pins 15 and 16 that are used to turn the backlight on.
Fig. 8. LCD & Atmega-328 connection
1.2.1.7. Switching circuit
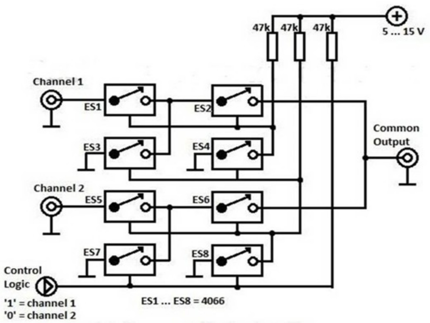
When the charging is complete, it is important to cut supply to the load so that power is conserved. The switching off of the circuit is achieved by the IC Cd 4066. Conventional switching circuit components such as the relay are not possible in this situation because of the lower power produced after transmission. Had a relay been used in the circuit, there would not have been enough power for the relay to work and therefore the switch will not work.
The CD 4066 is a low power multiplexing switch circuit which is an ideal replacement for mechanical switches. The IC has a bandwidth of around 8MHz, current consumption of 1 mA but it requires a high level power supply voltage since the input impedance of the circuit drops with higher voltage levels. The circuit cuts supply to the load once the batteries are full so that power is not lost unnecessarily. The multiplexer switch diagram is shown in Fig. 9.
Fig. 9. Multiplexer switch
1.2.2. Software
1.2.2.1. USBasp
This is a Universal Serial Bus (USB) based programmer for the microcontroller used for burning hex files into AVR microcontroller. In order to program any microcontroller, we need the hex file or the sketch which is the machine code for the microcontroller. This file is generated by the corresponding assembler software, which converts programming code into machine code. Programming code can be produced by third party cross compiler software, such as arduino.
To transfer program using it, one end is connected to the computer that has assembler software and code. The other end is then connected to a 6-pin or a 10-pin cable. From this cable, female to female pins can be used which can then easily be hooked to a breadboard. Regardless of whether the 6-pin cable or 10-pin cable is used, only 6 pins will be in use, these are the Master in Slave Out(MISO), Serial Clock(SCK), Target AVR MCU Reset(RST), Power(VTG), Master Out Slave In(MOSI), and Common Ground(GND) connections.
1.2.2.2. Programming language
A programming language is a constructed language designed to communicate instructions to a machine. They are used to create programs that control how a machine functions in different circumstances. The work in this paper is done in assembler language. This is a low level programming language for a microcontroller or other programmable device. The assembler language has a very strong association with the architecture of the microcontroller hence a good understanding of the microprocessor architecture is required when programming using assembler.
During the programming process the flowchart in Fig. 10 is used so that the code could be developed in segments and then combined to function as one.
Fig. 10. Code flowchart
2. Results and discussions
2.1. Results
The main objective of the paper is to develop a device for wireless power transfer. The device has to be an electronic circuit. The achievement of this objective is further broken down into specific objectives which all together aided the development of the device. The other objectives are as follows:
- Design and assemble a power supply unit. The power supply is to step down 230V AC supplied by the mains to 12V AC high frequency. The 12V AC is then to be rectified to give 5V DC.
- Step up the DC supply. Using a boost converter, the DC voltage is raised to 30V DC.
- Design and assemble an appropriate oscillator. For this paper, a royer oscillator is found to be most suitable.
After assembling and fabricating the components on the veroboard. The above three objectives formed the transmitter module. When assembled and fabricated, it is as depicted in Fig. 11.
Fig. 11. Components on the Veroboard
- Develop transmitter and receiver coils. Electromagnetic induction occurs between these two coils and an emf generated on the TX coil that induces a current on the RX coil. The coils are embedded on the fabricated casing of the modules. However they are as in Fig. 12.
Fig. 12. Imbedded coils
- Design the receiver module and rectify the AC voltage received on the receiver coil. The rectifier is needed to output DC power which is used to power other components.
- Designing a battery charging circuit. The transmitted power is to be used to charge a battery so as to further demonstrate the application of wireless power transmission in the modern world. 13 illustrates the fabrication of the device.
Fig. 13. Fabrication
2.2. Analysis and discussion
2.2.1. Coils
To test if power is transmitted, we first solder an LED to the receiver coil. The test is successful with only 5V DC powering the oscillator. However, the power is too to energize the battery charging circuit that comprised of an LCD and microprocessor. The voltage is stepped up using a boost converter to 30V DC. Two receiving coils are used and each has an LED lamp. They both lit brightly. We then add a set of LEDs and the results are as in Fig. 14 and Fig. 15.
Fig.14. LED 1
Fig. 15. LED 2
In the above figure, the receiving coils are not separated from the transmitter coil. However, as the distance of separation increases, the brightness reduces. This proves that indeed the distance of separation determines the current induced in the receiver coil. As distance increases, less current is induced from the change of flux. The test LED bulbs lit brightest up to a separation distance of 5cm between the two coils after which their brightness reduced significantly.
Also, different gauges of the coil are used to determine which is more effective. Currently, in the market the most common are gauge 26 and gauge 16. It is noted that for the coils of gauge 16, the distance of separation between the coils has to be shorter and also the brightness of the bulb is less than for the gauge 26.
Various objects are placed between the receiver and the transmitter coil to test if the shielding would have an effect on the power being transmitted. It is observed that this did not have any significant effect on the power that is transmitted. However when a magnetic material is placed in between the coils it had an effect.
2.2.2. Oscillator
The royer oscillator is chosen because of its simplicity yet powerful design. It is capable of generating very high oscillating current which is necessary to increase the strength of the magnetic field. This is achieved by the semi-conductor used. In this case, the IR 540 power MOSFETS. However, due to the large current, heating occurred in the MOSFETs thus heat sinks are attached to them.
When the voltage is stepped up to 30V DC, upon doing the initial test, the transmitter circuit did not oscillate yet the first MOSFET is rapidly heating up. It is discovered that due to voltage being fed rising too slowly on power up, a short circuit occurs. To solve this issue, a reset switch is introduced between the power supply and the oscillator circuit. The switch also enabled the circuit to be reset once the MOSFETs heated up.
It is also observed that as much as the voltage to the oscillator had been stepped up, the power being received on the load coil is not enough to power the battery charging circuit. This is attributed to the receiver coil being slightly out of resonance thus it is not able to receive the power well. To solve this, we ensure that the coils have the same number of turns and the capacitors used are identical so that both the transmitter and receiver circuits have the same resonant frequency.
2.2.3. Battery charging circuit
The battery charging circuit consists of the rectifier which converts the AC power to DC, an Atmega-328 microcontroller, a 16X2 LCD and a CD4066 switch. This part is largely controlled by the microcontroller. Initially a relay is used as the switch once the battery is full. However, it is drawing more current and thus acts as load. The CD4066 become a better alternative as it consums less current and also is less bulky as compared to the single channel relay.
One of the challenges with modern chargers is that once charging is complete; there is no notification to the user to stop the charging. To solve this, a buzzer is used so that once the charging is complete it sounds. However, this means the input signal has to be driven at the same frequency as that of the buzzer and also it consumes more power. An Red-Green-Blue (RGB) LED is instead used. Its operation is coded and loaded to the microcontroller.
It is observed that, once the battery starts charging, it heavily loaded the rectifier voltage and caused it to drop significantly. The battery internal resistance is suspected to be the major cause of this.
Conclusion
The objectives of the paper were met. An electronic device that wirelessly transmits power and then charges batteries was developed. We were able to design discrete components such as the royer oscillator, coils and a full bridge voltage rectifier for the system design process. Conclusions that were drawn from the paper are as follows:
- Based on the theory of wireless charging via inductive coupling, which was the method used in the paper, it was seen that various aspects i.e. distance, resonant frequency, quality factor; coil turns ratio determine the efficiency of WPT. In addition, there is an exponential decay for power versus the distance of separation.
- From the analysis, it was seen that at 0cm separation distance, the power transfer was most efficient as seen by the brightness of the test lamps.
- From the paper, WPT for short range or near field occurred up to a distance of 5cm after which the power transferred began to significantly drop.
- It can also be concluded that WPT can be used in other applications. In the paper, we were able to charge a 9V battery from power that was transmitted wirelessly.
- Lastly, we can conclude that WPT is not affected by non-magnetic materials shielding the two coils. This therefore means that it can be effectively used in the medical field to charge pacemakers and other devices.
Sobre autores
Muhanned Al-Rawi
Institut Teknologi Bandung
Autor responsável pela correspondência
Email: muhrawi@yahoo.com
(Ph.D. (Techn.)), Assistant Professor, School of Electrical Engineering and Informatics
Indonésia, 10, Jalan Ganesa, Coblong, Kota Bandung, 40132, Jawa BaratBibliografia
- Choudhary V., Singh S. Wireless power transmission: An innovative idea // International Journal of Educational Planning & Administration. 2011. Vol. 1, No. 3. P. 203–210.
- Parmar Y., Patel A., Shah J. Review paper on wireless power transmission // International Journal of Scientific Research Engineering & Technology. 2015. Vol. 4, Issue 11. P. 1171–1173.
- Das S. Review paper on wireless power transmission for charging mobile devices // International Journal of Engineering and Computer Science. 2017. Vol. 6, Issue 3. P. 20751–20755. doi: 10.18535/ijecs/v6i3.62.
- Muthu J., Jarugumalli S., Sabapathy S. An efficient wireless power transmission for future transport system // International Journal of Pure and Applied Mathematics. 2018. Vol. 119, No. 14. P. 1145–1151.
- Zhang Z., Pang H., Georgiadis A., Cecati C. Wireless power transfer – An overview // IEEE Transactions on Industrial Electronics. 2019. Vol. 66, Issue 2. P. 1044–1058. doi: 10.1109/TIE.2018.2835378.
- Saji M. Review Paper on Wireless Power Transfer // International Journal of Trend in Scientific Research and Development. 2023. Vol. 7, Issue 4. P. 144–147.
- Liu W., Chau K.T., Tian X., Wang H., Hua Z. Smart wireless power transfer – opportunities and challenges // Renewable and Sustainable Energy Reviews. 2023. Vol. 180, Issue C. doi: 10.1016/j.rser.2023.113298. EDN: KPKZJV.
- Wang Y., Qiao J., Du J., Wang F., Zhang W. A view of research on wireless power transmission // The International Conference on Mechanical, Electric and Industrial Engineering (MEIE2018). 2018. 26–28 May, Hangzhou, China. doi: 10.1088/1742-6596/1074/1/012140.
- Hui S.-Y.R., Yang Y., Zhang C. Wireless Power Transfer: A Paradigm Shift for the Next Generation // IEEE Journal of Emerging and Selected Topics in Power Electronics. 2023. Vol. 11, No. 3. P. 2412–2427. doi: 10.1109/jestpe.2023.3237792. EDN: YKJKZA.
- Xu F., Wong S.-C., Tse C.K. Inductive power transfer system with maximum efficiency tracking control and real-time mutual inductance estimation // IEEE Trans. Power Electron. 2022. Vol. 37, No. 5. P. 6156–6167. doi: 10.1109/tpel.2021.3126884. EDN: ZXTYWZ.
- Tang X., Zeng J., Pun K.P., Mai S., Zhang C., Wang Z. Low-cost maximum efficiency tracking method for wireless power transfer systems // IEEE Trans. Power Electron. 2018. Vol. 33, No. 6. P. 5317–5329. doi: 10.1109/TPEL.2017.2726085.
- Liu Y., Madawala U.K., Mai R., He Z. An optimal multivariable control strategy for inductive power transfer systems to improve efficiency // IEEE Trans. Power Electron. 2020. Vol. 35, No. 9. P. 8998–9010. doi: 10.1109/TPEL.2020.2970780. EDN: WMKNPP.
- Zhong W., Hui S.Y.R. Charging time control of wireless power transfer systems without using mutual coupling information and wireless communication system // IEEE Trans. Ind. Electron. 2017. Vol. 64, No. 1. P. 228–235. doi: 10.1109/TIE.2016.2598725.
- Rahman M., Shanto S., Sarker N. A comprehensive review of wireless power transfer methods, applications, and challenges // Engineering Reports. 2024. Vol. 6, Issue 10. doi: 10.1002/eng2.12951. EDN: SIQEBF.
- Singh S., Hasarmani T.S., Holmukhe R.M. Wireless transmission of electrical power overview of recent research & development // International Journal of Computer and Electrical Engineering. 2012. Vol. 4, No. 2. P. 207–211. doi: 10.7763/IJCEE.2012.V4.480.
Arquivos suplementares

















