Automatic compensation of thermodeformation interferences in information and measurement systems of spacecraft
- Authors: Borodulin B.B.1, Livshits M.Y.1
-
Affiliations:
- Samara State Technical University
- Issue: Vol 33, No 2 (2025)
- Pages: 48-62
- Section: Electronics, Photonics, Instrumentation and Communications
- URL: https://journal-vniispk.ru/1991-8542/article/view/310316
- DOI: https://doi.org/10.14498/tech.2025.2.3
- EDN: https://elibrary.ru/LSJJAC
- ID: 310316
Cite item
Full Text
Abstract
The efficiency of the operation of information-measuring systems of spacecraft, and primarily optical systems, depends on the thermal deformations of the supporting structure on which they are placed. Small angular thermo-deformation displacements of the optical axes, caused by the non-uniformity of the temperature field of the supporting structure, lead to significant linear deviations of the measurement points due to the distance of the measurement objects from the spacecraft’s orbit. The article discusses the dynamic characteristics of the automatic temperature field stabilization systems of the supporting structure of a small spacecraft under the influence of external and internal disturbances typical for objects of this type.
Full Text
Введение
Рассматривается малый орбитальный космический аппарат (КА), на несущей конструкции (НК) которого размещена информационно-измерительная система (ИИС), содержащая тепловыделяющую аппаратуру, включающую оптические приборы. На рис. 1 схематично представлены фрагменты отсека КА, который включает в себя следующие элементы:
- внешний защитный кожух с многослойной изоляцией;
- несущая конструкция;
- ИИС, содержащая тепловыделяющую информационно-измерительную аппаратуру, включающую пассивные и активные оптические системы (ОС) – зеркала, фотоаппаратуру, линзы.
Рис. 1. Общий вид отсека космического аппарата: а – отсек в сборе; б – размещение аппаратуры в КА; в – размещение ИИС на НК; г – НК в сборе
Значительную долю в общей измерительной информации составляет информация, полученная от оптических компонентов ИИС. Оптические системы КА широко используются в различных областях, например в сельскохозяйственном, природоохранном и экологическом мониторинге.
Для проведения измерений в защитном кожухе имеются люки, которые открываются и закрываются в ходе работы ОС. При открытии люков НК нагревается солнечными лучами (прямыми или отраженными) или охлаждается космическим пространством. Это вместе с локальными тепловыделениями ИИС вызывает термодеформацию НК и с учетом расстояния КА от объекта измерений является источником значительной погрешности ОС. Так, например, угловое смещение оптической оси на 1 градус вызывает линейное смещение изображения точки съемки относительно оригинала на поверхности Земли более чем на 8,7 км при высоте орбиты КА 500 км.
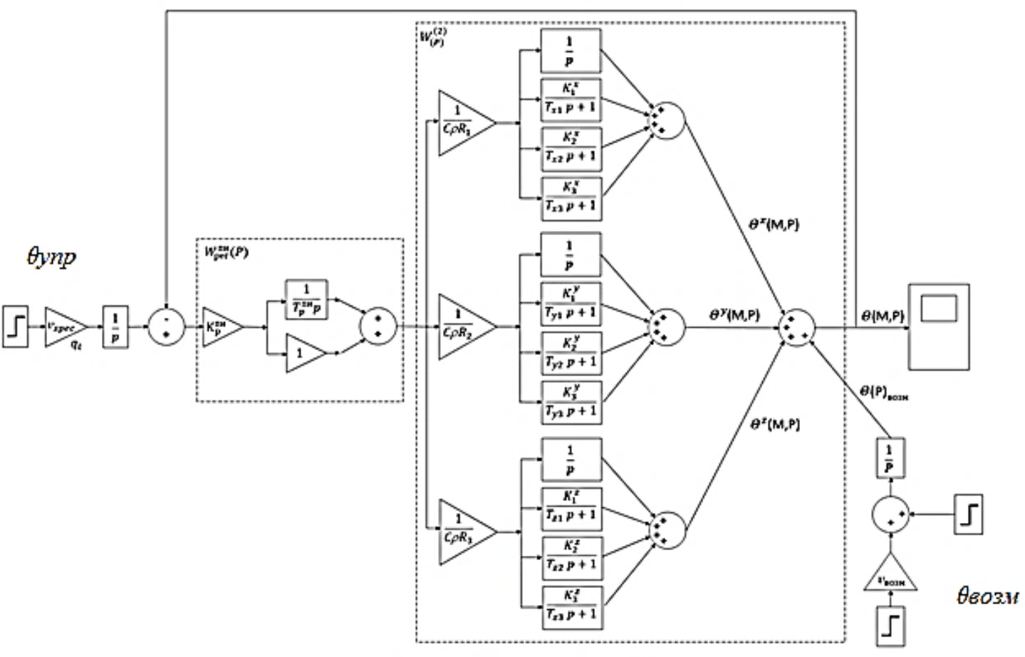
С целью уменьшения погрешности показаний ОС ИИС разработана система автоматической термоградиентной стабилизации (СТГС) температуры НК КА [1]. СТГС состоит из локальных автономных систем автоматического управления (САУ) температурой в контрольной точке НК (рис. 2) с помощью управляемых теплоисточников (УИТ).
Рис. 2. Фрагмент структурной схемы стабилизации температурного поля
Исполнительный элемент УИТ представляет собой теплорассеивающую подложку размером 30×10 мм, на которую крепятся пленочные электронагреватели размером 20×20 мм и термодатчики размером 5×5 мм. Коэффициент передачи термодатчика входит в передаточную функцию объекта управления .
Система управления температурным полем
Принцип управления температурным полем иллюстрируется структурной схемой САУ (рис. 2). Каждая локальная САУ представляет собой следящую систему, замкнутую по отклонению управляемой температуры, например для k-ой точки НК – Tk. График изменения температуры задания каждой k-й локальной САУ задается управляющим модулем бортового компьютера по специальному алгоритму [2], учитывающему изменение градиента температурного поля НК в ходе эксплуатации ИИС КА. На рис. 3 показано расположение элементов УИТ на НК. Количество и место установки элементов УИТ выбрано таким образом (по 32 шт. на двух сторонах НК), чтобы наилучшим образом обеспечивать равномерное распределение температур по объему НК в заданном диапазоне [7, 8, 10, 12, 19].
Рис. 3. Расположение элементов УИТ на НК
Математическая модель объекта управления
Математическую модель ОУ, содержащую однородное параболическое уравнение и неоднородные краевые условия, для удобства дальнейшего использования при синтезе и анализе САУ с помощью аппарата передаточных функций целесообразно представить в отклонениях температурного поля в НК от начального значения в форме неоднородного уравнения теплопроводности [2–4]
(1)
и однородных краевых условий
(2)
(3)
со стандартизирующей функцией:
. (4)
Здесь , , , , , – обобщенные тепловые потоки на соответствующие грани НК, – дельта-функция Дирака.
В составе обобщенных потоков , в качестве компонент содержатся тепловые потоки и , соответствующих УИТi, размещенных симметрично на противоположных гранях и НК.
Эти потоки представляют собой дискретно распределенные управляющие воздействия, причем для каждой i-й контрольной точки, совмещенной с i-м УИТ, остальные j-е потоки qi j-х УИТ, являются возмущениями.
В силу того, что для рассматриваемой математической модели объекта управления управляющие воздействия и возмущения представляют собой потоки тепла на гранях НК, т. е. формируют граничные условия 2-го рода, температурное поле рассматриваемой краевой задачи представляется суммой температурных полей соответствующих одномерных пластин:
. (5)
Здесь , , – решение трех одномерных задач:
, , ; (6)
, ; (7)
, ; (8)
, ; (9)
, , ; (10)
, ; (11)
, ; (12)
, ; (13)
, , ; (14)
, ; (15)
, ; (16)
, . (17)
Передаточную функцию для каждой из компонент , , в (5) можно получить, используя преобразование Лапласа функций Грина для вспомогательных краевых задач (6)–(17), предполагая управляющими и возмущающими воздействиями соответствующие тепловые потоки, источниками которых являются УИТ, тепловыделяющая аппаратура ИИС, прямые и отраженные потоки тепла через открытые люки кожуха. Функции Грина для каждой из одномерных краевых задач (6)–(17) имеют вид [3, 4]:
; (18)
; (19)
. (20)
Здесь , , – собственные числа, полученные решением соответствующей задачи Штурма – Лиувилля каждой краевой задачи (6)–(17) для граничных условий 2-го рода. Трансформанта Лапласа функций Грина (18)–(20) примет следующий вид:
;
(21)
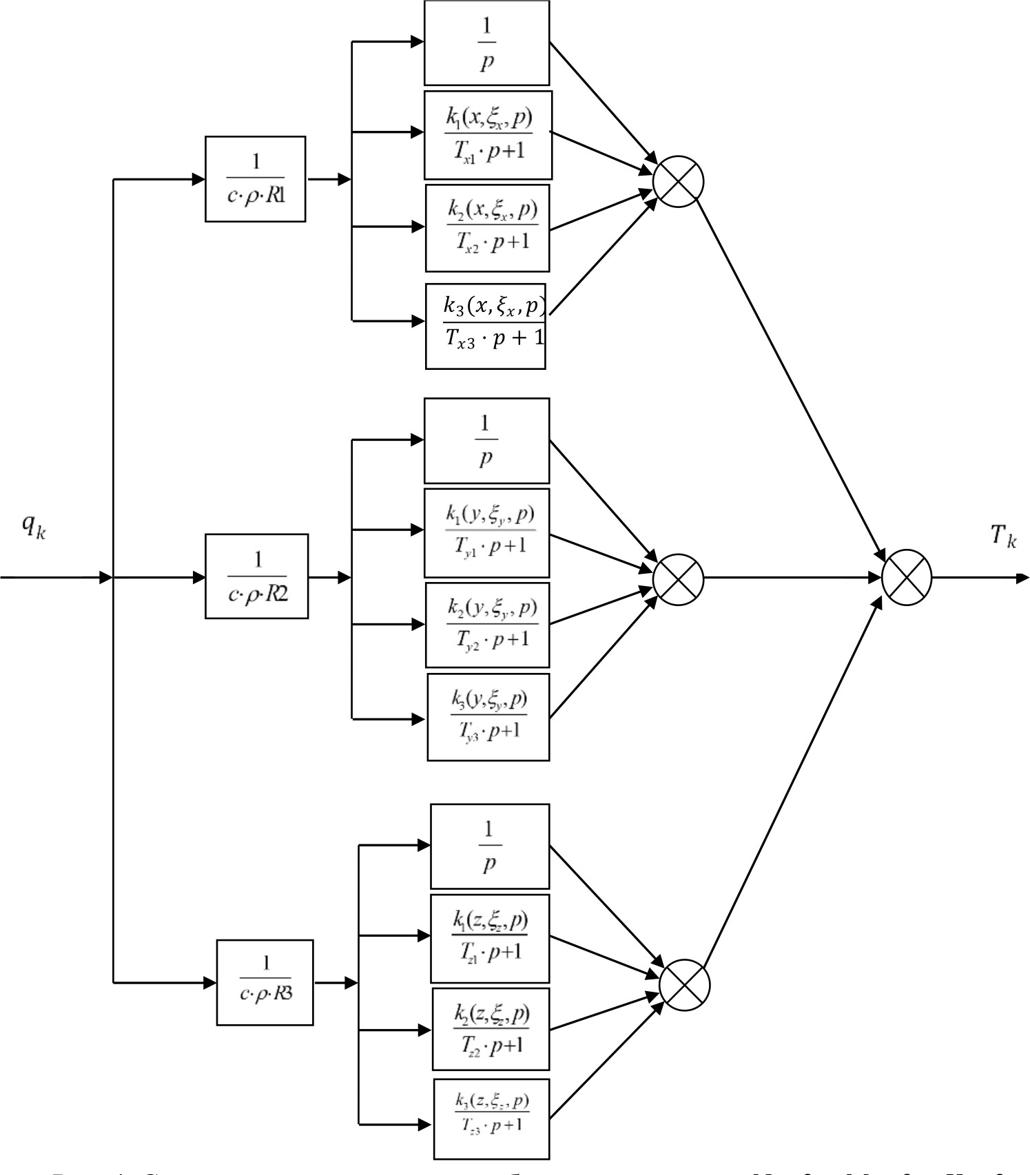
Тогда с учетом (5) рассматриваемый объект управления с распределенными параметрами допускает структурное представление по каждой координате x, y, z в виде параллельного соединения интегрирующего звена и бесконечного числа типовых апериодических звеньев и для любых двух точек N (x, y, z) и имеет передаточную функцию , если рассматривать все компоненты , кроме и , в качестве неконтролируемых возмущений [13–15, 17, 18]:
. (22)
Ограничивая бесконечные ряды в (22) тремя первыми членами N=3, M=3, K=3, получим структурное представление объекта управления [4].
На рис. 4 коэффициенты
, ;
, ;
,
и постоянные времени
; ;
определяются согласно (21), (22), .
Рис. 4. Структурное представление объекта управления N=3, M=3, K=3
Очевидно, в силу наличия в передаточной функции объекта управления интегрирующего звена (22) объект управления и соответственно передаточная функция разомкнутой каждой локальной САУ имеют первый порядок астатизма даже в случае выбора пропорционального регулятора . Однако динамический характер возмущений соседних локальных САУ (например, m-й САУM на САУK), которые проходят через астатическое звено , имеющее такую же структуру, как и (рис. 5), а также сложный динамический характер других возмущений от тепловыделяющей аппаратуры требуют для удовлетворительной работы САУ как минимум второго порядка астатизма . Поэтому в качестве регулятора целесообразно использовать пропорционально-интегральный (ПИ) регулятор или пропорционально-интегрально-дифференциальный регулятор (ПИД).
Моделирование реакции САУ на динамические возмущения
В условиях существенных допущений приближенные значения коэффициентов динамических ошибок для медленно меняющихся возмущений получены в ряде работ [1, 5-6, 9, 11, 16] путем разложения в ряд Маклорена передаточной функции соответствующей ошибки. Однако допущения в определении этих коэффициентов и сложность передаточных функций, их высокий порядок делают погрешность в определении этих коэффициентов недопустимо большой. Поэтому для расчета параметров регулятора САУ и анализа ее статических и динамических свойств использован раздел Simulink программного пакета Matlab. На рис. 5 представлена схема моделирования САУ температурой одной из точек контроля для определения настроек ПИ-регулятора и в линейной области работы САУ в программной среде Matlab в разделе Simulink. Модель каждой k-й САУ по управлению и по возмущению согласно структурным схемам (см. рис. 2, 4) имеет вид, представленный на рис. 5.
Рис. 5. Расчетная схема моделирования локальной САУ с ПИ-регулятором
С помощью коэффициента корректируется скорость изменения входного сигнала, а с помощью – сигнала возмущения.
Настройка параметров регулятора производится с помощью программного модуля Simulink системы Matlab из условия удовлетворения заданным показателям качества САУ: перегулирование %, степень затухания %, невязка температуры за заданное время регулирования ºК. При этом необходимо обеспечить в установившемся режиме работы САУ нулевую статическую ошибку для возмущения в форме функции Хевисайда.
На рис. 6 представлены результаты моделирования переходного процесса в САУ по возмущению: а) при единичном ступенчатом входном сигнале УИТ ; б) при линейно нарастающем сигнале УИТ со скоростью К/с.
Рис. 6. Результаты моделирования переходного процесса в САУ по возмущению: а – переходный процесс по возмущению в точке 1; б – реакция САУ с ПИ-регулятором на возмущение при линейно нарастающем сигнале управления в точке 1
Параметры ПИ-регулятора определены в программе Simulink , .
Для сравнения на рис. 7 представлены результаты моделирования переходного процесса по возмущению в той же САУ с ПИД-регулятором: а) при единичном ступенчатом входном сигнале ; б) при линейно нарастающем входном сигнале К/с.
Рис. 7. Результаты моделирования переходного процесса в САУ по возмущению с ПИД-регулятором: а – переходный процесс по возмущению в точке 1; б – реакция САУ с ПИД-регулятором на возмущение при линейно нарастающем сигнале управления в точке 1
Параметры ПИД-регулятора: , , , .
На рис. 8 представлены реакции САУ на возмущение с увеличенной скоростью сигнала управления до 2K/c.
Рис. 8. Реакции САУ на возмущение с увеличенной скоростью сигнала управления до 2K/c: а – реакция САУ на возмущение с ПИ-регулятором; б – реакция САУ на возмущение с ПИД-регулятором
На рис. 9 представлена реакция САУ на возмущение с ПИ и ПИД регулятором со скоростью изменения входного сигнала 5 К/c.
Рис. 9. Реакция на возмущение: а – САУ с ПИ-регулятором; б – САУ с ПИД-регулятором
На рис. 10 представлена реакция САУ на возмущение при скорости изменения входного сигнала 10 К/c.
Рис. 10. Реакция САУ с ПИ-регулятором по возмущению: а – САУ с ПИ-регулятором; б – САУ с ПИД-регулятором
На рис. 11 представлены графики зависимости перерегулирования от скорости изменения сигнала возмущения .
Рис. 11. Зависимость перерегулирования σ от скорости изменения сигнала возмущения : а – САУ с ПИ-регулятором; б – САУ с ПИД-регулятором
Заключение
В ходе моделирования выявлены зависимости качественных показателей системы автоматического управления температурным полем несущей конструкции космического аппарата от характерных динамических возмущений. Полученные результаты позволят планировать управление работой информационно-измерительной системы и не проводить оптические измерения до достижения установившихся процессов при стабилизации температурного поля несущей конструкции.
About the authors
Boris B. Borodulin
Samara State Technical University
Author for correspondence.
Email: borodulinbb@gmail.com
Ph.D. (Techn.), Associate Professor, Dept. of Management and System Analysis of Thermal Power and Sociotechnical Complexes
Russian Federation, 244, Molodogvardeyskaya str., Samara, 443100Mikhail Yu. Livshits
Samara State Technical University
Email: mikhaillivshits@gmail.com
Dr. Sci. (Techn.), Professor, Head of the Department of Management and System Analysis of Thermal Power and Sociotechnical Complexes
Russian Federation, 244, Molodogvardeyskayа st., Samara, 443100References
- Livshic M.Yu., Borodulin B.B., Nenashev A.V., Saveleva Yu.O. Avtomaticheskaya kompen-saciya termodeformacij nesushchih konstrukcij kiberfizicheskih informacionno-izmeritel'nyh system [Automatic Compensation of Thermal Deformations of Load-Bearing Structures of Cyber-Physical Information-Measuring Systems] // Matematicheskie metody v tekhnologiyah i tekhnike. 2021. № 3. P. 51–54. doi: 10.52348/2712-8873_MMTT_2021_3_51. (In Russian)
- Borodulin B.B., Livshits M.Yu., Korshikov S.E. Optimization of Temperature Distributions in Critical Cross-sections of Load-bearing Structures of Measurement Optical Systems of Autonomous Objects // MATEC Web of Conferences. 2017. Vol. 92. P. 01053.
- Butkovskij A.G. Teoriya optimalnogo upravleniya sistemami s raspredelennymi parametrami [Theory of Optimal Control of Systems with Distributed Parameters]. M.: Nauka, 1965. 476 p. (In Russian)
- Rapoport E.Ya. Strukturnoe modelirovanie obektov i sistem upravleniya s raspredelennymi parametrami: ucheb. posobie [Structural Modeling of Objects and Control Systems with Distributed Parameters]. M.: Vyssh. shk., 2003. 299 p. (In Russian)
- Borodulin B.B. Algoritm avtomaticheskoj kompensacii termodeformacij teplonagruzhennyh nesushchih konstrukcij [Algorithm for Automatic Compensation of Thermal Deformations of Heat-Loaded Load-Bearing Structures] // Vestnik Samarskogo gosudarstvennogo tekhnicheskogo universiteta. Seriya: Tekhnicheskie nauki. 2021. V. 29, № 4 (72). P. 6–19. doi: 10.14498/tech.2021.4.1. (In Russian)
- Livshic M.Yu., Derevyanov M.Yu., Davydov A.N., Kopytin S.A. Stabilizaciya temperaturnogo polya nesushchih konstrukcij avtonomnyh obektov [Temperature Field Stabilization of Load-Bearing Structures of Autonomous Objects Temperature Field Stabilization of Load-Bearing Structures of Autonomous Objects] // Trudy devyatoj Vserossijskoj nauchnoj konferencii s mezhdunarodnym uchastiem «Matematicheskoe modelirovanie i kraevye zadachi». 2013. № 2. P. 47–51. (In Russian)
- Li L., Wang X., Zhang L. Thermal Effects for Optical System and Design of an Analysis Program // Journal of Beijing Institute of Technology. 2000. Vol. 20, № 1. P. 112–114.
- Klebanov Ya.M., Karsakov A.V., Honina S.N. i dr. Kompensaciya aberracij volnovogo fronta v teleskopah kosmicheskih apparatov s regulirovkoj temperaturnogo polya teleskopa [Wavefront Aberration Compensation in Spacecraft Telescopes with Telescope Temperature Field Control] // Kompyuternaya optika. 2017. V. 41, № 1. P. 30–36. doi: 10.18287/0134-2452-2017-41-1-30-36. (In Russian)
- Topcheev Yu.I. Atlas dlya proektirovaniya sistem avtomaticheskogo regulirovaniya: ucheb. posobie dlya vtuzov [Atlas for Designing Automatic Control Systems: Textbook for Technical Universities]. M.: Mashinostroenie, 1989. 751 p. (In Russian)
- Di Loreto M., Damak S., Eberard D., Brun X. Approximation of linear distributed parameter systems by delay systems // Automatica. 2016. P. 162–168. doi: 10.1016/j.automatica.2016.01.065.
- Gogol I.V., Remizova O.A., Syrokvashin V.V., Fokin A.L. Robust Autonomous Control of a Multiply Connected Technological Object with Input Delays // Cyber-Physical Systems: Modelling and Intelligent Control. 2021. Vol. 338. doi: 10.1007/978-3-030-66077-2_7.
- Alifanov O.M. Identifikaciya processov teploobmena letatelnyh apparatov [Identification of Heat Exchange Processes of Aircraft]. M.: Mashinostroenie, 1979. 216 p. (In Russian)
- Grigolyuk E.I., Kuznecov V.K. Issledovanie teploobmena kosmicheskih apparatov [Heat Exchange Research of Spacecraft] // Issledovaniya po teorii plastin i obolochek. 1970. Vyp. 6–7. P. 76–89. (In Russian)
- Avduevskij V.S., Galicejskij B.M., Glebov G.A. i dr. Osnovy teploperedachi v aviacionnoj i raketno-kosmicheskoj tekhnike: uchebnik dlya aviacionnyh specialnostej vuzov [Fundamentals of Heat Transfer in Aviation and Rocket-Space Technology]. 2-e izd., pererab. i dop. M.: Mashinostroenie, 1992. 528 p. (In Russian)
- Dulnev G.N. Teplo- i massoobmen v radioelektronnoj apparature: uchebnik dlya vuzov [Heat and Mass Transfer in Radioelectronic Equipment]. M.: Vysshaya shkola, 1984. 247 p. (In Russian)
- Nenarokomov A.V., Vikulov A.G., Kraynova I.V., Kuznetsov V.E., Voroshko P.A., Kotyakhov A.A. Heat transfer mathematical model of satellite based on thermal tests and inverse problems technique // ESA Conference. Braunschweig, Germany, 2014. ESA SP-727.
- Vikulov A.G., Kuznecov V.E. Validaciya teplovoj modeli sostavnoj chasti kosmicheskogo apparata [Validation of Thermal Model of Spacecraft Component] // Sbornik trudov V Mezhdunarodnogo mezhotraslevogo molodezhnogo nauch-no-tekhnicheskogo foruma «Molodezh' i budushchee aviacii i kosmonavtiki-2013». 2013. (In Russian)
- Demenkov N.P., Mikrin E.A. Upravlenie v tekhnicheskih sistemah: uchebnik [Control in Technical Systems]. M.: MGTU im. Baumana, 2017. 456 p. (In Russian)
- Caplin S.V., Bolychev S.A., Mishagin B.S., Shemanaev D.V. Eksperimentalnye issledovaniya maketa optiko-teleskopicheskogo kompleksa kosmicheskogo apparata pri vozdejstvii teplovyh faktorov kosmicheskogo prostranstva v laboratornyh usloviyah [Experimental Studies of the Prototype of the Optical-Telescopic Complex of the Spacecraft under the Influence of Thermal Factors of Outer Space in Laboratory Conditions] // Vestnik SamGU. Estestvennonauchnaya seriya. 2014. № 7 (118). P. 134–144. (In Russian)
Supplementary files













