Identification of conditions for ultrasonic effect on gas-dispersed medium and creation of radiators to increase the efficiency of coagulation in devices with swirling flow
- Authors: Khmelev V.N.1, Nesterov V.A.1, Shalunov A.V.1, Terentyev S.A.1
-
Affiliations:
- Altay State Technical University
- Issue: Vol 335, No 10 (2024)
- Pages: 238-252
- Section: Articles
- URL: https://journal-vniispk.ru/2500-1019/article/view/271051
- DOI: https://doi.org/10.18799/24131830/2024/10/4463
- ID: 271051
Cite item
Full Text
Abstract
Relevance. The presence and uncontrolled distribution of aerosols of various substances in the air, which have a negative impact on humans, flora and fauna. This problem is especially acute in the extraction, processing and combustion of georesources. The most effective way to solve the problem is the use of high-intensity ultrasonic vibrations, the effect of which on aerosols causes convergence and agglomeration of small particles into large ones. However, at low concentrations, the particle coagulation efficiency is not sufficient to increase the recovery rate of gas treatment equipment. Therefore, there is a need to find new ways to optimize ultrasonic equipment for coagulation of fine particles in order to increase its efficiency.
Aim. To determine the optimal conditions for ultrasonic influence on a swirling gas-dispersed flow, ensuring maximum efficiency of agglomeration of highly dispersed particles. Carrying out comparative studies of coagulation of particles when exposed to ultrasonic fields generated by different types of radiators and their combined effects will make it possible to determine the effectiveness of ultrasonic coagulation and the optimal design scheme of ultrasonic exposure.
Objects. Coagulation of particles under ultrasonic impact, formed by various types of radiators.
Methods. Computer modeling of the generated ultrasonic field using the finite element method with the help of harmonic acoustic analysis. Finite element modeling and design of disk radiators using modal analysis. To determine the characteristics of the aerosol, a Malvern Spraytec Particle Analyzer was used.
Results. The results of calculations and experiments have shown that the use of an extended ultrasonic tubular radiator operating on a bending-diametric mode of vibration and forming a ring standing wave with a sound pressure level of 162–165 dB as the main source of ultrasonic impact for devices with swirling flows may be the most energy efficient. Further increase in the efficiency of coagulation can only be achieved by the combined action of a tubular radiator and a longitudinally oscillating radiator. This significantly modifies the field structure and provides not only an increase in the sound pressure level (up to 167 dB), but also in the number of formed nodal surfaces (up to 44).
Full Text
Введение
Основные усилия экологических служб направлены на обеспечение высококачественной очистки окружающего воздуха, загрязняемого промышленными производствами и техногенными природными явлениями. Обусловлено это тем, что наличие и неконтролируемое распространение в воздухе аэрозолей различных веществ оказывает негативное влияние на человека, флору и фауну [1, 2]. Особенно эта проблема стоит при добыче, переработке и сжигании георесурсов. Общепризнано, что наиболее опасными являются частицы размером 2,5 мкм и менее, поскольку дыхательная система вносит такие частицы в кровоток и накапливает токсический материал в органах человека [3, 4]. Это определяет исключительную важность поиска способов защиты людей и разработки систем очистки воздуха от мелкодисперсных аэрозолей.
Все существующие системы очистки (сепараторы) практически не улавливают частицы размером менее 2,5 мкм [5–8], а системы, способные улавливать такие частицы (фильтры и электрофильтры), характеризуются малой пылеёмкостью или работают с образованием очень вредных для окружающей среды и здоровья человека оксидов азота и озона.
Наиболее эффективным способом решения проблемы является применение ультразвуковых (УЗ) колебаний высокой интенсивности, воздействие которых на аэрозоли вызывает процессы сближения и агломерации мелких частиц в крупные. Этот процесс называется ультразвуковой агломерацией [9, 10]. Установлено [11–14], что кроме уровня давления, создаваемого УЗ-колебаниями, определяющим фактором для реализации механизмов взаимодействия частиц размером менее 2,5 мкм является расстояние между частицами, т. е. УЗ-воздействие эффективно только для относительно высоких счетных концентраций взвешенных частиц.
Очевидно, что для обеспечения ультразвуковой коагуляции частиц размером менее 2,5 мкм необходимо создавать условия для обеспечения максимальной эффективности воздействия. В частности, для обеспечения максимального уровня УЗ-давления предлагаются различные системы агломерации, использующие воздействия на аэрозоли в режиме стоячей волны. Наиболее эффективной следует признать опытно-промышленную установку, созданную Хуаном Гальего-Хуарес и др., сочетающую в себе электростатический осадитель и камеру акустической коагуляции, удаляющую субмикронные частицы (средний размер частиц 0,8 мкм) из потока дымовых газов [15]. К сожалению, в этой установке при малой концентрации частицы практически не взаимодействуют между собой даже в пределах узловых областей. По этой причине установка не нашла широкого промышленного распространения.
Таким образом, для дальнейшего повышения эффективности УЗ-коагуляции частиц размером менее 2,5 мкм необходимо создать конструктивную схему ультразвуковых агломераторов, способных не только обеспечивать увеличение амплитуды колебаний воздействия на частицы, но и формировать в поле ультразвукового воздействия локальные области с высокой концентрацией дисперсных частиц.
Известно, что образование областей с повышенной концентрацией частиц может быть обеспечено за счет формирования закрученного потока, заставляющего частицы двигаться к внешнему радиусу под действием центробежных сил [16, 17]. За счет локального повышения концентрации частиц во внешней области вихря расстояние между частицами будет уменьшаться и начнет возрастать эффективность УЗ-коагуляции. Конструктивные схемы коагуляторов, обеспечивающих формирование закрученных потоков, широко известны. В связи с этим дальнейшее повышение эффективности коагуляции частиц наиболее эффективно реализовать в устройствах с закрученными потоками.
Разработка ультразвуковых излучателей для агломерационных камер с закрученными потоками
Однако для реализации условий энергоэффективного ультразвукового воздействия необходимо обеспечить создание излучателей для повышения эффективности коагуляции в устройствах с закрученными потоками. Конструирование излучателей ультразвуковых колебаний, которые определят конечную эффективность агломерации частиц, необходимо осуществлять с учетом особенностей создаваемых камер, в которых будет осуществляться коагуляция (агломерация) частиц.
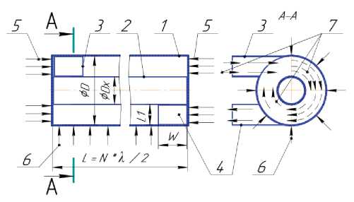
Ультразвуковое воздействие на дисперсные частицы наиболее эффективно осуществлять в закрученном потоке, поэтому наиболее правильным будет использование агломерационной камеры на основе горизонтального циклона. Особенность реализации такой камеры заключается в том, что для эффективной агломерации частиц внутри камеры необходимо создать равномерное ультразвуковое поле с максимально возможным уровнем звукового давления. Реализовать такое воздействие возможно только при помощи двух типов излучателей, способных формировать ультразвуковые колебания как с торцов агломерационной камеры, т. е. продольно вдоль оси камеры, так и с её боковой стенки, т. е. радиально. Конструктивная схема агломерационной камеры с указанными направлениями ультразвукового воздействия показана на рис. 1.
Рис. 1. Эскиз агломерационной камеры: 1 – корпус агломерационной камеры; 2 – вытеснитель; 3 – тангенциальный входной патрубок; 4 – тангенциальный выходной патрубок; 5 – продольное направление УЗ-воздействия; 6 – радиальное направление УЗ-воздействия; 7 – направление движения газовых потоков
Fig. 1. Sketch of agglomeration chamber: 1 – body of the agglomeration chamber; 2 – displacer; 3 – tangential inlet pipe; 4 – tangential outlet pipe; 5 – longitudinal direction of ultrasonic influence; 6 – radial direction of ultrasonic influence; 7 – direction of movement of gas flows
Для осуществления продольного ультразвукового воздействия к камере с торцов присоединяются ультразвуковые излучатели. Для формирования стоячей волны внутри камеры ультразвуковые излучатели расположены друг от друга на расстоянии L. Расстояние L должно быть кратно половине длины волны ультразвуковых колебаний на частоте воздействия в газовой среде. Кроме того, для обеспечения высокой равномерности УЗ-воздействия внутренний диаметр агломерационной камеры и диаметр ультразвукового излучателя должны совпадать.
Для практической реализации радиального ультразвукового воздействия сам корпус агломерационной камеры должен быть выполнен в виде ультразвукового излучателя, конструктивно представляющего собой трубчатый излучатель, колеблющийся на изгибно-диаметральной моде колебаний. В дополнение к этому для формирования стоячей диаметральной волны должно обеспечиваться следующее условие: расстояние L1 (разница между внутренним радиусом D/2 трубчатого излучателя и наружным радиусом вытеснителя Dx/2) должно быть кратно половине длины волны в газовой среде. Поэтому в дальнейшем при помощи моделирования акустического поля был определен диаметр вытеснителя Dx, обеспечивающий диаметральную стоячую волну.
Агломерационная камера работает следующим образом. Газодисперсный поток, поступает во внутреннюю полость корпуса – 1 (коагуляционную камеру) через тангенциальный входной патрубок – 3. Внутри камеры, в результате движения по спиральной траектории, под действием центробежных сил происходит расслоение закрученного газодисперсного потока и смещение дисперсных частиц к периферийной области потока, в направлении внешнего корпуса – 1. Газодисперсный поток, содержащий агломераты дисперсных частиц, покидает камеру через выходной патрубок – 4. Вытеснитель – 2 исключает попадание частиц в приосевую область, в которой центробежные силы малы и недостаточны для оттеснения частиц на периферию. При таких условиях частицы смещаются в узлы стоячей волны, в результате чего в узлах колебаний формируются зоны локального повышения концентрации. Это приводит к сближению частиц и образованию агломератов. В то же время увеличение размеров и повышение массы агломератов приводит к дальнейшему увеличению скорости смещения дисперсных частиц к периферийной области потока.
Далее рассмотрены конструкции ультразвуковых излучателей трех типов, способных формировать ультразвуковые колебания как с боковой стенки, т. е. радиально, так и с торцов агломерационной камеры, т. е. продольно вдоль оси камеры.
УЗ-излучатель для формирования радиального ультразвукового воздействия
Для воздействия на газодисперсный поток в радиальном направлении был разработан трубчатый излучатель, выполненный в виде полого цилиндра, колеблющегося на изгибно-диаметральной моде колебаний. Излучатель одновременно служит внешним корпусом агломерационной камеры. Определение акустических и геометрических параметров и расчет формы колебаний излучателя осуществлялся при помощи модального анализа в системе конечно-элементного моделирования (пакет Ansys). На рис. 2 представлена полученная по результатам расчетов конструкция трубчатого излучателя и форма его колебаний. На рис. 3, в показано фото изготовленного излучателя. Разработанный излучатель формирует изгибно-диаметральные колебания по всей длине, что позволяет создать регулярную равно-амплитудную структуру колебаний большой протяженности. Поэтому протяженность такого излучателя ограничена только затуханием колебаний в материале излучателя, мощностью пьезоэлектрического преобразователя и механической прочностью узла присоединения излучателя к пьезоэлектрическому преобразователю.
Рис. 2. Эскиз УЗ-излучателя с изгибно-колеблющейся трубой (а), форма колебаний (б) и фото (в): 1 – излучающий элемент в виде изгибно-колеблющегося полого цилиндра; 2 – концентратор пьезопреобразователя; 3 – пьезокерамические элементы; 4 – отражающая накладка; 5 – корпус; 6 – фланец; 7 – усиленная область для резьбового отверстия; 8 – область коррекции амплитуды торцов излучателя; L – длина излучателя; D1 – внутренний диаметр; D2 – внешний диаметр
Fig. 2. Sketch of an ultrasonic radiator with a bending-oscillating pipe (a), vibration shape (b) and photo (c): 1 – radiating element in the form of a bending-oscillating hollow cylinder; 2 – piezoelectric transducer concentrator; 3 – piezoceramic elements; 4 – reflective pad; 5 – body; 6 – flange; 7 – reinforced area for threaded hole; 8 – area for correction of the amplitude of the radiator ends; L – radiator length; D1 – inner diameter; D2 – outer diameter
Рис. 3. Эскиз УЗ-излучателя с изгибно-колеблющимся диском (а), форма колебаний (б) и фото УЗ-излучателя (в): 1 – излучающий элемент (диск или цилиндр); 2 – концентратор пьезопреобразователя (излучающая накладка); 3 – пьезокерамические элементы; 4 – отражающая накладка; 5 – корпус; 6 – фланец
Fig. 3. Sketch of an ultrasonic radiator with a bending-oscillating disk (a), vibration shape (b) and photo of an ultrasonic radiator (c): 1 – radiating element (disk or cylinder); 2 – piezoelectric transducer concentrator (radiating pad); 3 – piezoceramic elements; 4 – reflective pad; 5 – body; 6 – flange
Создание регулярной структуры колебаний позволяет использовать трубчатый излучатель как корпус агломерационной камеры либо как участок газохода с целью увеличения времени УЗ-воздействия на газодисперсный поток при минимальном гидравлическом сопротивлении.
УЗ-излучатели для формирования продольного ультразвукового воздействия
При продольном воздействии (с торцов агломерационной камеры) ультразвуковыми колебаниями на закрученный газодисперсный поток диаметр ультразвукового излучателя должен соответствовать внутреннему диметру агломерационной камеры. Поскольку в качестве корпуса агломерационной камеры выступает трубчатый излучатель (описанный в предыдущем разделе), диаметр проектируемых излучателей должен соответствовать внутреннему диаметру трубчатого излучателя. Для создания ультразвуковых колебаний с торцов агломерационной камеры в качестве излучающего элемента наиболее эффективно использовать известные изгибно-колеблющийся диск или продольно-колеблющийся цилиндр. На рис. 3 представлены эскизы, формы колебаний и фотографии излучателей.
В зависимости от типа излучающий элемент может быть выполнен в виде:
- диска (возможно, со ступенчато переменной толщиной), изгибно-колеблющегося на частоте, кратной основной частоте диска [18]. Поскольку излучатель работает на высших модах колебаний (для обеспечения частоты колебаний более 20 кГц), форма колебаний поверхности такого излучателя представляет собой последовательность изгибно-колеблющихся кольцевых участков, разделенных нулями колебаний (в виде окружностей).
Особенностью такого излучателя является то, что соседние кольцевые области диска (не имеющего изменений толщины вдоль радиуса) формируют равноамплитудные колебания в противофазе. Это обуславливает формирование поля со сложной структурой, в котором области, колеблющиеся в противофазе, расположены не только вдоль оси излучения и в направлении перпендикулярном ей. За счет этого может происходить снижение уровня звукового давления (взаимная компенсация). Одновременно с этим такая структура акустического поля способствует интенсивному развитию акустических течений, что положительно влияет на эффективность агломерации дисперсных частиц.
- цилиндра длиной, кратной половине длины волны УЗ-колебаний, совершающего продольные колебания [19]. При расчетах в качестве критерия неравномерности амплитуды колебаний было использовано относительное среднеквадратичное (стандартное) отклонение амплитуды колебаний точек торцевой поверхности, которое для данного излучателя составило не более 2 %. Диаметр обоих разработанных излучателей равен 120 мм. Резонансная частота дискового излучателя равна 22,5 кГц, а цилиндрического – 22,4 кГц.
Определение технических параметров УЗ-излучателей
Основными техническими параметрами созданных излучателей являются: амплитуда и частота колебаний, создаваемый уровень звукового давления (излучаемая акустическая энергия) и потребляемая электрическая мощность.
Измерения значений амплитуд колебаний, обеспечиваемых созданными излучателями, производилось при помощи электронного измерителя перемещений Shahe 5310-10 с точностью ±2 мкм. Измерения проводились вдоль диаметральной линии излучающей поверхности дискового и цилиндрического излучателей и по образующей линии цилиндрического излучателя. Измеренные распределения относительных амплитуд колебаний вдоль излучающих поверхностей всех используемых излучателей представлены на рис. 4. На этом же рисунке, для сравнения, представлены расчетные распределения колебаний, полученные при проектировании излучателей в системе Ansys.
Рис. 4. Распределения относительных амплитуд колебаний излучателей: а) изгибно-колеблющегося диска; б) продольно-колеблющегося цилиндра; в) диаметрально изгибно-колеблющейся трубы; непрерывная линия – расчетные зависимости; пунктирная линия – экспериментальные зависимости
Fig. 4. Distributions of relative vibration amplitudes of the radiators: a) flexural-oscillating disk; b) longitudinally oscillating cylinder; c) diametrically bending-oscillating pipe; continuous line – calculated dependencies; dotted line – experimental dependences
Из представленных зависимостей следует, что дисковый излучатель имеет две кольцевые зоны «нулей» колебаний, соответственно, он колеблется на второй кольцевой моде колебаний, при этом амплитуда колебаний в центре излучателя равна 35 мкм. Дисковый излучатель спроектирован таким образом, чтобы амплитуда колебаний в центре была меньше, чем в других кольцевых областях. Максимальная амплитуда колебаний кольцевых областей превышает 55 мкм и такое распределение обеспечивает снижение максимальных механических напряжений.
Анализ распределения амплитуд колебаний продольно-колеблющегося излучателя показал, что разница между минимальной и максимальной амплитудой колебаний фронтальной поверхности излучателя не превышает 5 %, при этом вся излучающая поверхность колеблется синфазно.
Анализ распределения амплитуд колебаний трубчатого излучателя показал, что в продольном сечении формируются изгибные колебания с восьмью «нулями» колебаний, при этом часть областей колеблется синфазно, а часть – в противофазе.
При анализе формы колебаний трубчатого излучателя в поперечном сечении было установлено, что в каждой кольцевой области, находящейся между «нулями» колебаний, формируются диаметрально-направленные колебания – диаметральная мода колебаний. Таким образом, в совокупности такой излучатель работает на изгибно-диаметральной моде колебаний. Анализ полученных данных показал, что расчетные и экспериментальные значения амплитуд колебаний различаются не более чем на 10 %. Это позволяет на практике использовать полученные (с помощью модального анализа в системе Ansys) распределения амплитуд колебаний.
В свою очередь, излучаемая акустическая мощность определялась как разница между полной потребляемой электрической мощностью излучателя и мощностью собственных потерь в излучателе. Мощность потерь определялась в вакуумной камере (остаточное давление 1000 Па). Проведенные исследования позволили определить основные технические характеристики разработанных излучателей (таблица).
Таблица. Технические характеристики ультразвуковых излучателей для газовых сред
Table. Technical characteristics of ultrasonic radiators for gaseous media
Параметр/Parameter | Значение/Value | ||
Тип излучающего элемента Type of radiating element | Диск Disc | Цилиндр Cylinder | Трубчатый Tubular |
Размеры излучающей поверхности, мм Dimensions of the radiating surface, mm | D=120 | D=120 | D2=136 D1=120 L=295 |
Частота колебаний, кГц Oscillation frequency, kHz | 22,5 | 22,4 | 22,2 |
Электрическая мощность, Вт Electrical power, W | 101 | 130 | 150 |
Амплитуда (размах) колебаний поверхности макс-мин, мкм Amplitude (peak to peak) of surface vibrations max-min, μm | 55–35 | 55–53 | 55–45 |
Акустическая мощность, Вт Acoustic power, W | 67 | 86 | 105 |
Далее на основании измеренных технических характеристик и полученных форм колебаний ультразвуковых излучателей было проведено моделирование формируемого созданными излучателями ультразвукового поля.
Определение параметров формируемого поля УЗ-колебаний в объеме коагуляционной камеры
Известно, что распределение уровня звукового давления в объеме агломерационной камеры является одним из основных факторов, определяющих эффективность УЗ0 коагуляции. Точное измерение распределения уровня звукового давления внутри агломерационной камеры затруднено, поскольку размеры измерительного микрофона сопоставимы с длиной волны УЗ-колебаний и вносят искажения в картину регистрируемого поля. Поэтому был проведен расчет распределения уровня звукового давления посредством конечно-элементного анализа в системе ANSYS. При этом использовался модуль гармонического акустического анализа Harmonic Acoustics.
При моделировании были установлены граничные условия на основе полученных экспериментальных данных о параметрах разработанных и изготовленных ультразвуковых излучателей (частота колебаний и распределение амплитуд колебаний излучающей поверхности). Поверхности внутренних стенок камеры заданы как отражающие границы с определенным уровнем поглощения. Путем сравнения результатов моделирования со значениями уровня звукового давления, измеренными экспериментально, определен уровень поглощения УЗ-колебаний стенками коагуляционной камеры, который составил 11 %. Это значение принято в дальнейших расчетах. Линейный размер элемента тетраэдральной сетки составил 3 мм.
На первом этапе был определен оптимальный диаметр вытеснителя, обеспечивающий установление кольцевой стоячей волны в коагуляционной камере для случая, когда в качестве излучателя будет использоваться только трубчатый излучатель. Начальное значение диаметра было выбрано равным 1/3 от внутреннего диаметра коагуляционной камеры [20]. Оптимальный диаметр вытеснителя определялся на основе результатов ряда акустических расчетов, при этом от расчета к расчету проводилась итерационная корректировка диаметра. Критерием оптимальности считалось обеспечение максимального уровня звукового давления при частоте воздействия, соответствующей собственной частоте разработанного и изготовленного излучателя 22,2 кГц.
На следующем этапе учитывалось как самостоятельное, так и дополнительное продольное УЗ-воздействие. При этом определялось расстояние между излучателями, обеспечивающими установление продольной стоячей волны. Излучатели каждого типа располагались в количестве двух штук с обоих торцов агломерационной камеры.
На рис. 5 приведены распределения уровня звукового давления, формируемого в коагуляционной камере, при использовании только дискового излучателя (а), только продольно-колеблющегося излучателя (б) и только трубчатого излучателя (в).
Рис. 5. Распределение уровня звукового давления в коагуляционной камере при использовании различных типов излучателей: дискового излучателя (а), продольно-колеблющегося излучателя (б) и трубчатого излучателя (в)
Fig. 5. Distribution of the sound pressure level in the coagulation chamber when using different types of radiators: disk radiator (a), longitudinally oscillating radiator (b) and tubular radiator (c)
Дальнейшие расчеты были направлены на анализ эффективности воздействия УЗ-колебаний на газовую среду при совместном использовании двух типов излучателей – трубчатого и по два излучателя одинакового типа с обоих торцов агломерационной камеры. При одновременном УЗ-воздействии тремя излучателями (трубчатый и два торцевых) расчет распределения поля УЗ-колебаний в камере производился с учетом принципа суперпозиции.
Далее проведены расчеты формируемого УЗ-поля при совместном воздействии различных типов излучателей (рис. 6).
Рис. 6. Распределение уровня звукового давления в коагуляционной камере при совместном использовании различных типов излучателей: изгибно-колеблющегося и трубчатого излучателя (а), продольно-колеблющегося и трубчатого излучателя (б)
Fig. 6. Distribution of the sound pressure level in the coagulation chamber when using different types of radiators together: flexural-oscillating and tubular radiator (a), longitudinally oscillating and tubular radiator (b)
В таблице представлены результаты расчетов параметров ультразвукового воздействия во всех исследованных вариантах.
Анализ полученных параметров УЗ-воздействия и распределений уровня звукового давления показал следующее:
- При использовании изгибно-колеблющегося излучателя (рис. 6, а) средний уровень звукового давления составил 158 дБ, при этом формируется регулярная структура изменения поля вдоль камеры, в которой пиковые значения достигают 174 дБ.
- Продольно-колеблющийся излучатель (рис. 6, б) обеспечивает высокую равномерность ультразвукового поля, в котором средний уровень звукового давления составил 165 дБ, и регулярную структуру изменений ультразвукового поля, в которых пиковые значения достигают 174 дБ. При этом формируется регулярная структура с образованием 44 узловых плоскостей. Пониженный средний уровень звукового давления в камере обусловлен взаимной компенсацией противофазных колебаний соседних областей.
- При использовании трубчатого излучателя (рис. 6, в) формируется регулярная структура изменений ультразвукового поля, при этом средний уровень звукового давления составил 169 дБ, пиковые значения достигали 184 дБ. За счет изгибно-диаметральных колебаний трубчатого излучателя формируется кольцевая стоячая волна с множеством узлов колебаний (36 узловых областей) – 6 узловых кольцевых поверхностей в поперечном направлении и 6 узловых плоскостей в продольном направлении.
- При одновременном воздействии трубчатым и изгибно-колеблющимся излучателями (рис. 7, а) на газовую среду уровень звукового давления составил 170 дБ, пиковые значения достигали 185 дБ. Структура формируемого УЗ-поля похожа на структуру поля при воздействии только трубчатым излучателем. Продольного резонанса практически не наблюдается.
Рис. 7. Зависимости степени укрупнения дисперсных частиц (кривая 1) и уровня звукового давления (кривая 2) от расстояния (L1) при использовании только трубчатого излучателя
Fig. 7. Dependences of dispersed particles coarsening degree (curve 1) and sound pressure level (curve 2) on distance (L1) when using tubular radiator
- При одновременном воздействии трубчатым и продольно-колеблющимся излучателями (рис. 7, б) уровень звукового давления составил 171 дБ, пиковые значения выше 185 дБ. Ярко выражен продольный резонанс. При этом структура формируемого УЗ-поля существенно изменилась. Одновременно с формируемой за счет изгибно-диаметральных колебаний трубчатого излучателя регулярной структурой при дополнительном воздействии продольно-колеблющимися излучателями формируется кольцевая стоячая волна, разделенная в поперечном направлении продольной стоячей волной с множеством узлов колебаний (264 узловых областей) – 6 узловых кольцевых поверхностей в поперечном направлении и 44 узловых поверхностей в продольном направлении.
Экспериментальная установка и измерительное оборудование
Экспериментальная установка состояла из агломерационной камеры, внешним корпусом которой служит трубчатый излучатель. Этто же излучатель использовался для создания ультразвукового воздействия в радиальном направлении. Для обеспечения воздействия ультразвуковыми колебаниями в продольном направлении (вдоль агломерационной камеры) использовалось два типа излучателей: или в виде изгибно-колеблющегося диска, или в виде продольно-колеблющегося цилиндра. Излучатели каждого типа располагались в количестве двух штук с обоих торцов агломерационной камеры. Для синхронизации частоты и фазы колебаний излучателей их питание осуществлялось от электронных генераторов с независимым возбуждением, имеющих общий задающий генератор и раздельные выходные усилительные каскады.
Внутри камеры был расположен вытеснитель, диаметр которого был предварительно рассчитан на предыдущем этапе. Для верификации проведенных расчетов размеров вытеснителя было изготовлено восемь образцов вытеснителей с разными внешними диаметрами от 37 до 58 мм, которые обеспечивают ширину кольцевого зазора (размер L1) в диапазоне от 31 до 41,5 мм. Для каждого изготовленного вытеснителя определялся уровень звукового давления в камере и степень укрупнения частиц. Степень укрупнения рассчитывалась как отношение среднего объемно-поверхностного диаметра частиц на выходе и среднего объемно-поверхностного диаметра на входе в камеру агломерации.
Входной патрубок обеспечивал тангенциальный ввод и формирование закрученного потока внутри агломерационной камеры. Скорость воздушного потока измерялась анемометром Kimo LV-110. Дисперсные частицы вводились в воздушный поток при помощи эжекционного диспергатора. В качестве дисперсного материала использовался диоксид кремния с начальными размерами частиц от 0,5–2 мкм марки Аэросил А 175. Измерение размеров частиц осуществлялось при помощи лазерного измерителя Malvern Spraytec. Уровень звукового давления измерялся шумомером-виброметром Экофизика-110А с микрофоном ВМК-401.
Обсуждение полученных результатов
На первом этапе были установлены оптимальные резонансные расстояния между излучателями (для продольного ультразвукового воздействия) и между трубчатым излучателем и вытеснителем/отражателем (для радиального ультразвукового воздействия) в реальных условиях. Критерием оптимальности являлось достижение максимального уровня звукового давления при формировании внутри камеры стоячей волны с максимальной амплитудой колебаний. Эффективность процесса коагуляции оценивалась по степени укрупнения частиц. Исследования проводились при следующих условиях: скорость газодисперсного потока – 5 м/с; концентрация – 1 г/м3; размер подаваемых частиц – 1 мкм. Полученные зависимости степени укрупнения частиц и уровень звукового давления от диаметра вытеснителя (от расстояния L1) для коагуляционной камеры, использующей только трубчатый излучатель, представлены на рис. 7.
Анализ полученных данных позволил установить, что максимальный уровень звукового давления и максимальная эффективность коагуляции обеспечивается при расстояниях (L1) равных 32,5 и 40 мм, т. е. при условии установления стоячей волны. При расстоянии 35–37 мм уровень звукового давления и одновременно с этим эффективность коагуляции падает до минимального значения. Вариация диаметра вытеснителя и, соответственно, площади поперечного сечения камеры практически не влияло на режим течения газа, однако привела к незначительному изменению эффективности коагуляции. При этом основным влияющим фактором является время УЗ-воздействия на газодисперсный поток.
Аналогичные исследования были проведены для определения оптимального расстояния между излучателями для конфигурации коагуляционной камеры с источником ультразвуковых колебаний в виде изгибно-колеблющегося дискового и продольно-колеблющего излучателей. Условия проведения эксперимента были аналогичными предыдущим, при этом расстояние между излучателями изменялось в пределах от 321 до 331,5 мм. В результате исследований получены следующие зависимости (рис. 8).
Рис. 8. Зависимости степени укрупнения дисперсных частиц (кривая 1) и уровня звукового давления (кривая 2) от расстояния (L) между продольно-колеблющимися (а) и дисковыми (б) излучателями
Fig. 8. Dependences of dispersed particles coarsening degree (curve 1) and the sound pressure level (curve 2) on the distance (L) between longitudinally oscillating (a) and disk (b) radiators
Анализ данных показал, что эффективность коагуляции зависит от структуры формируемого УЗ-поля и уровня звукового давления. Установлено, что максимальная эффективность коагуляции обеспечивается при расстояниях 322,5 и 330 мм.
На следующем этапе исследовалось влияние скорости газодисперсного потока на эффективность коагуляции при выявленных на предыдущем этапе геометрических параметрах коагуляционной камеры (диаметре вытеснителя) и расстоянии между излучателями. Экспериментальные исследования проводились при следующих условиях: скорость газодисперсного потока – от 0,8 до 7,4 м/с; концентрация – 1 г/м3; уровень звукового давления – 160 дБ; размер подаваемых частиц – 1 мкм; диаметр вытеснителя – 40 мм; расстояние между излучателем и отражателем – 322,5 мм.
В результате экспериментальных исследований получены зависимости степени укрупнения дисперсных частиц от скорости газового потока при использовании излучателей различных типов (рис. 9). Для сравнения приведены данные о степени коагуляции без УЗ-воздействия. Анализ полученных данных показал, что скорость газового потока существенно влияет на эффективность коагуляции. При этом степень влияния скорости на эффективность коагуляции зависит от нескольких факторов.
Рис. 9. Зависимости степени укрупнения дисперсных частиц от скорости газового потока: 1 – продольно-колеблющийся излучатель; 2 – дисковый излучатель; 3 – трубчатый излучатель; 4 – трубчатый+дисковый излучатель; 5 – трубчатый+продольно-колеблющийся излучатель; 6 – без УЗ-воздействия
Fig. 9. Dependences of dispersed particles coarsening degree on the gas flow velocity: 1 – longitudinally oscillating radiator; 2 – disk radiator; 3 – tubular radiator; 4 – tubular+disk radiator; 5 – tubular+longitudinally oscillating radiator; 6 – without ultrasonic impact
Из полученных зависимостей следует, что при увеличении скорости газового потока эффективность ультразвуковой коагуляции снижается за счет уменьшения времени УЗ-воздействия. При этом, напротив, при отсутствии УЗ-воздействия на газодисперсный поток увеличение скорости приводит к незначительному возрастанию эффективности коагуляции вследствие турбулизации потока.
При использовании поршневого излучателя увеличение скорости потока приводит к монотонному снижению эффективности коагуляции частиц.
При использовании дискового излучателя эффективность коагуляции начинает резко снижаться при скорости потока от 2,5 до 4 м/с.
Это связано с разрушением структуры акустических потоков, позволяющих перемещать частицы как в пределах узлов стоячей волны, так и между ними. За счет акустических потоков эффективность коагуляции частиц выше при использовании дискового излучателя в сравнении с эффективностью коагуляции, обеспечиваемой поршневым излучателем.
При использовании трубчатого излучателя также формируется стоячая волна с акустическими потоками, которые существенно повышают эффективность коагуляции. При этом за счет большей площади акустического воздействия интенсивность формируемых потоков выше. Поэтому увеличение скорости газодисперсного потока в диапазоне от 3,2 до 5 м/с приводит к резкому снижению эффективности коагуляции.
Дальнейшие исследования были направлены на определение влияния уровня звукового давления на эффективность коагуляции частиц. При этом исследования проводились при максимальной критической скорости газодисперсного потока, при которой эффективность коагуляции остается еще высокой. На предыдущем этапе было выявлено, что максимальная критическая скорость составляет не более 3,2 м/с.
Экспериментальные исследования проводились при следующих условиях: уровень звукового давления – 140–167 дБ; скорость газодисперсного потока – от 3,2 м/с; концентрация – 1 г/м3; размер подаваемых на коагуляцию частиц – 1 мкм; диаметр вытеснителя – 40 мм; расстояние между излучателем и отражателем – 322,5 мм.
В результате экспериментальных исследований получены зависимости степени укрупнения дисперсных частиц от уровня звукового давления, формируемого различными излучателями (рис. 10).
Рис. 10. Зависимости степени укрупнения дисперсных частиц от уровня звукового давления: 1 – продольно-колеблющийся излучатель; 2 – дисковый излучатель; 3 – трубчатый излучатель; 4 – трубчатый+дисковый излучатель; 5 – трубчатый+продольно-колеблющийся излучатель
Fig. 10. Dependences of dispersed particles coarsening degree on the sound pressure level: 1 – longitudinally oscillating radiator; 2 – disk radiator; 3 – tubular radiator; 4 – tubular+disk radiator; 5 – tubular+longitudinally oscillating radiator
Анализ полученных зависимостей позволяет сделать вывод о том, что при одинаковом уровне звукового давления использование продольно-колеблющегося излучателя обеспечивает меньшую степень укрупнения, чем при использовании дискового излучателя. Такая зависимость связана с формированием акустических потоков, которые турбулизируют поток, что приводит к перемещению частиц от одной узловой области к другой, а также обеспечивает перемещение частиц в пределах узловых областей. При использовании продольно-колеблющегося излучателя частицы удерживаются в узловых областях, а их перемещение происходит только за счет течения газового потока. При скоростях газодисперсного потока близких к нулю частицы не перемещаются в узловых областях и между ними, что определяет низкую эффективность коагуляции.
Также установлено, что при равном уровне звукового давления степень укрупнения выше при озвучивании газодисперсного потока с помощью трубчатого излучателя. Достигается это за счет того, что трубчатый излучатель работает на изгибно-диаметральной моде. Это позволяет формировать регулярную структуру ультразвукового поля: формируется диаметральная стоячая волна в маленьком кольцевом зазоре (не более трех длин волн), при этом соседние кольцевые зоны стоячей волны колеблются в противофазе. На границе этих зон формируются акустические течения как вдоль, так и поперек трубчатого излучателя. За счет возникновения большого количества таких зон происходит интенсификация процесса коагуляции частиц. Как видно из графиков, при уровне звукового давления 160 дБ достигается степень укрупнения, равная 7, а дисковые излучатели при этих же условиях обеспечивают степень укрупнения, равную 5.
Проведенные исследования позволили установить также, что существенный рост эффективности коагуляции начинается при уровне звукового давления более 150–155 дБ. Следует отметить, что при повышении уровня звукового давления более 160 дБ рост эффективности коагуляции заметно снижается.
На следующем этапе получена зависимость эффективности коагуляции частиц от концентрации дисперсных частиц (рис. 11). Экспериментальные исследования проводились при следующих условиях: уровень звукового давления – 160 дБ; скорость газодисперсного потока – от 3,2 м/с; концентрация – 0,05–1,8 г/м3; размер частиц – 1 мкм; диаметр вытеснителя – 40 мм; расстояние между излучателем и отражателем – 322,5 мм.
Рис. 11. Зависимости степени укрупнения дисперсных частиц от концентрации: 1 – продольно-колеблющийся излучатель; 2 – дисковый излучатель; 3 – трубчатый излучатель; 4 – трубчатый+дисковый излучатель; 5 – трубчатый+продольно-колеблющийся излучатель; 6 – без УЗ-воздействия
Fig. 11. Dependences of dispersed particles coarsening degree on concentration: 1 – longitudinally oscillating radiator; 2 – disk radiator; 3 – tubular radiator; 4 – tubular+disk radiator; 5 – tubular+longitudinally oscillating radiator; 6 – without ultrasonic influence
Результаты экспериментальных исследований позволили установить, что при малой концентрации, равной 0,05 г/м3, при использовании как дискового, так и продольно-колеблющегося излучателя, обеспечивается достаточно низкая эффективность коагуляции, степень укрупнения составляет 1,3–1,5. Однако за счет применения трубчатого излучателя при той же концентрации степень укрупнения возрастает до 2,8.
Таким образом, было установлено, что турбулизация потока за счет акустических течений, возникающих на границах кольцевых областей стоячих волн, колеблющихся в противофазе, приводит к увеличению эффективности коагуляции. При этом трубчатый излучатель обеспечивает большую протяженность ультразвукового воздействия в таких условиях (кольцевой зазор не превышает 3–5 длин волн).
Вследствие того, что изгибно-колеблющийся излучатель несущественным образом изменяет структуру ультразвукового поля, формируемого трубчатым излучателем, и при этом немного увеличивает средний уровень звукового давления, эффективность коагуляции незначительно повышается.
Однако при одновременном воздействии продольно-колеблющимся и трубчатым излучателями на газовую среду за счет существенного изменения структуры УЗ-поля и появления множества дополнительных узловых поверхностей возникает также и множество акустических потоков, интенсифицирующих процесс взаимодействия между частицами. Благодаря этому эффективность коагуляции существенно возрастает. Степень укрупнения возрастает до 9 (при концентрации 1 г/м3) по сравнению с эффективностью коагуляции, равной 7, обеспечиваемой только трубчатым излучателем.
Заключение
Для повышения эффективности коагуляции в устройствах с закрученными потоками были проведены теоретические и экспериментальные исследования, позволившие разработать и предложить источники ультразвукового воздействия трех типов.
- Использование в качестве источника ультразвукового воздействия только изгибно-колеблющихся излучателей, устанавливаемых на торцах коагуляционной камеры, обеспечивает формирование структурированного поля с множеством узловых поверхностей и смежно-расположенных колеблющихся в противофазе областей. Вследствие того, что часть энергии ультразвуковых колебаний в смежных областях, колеблющихся в противофазе, теряется из-за взаимной компенсации, средний уровень звукового давления, обеспечиваемый таким излучателем, не высок и составляет 162 дБ. При этом использование только такого излучателя обеспечивает достаточно высокую степень укрупнения дисперсныхчастиц. Обусловлено это формированием акустических потоков, позволяющих перемещать частицы между узловыми областями, интенсифицируя процесс объединения частиц.
- Использование только продольно-колеблющихся излучателей и воздействие ими на газодисперсный поток формирует плоскую стоячую волну с 44 узловыми поверхностями параллельными излучателям, при этом уровень звукового давления достигается выше 165 дБ. Формирование такой структуры УЗ-поля обеспечивает удержание частиц в узловых областях. Однако перемещение между ними осуществляется только в одном направлении за счет воздействия на частицы потока газа. Взаимодействие между частицами обеспечивается только в пределах узловых областей, соответственно, эффективность коагуляции невысока.
- В качестве основного источника ультразвукового воздействия для созданной конструкции коагуляционной камеры наиболее эффективно использование протяженного ультразвукового трубчатого излучателя, работающего на изгибно-диаметральной моде колебаний и формирующего кольцевую стоячую волну с уровнем звукового давления 162–165 дБ. При этом такой излучатель является одновременно внешним корпусом камеры. За счет наличия соседних кольцевых цилиндрических поверхностей, колеблющихся в противофазе, обеспечено формирование зон, в которых инициируются акустические течения, позволяющие перемещаться частицам между узловыми областями и обеспечивающие дополнительное взаимодействие между частицами. Сочетание достигнутых высоких уровней звукового давления и формирование акустических течений обеспечило повышенную эффективность коагуляции, в сравнении с эффективностью коагуляции, обеспечиваемой торцевыми излучателями.
- Совместное с основным трубчатым излучателем дополнительное воздействие продольно-колеблющимися излучателями на газодисперсный поток повысило эффективность коагуляции. Установлено, что дополнительное воздействие продольно-колеблющимся излучателем существенно модифицирует структуру ультразвукового поля, формируемого трубчатым излучателем. Это обеспечивает увеличение количества формируемых узловых поверхностей и среднего уровня звукового давления, что позволяет существенно повысить эффективность коагуляции частиц.
Полученные результаты УЗ-коагуляции при помощи предложенных и разработанных ультразвуковых излучателей различного типа позволяют рекомендовать их для практического использования в создаваемых современных системах очистки от особо опасных частицы размерами 2,5 мкм и менее.
About the authors
Vladimir N. Khmelev
Altay State Technical University
Email: vnh@bti.secna.ru
ORCID iD: 0000-0001-7089-3578
Dr. Sc., Deputy Director of Research
Russian Federation, BiyskViktor A. Nesterov
Altay State Technical University
Author for correspondence.
Email: nva@bti.secna.ru
ORCID iD: 0000-0002-6140-5699
Cand. Sc., Leading Researcher
Russian Federation, BiyskAndrey V. Shalunov
Altay State Technical University
Email: shalunov@bti.secna.ru
ORCID iD: 0000-0002-5299-9931
Dr. Sc., Leading Researcher
Russian Federation, BiyskSergey A. Terentyev
Altay State Technical University
Email: sergey@bti.secna.ru
ORCID iD: 0000-0002-6989-9769
Cand. Sc., Senior Researcher
Russian Federation, BiyskReferences
- Lu X., Zhang S., Xing J., Wang Y., Chen W., Ding D., Hao J. Progress of air pollution control in China and its challenges and opportunities in the ecological civilization era. Engineering, 2020, vol. 6, no. 12, pp. 1423–1431.
- Miller L., Xu X. Ambient PM2. 5 human health effects – findings in China and research directions. Atmosphere, 2018, vol. 9, no. 424, pp. 1–16.
- Pope C.A., Ezzati M., Cannon J.B., Allen R.T., Jerrett M., Burnett R.T. Mortality risk and PM 2.5 air pollution in the USA: an analysis of a national prospective cohort. Air Quality, Atmosphere & Health, 2017, vol. 11, no. 3, pp. 245–252.
- Halonen J., Lanki T., Yli-Tuomi T., Tiittanen P., Kulmala V., Pekkanen J. Particulate air pollution acute cardio respiratory hospital admissions and mortality among the elderly. American Journal of Epidemiology, 2009, vol. 20, no. 1, pp. 143–153.
- Fu P.B., Wang F., Yang X.J., Ma L., Cui X., Wang H.L. Inlet particle-sorting cyclone for the enhancement of PM 2.5 separation. Am J Environ Sci, 2017, vol. 51, no. 3, pp. 1587–1594.
- Hoekstra A.J. Gas flow field and collection efficiency of cyclone separators. Ph.D. Thesis. Delft, 2000. 165 p.
- Leith D., Licht W. The collection efficiency of cyclone type particle collectors-a new theoretical approach. AIChE Symp, 1972, vol. 68, pp. 196–206.
- Qian F., Wu Y. Effects of the inlet section angle on the separation performance of a cyclone. Chem. Eng. Res. Des, 2009, vol. 87, no. 12, pp. 1567–1572.
- Guo Y., Zhang G., Li Y., Gu H., Yuan D., Liu M. Study on aerosol agglomeration using the airborne ultrasonic transducer. Particuology, 2023, vol. 82, pp. 157–165.
- Hoda Y., Asami T., Miura H. Aerosol agglomeration by aerial ultrasonic sources containing a cylindrical vibrating plate with the same diameter as a circular tube. Jpn. J. Appl. Phys., 2022, vol. 61, pp. SG1073.
- Ono Y., Asami T., Miura H. Agglomeration of aerosol using small equipment with two small aerial ultrasonic sources. Jpn. J. Appl. Phys., 2023, vol. 62, pp. SJ1029.
- Zhang Y.T., Lai S.K., Yu J.C.W., Guo H., Lim C.W. A novel U-shaped acoustic-manipulated design to enhance the performance of low-efficiency filters for sub-micron particles. Powder Technol., 2021, vol. 392, pp. 412–423.
- König. W. Hydrodynamic-acoustic investigations. On the forces between two spheres in a vibrating fluid and on the formation of Kundt's dust figures. Ann. Phys. und Chem, 1891, vol. 42, no. 4, pp. 549. (In Germ.)
- Brandt O., Freund H., Hiedemann E. On the Theory of Acoustic Coagulation. Kolloid-Zeitschrift, 1936, vol. 77, pp. 103–115. (In Germ.)
- Gallego-Juarez J.A., Riera-Franco De Sarabia E., Rodriguez-Corral G., Hoffmann T.L., Gálvez-Moraleda J.C., Rodríguez-Maroto J.J., Acha M. Application of acoustic agglomeration to reduce fine particle emissions from coal combustion plants. Environmental Science & Technology, 1999, vol. 33, no. 21, pp. 3843–3849.
- Khmelev V.N., Shalunov A.V., Nesterov V.A. Improving the performance of air purification efficiency from fine-dispersed particles by ultrasonic exposure in swirling flow. Int. J. Environ. Sci. Technol, 2020, vol. 17, pp. 3927–3934.
- Fu P.B., Wang F., Yang X.J., Ma L., Cui X., Wang H.L. Inlet particle-sorting cyclone for the enhancement of PM 2.5 separation. Am J Environ Sci, 2017, vol. 51, no. 3, pp. 1587–1594.
- Khmelev V. N., Nesterov V.A., Shalunov A.V. Increasing the uniformity of amplitude oscillations of anisotropic ultrasonic disc emitters for gas media. 2018 19th International Conference of Young Specialists on Micro/Nanotechnologies and Electron Devices (EDM). Erlagol, 2018, pp. 270-274.
- Khmelev V.N., Nesterov V.A., Shalunov A.V., Barsukov R.V., Tsyganok S.N. Longitudinally oscillating ultrasonic emitter for influencing gas-dispersed systems. J. Phys.: Conf. Ser., 2020, vol. 1679, 022008.
- Vasilevsky M.V. Dust removal of gases using inertial devices: monograph. Tomsk, Tomsk Polytechnic University Publ. house, 2008, 258 p. (In Russ.)
Supplementary files













