Обоснование и реализация метода управления толщиной слоя в процессе ультразвукового распыления
- Авторы: Хмелев В.Н.1, Шалунов А.В.1, Генне Д.В.1
-
Учреждения:
- Алтайский государственный технический университет
- Выпуск: Том 335, № 11 (2024)
- Страницы: 7-18
- Раздел: Статьи
- URL: https://journal-vniispk.ru/2500-1019/article/view/276128
- DOI: https://doi.org/10.18799/24131830/2024/11/4441
- ID: 276128
Цитировать
Полный текст
Аннотация
Актуальность исследования обусловлена необходимостью развития и широкого применения для решения актуальных задач современной промышленности ультразвукового способа распыления, обладающего уникальными достоинствами. В частности: минимальными, из всех известных способов, энергозатратами на реализацию процесса, возможностью формирования мелкодисперсных капель без использования газа под давлением, регулирования дисперсности формируемого аэрозоля параметрами излучателя и др. Однако для широкого практического применения ультразвукового способа распыления необходимо обеспечение условий распыления с задаваемой дисперсностью и производительностью. В связи с этим возникает необходимость разработки способа контроля и поддержания необходимой и достаточной толщины слоя жидкости на поверхности пьезоэлектрического преобразователя распылителя, распыление которой обеспечит, при заданной производительности распыления, формирование аэрозоля с наименьшим отклонением размеров формируемых капель относительно среднего значения. Контроль толщины слоя жидкости предложено осуществлять путем выявления зависимости резонансной частоты пьезоэлектрического преобразователя распылителя от толщины пленки жидкости на колеблющейся поверхности распылителя.
Цель: разработка способа и средств контроля толщины слоя распыляемой жидкости по изменению резонансной частоты ультразвуковой колебательной системы и поддержания оптимального значения толщины слоя путем изменения амплитуды колебаний поверхности ультразвукового распылителя.
Объекты: процесс распыления жидкостей ультразвуковыми высокоамплитудными колебаниями.
Методы: получение частотных характеристик ультразвуковых колебательных систем, анализ изменений амплитудно-частотных характеристик колебательных систем и выявление критериев, позволяющих контролировать и управлять процессом ультразвукового распыления.
Результаты. Предложен и разработан способ косвенного контроля толщины слоя распыляемой жидкости на колеблющейся поверхности ультразвукового распылителя, основанный на измерении резонансной частоты ультразвуковой колебательной системы. Возможность реализации способа и его практического применения обусловлена тем, что в рабочем диапазоне толщин слоя распыляемой жидкости изменение резонансной частоты может достигать 100 Гц, и при точности измерения частоты в 1 Гц точность определения толщины слоя составит не более 2 % от рабочей толщины слоя. Выявленные зависимости и определенные значения возможных диапазонов изменений контролируемого параметра позволили впервые разработать способ автоматического управления процессом ультразвукового распыления, обеспечивающий поддержание оптимальных режимов ультразвукового воздействия (амплитуда колебаний распылительной поверхности) и толщины слоя распыляемой жидкости.
Полный текст
Введение
Распыление – это физическое явление разрушения (диспергирования) жидкостей на мелкие капли [1]. Такое явление широко применяют в различных технологиях, включая сжигание ископаемого топлива [2], переработку сырья, распылительную сушку, получение порошков (при реакции аэрозоля со средой, в которую производится распыление) [3], распылительное охлаждение, струйную печать [4], мокрую газоочистку [5]. Существует множество различных способов распыления жидкостей. Наиболее известными считаются: двухжидкостное распыление [6], электростатическое распыление [7], распыление под давлением [8–10] и ультразвуковое распыление [11, 12]. Ультразвуковое распыление, в сравнении с другими способами, характеризуется рядом уникальных преимуществ. К основным преимуществам относятся: минимальное отклонение размеров формируемых капель относительно среднего значения, максимальное использование материала и минимальные энергозатраты. Это обеспечивает наилучшие экономические показатели, и поэтому в последние годы, ультразвуковое распыление все шире применяется в промышленности [13]. Потребности производства, в свою очередь, стимулируют исследования в области развития и управления процессом ультразвукового распыления.
Известно, что при ультразвуковом распылении жидкость за очень короткое время диспергируется на капли под действием высокочастотных колебаний (f>20 кГц) [14]. Этот процесс впервые был изучен Р. Вудом и А. Лумисом в 1927 г. Было установлено, что ультразвуковое распыление – это, по сути, процесс сильной деформации жидкости под действием внешней вибрации. Впервые изучение вынужденных колебаний жидкостей начато М. Фарадем в 1831 г. Он поместил различные жидкости в вертикально колеблющийся цилиндрический контейнер и наблюдал появление на поверхности жидкости стоячих капиллярных волн. Экспериментально установлено, для зарождения капиллярных волн слой жидкости на колеблющейся поверхности должен иметь определенную толщину, которая зависит от частоты колебаний и свойств самой распыляемой жидкости. В исследованиях Б.Г. Новицкого было установлено, что жидкость на распылительной поверхности должна иметь толщину, не превышающую половину длины волны ультразвуковых колебаний в распыляемой жидкости [15].
Более поздние исследования позволили выявить значения оптимальной толщины жидкости на распылительной поверхности. При этой толщине обеспечивается максимальная производительность распыления и наилучшие дисперсные характеристики формируемых капель (минимальный разброс относительно среднего значения). Было установлено, что для ньютоновских жидкостей эта толщина равна h≈0,1мм [16–19]. В случае бесконтрольного увеличения и уменьшения толщины слоя на распылительной поверхности процесс образования капель прекращается.
В связи с этим реализация процесса ультразвукового распыления жидкости невозможна без непрерывного контроля и поддержания оптимального значения толщины слоя на колеблющейся поверхности. На решение этой задачи направлен предложенный, разработанный и исследуемый далее способ реализации процесса распыления с непрерывным контролем толщины распыляемого слоя.
Способ ультразвукового распыления жидкости в слое
На рис. 1 схематично изображен процесс ультразвукового распыления жидкости.
На практике процесс ультразвукового распыления реализуется при помощи распылителей, которые состоят из ультразвуковой колебательной системы – 4, электронного генератора для питания колебательной системы – 5 и системы подачи распыляемой жидкости – 6. Ультразвуковая колебательная система (УЗКС) при помощи пьезоэлектрических элементов преобразует колебания питающего её электрического напряжения в механические колебания рабочего (распылительного) окончания. Ультразвуковой генератор обеспечивает преобразование энергии промышленной сети в энергию электрических колебаний с частотой, соответствующей резонансной частоте ультразвуковой колебательной системы. Кроме этого, электронный генератор обеспечивает стабилизацию амплитуды механических колебаний (за счет изменения выходного напряжения) и автоматическую подстройку частоты выходного напряжения в соответствии с любыми изменениями параметров УЗКС.
Рис. 1. Процесс ультразвукового распыления: 1 – аэрозоль; 2 – жидкость с капиллярными волнами на поверхности; 3 – распылительная поверхность; 4 – ультразвуковая колебательная система; 5 – генератор; 6 – система подачи жидкости
Fig. 1. Ultrasonic spraying process: 1 – aerosol; 2 – liquid with capillary waves on the surface; 3 – spray surface; 4 – ultrasonic oscillatory system; 5 – generator; 6 – fluid supply system
Система подачи обеспечивает стабильную и равномерную подачу распыляемой жидкости на распылительную поверхность УЗКС с заданной производительностью. Как правило, подача жидкости на распылительную поверхность УЗКС производится через продольный внутренний канал, выполненный по оси УЗКС. Под действием механических колебаний подаваемая жидкость растекается по распылительной поверхности, образуя пленку, на которой возникают стоячие капиллярные волны. Возможность формирования капиллярных волн и их амплитуда определяются амплитудой колебаний распылительной поверхности и толщиной слоя жидкости. При достижении достаточной амплитуды капиллярных волн (когда сила, действующая на «гребень» волны, превышает силы поверхностного натяжения жидкости) с гребня волны происходит отрыв капли. При изменении толщины пленки распыляемой жидкости изменяются условия формирования капиллярных волн, что в целом приводит к изменению производительности и увеличивает разброс формируемых капель относительно среднего значения.
Когда процесс распыления выходит на стационарный режим толщина образующейся на поверхности пленки жидкости зависит от разности производительности подачи жидкости на распылительную поверхность и производительности распыления этой жидкости за счет капиллярных волн. Поскольку производительность распыления зависит от амплитуды колебаний распылительной поверхности, изменением амплитуды колебаний распылительной поверхности можно регулировать толщину слоя распыляемой жидкости (за счет изменения скорости удаления влаги с поверхности слоя жидкости).
Способ контроля толщины слоя жидкости
Непосредственный инструментальный контроль толщины слоя жидкости в процессе распыления возможен только в лабораторных условиях, требует дорогостоящего оптического оборудования и трудно поддается автоматизации (в частности, из-за высокой степени прозрачности материалов). Поэтому необходим метод, позволяющий оценить толщину слоя жидкости на колеблющейся поверхности по косвенным признакам.
С точки зрения акустики любая жидкость, помещаемая на колеблющуюся поверхность резонансной системы, вносит изменения в характеристики этой системы и является дополнительной (присоединенной) массой [19]. Как известно, ультразвуковая колебательная система является «симметричным» элементом, что позволяет использовать её для получения информации об объекте, на который производится воздействие [20, 21]. Существуют методики и оборудование, позволяющее оценивать влияние нагрузки (обрабатываемого материала) на частотные характеристики колебательной системы [22, 23].
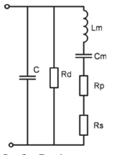
Используя теорию электромеханических аналогий, можно заменить пьезоэлектрический преобразователь его электрической эквивалентной схемой рис. 2. Такая аналогия справедлива только вблизи механического резонанса и не способна описать поведение преобразователя в широком частотном диапазоне [24].
Анализируя электрическую эквивалентную схему (рис. 2), можно заключить, что резонансная частота «описываемого» преобразователя определяется реактивными элементами Lm и Cm. Жидкость, находящуюся на распылительной поверхности ультразвуковой колебательной системы, можно считать дополнительной «присоединенной» массой, поэтому, исходя из метода электромеханических аналогий, она будет «изменять» элемент Lm. Следовательно, можно предположить, что наличие (и объем) жидкости на рабочей поверхности колебательной системы будет влиять на её резонансную частоту.
Рис. 2. Преобразователь пьезоэлектрический, схема электрическая эквивалентная: Lm – эквивалент массы, Cm – величина обратная жесткости материала (податливость), Rp – потери, Rs – акустическое излучение, C – электрическая емкость пезоэлектрических колец, Rd – потери в пьезоматериале
Fig. 2. Piezoelectric transducer electrical equivalent circuit: Lm – equivalent mass, Cm – value reciprocal of the material stiffness (compliance), Rp – losses, Rs – acoustic radiation, C – electrical capacitance of the pesoelectric rings, Rd – losses in the piezomaterial
Таким образом, путем измерения девиации резонансной частоты УЗКС в процессе распыления жидкости можно обеспечить контроль на поверхности колебательной системы количества жидкости, т. е. определить толщину слоя, оптимальную для реализации процесса ультразвукового распыления. Для практической реализации этого способа контроля первоначально, необходимо установить взаимосвязь между толщиной слоя жидкости на поверхности распылителя и изменением резонансной частоты УЗКС. Для решения этой задачи был разработан и изготовлен специализированный стенд.
Стенд для проведения исследования
На рис. 3 представлен стенд для проведения экспериментальных исследований. Стенд включает в себя ультразвуковую колебательную систему – 2, измерительный модуль – 3 для получения амплитудно-частотных характеристик (АЧХ), подключенный к персональному компьютеру – 4, и дозатор для подачи распыляемой жидкости – 1.
Рис. 3. Измерительный стенд: 1 – система подачи жидкости, 2 – ультразвуковая колебательная система, 3 – блок измерительный, 4 – ЭВМ
Fig. 3. Measuring installation: 1 – liquid supply system, 2 – spray system, 3 – measuring unit, 4 – computer
Для обеспечения возможности удержания на распылительной поверхности слоя жидкости произвольной толщины колебательная система располагалась распылительным окончанием вверх. Распылительное окончание имеет чашеобразную форму, позволяющую удерживать необходимый объем жидкости. Распылительные окончания были выполнены сменными. На рис. 4 приведены чертеж и фотография одного из тестовых распылительных окончаний.
Рис. 4. Распылительные окончания: a) чертеж; б) внешний вид
Fig. 4. Spray ends: a) drawing; b) appearance
В табл. 1 приведены основные размеры распылительных окончаний. Распылительные окончания имели различный диаметр «чаши». Это было необходимо для исследования влияния площади контакта жидкости с распылительным окончанием на изменение резонансной частоты колебательной системы. Тестовая жидкость подавалась в полость сменного распылительного окончания посредством шприцевого дозатора, который позволяет отмерять требуемое количество жидкости.
Таблица 1. Характеристики сменных распылительных окончаний
Table 1. Characteristics of replaceable spray tips
№ Распылительного окончания Spraying ending no. | Диаметр внутренней полости (D), мм Inner cavity diameter (D), mm | Максимальный объем внутренней полости, см3 Maximum volume of the internal cavity, cm3 |
1 | 10 | 0,3 |
2 | 15 | 0,45 |
3 | 20 | 0,6 |
Поскольку из анализа электрической эквивалентной схемы (рис. 2) было установлено, что на резонансную частоту УЗКС влияет присоединенная масса (масса слоя жидкости на распылительной поверхности), первоначально были получены зависимости изменения резонансной частоты от массы распыляемой жидкости. Для установления взаимосвязи между резонансной частотой и массой слоя жидкости на распылительном окончании был предложен следующий алгоритм проведения исследований:
1) получение АЧХ «сухой» УЗКС;
2) добавление модельной жидкости на рабочую поверхность УЗКС;
3) получение АЧХ УЗКС;
4) повторение пунктов с 2 по 3 пока полость распылительного окончания не будет заполнена;
5) определение по полученным АЧХ резонансных частот УЗКС для каждого объема жидкости;
6) определение зависимости изменения резонансной частоты от массы жидкости в виде разности полученных значений резонансных частот и собственной резонансной частоты УЗКС.
Для проведения экспериментов были выбраны следующие модельные жидкости: спирт, вода и глицерин (табл. 2), так как они соответствуют по свойствам широкому спектру реально распыляемых материалов.
Таблица 2. Свойства модельных жидкостей
Table 2. Properties of model liquids
№ | Название Title | Вязкость сПз при 20 °С sP viscosity at 20°С | Коэффициент Surface tension coefficient, n/m | Плотность, г/см3 Density, g/cm3 |
1 | Спирт Ethanol | 1,2 | 0,022 | 0,7893 |
2 | Вода/Water | 1 | 0,073 | 1 |
3 | Глицерин Glycerin | 1412 | 0,065 | 1,261 |
Обсуждение результатов
Поскольку на резонансную частоту механических систем оказывает влияние их температура, для уменьшения связанной с температурой погрешности каждая серия экспериментов проводилась при одной и той же температуре колебательной системы. Результаты изменения резонансных частот ультразвуковых распылительных систем от массы модельной жидкости на поверхности распылительного окончания показаны на рис. 5.
Рис. 5. Зависимость резонансной частоты УЗКС от массы жидкости для различных распылительных окончаний, резонансная частота колебательной системы 22 кГц: 1 – спирт, 2 – вода, 3 – глицерин
Fig. 5. Resonant frequency of the ultrasonic vibrating system depending on the mass of the model liquid for various spray ends, the resonant frequency of the oscillating system is 22 kHz: 1 – ethanol, 2 – water, 3 – glycerin
Графики (рис. 5) показывают наличие зависимости резонансной частоты колебательной системы от массы жидкости на её распылительном окончании. При этом площадь контакта жидкости с распылительным окончанием не оказывает существенного влияния на изменение резонансной частоты колебательной системы. Из графиков, представленных на (рис. 5), видно, что зависимость резонансной частоты колебательной системы от массы жидкости близка к линейной и мало подвержена влиянию свойств (вязкость, коэффициент поверхностного натяжения и д. р.) самой жидкости. Поскольку присоединенная масса оказывает влияние на частотозадающий элемент эквивалентной схемы, с увеличением рабочей частоты колебательной системы зависимость будет усиливается.
Рис. 6. Зависимость резонансной частоты УЗКС от массы модельной жидкости для различных распылительных окончаний, резонансная частота колебательной системы 44 кГц: 1 – спирт, 2 – вода, 3 – глицерин
Fig. 6. Resonant frequency dependence of the ultrasonic vibrating system depending on the mass of the model liquid for various spray ends, the resonant frequency of the oscillating system is 44 kHz: 1 – ethanol, 2 – water, 3 – glycerin
На рис. 6 показаны графики изменения резонансной частоты от массы жидкости при работе УЗКС на частоте 44 кГц, а также зависимости только для двух распылительных окончаний, поскольку для окончания № 3 (с наибольшей площадью поверхности) на частоте 44 кГц демпфирование колебательной системы распыляемой жидкостью оказалось чрезмерным. В результате нарушался резонансный режим работы колебательной системы распылителя, и измерить изменение резонансной частоты не представлялось возможным.
Полученные зависимости (рис. 6) показывают, что повышение частоты возбуждения колебательной системы в 2 раза (до 44 кГц) увеличивает диапазон изменения резонансной частоты колебательной системы приблизительно в 1,5 раза при аналогичном изменении массы распыляемой жидкости. Это свидетельствует о том, что повышение частоты возбуждения ультразвуковой колебательной системы увеличивает чувствительность предложенного способа косвенного контроля толщины слоя жидкости. Для подтверждения этого на рис. 7 приведены зависимости изменения резонансной частоты колебательной системы для воды на распылительном окончании № 1 для двух частот: 1 – 44кГц,
2 – 22кГц.
Рис. 7. Зависимость изменения резонансных частоты УЗКС от массы модельной жидкости: 1 – 44кГц, 2 – 22кГц
Fig. 7. Dependence of the change in the resonant frequency of the ultrasonic vibrating system on the mass of the model liquid kHz: 1 – 44, 2 – 22
Как видно из рис. 7, для одной и той же массы жидкости (например, 0,1 г) относительное изменение частоты составляет 50 Гц (при возбуждении колебательной системы на частоте 22 кГц) и 130 Гц (при возбуждении на частоте 22 кГц). Таким образом, увеличение частоты УЗКС повышает чувствительность предложенного способа косвенного контроля толщины слоя жидкости.
Определение толщины слоя
Поскольку при ультразвуковом распылении определяющим фактором формирования аэрозоля с наименьшим отклонением размеров формируемых капель относительно среднего значения является наличие на колеблющейся поверхности пленки распыляемой жидкости оптимальной толщины, нужно прейти от массы жидкости к её объему. Это позволит при известной площади распылительного окончания получить толщину образовавшейся пленки. На рис. 8 представлены графики зависимости изменения резонансной частоты УЗКС с распылительным окончанием № 1 от объема жидкости на его поверхности.
Рис. 8. Изменение резонансной частоты от объема жидкости: 1 – спирт, 2 – вода, 3 – глицерин
Fig. 8. Change in the resonant frequency depending on liquid volume: 1 – ethanol, 2 – water, 3 – glycerin
Из рис. 8 можно заключить, что зависимость изменения резонансной частоты от объема жидкости на поверхности распылительного окончания различается для различных жидкостей. Поскольку ранее была выявлена линейная зависимость изменения резонансной частоты от массы жидкости, коэффициентом, связывающим эти зависимости, является плотность жидкости.
Для исключения необходимости задания плотности распыляемой жидкости предложено проводить предварительное тестирование образца для определения связи объема жидкости на распылительном окончании с изменением резонансной частоты колебательной системы. Объем жидкости, находящийся на поверхности распылительного окончания, можно будет вычислить, зная объем тестового образца, соответствующее ему изменение резонансной частоты и текущее изменение резонансной частоты по формуле (1):
V=(ΔF*V0)/(ΔF0), (1)
где V – объем жидкости на поверхности распылительного окончания, л; ∆F – текущее изменение резонансной частоты, Гц; V0 – тестовый объем жидкости, л; ∆F0 – изменение резонансной частоты, соответствующее тестовому образцу, Гц.
Зная объем жидкости на поверхности распылительного окончания и площадь рабочей поверхности распылительного окончания, можно определить среднюю толщину слоя жидкости, воспользовавшись выражением (2).
h=V/S, (2)
где h – средняя толщина слоя жидкости на поверхности распылительного окончания, м; V – объем жидкости полученный, м3; S – площадь рабочей поверхности распылительного окончания, м2.
В исследованном диапазоне средних толщин слоя жидкости на поверхности распылительного окончания (как показано в работах [16–19], он составляет в среднем 0,1 мм) изменение резонансной частоты может достигать 100 Гц, что является достаточным для контроля толщины слоя. При этом чувствительность метода может достигать 1 Гц на 1 мкм средней толщины слоя жидкости. При точности измерения частоты 1 Гц точность определения толщины слоя составит не менее 2 % от рабочей толщины слоя.
Алгоритм управления процессом распыления
Как было сказано в начале статьи, для обеспечения стабильности процесса получения аэрозоля необходимо поддерживать оптимальную толщину слоя распыляемой жидкости на распылительной поверхности. Полученные результаты исследования показали, что определять толщину слоя можно по изменению резонансной частоты УЗКС. На рис. 9 представлена блок схема алгоритма автоматического управления процессом распыления, основанная на поддержании оптимального слоя жидкости на поверхности распылительного окончания. Система имеет обратную связь, представленную в виде ультразвуковой колебательной системы распылителя, резонансная частота которой зависит от толщины слоя распыляемой жидкости.
Алгоритм основан на регистрации изменения резонансной частоты распылительной УЗКС в процессе распыления. После включения аппарата, пока распылительное окончание УЗКС «сухое», производится измерение собственной резонансной частоты колебательной системы. После этого при помощи дозатора (который должен управляться централизованно с ультразвуковым генератором) на распылительное окончание подается тестовый объем жидкости и производится измерение резонансной частоты. На основании изменения резонансной частоты от тестового объема жидкости, объема поданной жидкости и площади распылительного окончания вычисляются коэффициенты для поданной жидкости, позволяющие устанавливать связь резонансной частоты и толщины слоя жидкости на поверхности распылительного окончания. После запуска процесса распыления аппарат поддерживает оптимальную (заданную для текущей распыляемой жидкости) толщину слоя жидкости, при этом при изменении расхода жидкости алгоритм изменяет амплитуду УЗ-колебаний распылительного окончания, поддерживая требуемую толщину слоя жидкости.
Предложенный алгоритм реализации контроля и управления имеет недостаток, связанный с температурным изменением резонансной частоты УЗКС. Поэтому для реализации непрерывного процесса распыления необходимо обеспечить стабилизацию температуры УЗКС или (что более предпочтительно) вводить корректировку собственной резонансной частоты УЗКС в зависимости от её фактической температуры.
Рис. 9. Блок-схема алгоритма управления процессом распыления
Fig. 9. Block diagram of the spraying control algorithm
Для проверки эффективности алгоритма управления процессом ультразвукового распыления была получена зависимость среднеквадратичного отклонения формируемых капель от толщины слоя жидкости. Частота ультразвукового воздействия равнялась 22 кГц. Средний диаметр формируемых капель был равен 80 мкм. Зависимость показана на рис. 10.
Рис. 10. Зависимость среднеквадратичного отклонения формируемых капель от толщины слоя жидкости
Fig. 10. Dependence of the standard deviation of the formed drops on the liquid layer thickness
Как видно из представленной зависимости, среднеквадратичное отклонение формируемых капель имеет минимум при толщине слоя, равном 0,12 мм. Эта толщина слоя является оптимальной. При уменьшении или увеличении толщины слоя жидкости среднеквадратичное отклонение возрастает. Причем при увеличении толщины слоя жидкости среднеквадратичное отклонение возрастает более существенно, вплоть до прекращения распыления.
Далее было проведено сравнение среднеквадратичного отклонения капель, формируемых при автоматическом подержании оптимальной толщины слоя и без него. Было установлено, что при реализации предложенного способа автоматического управления процессом ультразвукового распыления среднеквадратичное отклонение капель относительно среднего значения составляет 48 мкм, а без него колеблется от 48 до 70 мкм в зависимости от условий эксперимента. Средний диаметр капель в обоих случаях был одинаковым и равным 82 мкм.
На рис. 11 представлена схема распылительной установки, реализующей предложенный алгоритм управления процессом распыления.
Распылитель с автоматическим поддержанием толщины слоя распыляемой жидкости состоит из ультразвуковой колебательной системы – 1, электронного ультразвукового генератора, включающего в себя силовые каскады – 6, блоки измерения – 3 и согласования – 4 управляемого задающего генератора – 7 и микроконтроллера – 5, реализующего весь алгоритм управления генератором и самим процессом распыления. Для подачи распыляемого материала в процессе распыления и в тестовом режиме используется дозатор – 2. Весь алгоритм управления (рис. 9) реализуется в управляющем микроконтроллере, который на основании информации, полученной от измерительного блока посредством управляемого источника питания, изменяет амплитуду колебаний распылительного окончания.
Рис. 11. Структурная схема распылителя с автоматическим поддержанием толщины слоя распыляемой жидкости: 1 – ультразвуковая колебательная система, 2 – система подачи распыляемой жидкости, 3 – измерительный блок, 4 – блок согласования, 5 – управляющий микроконтроллер, 6 – силовой каскад, 7 – управляемый задающий генератор, 8 – управляемый источник питания
Fig. 11. Block diagram of a sprayer with automatic maintenance of the sprayed liquid layer thickness: 1 – ultrasonic oscillatory system, 2 – supply system for sprayed liquid, 3 – measuring unit, 4 – matching unit, 5 – control microcontroller, 6 – power stage, 7 – controlled master generator, 8 – controlled power supply
Рис.12. Внешний вид ультразвукового распылителя с автоматическим поддержанием толщины слоя распыляемой жидкости
Fig. 12. Appearance of an ultrasonic sprayer with automatic maintenance of the sprayed liquid layer thickness
На рис. 12 показан внешний вид экспериментального ультразвукового распылителя, реализующего метод контроля толщины слоя в процессе распыления. Его основные технические характеристики: частота ультразвуковых колебаний – 22 кГц, мощность – 150 Вт, амплитуда колебаний рабочего окончания 10–30 мкм, допустимый диапазон вязкостей распыляемой жидкости 1–5 сПз, максимальная производительность 15 мл/с.
Благодаря применению алгоритма управления процессом распыления с автоматическим поддержанием толщины была обеспечена возможность автоматизации процесса распыления. Поддержание толщины слоя жидкости на оптимальном уровне позволяет варьировать производительность распыления в широких пределах.
Заключение
В результате проведенных исследований предложен и разработан способ косвенного контроля толщины слоя распыляемой жидкости на колеблющейся поверхности ультразвукового распылителя по изменению резонансной частоты ультразвуковой колебательной системы. Возможность практической реализации контроля подтверждена результатами исследований, позволивших установить, что в рабочем диапазоне толщин слоя распыляемых жидкостей изменение резонансной частоты может достигать 100 Гц. Это достаточно для контроля толщины слоя.
Показано, что плотность жидкости является основным физическим параметром, который необходимо учитывать при определении коэффициента пропорциональности между толщиной пленки образуемой жидкостью на колеблющейся поверхности и изменением резонансной частоты распылительной системы.
Полученные зависимости позволили впервые предложить и разработать механизм управления процессом ультразвукового распыления, который опирается на измерение толщины слоя распыляемого материала на распылительном окончании. Разработанный механизм (алгоритм) управления обеспечивает устойчивый режим распыления в широком диапазоне производительности при минимальном отклонении размеров формируемых капель относительно среднего значения.
Практическая реализация предложенного способа позволила разработать и изготовить ультразвуковой распылитель с автоматическим поддержанием толщины слоя распыляемой жидкости, обеспечивающий формирование капель жидкости с производительностью до 15 мл/с на частоте ультразвукового воздействия 22 кГц.
Об авторах
Владимир Николаевич Хмелев
Алтайский государственный технический университет
Email: vnh@bti.secna.ru
ORCID iD: 0000-0001-7089-3578
доктор технических наук, профессор кафедры методов и средств измерений и автоматизации, заместитель директора по науке Бийского технологического института
Россия, 659305, Бийск, ул. Трофимова, 27Андрей Викторович Шалунов
Алтайский государственный технический университет
Email: shalunov@bti.secna.ru
ORCID iD: 0000-0002-5299-9931
доктор технических наук, заведующий кафедрой методов и средств измерений и автоматизации Бийского технологического института
Россия, 659305, Бийск, ул. Трофимова, 27Дмитрий Владимирович Генне
Алтайский государственный технический университет
Автор, ответственный за переписку.
Email: gdv@bti.secna.ru
ORCID iD: 0000-0002-8104-8895
инженер кафедры методов и средств измерений и автоматизации Бийского технологического института
Россия, 659305, Бийск, ул. Трофимова, 27Список литературы
- Zoughaib A., Hanna R. Atomization of high viscosity liquids through hydraulic atomizers designed for water atomization // Experimental Thermal and Fluid Science. – 2017. – Vol. 85. – P. 140–153.
- Studies on an ultrasonic atomization feed direct methanol fuel cell / W. Chaoqun, L. Linghao, T. Kai, C. Tao // Ultrasonis Sonochemistry. – 2017. – Vol. 34. – P. 60–66.
- Kifayatullah S., Chan L.W., Wong T.W. Critical physicochemical and biological attributes of nanoemulsions for pulmonary delivery of rifampicin by nebulization technique in tuberculosis treatment // Drug Delivery. – 2017. – Vol. 24. – P. 1631–1647.
- Comparative diffusivity measurements for alginate-based atomized and inkjet-bioprinted artificial cells using fluorescence microscopy / M. Mobed-Miremadi, B. Asi, J. Parasseril, E. Wong, Y. Shan // Artif Cell Nanomed Biotechnol. – 2013. – Vol. 41. – P. 196–201.
- Ультразвуковая коагуляция в скрубберах Вентури: особенности реализации и эффективность применения / В.Н. Хмелев, А.В. Шалунов, С.Н. Цыганок, В.А Нестеров // Известия Томского политехнического университета. – 2020. – Т. 331. – № 5. – С. 128–139.
- Ochowiak M. The experimental studies on atomization for conical twin-fluid atomizers with the swirl motion phenomenon // Chemical Engineering and Processing. – 2016. – Vol. 109. – P. 32–38.
- Electrostatic spray drying for monoclonal antibody formulation / T.T. Mutukuri, Y.F. Maa, B. Gikanga, R. Sakhnovsky, Q.T. Zhou // Int J Pharmaceut. – 2021. – Vol. 607. – 120942.
- Dafsari R.A., Lee H.J., Han J. Evaluation of the atomization characteristics of aviation fuels with different viscosities using a pressure swirl atomizer // International Journal Heat and Mass Transfer. – 2019. – Vol. 145. – 118704.
- Распыление жидкости при импульсном воздействии сжатым воздухом / Н.В. Коровина, О.Б. Кудряшова, Б.И. Ворожцов, Э.Р. Шрагер // Известия Томского политехнического университета. – 2013. – Т. 322. – № 2. – С. 167–171.
- Kuhn M.B., Desjardins O. A numerical study of an atomizing jet in a resonant acoustic field // International Journal of Multiphase Flow. – 2023. – Vol. 167. – 104522
- Deepu P., Peng C., Moghaddam S. Dynamics of ultrasonic atomization of droplets // Experimental Thermal and Fluid Science. – 2017. – Vol. 92. – 243.
- Effects of acoustic actuation on a multi-phase jet / P.D. Huck, R. Osuna-Orozco, N. Machicoane, A. Aliseda // 15th Triennial International Conference on Liquid Atomization and Spray Systems. – 2021. – hal-03318043.
- Effect of ultrasonic frequency on size distributions of nanosized mist generated by ultrasonic atomization / T. Kudo, K. Sekiguchi, K. Sankoda, N. Namiki, S. Nii // Ultrasonics Sonochemistry. – 2017. – Vol. 37. – P. 16–22.
- Song Y.L., Cheng C.H., Reddy M.K. Numerical analysis of ultrasonic nebulizer for onset amplitude of vibration with atomization experimental results // Water-SUI. – 2021. – Vol. 13. – 1972.
- Новицкий Б.Г. Применение акустических колебаний в химико-технологических процессах (процессы и аппараты химической и нефтехимической техники). – М.: Химия, 1983. – 192 с.
- Shalunov A.V. Khmelev V.N. Smerdina E.S. The cavitation spraying of the viscous liquids // International Workshops and Tutorials on Electron Devices and Materials EDM'2006: Workshop Proceedings. – Novosibirsk: NSTU, 2006. – P. 269–273.
- Donnelly T., Hogan J. An experimental study of micron-scale droplet aerosols produced via ultrasonic atomization // Physics of Fluids. – 2004. – Vol. 16 (8). – P. 2843–2851.
- Sindayihebyra D., Dobre M., Bolle L. Experimental study of thin liquid film ultrasonic atomization // Proceedings ExHFT-4. – Brussels, Belgium, 1997.
- Макаров Л.О. Акустические измерения в процессах ультразвуковой технологии. – М.: Машиностроение, 1983. – 56 с.
- Теумин И. И. Ультразвуковые колебательные системы. – М.: Машгиз, 1959. – 331 с.
- Гершгал Д.А., Фридман В.М. Ультразвуковое технологическое оборудование. – М.: Энергия, 1976. – 318 с.
- The system of checking and operating power of ultrasonic technological apparatus / A.V. Shalunov, V.N. Khmelev, R.V. Barsukov, A.N. Slivin, S.N. Tchyganok // Siberian Russian Student Workshops and Tutorials on Electron Devices and Materials EDM'2001: Workshop Proceedings. – Novosibirsk: NSTU, 2001. – P. 54–55.
- Adjusting and calibration electronic ultrasonic generators / A.V. Shalunov, V.N. Khmelev, R.V. Barsukov, S.N. Tsyganok, V.N. Steer, A.N. Lebedev // Siberian Russian Workshops and Tutorials on Electron Devices and Materials EDM'2003: Workshop Proceedings. – Novosibirsk: NSTU, 2003. – P. 202–204.
- Донской А.В., Келлер О.К., Кратыш Г.С. Ультразвуковые электротехнологические установки. 2-е изд., перераб. и доп. – Л.: Энергоиздат, 1982. – 208 с.
Дополнительные файлы















