Secondary metabolites of soybean seeds variety locus and their spatial arrangement, represented by laser microscopy
- 作者: Razgonova M.P.1,2, Cherevach E.I.2, Butovets E.S.3, Lukyanchuk L.M.3, Vasina E.A.3, Shepel O.L.4, Golokhvast K.S.1,5
-
隶属关系:
- Federal Research Center the Vavilov All-Russian Institute of Plant Genetic Resources (VIR)
- Far Eastern Federal University, Advance Engineering School «Institute of Biotechnology, Bioengineering and Food System»
- Chaika Federal Scientific Center for Agrobiotechnology of the Far East
- Far Eastern Research Institute of Agriculture, Khabarovsk Federal Scientific Center, Far Eastern branch, Russian Academy of Sciences
- Siberian Federal Research Center of Agricultural Biotechnology, Russian Academy of Sciences
- 期: 编号 2 (2024)
- 页面: 34-42
- 栏目: Crop production, plant protection and biotechnology
- URL: https://journal-vniispk.ru/2500-2627/article/view/260364
- DOI: https://doi.org/10.31857/S2500262724020078
- EDN: https://elibrary.ru/GTLRZY
- ID: 260364
如何引用文章
全文:
详细
The purpose of this study is a detailed metabolomic analysis using tandem mass spectrometry of the soybean variety Locus, selected from the collection of the Federal Scientific Center for Agrobiotechnologies of the Far East named after A. K. Chaika», to identify both the polyphenolic composition of seeds and the determination of other chemical groups in the composition of the seed. Tandem mass spectrometry studies were further supported by visual data obtained for the first time using laser microscopy. The object of the study is the seeds of the soybean variety Locus, grown in 2022 at the field site of the soybean breeding laboratory of the Federal Scientific Center for Agrobiotechnologies of the Far East named after A. K. Chaika», located in the village of Timiryazevsky (near the city of Ussuriysk). Experiments were carried out on a CLSM-800 laser confocal microscope and mass spectrometry of biologically active substances on an amaZon SL ion trap. Laser microscopy made it possible to clarify in detail the spatial distribution of the content of phenolic acids, flavonols and anthocyanins in soybean seeds. The studies were able to convincingly show that soybean polyphenolic substances and, in particular, anthocyanins are spatially localized mainly in the soybean seed coat. High-performance liquid chromatography coupled with ion trap (tandem mass spectrometry) was used to identify target analytes in soybean seed extracts. Using tandem mass spectrometry, the presence of 59 compounds was identified, of which 35 compounds represent the group of polyphenolic compounds. 15 compounds were identified for the first time in soybean extracts of the Locus variety. These are flavones: apigenin, acacetin, cirsimaritin; tetrahydroxyflavone aromadendrin 7-O-rhamnoside; lignan medioresinol; coumarin tomentin and other polyphenolic compounds. The data obtained will help intensify future research on the development and production of new drugs, dietary supplements, food additives and various functional and specialized products containing targeted soybean extracts.
全文:
Соя (Glycine max (L) Merr.) – экономически важный представитель семейства Fabaceae. Будучи известным источником дешевого концентрированного белка и растительного масла, соя на сегодняшний день приобрела мировое значение среди сельскохозяйственных культур. В последние годы производство сои в России демонстрирует стабильный рост из-за расширения посевных площадей и появления новых урожайных сортов [1, 2]. Прирост посевных площадей в 2021 г., относительно 2010 г., составил 134 %, а валовое производство увеличилось на 279 %. К основным регионам возделывания сои в России относят Амурскую, Курскую и Белгородскую области, а также Приморский и Краснодарский края – 62 % всех посевных площадей. Доля посевов этой культуры на Дальнем Востоке составляет 44 % от общероссийских [3, 4].
Семена сои в пересчете на сухую массу содержат 35…40 % белка, из которых 90 % составляют два запасных глобулина – 11S-глицинин и 7S β-конглицинин. Эти белки содержат все аминокислоты, необходимые для питания человека, что делает соевые продукты почти эквивалентными животным источникам по качеству белка, но с меньшим количеством насыщенных жиров и отсутствием холестерина. Кроме того, соя содержит такие биологически активные белковые компоненты, как гемагглютинин, ингибиторы трипсина, α-амилазы и липоксигеназы [5].
Среди исследователей и потребителей существует большой интерес к потенциальной роли сои и соевых продуктов в профилактике заболеваний. Клинические и научные данные выявили лечебную пользу компонентов сои при нарушениях обмена веществ и других хронических заболеваниях (диабет, ожирение, рак, остеопороз, климактерический синдром, анемия и др.). В качестве шага к пониманию механизмов влияния пищевых компонентов на здоровье важно изучить химический состав и выявить активные компоненты, ответственные за благотворное воздействие. Показано, что польза сои для здоровья обусловлена такими ее вторичными метаболитами, как изофлавоны, фитостеролы, лецитины, сапонины и др., в частности, отмечено, что изофлавоны, по-видимому, действуют в сочетании с белками, защищая от рака, сердечно-сосудистых заболеваний и остеопороза [6].
Все большее распространение получают новые прогрессивные методы исследования сои и соевых компонентов, например, лазерная микроскопия. Этот метод основан на способности химических веществ флуоресцировать при возбуждении лазером и может быть использован для визуализации расположения химических соединений в органах и тканях различных растений [7, 8]. Предыдущие микроскопические исследования сои на основе автофлуоресценции были сосредоточены на визуализации таких анатомических особенностей, как трехмерная (3D) внутренняя структура семени [9] и анатомия листа Glycine max (L.) Merr. [10].
Хотя при изучении сои широко используют различные методы микроскопии, большинство из которых ориентированы только на оптическую микроскопию, специфическое окрашивание белков или полисахаридов и анализ сигналов специфических антител с флуоресцентной меткой [11, 12].
Поэтому была предпринята попытка изучения полифенольного состава сои методом автофлуоресценции, который позволяет визуально регистрировать локализацию полифенольных компонентов в семенах. Такой простой метод, как регистрация сигналов автофлуоресценции, сильно недооценен и может дать достаточно большой объем информации без сложной подготовки проб. Несмотря на недостаточность использования этого метода без поддержки данных, например, рамановской спектроскопии или MALDI-спектрометрии, он применим для более глубокого анализа семян сои с точки зрения классов присутствующих в растительной матрице соединений.
Предлагаемый метод перспективен для сбора предварительных данных и анализа большого количества сортовых образцов. Использование такого подхода может обеспечить экономию времени, ресурсов и реагентов, а также повышение уровня исследований в лабораториях, не имеющих более сложного оборудования. Такой подход, предусматривающий использование сразу двух новых прогрессивных методов, можно считать пионерными в России.
Цель исследования – детальный метаболомный анализ методом тандемной масс-спектрометрии сорта сои Локус (дополнительно подкреплен визуальными данными, впервые полученными методом лазерной микроскопии) для идентификации как полифенольного состава семян, так и определения других химических групп в составе семени.
Методика. В качестве объекта исследования использовали семена сорта сои Локус (оригинатор – Дальневосточный научно-исследовательский институт сельского хозяйства – обособленное подразделение Хабаровского Федерального исследовательского центра Дальневосточного отделения РАН) из коллекции ФГБНУ «ФНЦ агробиотехнологий Дальнего Востока им. А. К. Чайки». Морфологическая, биометрическая и биохимическая характеристика сорта была составлена по результатам пятилетних исследований, учетов и наблюдений в условиях Приморского края. Сорт сои Локус индетерминантного типа роста, форма куста – раскидистая. Листья тройчатые овальной формы. Цветки белой окраски, собранные в кисти по 6…15 шт. Окраска опушения – рыжая. Бобы темно-коричневые. Период вегетации сорта 108…111 дней, хозяйственная урожайность – 21,1…22,9 ц/га. Высота растения 50…86 см, прикрепления нижних бобов – 10,0…14,0 см, толщина стебля 0,5…0,7 см. Семена черные, среднего размера, овально-шаровидные, рубчик семени черного цвета. Масса 1000 семян 140…155 г.
Семена сорта сои Локус для исследований выращены в 2022 г. на полевом участке лаборатории селекции сои ФГБНУ «ФНЦ агробиотехнологий Дальнего Востока им. А. К. Чайки», расположенном в п. Тимирязевский (вблизи г. Уссурийск). В 2022 г. складывались благоприятные условия для развития сои, при этом в отдельные декады с июня по сентябрь присутствовали избыточное увлажнение (сумма осадков за месяц превысила норму на 24,7…101,0 мм) и повышенный температурный фон, в сравнении с среднемноголетними значениями. Большее количество выпавших осадков зафиксировано в третьей декаде июня – 78,8 мм (среднемноголетнее 25,0 мм), второй декаде июля – 163,4 мм (среднемноголетнее 38,0 мм), третьей декаде августа – 81,7 мм (среднемноголетнее 45 мм). Благоприятное сочетание влаги и тепла способствовало формированию полноценных продуктивных завязей бобов, что позитивно отразилось на урожайности культуры.
Почва экспериментального участка – лугово-бурая отбеленная с тяжелым механическим составом, характеризовалась следующими агрохимическими показателями: рН солевой вытяжки – 6,2 (ГОСТ 26483-85), гидролитическая кислотность – 1,5 мг экв/кг почвы, N л. г. – 73,0 мг/кг почвы (ГОСТ Р 58596–2019), P₂O₅–89,0 мг/кг почвы и К₂О – 97,0 мг/кг почвы (ГОСТ Р 54650–2011), органическое вещество – 3,57 % (ГОСТ 2623-91). Урожай убран в фазе технической спелости семян. Семена хранили в морозильной камере при температуре –15 °C не более недели до начала экспериментов.
Для получения высококонцентрированных экстрактов проводили дробную мацерацию. Для анализа отбирали 50 г семян сои сорта Локус, при этом общее количество экстрагента (метилового спирта х. ч.) разделяли на 3 части и последовательно настаивали семена сои сначала с первой частью, затем со второй и третьей. Время экстрагирования каждой части представленной растительной матрицы составляло 7 дней [13]. Для идентификации в экстрактах целевых аналитов использовали высокоэффективную жидкостную хроматографию (ВЭЖХ) в комплексе с ионной ловушкой BRUKER DALTONIKS (тандемная масс-спектрометрия).
Для разделения многокомпонентных смесей использовали жидкостный хроматограф высокого давления Shimadzu LC-20 Prominence HPLC (Shimadzu, Япония), оборудованный UV-детектором и обратнофазной колонкой Shodex ODP-40 4E (250 × 4,6, размер частиц 4 мкм). Элюировали в градиенте от воды к ацетонитрилу (А, %): 0…4 мин – 0 % А; 4…60 мин – 25 % А; 60…75 мин – 100 % А; 75…120 мин – 100 % А, скорость потока 0,5 мл/мин. ВЭЖХ-анализ проводили на UV–VIS-детекторе SPD-20A (Kanda-Nishikicho 1-chrome, Shimadzu, Chiyoda-ku, Tokyo, Япония) при длинах волн 230 ηм и 330 ηм, температура 50 °C. Объем загрузочной петли составлял 200 мкл.
Масс-спектрометрические данные получали с использованием ионной ловушки amaZon SL (производство фирмы «BRUKER DALTONIKS», Германия), оснащенной источником ионизации электрораспылением ESI в режимах отрицательных и положительных ионов. Оптимизированные параметры получали следующим образом: температура источника ионизации – 70 °C, поток газа – 4 л/мин, газ-небулайзер (распылитель) – 7,3 psi, капиллярное напряжение – 4500 V, напряжение на изгибе торцевой пластины – 1500 V, фрагментатор – 280 V, энергия столкновения – 60 eV. Масс-спектрометр использовали в диапазоне сканирования m/z 100–1.700 для MС и МС/МС. Проводили фрагментацию 4 порядка. Идентификацию химических компонентов осуществляли путем сравнения их индекса удерживания, масс-спектров и фрагментации МС с базой данных библиотеки, созданной Группой биотехнологий, биоинженерии и пищевых систем «Передовые инженерные школы» Дальневосточного федерального университета (Россия) на основе результатов таких спектроскопических методов, как ядерный магнитный резонанс, ультрафиолетовая спектроскопия и МС, а также путем сравнения экспериментальных данных с известными научными результатами, опубликованными в открытой научной литературе, которые постоянно обновляются и пересматриваются.
С использованием лазерного конфокального микроскопа CLSM 800 (Zeiss, Германия) определяли параметры автофлуоресценции среза семян. Выявлено 4 основных пика автофлуоресценции: при возбуждении УФ-лазером (405 нм) – максимумы излучения в диапазонах 410…450 нм, 495…550 нм и 570…610 нм; при возбуждении синим лазером (488 нм) – максимум излучения составляет 575…610 нм, что соответствует максимуму излучения антоцианов. Изображения были получены с использованием увеличения 10× и 20× и модуля Airyscan для увеличения разрешения.
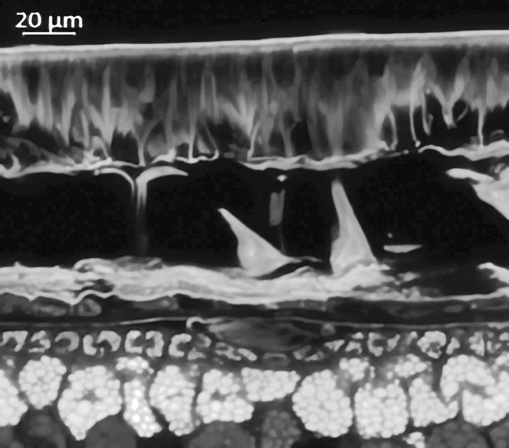
Результаты и обсуждение. Наблюдение автофлуоресценции позволяет сделать выводы о наличии и локализации флуоресцентных веществ в тканях растений. Повышенный уровень сигнала флуоресценции на отдельных участках отражает основные места накопления соединений определенных классов. На изображениях срезов семян сои зеленое автофлуоресцентное излучение при УФ-возбуждении исходит от феруловой кислоты и лигнина [14]. Следует отметить, что в алейронах отсутствует лигнин, а в стенках алейроновых клеток присутствуют кумаровая и диферуловая кислоты, которые могут способствовать автофлуоресценции таких клеточных стенок [15].
Неоднородность автофлуоресценции алейроновых клеточных стенок может быть дополнительно вызвана и другими веществами, например, кумаровой и диферуловой кислотами, обнаруженными в алейроновых клетках [16]. В технологии исследования семян метод автофлуоресцентной спектральной визуализации может применяться к флуоресцентным химическим соединениям, так называемым флуорофорам, играющим важную роль в биологии семян, включая пигменты (например, хлорофиллы) и такие структурные компоненты клеточной стенки, как лигнин [17, 18].
Когда флуоресцентные соединения стимулируются светом, они переводятся в возбужденное состояние в результате поглощения фотонов, а повторно излучаемый свет измеряется автофлуоресцентными спектральными датчиками изображения. Поглощение фотонов и испускание флуоресценции происходят одновременно [19, 20].
На мультиспектральном изображении семян сои сорта Локус наблюдали три основных максимума автофлуоресценции: в синей (400…475 нм), зеленой (500…545 нм) и красной (620…700 нм) областях спектра (рис. 1).
Рис. 1. Мультиспектральное изображение семян сои сорта Локус: возбуждение 405 нм, максимумы излучения в диапазонах 450…485 нм (1, синий цвет), 570…610 нм (2, зеленый цвет); возбуждение синим лазером (488 нм), максимум эмиссии 575…610 нм (3, красный цвет).
По литературным данным, синяя флуоресценция у растений обусловлена в основном наличием фенольных гидроксикоричных кислот [21]. Главный флуоресцентный компонент – феруловая кислота, но вклад во флуоресценцию могут вносить и другие гидроксикоричные кислоты (например, п-кумаровая и кофейная) [22]. Кроме того, лигнин считают хорошо известным источником синей флуоресценции растений. Он имеет широкий диапазон излучения из-за присутствия в молекуле нескольких типов флуорофоров и может наблюдаться при возбуждении УФ- и видимым светом [18]. Результаты предыдущих исследований свидетельствуют о низком содержании лигнина в семенной оболочке бобовых [23], а также слабой лигнификации семядолей [24]. Таким образом, большая часть синей флуоресценции семян сои исходит от гидроксикоричных кислот.
Рис. 2. Пространственное расположение антоцианов (а) и гидроксикоричных кислот (б) в семенах сои сорта Локус.
В ходе исследования установлено наличие и пространственное расположение антоцианового содержания в семенах сои сорта Локус (красный цвет, рис. 2 а), и пространственное расположение гидроксикоричных кислот (синий цвет, рис. 2 б). Уровень сигнала красной флуоресценции хорошо коррелирует с цветом семян. Результаты микроскопических исследований свидетельствуют, что палисадный слой черносемянного сорта Локус имеет яркую красную флуоресценцию (см. рис. 1, рис 2 б). Ранее сообщалось, что черный цвет семенной кожуры бобовых – следствие большого количества антоцианов [25]. Это подтверждает, что ярко-красная флуоресценция вызвана именно перечисленными соединениями полифенольной группы.
Рис. 3. Наличие и пространственное расположение полифенольной группы соединений в семенах сои сорта Локус.
Зеленая автофлуоресценция (рис. 3), индуцированная синим светом, в диапазоне 500…545 нм может быть объяснена присутствием флавонов, флавонолов, флаван-3-олов (апигенина, генистеина, лютеолина, изорамнетина, лютеолина, эпикатехина и др.) и их производных [26, 27].
Метод тандемной масс-спектрометрии использован для идентификации вторичных метаболитов полифенольной группы в семенах сои, присутствие которых отражено на снимках лазерной микроскопии (см. рис. 1–3). Уточнение метаболомного состава – чрезвычайно важный аспект биохимического анализа. В результате масс-спектрометрического исследования предварительно выделено 59 химических соединений, присутствующих в сое сорта Локус, из них 35 соединений представляли собой соединения полифенольной группы, 15 химических соединений были идентифицированы в сое сорта Локус впервые. Это флавоны (апигенин, акацетин, цирсимаритин, витексин); тетрагидроксифлавон аромадендрин 7-О-рамнозид, лигнан медиоресинол, кумарин томентин, дигидрокемпферол гексозид, метилгалловая кислота, монопальмитин, линоленовая кислота и др. (см. табл.).
Соединения, идентифицированные в экстракте семян сои Glycine max (L) Merr. (сорт Локус)
Класс химического соединения | Идентификация | Ион- аддукт [M-H]- | Ион- аддукт [M+H]+ | Фрагментирование МС/МС | Научный источник, использованный для уточнения идентификации | ||
1 порядка | 2 порядка | 3 порядка | |||||
Полифенолы, флавоны | |||||||
Флавон | Daidzein [Daidzeol] | 255 | 199; 137 | 181 | 153 | ||
Флавон | Apigenin | 271 | 153 | 135 | |||
Флавон | Trihydroxy (iso)flavone | 271 | 197 | 129 | прополис [32] | ||
Флавон | Genistein [Pruneton; Sophoricol] | 271 | 254; 215; 153 | 210; 181; 133 | |||
Флавон | Acacetin [Linarigenin; Buddleoflavonol] | 285 | 270; 225; 167 | 242; 152 | 213 | ||
Флавон | Glycitein | 285 | 270; 229; 145 | 242 | 213; 168 | черные соевые бобы [29] | |
Флавон | Cirsimaritin [Scrophulein] | 315 | 300 | 272 | 229 | ||
Флавон | Daidzin [Daidzoside] | 417 | 255 | 199; 137 | 181 | черные соевые бобы [29] | |
Флавон | Apigenin-7-O-glucoside [Apigetrin | 431 | 268 | 239; 132 | 211 | ||
Флавон | Vitexin [Apigenin 8-C-Glucoside] | 432 | 415; 271; 133 | 133 | |||
Флавон | Glycitin [Glycitein 7-O-glucoside] | 447 | 285 | 270; 229; 145 | 242; 152 | ||
Флавон | Luteolin 7-O-glucoside [Cynaroside] | 449 | 287 | 213 | 185 | Lonicera japonica [31] | |
Флавон | Acetyl genistin | 475 | 271 | 215; 153 | 197 | черные соевые бобы [29] | |
Флавон | Genistein C-glucoside malonylated | 519 | 271 | 215; 153 | 197 | ||
Флавон | Apigenin O-glucoside malonylated | 519 | 271; 164 | 153 | Mexican lupine species [33] | ||
Флавонол | Isorhamnetin | 315 | 283 | 255 | 227 | Spondias purpurea [40] | |
Флавонол | Dihydrokaempferol-O-hexoside | 449 | 287 | 259 | 215 | Rhus coriaria [39] | |
Флавонол | Quercetin 3-O- glucoside | 463 | 301 | 271; 179 | 151 | Ribes meyeri [30]; Lonicera japonica [31]; Spondias purpurea [40] | |
Флаван-3-ол | Epiafzelechin [(epi)Afzelechin] | 275 | 256 | 212 | 195 | A. cordifolia; F. glaucescens [41] | |
Флаван-3-ол | Catechin | 291 | 207; 123 | 123 | |||
Флаван-3-ол | (Epi)-catechin | 291 | 273; 123 | 123 | C. edulis [41] | ||
Флаван-3-ол | (Epi)Gallocatechin | 305 | 225; 287 | 163 | |||
Тетрагидрок- сифлаванон | Aromadendrin 7-O-rhamnoside | 433 | 313 | 285 | 257 | Zostera marina [43] | |
Танин | Procyanidin A-type dimer | 577 | 425; 245 | 245; 217 | 217; 189 | grape juice [44] | |
Флавоноид | 1,2,3,4,6-penta-O-galloyl-β-D-glucopyranoside | 940 | 523; 455 | 421 | Rhodiola crenulata [45] | ||
Антоцианин | Cyanidin-3-O-glucoside [Cyanidin 3-O-beta-D-Glucoside] | 449 | 287 | 213; 137 | 170 | Glycine soja [28]; черные соевые бобы [29]; Ribes magellanicum [42] | |
Гидроксибен-зойная кислота | Protocatechuic acid | 155 | 127 | ||||
Метилбензой-ная кислота | Methylgallic acid | 185 | 168; 143 | 122 | Lonicera caerulea [46] | ||
Фенольная кислота | Ethyl 3,4-Dihydroxycinnamate | 207 | 179 | 135 | Lepechinia [47] | ||
Фенольная кислота | Caffeic acid-O-hexoside | 341 | 179; 113 | 119 | Ribes magellanicum [42] | ||
Гидроксико- ричная кислота | Chlorogenic acid [3-O-Caffeoylquinic acid] | 353 | 191 | 127 | Lonicera japonica [31]; Spondias purpurea [40]; Ribes magellanicum [42] | ||
Гидроксико- ричная кислота | Neochlorogenic acid [5-O-Caffeoylquinic acid] | 353 | 191 | 173 | 126 | ||
Фенольная кислота | Caffeic acid derivative | 377 | 341; 215 | 179; 143 | Embelia [48] | ||
Кумарин | Tomentin | 223 | 208 | 180 | 165 | Jatropha [49] | |
Лигнан | Syringaresinol | 419 | 326; 285; 246; 216 | 298; 282; 254; 218 | 252; 226; 208 | Magnolia [50] | |
Соединения других химических групп | |||||||
Циклогексен-карбоновая кислота | Shikimic acid [L-Schikimic acid] | 175 | 157 | 112 | |||
Ароматическая аминокислота | Tyrosine | 182 | 154 | 127 | листья сои [51]; Vigna unguiculata [52]; Euphorbia hirta [53] | ||
Незаменимая аминокислота | L-Tryptophan | 205 | 188 | 146 | 118 | Vigna unguiculata [52]; Euphorbia hirta [53]; Rosa acicularis [54] | |
Органическая кислота | Glucoheptonic acid [Gluceptate] | 227 | 161 | 145 | 127 | листья сои [51] | |
Карбоновая кислота | Myristoleic acid [Cis-9-Tetradecanoic acid] | 227 | 209; 165 | 121 | |||
Пуриновый нуклеозид | Inosine | 269 | 136 | Lonicera japonica [31] | |||
Рибонукле- озидный композит аденина (пурина) | Adenosine | 268 | 136 | 112 | |||
Омега-3-жирные кислоты | Linolenic acid (Alpha-Linolenic acid) | 279 | 261 | 219 | 163 | ||
Оксилипины | 11-Hydroperoxy-octadecatrienoic acid | 311 | 182 | 165 | 147 | листья картофеля [56] | |
Оксилипины | 13- Trihydroxy-Octadecenoic acid [THODE] | 329 | 291; 171 | 247 | 245; 122 | Jatropha [49] | |
Глицерил пальмитат | Monopalmitin | 331 | 314; 152 | 152 | 134 | соевые бобы [28] | |
Сахар | Fructose 1,6-bisphosphate | 337 | 190 | 123 | |||
Сахар | Fructose 2,6-bisphosphate | 341 | 273; 209; 129 | 128 | |||
Сахар | Sucrose | 341 | 179; 113 | 119 | |||
Нафтохинон | 8,8'-Dihydroxy-2,2'-binaphthalene-1,1',4,4'-tetrone | 347 | 319; 219 | 291; 219 | 261; 191 | Juglans mandshurica [57] | |
Сахар | Trehalose (+FA adduct) CH2O2 | 387 | 341 | 178 | 113 | Pubchem | |
Стероид | Vebonol | 453 | 435; 210 | 226; 336 | 210 | ||
Сапонин | Soyasapogenol A | 475 | 459 | 177; 221; 309; 371 | 133 | Pubchem | |
Сахар | Maltotriose [Amylotriose] | 505 | 487; 441; 385; 235 | 440; 385; 235; 191 | 382; 277; 209; 147 | листья сои [51] | |
Индолсесквитер-пеновый алкалоид | Sespendole | 520 | 184 | 125 | Rhus coriaria [39] | ||
Сапонин | Chikusetsusaponin Iva | 796 | 597; 439; 245 | 421; 365; 245 | 403; 308; 271 | ||
Сапонин | Soyasaponin Bb' [Soyasaponin III] | 797 | 598; 423; 229 | 581; 423 | 537; 405; 281; 170 | черные соевые бобы [21] | |
Сапонин | Soyasaponin I [Soyasaponin Bb] | 944 | 423; 295 | 354; 203; 121 | |||
Сапонин | Soyasaponin Beta g | 1069 | 507; 415; 331; 299 | 331; 299 | 185 | ||
С использованием тандемной масс-спектрометрии в режиме положительных ионов в экстракте из семян сои сорта Локус был идентифицирован глицерил пальмитата монопальмитина (рис. 4).
Рис. 4. Масс-спектр соединения монопальмитина, полученный из экстракта семян сои сорта Локус (верхняя линия ‒ МС-скан в диапазоне 100…1700 m/z, далее ‒ спектры фрагментации (сверху вниз): МС2 протонированного иона монопальмитина (332,22 m/z), МС3 фрагмента 332,22→314,19 m/z и МС4 фрагмента 332,22→314,19→152,19).
На масс-спектре видно, что [M+H]– ион продуцирует два фрагментированных иона, m/z 314.19 и m/z 152.17. Фрагментированный ион m/z 314.19 формирует один характерный дочерний ион (m/z 152.19). Далее дочерний ион m/z 152.19 формирует ион четвертой фрагментации m/z 134.18. В статье, посвященной рассмотрению подобных масс-спектров семян сои это соединение классифицировали как глицерил пальмитат монопальмитин [28].
Рис. 5. Масс-спектр соединения хлорогеновой кислоты, полученный из экстракта семян сои сорта Локус (верхняя линия ‒ МС-скан в диапазоне 100…1700 m/z, далее спектры фрагментации (сверху вниз): МС2 протонированного иона хлорогеновой кислоты (353,32 m/z), МС3 фрагмента 353,32→191,24 m/z и МС4 фрагмента 353,32→191,24→127,26).
В масс-спектре, полученном в режиме отрицательных ионов (рис. 5), показано, что [M-H]– ион продуцирует один фрагментированный ион, m/z 191.24. Фрагментированный ион m/z 191.24 формирует характерный дочерний ион: m/z 127.26. В литературе это соединение определяют, как хлорогеновая кислота: Lonicera japonica [31]; Spondias purpurea [40]; Ribes magellanicum [42].
Рис. 6. Масс-спектр соединения цианидина 3-О-глюкозида, полученный из экстракта семян сои сорта Локус (верхняя линия ‒ МС-скан в диапазоне 100…1700 m/z, далее спектры фрагментации (сверху вниз): МС2 протонированного иона цианидина 3-О-глюкозида (449,19 m/z), МС3 фрагмента 449,19→287,14 m/z и МС4 фрагмента 449,19→287,14→213,05).
Еще в одном масс-спектре, полученном в режиме отрицательных ионов, из экстракта семян сои сорта Локус, установлено, что [M+H]+ ион продуцирует один фрагментированный ион, m/z 287.14 (рис. 6). Фрагментированный ион m/z 191.24 формирует два дочерних иона: m/z 213.05 и m/z 137.15. Далее представлена фрагментация четвертого порядка: дочерний ион m/z 170.96. В литературе это соединение идентифицируют, как цианидин 3-О-глюкозид: Glycine soja [28]; черные соевые бобы [29]; Ribes magellanicum [42].
Выводы. Данные, полученные методом лазерной микроскопии, свидетельствуют о богатом присутствии соединений полифенольного комплекса в семенах сои сорта Локус. Результаты исследования свидетельствуют, что фенольные соединения сои пространственно расположены преимущественно в семенной кожуре и наружном слое семядолей. Антоцианов особенно много в палисадном слое. Эта информация может быть полезна для быстрой оценки сортов в селекции, особенно при ее проведении в отношении таких соединений.
В мацерационных экстрактах семян сои сорта Локус было идентифицировано 35 соединений полифенольной группы, многие из которых характерны для вида Glycine max (L) Merr, в том числе 15 полифенольных соединений идентифицированы в растениях этого вида впервые – флавоны апигенин, акацетин, цирсимаритин; тетрагидроксифлавон аромадендрин 7-О-рамнозид; флавонолы изорамнетин, гексозид дигидрокемпферола, лигнан медиоресинол; флаван-3-олы эпиафзелехин, катехин, эпикатехин, кумарин томентин и др.
Полученные данные могут интенсифицировать будущие исследования по разработке и производству различных продуктов функционального питания, содержащих целевые экстракты Glycine max (L) Merr.
ФИНАНСИРОВАНИЕ РАБОТЫ.
Работа выполнена при финансовой поддержке Министерства науки и высшего образования Российской Федерации в рамках достижения результатов федерального проекта «Передовые инженерные школы», Соглашение № 075–15–2022–1143 от 07.07.2022.
СОБЛЮДЕНИЕ ЭТИЧЕСКИХ СТАНДАРТОВ.
В данной работе отсутствуют исследования человека или животных.
КОНФЛИКТ ИНТЕРЕСОВ.
Авторы данной работы заявляют, что у них нет конфликта интересов.
作者简介
M. Razgonova
Federal Research Center the Vavilov All-Russian Institute of Plant Genetic Resources (VIR); Far Eastern Federal University, Advance Engineering School «Institute of Biotechnology, Bioengineering and Food System»
编辑信件的主要联系方式.
Email: m.razgonova@vir.nw.ru
кандидат технических наук
俄罗斯联邦, 190000, Sankt-Peterburg, ul. Bol’shaya Morskaya, 42–44; 690922, Vladivostok, ostrov Russkii, Ayaks, 10E. Cherevach
Far Eastern Federal University, Advance Engineering School «Institute of Biotechnology, Bioengineering and Food System»
Email: m.razgonova@vir.nw.ru
доктор технических наук
俄罗斯联邦, 690922, Vladivostok, ostrov Russkii, Ayaks, 10E. Butovets
Chaika Federal Scientific Center for Agrobiotechnology of the Far East
Email: m.razgonova@vir.nw.ru
кандидат сельскохозяйственных наук
俄罗斯联邦, 692539, Ussuriisk, Primorskii krai, pos. Timiryazevskii, ul. Volozhenina, 30L. Lukyanchuk
Chaika Federal Scientific Center for Agrobiotechnology of the Far East
Email: m.razgonova@vir.nw.ru
俄罗斯联邦, 692539, Ussuriisk, Primorskii krai, pos. Timiryazevskii, ul. Volozhenina, 30
E. Vasina
Chaika Federal Scientific Center for Agrobiotechnology of the Far East
Email: m.razgonova@vir.nw.ru
俄罗斯联邦, 692539, Ussuriisk, Primorskii krai, pos. Timiryazevskii, ul. Volozhenina, 30
O. Shepel
Far Eastern Research Institute of Agriculture, Khabarovsk Federal Scientific Center, Far Eastern branch, Russian Academy of Sciences
Email: m.razgonova@vir.nw.ru
俄罗斯联邦, 680000, Khabarovsk, ul. Dzerzhinskogo, 54
K. Golokhvast
Federal Research Center the Vavilov All-Russian Institute of Plant Genetic Resources (VIR); Siberian Federal Research Center of Agricultural Biotechnology, Russian Academy of Sciences
Email: m.razgonova@vir.nw.ru
доктор биологических наук
俄罗斯联邦, 190000, Sankt-Peterburg, ul. Bol’shaya Morskaya, 42–44; 630501, Novosibirskaya obl., Novosibirskii r-n, pos. Krasnoobsk, a/ya 463参考
- Создание высокопродуктивного сорта сои классическими методами селекции / В. В. Толоконников, Т. С. Кошкарова, Г. О. Чамурлиев и др. // Известия Нижневолжского агроуниверситетского комплекса: Наука и высшее профессиональное образование. 2021. № 2 (62). С. 87–93. doi: 10.32786/2071–9485–2021–02–09.
- Синеговская В. Т., Фокина Е. М. Селекция сои как инструмент решения задач импортозамещения в Дальневосточном федеральном округе // Труды Кубан. гос. аграр. ун-та. 2018.Вып. 172. С. 328–331. doi: 10.21515/1999-1703-72-328-331.
- Синеговский М. О. Перспективы производства сои в Дальневосточном федеральном округе // Вестник российской сельскохозяйственной науки. 2020. Вып. 1. С. 13–16. doi: 10.30850/vrsn/2020/1/13-16.
- Бутовец Е. С., Страшненко Т. Н. Изучение сортов сои дальневосточной селекции в условиях Приморского края // Аграрный вестник Приморья. 2020.Вып. 13 (19). С. 10–13.
- Genome-wide association mapping for seed protein and oil contents using a large panel of soybean accessions / D. Li, X. Zhao, Y. Han, et al. // Genomics. 2019. Vol. 111. No. 1. P. 90–95. doi: 10.1016/j.ygeno.2018.01.004.
- Soybean constituents and their functional benefits / A. K. Dixit, J. Antony, N. K. Sharma, et al. // Research Singpost. 2011. Vol. 37. No. 2. P. 367–383.
- Tissue localization of phenolic compounds in plants by confocal laser scanning microscopy / P. Hutzler, R. Fischbach, W. Heller, et al. // J. Exp. Bot. 1998. Vol. 49. P. 953–965.
- Spatial Distribution of Polyphenolic Compounds in Corn Grains (Zea mays L. var. Pioneer) Studied by Laser Confocal Microscopy and High-Resolution Mass Spectrometry / M. Razgonova, Y. Zinchenko, K. Pikula, et al. // Plants. 2022. Vol. 11. Article 630. URL: https://www.mdpi.com/2223–7747/11/5/630 (дата обращения: 02.12.2023).
- Three-dimensional internal structure of a soybean seed by observation of autofluorescence of sequential sections / Y. Ogawa, K. Miyashita, H. Shimizu, et al. // J. Jpn. Soc. Food Sci. Technol. 2003. Vol. 50. P. 213–217.
- Pegg T. J., Gladish D. K., Baker R. L. Algae to angiosperms: Autofluorescence for rapid visualization of plant anatomy among diverse taxa // Appl. Plant Sci. 2021. Vol. 9. Article e11437. URL: https://bsapubs.onlinelibrary.wiley.com/doi/pdf/10.1002/aps3.11437 (дата обращения: 02.12.2023).
- Systemic Uptake of Fluorescent Tracers by Soybean (Glycine max (L.) Merr.) Seed and Seedlings / Z. Wang, M. Amirkhani, S.A.G. Avelar, et al. // Agriculture. 2020. Vol. 10. Article 248. URL: https://www.mdpi.com/2077–0472/10/6/248 (дата обращения: 02.12.2023).
- Krishnan H.B., Jurkevich A. Confocal Fluorescence Microscopy Investigation for the Existence of Subdomains within Protein Storage Vacuoles in Soybean Cotyledons // Int. J. Mol. Sci. 2022. Vol. 23. Article 3664. URL: https://www.mdpi.com/1422–0067/23/7/3664 (дата обращения: 02.12.2023).
- Techniques for extraction of bioactive compounds from plant materials: A review / J. Azmir, I.S.M. Zaidul, M. M. Rahman, et al. // J. Food Eng. 2013. Vol. 117. P. 426–436.
- Rudall P. J., Caddick L. R. Investigation of the presence of phenolic compounds in monocotyledonous cell walls, using UV fluorescence microscopy // Annals of Botany. 1994. Vol. 74. P. 483–491.
- Endosperm structure affects the malting quality of barley (Hordeum vulgare L.) / U.R.M. Holopainen, A. Wilhelmson, M. Salmenkallio-Marttila, et al. // J. Agric. Food Chemistry. 2005. Vol. 53. P. 7279–7287.
- Hydroxycinnamic acids and ferulic acid dehydrodimers in barley and processed barley / D. Hernanz, V. Nunez, A. I. Sancho, et al. // J. Agric. Food Chemistry. 2001. Vol. 49. No. 10. P. 4884–4888.
- Goggin D. E., Steadman K. J. Blue and green are frequently seen: responses of seeds to short- and mid-wave length light // Seed Science Research. 2011. Vol. 22. No. 1. P. 27–35.
- Donaldson L. Autofluorescence in Plants // Molecules. 2020. Vol. 25. Article 2393. URL: https://www.mdpi.com/1420–3049/25/10/2393 (дата обращения: 02.12.2023).
- Frequency-upconverted stimulated emission by simultaneous five-photon absorption / Q. Zheng, H. Zhu, S.-C. Chen, et al. // Nature Protonics. 2013. Vol. 7. P. 234–239.
- Frequency-upconverted stimulated emission by simultaneous five-photon absorption / C.B. da Silva, N. M. Oliveira, M. E. Amaral de Carvalho, et al. // Nature Protonics. 2013. Vol. 7. P. 234–239.
- Identification of tissular origin of particles based on autofluorescence multispectral image analysis at the macroscopic scale / M. Corcel, M.-F. Devaux, F. Guillon, et al. // EPJ Web of Conferences. Powders & Grains 2017. Vol. 140 Article 05012. URL: https://www.epj-conferences.org/articles/epjconf/pdf/2017/09/epjconf162551.pdf. (дата обращения: 02.12.2023).
- Lichtenthaler H. K., Schweiger J. Cell wall bound ferulic acid, the major substance of the blue-green fluorescence emission of plants // J. Plant Physiol. 1998. Vol. 152. P. 272–282. URL: https://www.sciencedirect.com/science/article/abs/pii/S0176161798801429 (дата обращения: 02.12.2023).
- Brillouet J. M., Riochet D. Cell wall polysaccharides and lignin in cotyledons and hulls of seeds from various lupin (Lupinus L.) species // J. Sci. Food Agric. 1983. Vol. 34. P. 861–868.
- Evaluation of lignin content of soybean seed coat stored in a controlled environment / F. C. Krzyzanowski, J.D.B. Franca Neto, J.M. . Mandarino, et al. // Rev. Bras. De Sementes. 2008. Vol. 30. P. 220–223. URL: https://www.scielo.br/j/rbs/a/FzBZzk6xD6VCKDmbWCyTXmF/?lang=en (дата обращения: 02.12.2023).
- Genetic diversity of soybeans (Glycine max (L.) merr.) with black seed coats and green cotyledons in Korean germplasm / H. Jo, J. Y. Lee, H. Cho, et al. // Agronomy. 2021. Vol. 11. Article 581. URL: https://www.mdpi.com/2073–4395/11/3/581 (дата обращения: 02.12.2023).
- O. Monago-Marana, I. Duran-Meras, T. Galeano-Diaz, et al. Fluorescence properties of flavonoid compounds. Quantification in paprika samples using spectrofluorimetry coupled to second order chemometric tools // Food Chem. 2016. Vol. 196. P. 1058–1065.
- Roshchina V. V., Kuchin A. V., Yashin V. A. Application of Autofluorescence for Analysis of Medicinal Plants // Spectrosc. Int. J. 2017. Article 7159609. URL: https://downloads.hindawi.com/archive/2017/7159609.pdf (дата обращения: 02.12.2023).
- Photosynthetic characteristics and metabolic analyses of two soybean genotypes revealed adaptive strategies to low-nitrogen stress / M. Li, J. Xu, X. Wang, et al. // J. Plant Physiol. 2018. Vol. 229. P. 132–141.
- Differences in the metabolic profiles and antioxidant activities of wild and cultivated black soybeans evaluated by correlation analysis / J. L. Xu, J.-S. Shin, S.-K. Park, et al. // Food Res. Int. 2017. Vol. 100. P. 166–174.
- Rapid qualitative profiling and quantitative analysis of phenolics in Ribes meyeri leaves and their antioxidant and antidiabetic activities by HPLC-QTOF-MS/MS and UHPLC–MS/MS / Y. Zhao, H. Lu, Q. Wang, et al. // J. Sep. Sci. 2021. Vol. 44. P. 1404–1420.
- Comparison of Multiple Bioactive Constituents in the Flower and the Caulis of Lonicera japonica Based on UFLC-QTRAP-MS/MS Combined with Multivariate Statistical Analysis / Z. Cai, C. Wang, L. Zou, et al. // Molecules. 2019. Vol. 24. Article 1936. URL: https://www.mdpi.com/1420–3049/24/10/1936 (дата обращения: 02.12.2023).
- Synergistic interaction between propolis extract, essential oils, and antibiotics against Staphylococcus epidermidis and methicillin resistant Staphylococcus aureus / O. Belmehdi, A. Bouyahya, J. Jeko, et al. // Int. J. Second Metab. 2021. Vol. 8. No. 3. P. 195–213.
- Structural analysis and profiling of phenolic secondary metabolites of Mexican lupine species using LC–MS techniques / A. Wojakowska, A. Piasecka, P. M. Garcia-Lopez, et al. // Phytochem. 2013. Vol. 92. P. 71–86.
- Unveiling the Phytochemical Profile and Biological Potential of Five Artemisia Species / A. Trifan, G. Zengin, K. I. Sinan, et al. // Antioxidants. 2022. Vol. 11. Article 1017. URL: https://www.mdpi.com/2076–3921/11/5/1017 (дата обращения: 02.12.2023).
- Phytochemical Profiling of Flavonoids, Phenolic Acids, Terpenoids, and Volatile Fraction of a Rosemary (Rosmarinus officinalis L.) Extract / P. Mena, M. Cirlini, M. Tassotti, et al. // Molecules. 2016. Vol. 21. Article 1576. URL: https://www.mdpi.com/1420–3049/21/11/1576 (дата обращения: 02.12.2023).
- The Yin-Yang Property of Chinese Medicinal Herbs Relates to Chemical Composition but Not Anti-Oxidative Activity: An Illustration Using Spleen-Meridian Herbs / Y. Huang, P. Yao, K. W. Leung, et al. // Frontiers in Pharmacology. 2018. Vol. 9. Article 1304. URL: https://www.frontiersin.org/journals/pharmacology/articles/10.3389/fphar.2018.01304/full (дата обращения: 02.12.2023).
- Chemical Fingerprinting Profile and Targeted Quantitative Analysis of Phenolic Compounds from Rooibos Tea (Aspalathus linearis) and Dietary Supplements Using UHPLC-PDA-MS / O. I. Fantoukh, Y.-H. Wang, A. Parveen, et al. // Separations. 2022. Vol. 9. Article 159. URL: https://www.mdpi.com/2297–8739/9/7/159 (дата обращения: 02.12.2023).
- Spinola V., Pinto J., Castilho P. C. Identification and quantification of phenolic compounds of selected fruits from Madeira Island by HPLC-DAD-ESI–MSn and screening for their antioxidant activity // Food Chem. 2015. Vol. 173. P. 14–30.
- HPLC–DAD–ESI–MS/MS screening of bioactive components from Rhus coriaria L. (Sumac) fruits / I. M. Abu-Reidah, M. S. Ali-Shtayeh, R. M. Jamous, et al. // Food Chem. 2015. Vol. 166. P. 179–191.
- Characterization of phenolic compounds in jocote (Spondias purpurea L.) peels by ultra-high-performance liquid chromatography/electrospray ionization mass spectrometry / C. Engels, D. Grater, P. Esquivel, et al. // Food Res. Int. 2012. Vol. 46. P. 557–562.
- Identification of Chemopreventive Components from Halophytes Belonging to Aizoaceae and Cactaceae Through LC/MS – Bioassay Guided Approach / A. R. Hamed, S. S. El-Hawary, R. M. Ibrahim, et al. // J. Chrom. Sci. 2021. Vol. 59. No. 7. P. 618–626.
- Colonic fermentation of polyphenols from Chilean currants (Ribes spp.) and its effect on antioxidant capacity and metabolic syndrome-associated enzymes / A. Burgos-Edwards, F. Jimenez-Aspee, C. Theoduloz, et al. // Food Chem. 2018. Vol. 258. P. 144–155.
- Zostera marina L. Supercritical CO2-Extraction and Mass Spectrometric Characterization of Chemical Constituents Recovered from Seagrass / M. P. Razgonova, L. A. Tekutyeva, A. B. Podvolotskaya, et al. // Separations. 2022. Vol. 9. Article 182. URL: https://www.mdpi.com/2297–8739/9/7/182 (дата обращения: 02.12.2023).
- Low Molecular Weight Phenolics of Grape Juice and Winemaking Byproducts: Antioxidant Activities and Inhibition of Oxidation of Human Low-Density Lipoprotein Cholesterol and DNA Strand Breakage / A. Costa de Camargo, M.A.B. Regitano-d’Arce, A. C. Telles Biasoto, et al. // Agricult. Food Chem. 2014. Vol. 62. P. 12159–12171. doi: 10.1021/jf504185s.
- A rapid and sensitive UHPLC-FT-ICR MS/MS method for identification of chemical constituents in Rhodiola crenulata extract, rat plasma and rat brain after oral administration / F. Han, Y. Li, L. Ma, et al. // Talanta. 2016. Vol. 160. P. 183–193.
- The Global metabolome profiles of four varieties of Lonicera caerulea, established via tandem mass spectrometry / M. P. Razgonova, M. A. Navaz, A. S. Sabitov, et al. // Horticulturae. 2023. Vol. 9. Article 1188. URL: https://www.mdpi.com/2311–7524/9/11/1188 (дата обращения: 02.12.2023).
- Serrano C. A., Villena G. K., Rodrigues E. F. Phytochemical profile and rosmarinic acid purification from two Peruvian Lepechinia Willd. species (Salviinae, Mentheae, Lamiaceae) // Scientific Report. 2021. Vol. 11. Article 7260. URL: https://www.nature.com/articles/s41598–021–86692–3 (дата обращения: 02.12.2023).
- Vijayan K. P. R., Raghu A. V. Tentative characterization of phenolic compounds in three species of the genus Embelia by liquid chromatography coupled with mass spectrometry analysis // Spectroscopy Letters. 2019. Vol. 52. No. 10. P. 653–670.
- Chemical composition and biological properties of two Jatropha species: Different parts and different extraction methods / G. Zengin, M. F. Mahomoodally, K. I. Sinan, et al. // Antioxidants. 2021. Vol. 10. Article 792. URL: https://www.mdpi.com/2076–3921/10/5/792 (дата обращения: 02.12.2023).
- Identification of minor lignans, alkaloids, and phenylpropanoid glycosides in Magnolia officinalis by HPLC-DAD-QTOF-MS/MS / K. Guo, C. Tong, Q. Fu, et al. // J. Pharmaceut. Biomed. Analys. 2019. Vol. 170. P. 153–160.
- Physiological and metabolomics analyses of young and old leaves from wild and cultivated soybean seedlings under low nitrogen conditions / Y. Liu, M. Li, J. Xu, et al. // BMC Plant Biology. 2019. Vol. 19. Article 389. URL: https://bmcplantbiol.biomedcentral.com/articles/10.1186/s12870–019–2005–6 (дата обращения: 02.12.2023).
- Composition of Primary and Secondary Metabolite Compounds in Seeds and Pods of Asparagus Bean (Vigna unguiculata (L.) Walp.) from China / I. Perchuk, T. Shelenga, M. Gurkina, et al. // Molecules. 2020. Vol. 25. Article 3778. URL: https://www.mdpi.com/1420–3049/25/17/3778 (дата обращения: 02.12.2023).
- Phenolic compounds profile of water and ethanol extracts of Euphorbia hirta L. leaves showing antioxidant and antifungal properties / P. N. Mekam, S. Martini, J. Nguefack, et al. // South African J. of Botany. 2019. Vol. 127. P. 319–332.
- Rosa davurica Pall., Rosa rugosa Thumb., and Rosa acicularis Lindl. originating from Far Eastern Russia: Screening of 146 Chemical Constituents in Tree Species of the Genus Rosa / M. P. Razgonova, B. B. Bazhenova, Y. Y. Zabalueva, et al. // Applied Sci. 2022. Vol. 12. Article 9401. URL: https://www.mdpi.com/2076–3417/12/19/9401 (дата обращения: 02.12.2023).
- Maackia amurensis Rupr. et Maxim.: Supercritical CO2-extraction and Mass Spectrometric Characterization of Chemical Constituents / M. P. Razgonova, E. I. Cherevach, L. A. Tekutyeva, et al. // Molecules. 2023. Vol. 28. Article 2026. URL: https://www.mdpi.com/1420–3049/28/5/2026 (дата обращения: 02.12.2023).
- Comprehensive metabolite profiling of Solanum tuberosum L. (potato) leaves T by HPLC-ESI-QTOF-MS / C. Rodriguez-Perez, A. M. Gomez-Caravaca, E. Guerra-Hernandez, et al. // Molecules. 2018. Vol. 112. P. 390–399.
- Identification and characterization of major constituents in Juglans mandshurica using ultra performance liquid chromatography coupled with time-of-flight mass spectrometry (UPLC-ESI-Q-TOF/MS) / J.-H. Huo, X.-W. Du, G.-D. Sun, et al. // Chinese J. Nat. Medic. 2018. Vol. 16. No. 7. P. 0525–0545.
- Metabolic Profiling of Pitaya (Hylocereus polyrhizus) during Fruit Development and Maturation / Y. Wu, J. Hu, Y. He, et al. // Molecules. 2019. Vol. 24. Article 1114. URL: https://www.ncbi.nlm.nih.gov/pmc/articles/PMC6470951/ (дата обращения: 02.12.2023).
- UPLC-ESI–MS/MS Profile of The Ethyl Acetate Fraction of Aerial Parts of Bougainvillea ’Scarlett O’Hara’ Cultivated in Egypt / M. A. El-Sayed, F. A. Abbas, S. Refaat, et al. // Egyptian J. of Chem. 2020. Vol. 64. No. 2. Article 22. URL: https://ejchem.journals.ekb.eg/article_120457.html (дата обращения: 02.12.2023).
- Rapid characterisation and comparison of saponin profiles in the seeds of Korean Leguminous species using ultra performance liquid chromatography with photodiode array detector and electrospray ionisation/mass spectrometry (UPLC–PDA–ESI/MS) analysis / T. J. Ha, B. W. Lee, K. H. Park, et al. // Food Chem. 2014. Vol. 146. P. 270–277.
补充文件








