Substantiation of the Parameters of Water Activation in an Electroactivator for Watering Plants
- Authors: Storchevoy V.F.1, Belov M.I.2, Storchevoy A.V.3, Umansky P.M.2
-
Affiliations:
- Moscow Aviation Institute
- Russian State Agrarian University – Moscow Timiryazev Agricultural Academy
- Russian Biotechnology University
- Issue: Vol 35, No 1 (2025)
- Pages: 30-48
- Section: Electrical Technologies and Equipment
- Submitted: 13.09.2024
- Accepted: 11.11.2024
- Published: 25.03.2025
- URL: https://journal-vniispk.ru/2658-4123/article/view/263826
- DOI: https://doi.org/10.15507/2658-4123.035.202501.030-048
- EDN: https://elibrary.ru/cqtdbb
- ID: 263826
Cite item
Full Text
Abstract
Introduction. Numerous studies have shown that treating and watering plants with activated water have a beneficial effect on their growth and productivity that is why procedures and methods for preparing such water are very relevant. This work examines the method of preparing catholyte and anolyte in the so-called flow-type electroactivator, which is installed in an automated system for watering plants in greenhouses and open ground. Water for watering plants should have the pH index recommended for these conditions, so it is necessary to establish an adequate relationship between the operating mode and operating parameters of the electroactivator, on the one hand, and the pH index of water, on the other. At present, the issue of developing an adequate mathematical model for water activation in a flow-type electroactivator requires studying. The article proposes a mathematical model in which there is established relationship between the pH index of water, activation mode and flow-type electroactivator parameters.
Aim of the Study. The article is aimed at increasing the efficiency of an automated system for watering with activation of water in a flow-type electroactivator.
Materials and Methods. The calculation of the water activation parameters in the electroactivator was carried out using a mathematical model of the water electroactivation in a flow-type electroactivator based on physical and electrical chemistry methods using differential equations and calculations in the Lazarus programming environment. The experiments to assess the adequacy of the model were carried out on a developed experimental facility.
Results. There have been developed a mathematical model of water activation and experimental facility to test the adequacy of the mathematical model. There are substantiated the formulas determining relationship between the pH index of activated water, parameters of a flow-type electroactivator and electroactivator operating mode parameters necessary for developing an automated plant watering system. It has been found that the mathematical model of water activation in an electric activator allows estimating the pH index with an error of less than 5% when the potential difference between the electrodes is not higher than 125 V. In this case, the work of the current to heat and produce a unit of catholyte substance for a specified increase in the pH index is less, the lower the productivity cathode chamber is. Theoretical studies have shown that for a specified change in the pH index, the current power spent on heating the catholyte increases in direct proportion to the square of productivity of the cathode chamber, and the energy intensity of producing a catholyte unit increases in direct proportion to the productivity of the cathode chamber. It has been confirmed experimentally that the pH index changes in parallel with changes in the temperature of the anolyte and catholyte, directly proportional to the potential difference between the electrodes, and inversely proportional to the performance of the chambers. In this case, it is advisable to set the productivity of the cathode chamber with the specified parameters no higher than 15 l/h, and the temperature of watering with catholyte no higher than 25°C.
Discussion and Conclusion. The developed mathematical model of water preparation in a flow-type electroactivator can serve as the basis for an automated plant watering system, in which it is necessary to ensure a suitable operating mode depending on the specified the pH index of water.
Keywords
Full Text
Введение
Полив и обработка растений активированной водой оказывают благоприятное воздействие на растения и способствуют их росту и повышению урожайности [1; 2], поэтому способы и методы подготовки такой воды весьма актуальны [3; 4]. Работа посвящена исследованию способа подготовки активированной воды в виде католита и анолита в так называемом проточном электроактиваторе, предназначенном для установки в автоматизированной системе полива растений в условиях закрытого и открытого грунтов. Вода для полива растений должна иметь рекомендуемый в данных условиях водородный показатель, поэтому необходимо установить адекватную связь между режимом работы и рабочими параметрами электроактиватора с одной стороны и показателем уровня водорода в воде с другой. В настоящее время вопрос разработки адекватной математической модели активации воды в проточном электроактиваторе требует изучения.
Целью исследования является оценка рациональных параметров и режима работы проточного электроактиватора, обеспечивающего заданный показатель водорода католита или анолита на основе математической модели его работы. Для достижения цели нами разработана математическая модель активирования воды. При этом выведены формулы, устанавливающие связь между водородным показателем активированной воды, параметрами проточного электрактиватора и параметрами его режима работы. Это позволило обосновать рациональные параметры активатора и режим работы, обеспечивающие заданный показатель водорода католита или анолита, рекомендуемый для полива данного растения в определенных условиях [5].
Обзор литературы
Использование активированной воды для полива благотворно влияет на растения. Полив салата активированной водой позволяет повысить его урожайность от 17,7 до 36,6 % [6]. Обработка растений электрохимическими активированными растворами индуцирует их устойчивость к болезням и вредителям [7; 8]. Наряду с обработкой растений электроактивированными растворами современным методом дезинфекции растений служит озонирование [9; 10]. При этом оба этих метода дополняют друг друга. Полив семян томатов катодной водой (католитом) увеличивает их прорастание на 11 %, а анодной водой (анолитом) – на 73 % в сравнении с поливом водопроводной водой [11]. Одним из эффективных способов подготовки активированной воды в процессе ее использования для полива служит разделение ее на два потока с пропусканием через две разделенные мембраной камеры проточного электроактиватора. Изучение вопроса теоретического обоснования связи между водородным показателем в камерах для подготовки активированной воды, параметрами активатора и режимом работы осуществляется методами физической и электрической химии и не учитывает подвижности потока. При этом в физической химии показатель водорода определяется через концентрации ионов водорода в камерах1, а в электрической химии – через плотности компонентов смеси2. Установление связи между этими концепциями представляется важным вопросом. Предлагаемые в настоящее время расчетные формулы зависимости показателя водорода в камерах активатора от рабочих параметров недостаточно обоснованы. Так, нельзя признать достаточно состоятельной исходную формулу для расчета скорости ионов при их движении через мембрану [12]. Также без должного обоснования предложена формула зависимости мощности тока от разности показателей водорода в камере активатора на выходе и входе [13]. Аналогичная формула зависимости мощности тока в активаторе от разности показателей водорода в камере используется без достаточного подтверждения [14]. Требует доработки и алгоритм расчета параметров активатора [15].
Существующие установки для получения дезинфицирующих растворов имеют ряд недостатков. Например, устройства [16; 17], содержащие одну электрохимическую ячейку, выполненную из электродов, размещенных в электродных камерах и разделенных между собой диафрагмой. Недостатками таких устройств являются их сложность, низкие производительность и дезинфицирующее действие получаемых растворов. Устройство [18] для получения дезинфицирующего раствора, содержащее электрохимическую ячейку, выполненную из вертикальных стержневых электродов с полупроницаемой диафрагмой, разделяющей ячейку на анодную и катодную камеры, генератор озона с компрессором, имеет недостатки: отсутствие контроля концентрации озона раствора и водородного его показателя, ручное ее регулирование, периодичность работы устройства, отсутствие обеззараживания растений и автоматического полива для стимуляции и ускорения роста.
Предлагаемое нами техническое решение – установка генерации воды с заданными водородным показателем и уровнем насыщения озоном [19] – устраняет выявленные недостатки и позволяет получать качественные показатели раствора для дезинфекции, стимуляции роста и полива выращиваемых растений.
Материалы и методы
Теоретические исследования проведены методами механики сплошных сред, физической химии и электрической химии.
Эксперименты для оценки адекватности модели проводились на разработанной экспериментальной установке [15] – камере электроактивации воды проточного электроактиватора (рис. 1а). Водородный показатель анолита и католита определялся pH-метром марки YIRYI EZ-9908 (рис. 1b).
Рис. 1. Камера электроактивации воды проточного электроактиватора: a) электроактиватор; b) pH-метр YIRYI EZ-9908
Fig. 1. Water electroactivation chamber of flow-type electroactivator: a) electroactivator; b) pH meter YIRYI EZ-9908
Источник: фотографии сделаны М. И. Беловым при испытаниях электроактиватора в лаборатории кафедры автоматизации и роботизации РГАУ – МСХА имени К. А Тимирязева в 2023 г.
Source: photographs were taken by M. I. Belov when testing an electroactivator in the laboratory of the Department of Automation and Robotization of the Russian State Agrarian University – Moscow Timiryazev Agricultural Academy in 2023.
Разность потенциалов между электродами в экспериментах устанавливалась реостатом. Производительность анодной или катодной камеры регулировалась выпускным вентилем и регистрировалась с помощью мерной посуды с известным объемом V и секундомера, которым определялось время ∆t наполнения мерной посуды. Производительность (Q, л/ч) рассчитывалась по следующей формуле:
Q = 3 600 V/∆t, л/ч.
Результаты исследования
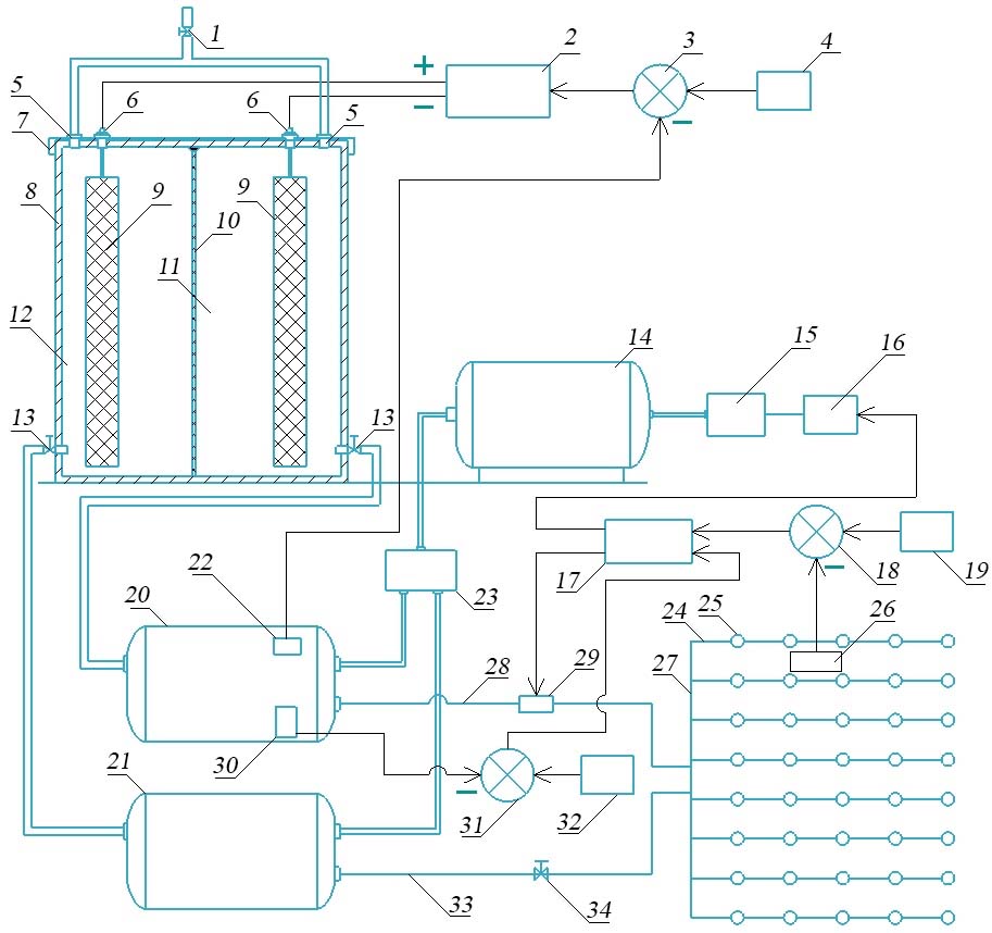
На рисунке 2 представлена установка генерации воды, позволяющая задавать значения водородного показателя и уровень насыщения озоном [5]. Основной задачей при подготовке анолита или католита с заданным водородным показателем служит автоматическое регулирование электродвижущей силы (ЭДС) источника питания и производительности катодной и анодной камер. Для решения этой задачи была разработана математическая модель электроактивации воды, установлена связь ее водородного показателя с ЭДС источника питания конструктивными параметрами активатора и производительностью анодной и катодной камер.
Рис. 2. Установка генерации воды с заданным водородным показателеми заданным уровнем насыщения озоном:
1 – кран подачи воды; 2 – источник регулируемого напряжения; 3 – элемент сравнения водородного показателя pH от датчика и заданного; 4 – блок задания pH; 5 – заливные отверстия; 6 – клеммы подключения источника питания к электродам; 7 – крышка камеры активатора; 8 – камера активатора; 9 – электроды; 10 – полунепроницаемая диафрагма; 11 – катодная камера; 12 – анодная камера; 13 – краны регулировки расхода католита и анолита; 14 – генератор озона; 15 – компрессор; 16 – реле времени; 17 – микроконтроллер; 18 – блок сравнения влажности почвы; 19 – блок задания влажности почвы; 20 – емкость с католитом; 21 – емкость с анолитом; 22 – датчик водородного показателя; 23 – стабилизатор концентрации озона; 24 – система капельного орошения; 25 – форсунка капельного полива; 26 – датчик влажности почвы; 27 – трубопровод для подачи в систему орошения; 28 – магистраль подачи католита; 29 – регулятор расхода католита; 30 – датчик концентрации озона в католите; 31 – устройство сравнения концентрации озона в католите с заданной; 32 – блок задания концентрации озона; 33 – магистраль подачи анолита; 34 – регулировка подачи анолита в систему орошения
Fig. 2. Installation of water generation with a specified pH index and a specified level of ozone saturation:
1 – water supply tap; 2 – adjustable voltage source; 3 – element for comparing the pH index from the sensor and specified pH index; 4 – pH setting unit; 5 – filler openings; 6 – terminals for connecting the power source to the electrodes; 7 – activator chamber cover; 8 – activator chamber; 9 – electrodes; 10 – semi-permeable diaphragm; 11 – cathode chamber; 12 – anode chamber; 13 – taps for adjusting the flow of catholyte and anolyte; 14 – ozone generator; 15 – compressor; 16 – time relay; 17 – microcontroller; 18 – soil moisture comparator; 19 – unit for setting soil moisture; 20 – container with catholyte; 21 – container with anolyte; 22 – pH index sensor; 23 – ozone concentration stabilizer; 24 – drip irrigation system; 25 – drip irrigation nozzle; 26 – soil moisture sensor; 27 – pipeline for supplying to the irrigation system; 28 – catholyte supply line; 29 – catholyte flow regulator; 30 – sensor of ozone concentration in catholyte; 31 – unit for comparing the ozone concentration in the catholyte with the specified one; 32 – unit for setting ozone concentration; 33 – anolyte supply line; 34 – adjustment of anolyte supply to the irrigation system
Источник: рисунки 2, 3, 5 составлены авторами статьи.
Source: figures 2, 3, 5 compiled by the authors of the article.
Для определения изменения концентрации ионов водорода в анодной камере воспользуемся следующими обозначениями : Oxy – прямоугольная система декартовых координат с началом на верхнем уровне воды между анодной и катодной камерами, осью Ox, направленной перпендикулярно плоскости электрода от анода к катоду, и осью Oy, направленной вниз; L – расстояние между фронтальными стенками камеры электроактиватора, м; La – расстояние между электродами, м; h – высота катодной и анодной камер, м; S – площадь рабочей поверхности катода или анода, м2; υw – скорость частицы воды в камерах анода и катода, м/с; υH, υOH – скорость соответственно гидратированных иона водорода и гидроксид иона, м/с; uH, uOH – подвижность соответственно гидратированных иона водорода и гидроксид иона, м2/(В·с); CH, COH – молярная концентрация соответственно иона водорода и гидроксид-иона, кмоль/м3; CHk, COHk – молярная концентрация соответственно иона водорода и гидроксид-иона в католите катодной камеры, кмоль /м3; CHa – молярная концентрация иона водорода в анолите анодной камеры, кмоль м3; N – число Авогадро N = 6,022·1023 1/моль; kw – ионное произведение воды, (кмоль/м3)2 (kw = 10 ̶ 14 при температуре 22 оС); pH – водородный показатель воды; pH0 – водородный показатель воды перед электроактивацией; pHk, pHa – водородный показатель соответственно католита и анолита; U – ЭДС источника питания, В; η – КПД источника питания; I – величина тока между электродами, А; Rk, Ra, Rd – сопротивление соответственно католита в катодной камере, анолита в анодной камере и диафрагмы между камерами, Ом; Ea, Ek – средняя напряженность электрического поля соответственно в анодной камере и катодной камере, В/м; Q – производительность анодной или катодной камеры при подготовке анолита или католита, м3/с; ΔTk, ΔTa – повышение температуры соответственно католита и анолита, оС; cp – теплоемкость католита и анолита, Дж/(кг оK); ρw – удельное сопротивление воды при данной температуре, ом·м; α – пористость диафрагмы; l – толщина диафрагмы, м; ρ – плотность воды, кг/м3.
В воде с малым содержанием солей главную роль при электроактивации выполняют продукты ее диссоциации [20]. Если считать диполи молекул воды, окружающие положительно заряженный ион водорода H+ и отрицательно заряженный гидроксид-ион OH ̶ гидратированными ионами водорода H+* и гидроксид-иона OH ̶*, то диссоциация молекул воды на ионы представляется в виде формулы [6]:
H2O ↔ H+* + OH ̶*. (1)
Избыток гидроксид-ионов (анионов) возникает вблизи катода и образует недостаток гидратированных ионов водорода H+. Избыток ионов водорода (катионов) возникает вблизи анода и образует в свою очередь недостаток гидратированных гидроксид-ионов OH˗. По мере удаления от электрода концентрации катионов и анионов выравниваются.
При электроактивации нейтральной воды в нормальных условиях анолит представляет собой кислую среду с водородным показателем ниже 7, католит – щелочную среду с водородным показателем выше 7. Имея повышенную химическую активность, католит стимулирует биологические процессы. Создавая кислотную среду, анолит может служить антисептиком для растений, растущих в почве с нормальной кислотностью, или стимулятором роста растений, растущих в кислой почве.
Составим упрощенные уравнения неразрывности сплошной среды в анодной и катодной камерах. Принятым подходом при математической постановке такой задачи является составление уравнений неразрывности для многокомпонентных смесей. При этом неизвестными переменными служат концентрации ионов или плотности компонентов смеси. В частных задачах априорно предлагаются формулы, устанавливающие связь между водородным показателем и параметрами электроактивации [11]. При этом влияние ЭДС источника питания и водородного показателя исходной воды на водородный показатель анолита или католита не рассматривается. Под сплошной средой будем понимать смесь, состоящую из молекул воды, гидратированных ионов водорода (катионов) и гидратированных гидроксид-ионов (анионов). Полагаем, что ион движется под действием двух сил: силы Кулона, направленной перпендикулярно рабочей поверхности электродов, и силы Стокса вязкого сопротивления, направленной противоположно скорости иона. гидратированный ион практически сразу достигает максимальной скорости и движется или передает движение по цепи с постоянной скоростью; скорости гидратированных ионов водорода υH и гидроксид-ионов υOH связаны с их подвижностями линейными зависимостями:
υH = иНE , υOH = иOНE. (2)
Рассмотрим индивидуальный объем сплошной среды в анодной камере как элемент анолита между стенкой и диафрагмой в виде прямоугольного параллелепипеда объемом Va, боковые грани которого имеют равные прямоугольники площадью Sa на стенке и диафрагме (рис. 3).
Рис. 3. К расчету изменения концентрации ионов водорода в анодной камере:
1 – анод; 2 – катод; 3 – диафрагма; 4, 5 – элемент анолита анодной камеры в разные моменты времени; 6 – элемент католита катодной камеры; 7 – нижний уровень католита в катодной камере
Fig. 3. To calculate the change in the concentration of hydrogen ions in the anode chamber:
1 – anode; 2 – cathode; 3 – diaphragm; 4, 5 – anolyte element of the anode chamber at different times; 6 – catholyte element of the cathode chamber; 7 – lower level of catholyte in the cathode chamber
Единица измерения объема Va совпадает с единицей объема для концентрации ионов. Полагаем, что на достаточно большом расстоянии от слива движение элемента поступательное со скоростью υw:
При выводе уравнений неразрывности компонентов смеси, то есть ионов, будем полагать, что масса компоненты смеси оценивается числом ионов в индивидуальном объеме, а скорость изменения массы компоненты смеси известна. Также примем следующие допущения: 1) изменение концентрации ионов в элементе происходит только за счет движения ионов через границы элемента с анодом и диафрагмой, движение через верхнюю и нижнюю границы со средой не влияет на концентрацию ионов в индивидуальном объеме; 2) влиянием на концентрацию ионов водорода в элементе анолита входящих в него через диафрагму гидроксид-ионов за время движения элемента в камере можно пренебречь; 3) влиянием на концентрацию гидроксид-ионов в элементе католита входящих в него через диафрагму ионов водорода за время движения элемента в камере можно пренебречь.
Пусть dt – бесконечно малое время, за которое рассматриваемый элемент переместится из положения 4 в положение 5 (рис. 3), а концентрация ионов водорода в его объеме изменится на бесконечно малую величину d(CHa ). До перехода в элементе 4 находилось (103∙N·CHa·Va ) ионов водорода и (103∙N·COHa·Va) гидроксид-ионов. За время dt через сечение элемента на аноде войдет (103∙N·CHa·Sa·υH·dt ), а через диафрагму выйдет (103∙N·CHa α Sa υH dt ) ионов водорода. Очевидно, что изменение d(103∙N·CHa·Va ) числа ионов водорода в элементе за время dt равно разности между числом вошедших в элемент и числом вышедших из элемента ионов водорода за это время:
d(NCHaVa ) = NCHaSaυHdt – NCHaαSaυHdt
или, так как Va = Sa·La/2 и с учетом равенств (2),
За время dt элемент из положения 4 переместится вниз на расстояние dy и займет положение 5 (рис. 3). Очевидно, что
или, принимая во внимание равенство (3),
Заменив переменную t переменной y из уравнения (5), перепишем уравнение (4):
Решение дифференциального уравнения (6) можно записать в таком виде:
где k1 – константа, равная концентрации CHa при y = 0.
Для определения константы k1 зададим краевое условие на верхнем уровне воды в камере, на котором водородный показатель воды, поступающей на электроактивацию, задан и равен pH0. По определению3
pH = – lg CH. (8)
Верхний уровень воды в активаторе представляется уравнением y = 0, в соответствии с определением (8) краевое условие решения (7) можно записать так:
Отсюда
и решение (7) при y = h, то есть на выходе анолита из анодной камеры, можно представить в следующем виде:
За время dt через сечение аналогичного элемента 6 в катодной камере на катоде в элемент войдет (103∙N·COHk∙Sa∙uOH∙Ek∙dt), а через диафрагму выйдет (103∙N·COHk∙α∙Sa∙uH∙Ea∙dt) гидроксид-ионов. Изменение числа гидроксид-ионов в элементе за время dt равно разности между числом вошедших в элемент и числом вышедших из элемента гидроксид-ионов за это время:
или
Заменив переменную t переменной y из уравнения (5), перепишем уравнение (10):
Найдем концентрацию гидроксид-ионов на верхнем уровне воды в активаторе y = 0. Условие молярного равновесия реакции (1) для воды записывается как константа ионного произведения:
где kw – константа (kw = 10−14 при температуре воды 22 °С с единицей измерения (моль/л)2 или (кмоль/м3)2. Равенство (12) для католита имеет следующий вид:
Водородный показатель католита в катодной камере на верхнем уровне при y = 0 задан и равен pH0:
Используя равенство (13) и последнее равенство, запишем краевое условие для уравнения (11):
Решение уравнения (11) с краевым условием (14) представим в следующем виде на выходе католита из катодной камеры при y = h:
Подставляя решение (15) в равенство (13), найдем концентрацию ионов водорода на выходе из катодной камеры:
Равенство (8) для анолита записывается так:
pHa = –lg CHa
или, учитывая формулу (9),
Формула (17) справедлива, если показатель pHa не меньше 0. В противном случае показатель следует принимать равным 0.
Равенство (8) для католита записывается аналогично:
pHk = –lg CHk
или, учитывая формулу (16),
Формула (18) справедлива, если показатель pHk не превышает 14. В противном случае показатель следует принимать равным 14.
Запишем закон Ома в таком виде:
где
Среднюю напряженность электрического поля в анолите и католите между пластинами электродов оценим по следующим формулам [1]:
или
Формулы (17), (18) устанавливают связь водородного показателя анолита и католита с водородным показателем воды до электроактивации, с конструктивными параметрами (геометрическими параметрами анодной и катодной камер, пористостью диафрагмы) и с регулируемыми параметрами (ЭДС источника питания, производительностью подготовки анолита и католита).
В соответствии с законом Джоуля-Ленца вся работа электрического тока в электролитах превращается в тепло. Повышение температуры католита и анолита можно оценить по следующим формулам:
Следует отметить, что на основании закона Джоуля-Ленца движение ионов, концентрация ионов, водородный показатель анолита и католита никак не связаны с работой и мощностью электрического тока. Тем самым движение ионов, концентрация ионов, водородный показатель являются процессами и характеристиками, на которые ток напрямую не влияет. Как следует из формул (17), (18), (21), водородный показатель зависит от разности потенциалов между электродами и от сопротивлений среды и не зависит от тока и мощности тока.
На основании установленных функциональных зависимостей между водородным показателем активированной воды и параметрами электроактиватора представим алгоритм расчета показателей активации воды:
1) ввод исходных данных: L [м], La [м], S [м2], uH [м2/с В], uOH [м2/с В], pH0, kw [кмоль2/м6], Q [м3/с], ρ [кг/ м3], U [В], η, ρw [Ом·м], l [м], α, cp [Дж/(кг оK)];
2) вычисление сопротивлений Rk, Ra, Rd по формулам (20);
3) вычисление величины тока по формуле (19);
4) расчет средней напряженности электрического поля в анолите и католите по формулам (21);
5) вычисление водородного показателя анолита по формуле (17);
6) вычисление водородного показателя католита по формуле (18);
7) вычисление величин изменения температуры католита ΔTk и анолита ΔTa соответственно по формулам (22) и (23).
Согласно алгоритму разработана компьютерная программа в среде Lazarus, позволяющая рассчитывать водородный показатель анолита и католита в зависимости от заданной ЭДС источника питания и производительности анодной и катодной камеры. Исходные данные для расчета представлены в таблице 1.
Таблица 1. Исходные данные до приведения к системе СИ
Table 1. Initial data before reduction to the SI system
L, мм / L, mm | La, мм / La, mm | S, см2 / S, cm2 | l , мм / l, mm | Q, л/ч / Q, l/h | kw, кмоль2/м6 /kw, kmol2/m6 | uH ∙107, м2/(В∙с) / uH ∙107, m2/(V∙s) | uOH ∙107, м2/(В∙с) /uOH ∙107, m2/(V∙s) |
62 | 40 | 561 | 2 | 15..35 | 10−14 | 3,26 | 1,80 |
U, В | ρ, кг/м3 / ρ, kg/m3 | α | η | ρw, ом·м / ρw, ohm m | cp, Дж/(кг оK) / cp, J/(kg oK) | pH0 |
|
40..160 | 1 000 | 0,15 | 0,98 | 1 600 | 4 180 | 7,0 |
|
Исходя из представленных выше расчетов, сделали вывод, что математическая модель электроактивации воды в электроактиваторе позволяет оценить водородный показатель с точностью менее 5 % при разности потенциалов между электродами не выше 125 В. При разности потенциалов между электродами от 125 до 160 В точность модели снижается, относительная погрешность возрастает до 15 % (рис. 4).
Рис. 4. График зависимости показателя водорода pHk католита от разности потенциалов U между электродами при производительности катодной камеры с указанием
экспериментальных точек: 1 – 15 л/ч; 2 – 25 л/ч; 3 – 35 л/ч
Fig. 4. Graph of the dependence of the pH index of the catholyte on the potential difference U between the electrodes at the productivity of the cathode chamber, indicating the experimental points: 1 – 15 l/h; 2 – 25 l/h; 3 – 35 l/h
Источник: составлено авторами статьи по материалам таблицы 2.
Source: compiled by the authors of the article based on materials from Table 2.
Таблица 2. Результаты экспериментов по определению основных параметров проточного электроактиватора
Table 2. Results of experiments to determine the main parameters of a flow-type electroactivator
№ | Производительность по католиту,, л/ч / Productivity by catholyte, l/hour | Изменение водородного показателя / Change in pH index | Водородный показатель католита / pH index of catholyte | Падение напряжения в катодной камере, В / Voltage drop in the cathode chamber, V | Напряжение между электродами, В / Voltage between electrodes, V |
1 | 15 | 3,5 | 11,0 | 43,75 | 116 |
2 | 25 | 2,1 | 9,6 | 45,50 | 121 |
3 | 35 | 1,5 | 9,0 | 46,30 | 123 |
4 | 15 | 5,9 | 12,4 | 53,24 | 141 |
5 | 25 | 3,5 | 11,0 | 56,48 | 151 |
6 | 35 | 2,5 | 10,0 | 58,07 | 155 |
7 | 25 | 5,0 | 12,5 | 64,45 | 172 |
8 | 35 | 3,5 | 11,0 | 66,83 | 178 |
Анализ графиков на рисунке 4 и формул (18), (22) позволяет сделать следующий вывод: работа тока на нагревание и производство единицы вещества католита при заданном повышении водородного показателя тем ниже, чем меньше производительность катодной камеры. Действительно, пусть Pk – мощность тока, проходящего через католит, ∆pHk – изменение водородного показателя католита при электроактивации. По определению
Из формулы (18) с учетом (21) следует равенство:
Используя равенство (25), запишем формулу (24) для мощности тока:
Из равенства (26) следует, что при заданном изменении водородного показателя мощность тока, расходуемая на нагрев католита, возрастает прямо пропорционально квадрату производительности катодной камеры, а энергоемкость производства единицы католита возрастает прямо пропорционально производительности катодной камеры. Аналогичный вывод можно сделать и по анолиту.
Переписывая формулу (22) с учетом (24), отметим, что изменение температуры католита прямо пропорционально удельной энергоемкости его производства:
или, учитывая формулу (26), квадрату изменения водородного показателя:
Изменение водородного показателя на 2 единицы приводит к повышению температуры на 8 °С и выше при производительности камеры более 15 л/ч (рис. 5). Полагая, что температура воды перед электроактивацией равна 18 °С, во избежание полива католитом с температурой 25 °С и выше целесообразно устанавливать производительность не выше 15 л/ч с перерывом на охлаждение католита после изменения водородного показателя на 2 единицы.
Рис. 5. Связь между повышением температуры ∆Tk католита и изменением водородного показателя католита ∆pHk при производительности катодной камеры:
1 – 15 л/ч; 2 – 25 л/ч; 3 – 35 л/ч
Fig. 5. Relationship between an increase in the ∆Tk temperature of the catholyte and a change in the pH index of the catholyte ∆pHk at a cathode chamber productivity:
1 – 15 l/hour; 2 – 25 l/hour; 3 – 35 l/hour
Графики на рисунке 5 отображают зависимость, описанную формулой (28), с учетом алгоритма и исходных данных в таблице 1.
Обсуждение и заключение
Математическая модель, представленная уравнениями (17)–(28), может служить основой при создании автоматизированной системы полива растений, оснащенной проточным электрическим активатором. Она позволяет по заданному показателю водорода воды, задаваемому пользователем как наиболее подходящему в данных условиях, рассчитать параметры и режим работы активатора, такие как ЭДС источника питания (разность потенциалов между электродами), производительность анодной и катодной камер, расстояние между электродами, длину камер, обеспечиваемую требуемое время активации и др. Тем самым достигается эффективность подготовки воды для полива с помощью технологии проточного электроактивирования. Рассматриваемая технология автоматизированного полива эффективна в условиях защищенного грунта, где может быть использована в течение года. При этом полученные результаты в равной мере справедливы и при установке такой системы в условиях открытого грунта. Математическая модель и эксперименты позволили сделать частные научные выводы. В соответствии с уравнением (25) водородный показатель изменяется прямо пропорционально ЭДС и обратно пропорционально производительности. Расход электрической энергии на электроактивацию обусловлен нагреванием активированной воды и сопутствующими ее ионизацией и изменением водородного показателя. В соответствии с уравнением (27) температура анолита и католита изменяется прямо пропорционально мощности тока в камере и обратно пропорционально производительности камеры. В соответствии с уравнением (28) при неизменной производительности и изменении напряжения между электродами перемена температуры прямо пропорциональна квадрату изменения водородного показателя анолита или католита. Согласно графикам на рисунке 5 во избежание полива католитом с температурой 25 °С и выше производительность катодной камеры с заданными параметрами при преобразовании водородного показателя на 2,5 и более по шкале рН целесообразно устанавливать не выше 15 л/ч. Таким образом, полученная математическая модель позволит рассчитать параметры и режим работы активатора в разрабатываемых автоматизированных установках при их проектировании и эксплуатации на производстве и достичь эффективности подготовки воды для полива с помощью технологии проточного электроактивирования и озонирования.
1 Ньюмен Дж. Электрохимические системы. М. : Мир, 1977. 464 с.; Левич В. Г. Физико-химическая гидродинамика. 2-е изд., доп. и перераб. М. : ГИФМЛ, 1959. 700 с.
2 Седов Л. И. Механика сплошной среды. М. : Наука, 1970. Т. 1. 492 с.; Герц Г. Г. Электрохимия. Новые воззрения / пер. с англ. В. Щербакова. М. : Мир, 1983. 232 с.
3 Скорчеллетти В. В. Теоретическая электрохимия. Л. : Госхимиздат, 1963. 609 с.
About the authors
Vladimir F. Storchevoy
Moscow Aviation Institute
Author for correspondence.
Email: V_Storchevoy@mail.ru
ORCID iD: 0000-0002-6929-3919
ResearcherId: ABB- 9545-2021
Dr.Sci. (Eng.), Professor of the Department of Theoretical Electrical Engineering
Russian Federation, 4 Volokolamsk Shosse, Moscow 125993Mikhail I. Belov
Russian State Agrarian University – Moscow Timiryazev Agricultural Academy
Email: B-Mikhael@yandex.ru
ORCID iD: 0000-0001-9907-8825
ResearcherId: T-5622-2018
Dr.Sci. (Eng.), Professor of the Department of Automation and Robotization
of Technological Processes named after Academician I. F. Borodin
Alexander V. Storchevoy
Russian Biotechnology University
Email: alecks.10@mail.ru
ORCID iD: 0000-0003-3404-0361
Senior Lecturer of the Department of Social and Humanitarian Disciplines
Russian Federation, 11 Volokolamskoe Shosse, Moscow 125080Peter M. Umansky
Russian State Agrarian University – Moscow Timiryazev Agricultural Academy
Email: umpm@rambler.ru
ORCID iD: 0000-0001-8109-4026
ResearcherId: AAE-6933-2022
Senior Lecturer of the Department of Automation and Robotization of Technological Processes named after Academician I. F. Borodin
Russian Federation, 49 Timiryazevskaya St., Moscow 127434References
- Oskin S.V., Voloshin S.P. Features of Electroactivators for Agriculture. Selskiy Mechanizator. 2019;(1):26–27. (In Russ., abstract in Eng.) EDN: VWLSHU
- Ayebah B., Hung Y.-C., Frank J.F. Enhancing the Bactericidal Effect of Electrolyzed Water on Listeria Monocytogenes Biofilms Formed on Stainless Steel. Journal of Food Protection. 2005;68(7):1375–1380. https://doi.org/10.4315/0362-028X-68.7.1375
- Oskin S., Tsokur D., Voloshin S. Modeling Process of Water Bubbling with Ozone to Obtain Disinfectant Solutions in Beekeeping. Engineering for Rural Development. 2019:1210–1214. https://doi.org/10.22616/ERDev2019.18.N412
- Tsokur D.S. Mathematical Model of Electroactivator of Water for System Stabilization of Soil Acidity in Growing Tomatoes in Greenhouse. KubGAU Scientific Journal. 2013;92(08):1–19. (In Russ., abstract in Eng.) Available at: http://ej.kubagro.ru/2013/08/pdf/43.pdf (accessed 17.08.2024).
- Storchevoy V., Gurov D. Investigation of the Modes of Operation of an Electroactivator for Disinfection of Vegetable Plants. Fundamental and Applied Scientific Research in the Development of Agriculture in the Far East (AFE-2022). 2024:1325–1331. https://doi.org/10.1007/978-3-031-37978-9_129
- Gridneva T.S., Iralieva Yu.S., Nugmanov S.S. The Influence of Electroactivated Water by Watering for Composision and Productivity of Lettuce. Bulletin Samara State Agricultural Academy. 2016;(4):32–35. (In Russ., abstract in Eng.) https://doi.org/10.12737/21801
- Belitskaya M.N., Nefedyeva E.E., Shaikhiev I.G. [Electroactivated Water: Possibilities of use in Crop Production]. Bulletin of Kazan Technological University. 2014;24:124–128. (In Russ.) Available at: https://clck.ru/3Ftbat (accessed 15.08.2024).
- Belopukhov S.L., Dmitrevskaya I.I., Prokhorov I.S., Storchevoy V.F. Activated Protective-Stimulating Complexes for the Treatment of Flax Seeds. Scientific Life. 2016;(2):75–83. (In Russ., abstract in Eng.) EDN: VXMJSV
- Shilov G.Y. Modern Methods of Disinfection of Salad Crops, Vegetables and Fruits. Food Industry. 2013;(8):13–17. (In Russ., abstract in Eng.) Available at: https://clck.ru/3Ftbnn (accessed 15.08.2024).
- Barabash V.I. Application of Ozonized Water for Irrigation of Plants. Colloquium-Journal. 2021;4(91):33–34. (In Russ., abstract in Eng.) https://doi.org/10.24412/2520-6990-2021-491-33-34
- Sudachenko V.N., Mishanov A.P. [Efficiency of Using Activated Water for Irrigation and Mineral Fertilization of Plants in a Greenhouse]. Technologies and Technical Means of Mechanized Production of Crop and Livestock Products. 2003;73:106–110. (In Russ.) Available at: https://clck.ru/3Ftdga (accessed 16.08.2024).
- Ksenz N.V., Kiyashko E.A., Sidortsov I.G. [Calculation of the Hydrogen Index (pH) During Electrodialysis of Water]. Izvestiya Vuzov. Severo-Kavkazskij Region. Estestvennye Nauki. 2012;(5):56–57. (In Russ.) Available at: https://clck.ru/3FtduU (accessed 16.08.2024).
- Oskin S.V., Kurchenko N.Yu. [Development of a Mathematical Model of an Electroactivator Based on Water Quality Data and Requirements for a Working Herbicide Solution]. KubGAU Scientific Journal. 2015;107. (In Russ.) Available at: https://cyberleninka.ru/article/n/razrabotkamatematicheskoy-modeli-elektroaktivatora-s-uchetom-dannyh-o-kachestve-vody-i-trebovaniy-krabochemu-rastvoru-gerbitsida (accessed 16.08.2024).
- Storchevoy V.F., Gurov D.A. Parameters of the Operation Mode of the Electric Activator for Disinfection and Growth Support of Vegetable Plants. Agroengineering. 2023;25(2):63–68. (In Russ., abstract in Eng.) https://doi.org/10.26897/2687-1149-2023-2-63-68
- Storchevoy V.F., Kabdin N.E., Andreev S.A., Gurov D.A. Simulating Rational Modes of Electric Activator for Rough Forage Processing. Agroengineering. 2022;24(3):80–86. (In Russ., abstract in Eng.) https://doi.org/10.26897/2687-1149-2022-3-80-86
- Meerkop G.E., Dzhejranishvili N.V., Butin S.K. Device for Performing Electrochemical Treatment of Liquid Media. Patent 2,119,802 Russian Federation. 1998 October 18. (In Russ., abstract in Eng.) EDN: VFDSSR
- Prokhorov V.A., Poplavskiy V.M., Abramov V.G., Zemlerub Yu.V. Apparatus for Producing of Washing and Disinfecting Solutions. Patent 2,238,909 Russian Federation. 2004 October 27. (In Russ., abstract in Eng.) EDN: MKYOQS
- Ovsjannikov D.A., Voloshin A.P., Tsokur D.S., Dudanets D.N., Potapenko L.V. Device for Obtaining Disinfectant Solution. Patent 2,494,975 Russian Federation. 2013 October 10. (In Russ., abstract in Eng.) EDN: IRMTLN
- Storchevoj V.F., Gurov D.A., Sudnik Yu.A., Belov M.I., Kabdin N.E., Andreev S.A. Device for Obtaining Solution for Disinfection, Growth Stimulation and Watering of Cultivated Plants. Patent 2,814,191 Russian Federation. 2024 February 26. (In Russ., abstract in Eng.) EDN: WOXGVG
- Semenenko S.Ya., Chushkin A.N., Lytov M.N. The Law of Relaxation of Water with Electrochemically Modified Redox Potential. Izvestiya Nizhnevolzhskogo Agrouniversitetskogo Kompleksa: Nauka i Vysshee Professional’noe Obrazovanie. 2017;2(46):263–271. (In Russ., abstract in Eng.) EDN: ZRTDLT
Supplementary files
























