CO2 конверсия метана
- Авторы: Обрывалин М.В.1,2, Субботин Д.И.1,2, Попов С.Д.1, Денисов Ю.С.1,2, Попов В.Е.1
-
Учреждения:
- Институт электрофизики и электроэнергетики РАН
- Санкт-Петербургский государственный технологический институт (технический университет)
- Выпуск: Том 58, № 6 (2024)
- Страницы: 423-427
- Раздел: ОБЩИЕ ВОПРОСЫ
- URL: https://journal-vniispk.ru/0023-1193/article/view/281525
- DOI: https://doi.org/10.31857/S0023119324060017
- EDN: https://elibrary.ru/TIHHQJ
- ID: 281525
Цитировать
Аннотация
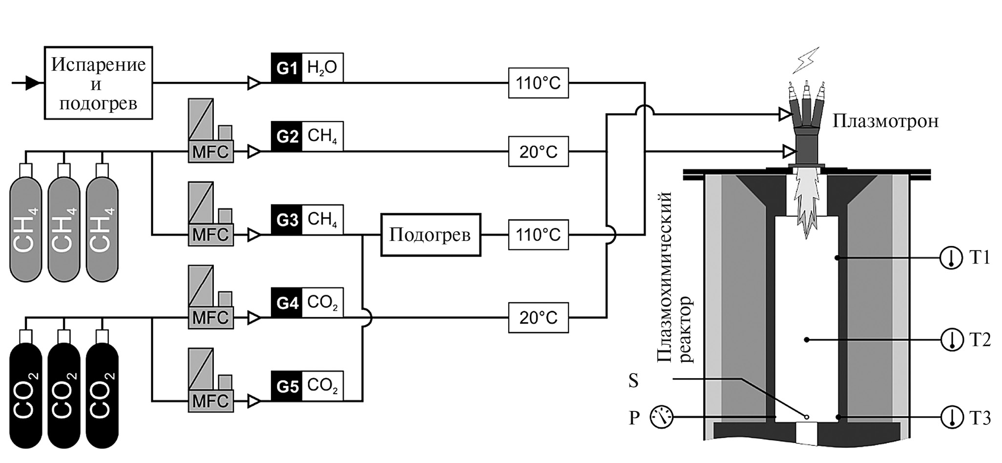
В этой работе рассматривался плазмохимический метод конверсии метана с помощью CO2 как один из способов получения водорода, уменьшая при этом выбросы углекислого газа. Для этого была проведена серия экспериментов, позволяющих оценить состав результирующего синтез-газа и параметры дуги. Во время работы было обнаружено, что изменение объема водорода во время реакции приводит к увеличению среднемассовой температуры и вследствие электропроводимости дуги. Это значит, что электрические параметры дуги могут быть использованы для оценки количества водорода в получаемом синтез-газе.
Ключевые слова
Полный текст
Об авторах
М. В. Обрывалин
Институт электрофизики и электроэнергетики РАН; Санкт-Петербургский государственный технологический институт (технический университет)
Автор, ответственный за переписку.
Email: maxim.obryvalin2@gmail.com
Россия, Санкт-Петербург; Санкт-Петербург
Д. И. Субботин
Институт электрофизики и электроэнергетики РАН; Санкт-Петербургский государственный технологический институт (технический университет)
Email: maxim.obryvalin2@gmail.com
Россия, Санкт-Петербург; Санкт-Петербург
С. Д. Попов
Институт электрофизики и электроэнергетики РАН
Email: maxim.obryvalin2@gmail.com
Россия, Санкт-Петербург
Ю. С. Денисов
Институт электрофизики и электроэнергетики РАН; Санкт-Петербургский государственный технологический институт (технический университет)
Email: maxim.obryvalin2@gmail.com
Россия, Санкт-Петербург; Санкт-Петербург
В. Е. Попов
Институт электрофизики и электроэнергетики РАН
Email: maxim.obryvalin2@gmail.com
Россия, Санкт-Петербург
Список литературы
- IEA (2023), Global Hydrogen Review 2023, IEA, Paris https://www.iea.org/reports/global-hydrogen-review-2023, Licence: CC BY 4.0
- Veras T.S., Mozer T.S., Santos D., Cesar A.S // International Journal of Hydrogen Energy. 2017. V. 42. №. 4 P. 2018–2033.
- Nikolaidis P., Poullikkas A. // Renewable and Sustainable Energy Reviews. 2017. V. 67. P. 597-611.
- Møller K.T., Jensen T.R., Akiba E., Li H-W. // Progress in Natural Science: Materials International. 2017. V. 27. № 1. P. 34–40.
- Dincer I., Acar C. // International journal of hydrogen energy. 2015. V. 40. № 34. P. 11094–11111.
- Rutberg P.G., Nakonechny G.V., Pavlov A.V., Popov S.D., Serba E.O., Surov A.V. // Journal of Physics D: Applied Physics. 2015. V. 48. I. 24. P. 245204.
- Rutberg P.G., Kuznetsov V.A., Serba E.O, Popov S.D. // Applied Energy. 2013. V. 108. P. 505–514.
Дополнительные файлы





