Hypothetical possibility of hydrogen octaoxide formation in cavitation plasma discharge
- Authors: Aristova N.A.1, Ivanova I.P.2, Gul`ko N.K.3, Makarov A.A.3, Piskarev I.M.4
-
Affiliations:
- Nizhny Tagil Technological Institute, Yeltsin Ural Federal University
- Institute of Biology and Biomedicine
- IPLASMA
- Skobeltsyn Research Institute of Nuclear Physics, Moscow State University
- Issue: Vol 58, No 6 (2024)
- Pages: 489-494
- Section: PLASMA CHEMISTRY
- URL: https://journal-vniispk.ru/0023-1193/article/view/281559
- DOI: https://doi.org/10.31857/S0023119324060096
- EDN: https://elibrary.ru/THJDLL
- ID: 281559
Cite item
Full Text
Abstract
This study examines the characteristics of water treated by cavitation plasma electric discharge. During the discharge process, hydroxyl radicals, hydrogen atoms and oxygen atoms are produced. The cycling of water through the discharge region results in the generation of secondary products with oxidising, reducing and slightly alkaline properties. The yield of oxidising and reducing agents was measured as a function of the total energy released in the discharge. The findings indicate that during the cyclic treatment of under the influence of cavitation discharge, hydrogen peroxide (H2O8) is produced. At a dose of 240 J/10 ml, the concentration is approximately ~10–3 mol/l.
Full Text
ВВЕДЕНИЕ
Состав и взаимодействие активных продуктов, образующихся в системе “плазма электрического разряда–жидкость” привлекают внимание исследователей в связи с большими возможностями применения в разных отраслях науки и в производстве [1]. Особо выделяется случай, когда разряд происходит в кавитационном потоке воды [2]. Большая импульсная мощность разряда и насыщенные пары воды в области, где происходит разряд, обеспечивает высокую концентрацию первичных активных частиц и повышает вероятность образования вторичных частиц. Если первичной активной частицей является гидроксильный радикал, то в воде возможно образование всех типов активных форм кислорода [3]. Наиболее долгоживущей из них является перекись водорода. Кроме H2O2, известны высшие полиоксиды водорода: H2O3 и H2O4 [4, 5].
В литературе сообщается про образование в кавитационном разряде октаоксида H2O8 [6]. Октаоксид имеет достаточно большое время жизни, поэтому он используется в биомедицинских исследованиях [6]. Кавитационный плазменный разряд применяется для очистки воды и дезактивации бактерий [7–11]. До настоящего времени возможный механизм образования полиоксидов в воде во время генерации кавитационного разряда не рассматривался.
Целью настоящей работы является определение выходов окислителей и восстановителей под действием кавитационного электрического разряда в воде и оценка механизма их образования.
МЕТОДИКА ЭКСПЕРИМЕНТА
Экспериментальная установка
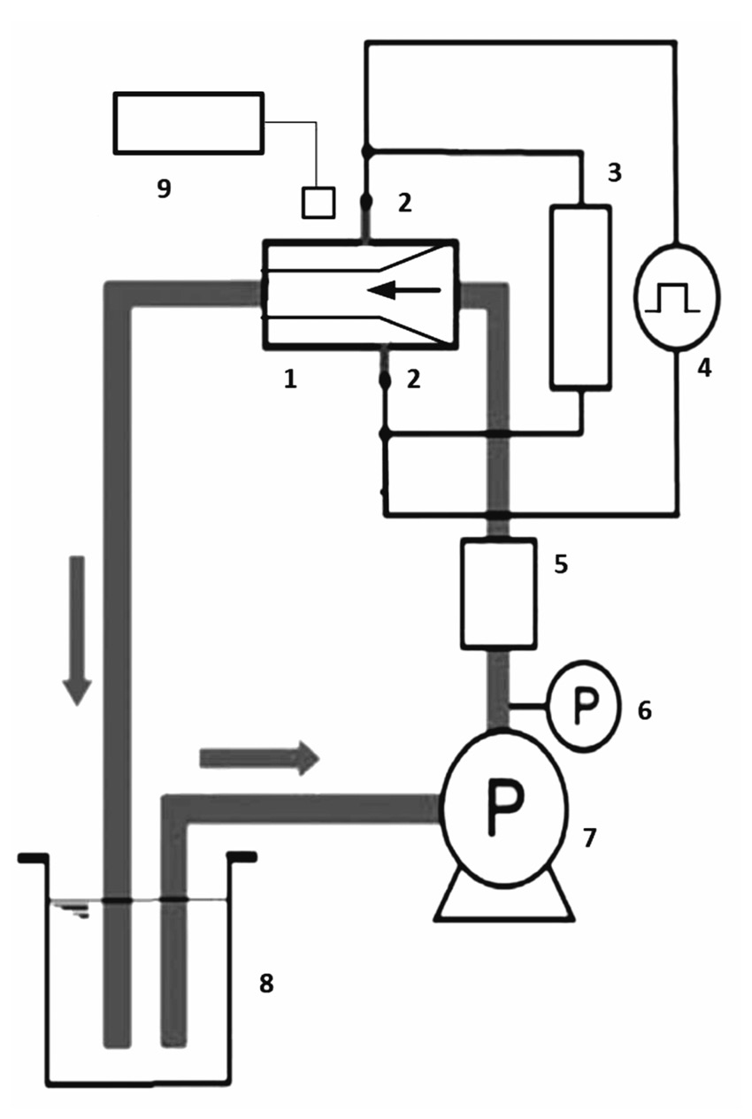
Блок-схема эксперимента представлена на рис. 1.
Рис. 1. Блок-схема эксперимента. 1 – Проточный кавитационный плазменный реактор, 2 – электроды, 3 – контроль напряжения, 4 – импульсный генератор, 5 – измеритель расхода, 6 – манометр, 7 – подающий насос, 8 – емкость с обрабатываемой водой, 9 – спектрометр.
Обрабатываемая жидкость из накопительной емкости 8 объемом 5 л с помощью насоса 7 под давлением 2 бар подается на проточный плазменный кавитационный реактор 1. С выхода реактора вода поступает обратно в накопительную емкость. Таким образом, вода циркулирует по замкнутому контуру, скорость циркуляции 5 л в минуту. На выходе из сопла кавитатора образуются парогазовые пузырьки. В кавитационном потоке установлены электроды 2, на которые подаются импульсы высокого напряжения. Расстояние между электродами 20 мм. Амплитуда импульсов высокого напряжения 3 кВ, импульсов тока 10 А, длительность импульсов 150 нс, частота повторения 50 кГц. Средняя мощность, выделяемая в разряде, составляла 200 Вт, средняя доза, создаваемая в жидкости, 24 Дж/10мл за 1 мин. Импульсная мощность разряда 30 кВт, это обеспечивало получение высокой концентрации активных частиц во время действия импульса.
Отбор проб осуществляли непосредственно из трубки, по которой вода после кавитатора поступала в емкость 8. Первую пробу брали после однократного прохождения исходной воды через кавитатор, когда в воде еще не было вторичных продуктов. Последующие пробы брали после циркуляции по замкнутому контуру в течение времени от 1 до 13 мин. В этих пробах кавитационный разряд действовал на вторичные продукты, накопившиеся в воде.
Определение выхода активных продуктов, образующихся под действием разряда
Выход гидроксильных радикалов. Выход определялся по окислению щавелевой кислоты в водном растворе концентрацией 1.1 г/л непосредственно под действием разряда [3]. Обработке подвергался весь раствор, пропускаемый через кавитатор. Концентрация щавелевой кислоты определялась титрованием 0.005 Н раствором перманганата калия в кислой среде при температуре 80°С.
Выход окислителей. Выход определяли по реакции окисления двухвалентного железа в соли Мора (Fe2+ → Fe3+) в 0.4 М растворе серной кислоты. Концентрация соли Мора 5 г/л. Для анализа брали 20 мл раствора соли Мора и вводили в него 10 мл обработанной воды. После смешивания проб в процессе окисления под действием продуктов, накопившихся в воде, образовывались ионы Fe3+. Концентрацию трехвалентного железа рассчитывали по оптической плотности полосы λ = 304 нм, коэффициент экстинкции ε = 2100 л (моль см)–1. Оптическую плотность измеряли через 2 дня после смешивания растворов, так как реакция медленная [12].
Выход восстановителей. Выход определяли по восстановлению марганца (Mn7+ → Mn2+) в кислом растворе 0.005 Н перманганата калия. Перманганат растворяли в 0.4 М серной кислоте. Для анализа брали 20 мл кислого раствора перманганата калия и вводили в него 10 мл обработанной воды. После смешивания проб в процессе реакции концентрация ионов Mn7+ уменьшалась с ростом дозы. Концентрацию Mn7+ в исходном расторе и после смешивания с обработанной водой рассчитывали по оптической плотности полосы λ = 525 нм, ε = 2160 л (моль см)−1. Спектр поглощения смеси раствора перманганата с обработанной водой измеряли через 1.5 ч после смешивания растворов.
Концентрация перекиси водорода. Перекись водорода дает вклад в восстановление перманганата калия. Но так как перекись водорода может быть не единственным восстановителем, накапливающимся в растворе, ее наличие оценивали введением реактива TiCl3. Реактив TiCl3 получали растворением металлического титана в концентрированной соляной кислоте. При введении этого реактива после реакции с перекисью водорода раствор окрашивается в желтый цвет, λ = 410 нм [13]. Количественно концентрацию перекиси водорода определяли титрованием 0.005 Н перманганатом калия в кислой среде после отстаивания смеси обработанной воды с раствором перманганата калия в течение суток, так как реакция медленная.
Реакция обработанной воды
Для оценки возможности бактерицидного эффекта исследовалось взаимодействие обработанной кавитационным разрядом воды с белком. Бактерии больше, чем на 90%, состоят из белков, поэтому повреждение белка может приводить к повреждению бактерии и служит указанием на возможность бактерицидного эффекта. Готовился водный раствор альбумина концентрацией 700 мг/л. Реакцию проводили следующим образом. В пробу раствора белка 20 вводили 10 мл обработанной кавитационным разрядом воды. Контролем служила проба раствора белка 20 мл и 10 мл дистиллированной воды. В контрольной пробе и пробах с обработанной водой измерялась флуоресценция белка, длина волны возбуждения 280 нм, длина волны регистрации 330 нм. При повреждении частей белка (тирозина, триптофана) уменьшается выход флуоресценции. Для сравнения выполнялся такой же эксперимент с перекисью водорода, когда в раствор альбумина вместо обработанной кавитационным разрядом воды вводили перекись водорода.
Спектры флуоресценции измеряли флуориметром Флуорат-02 Панорама, фирма “Аквилон”, Россия. Длины волн возбуждения и испускания определяли экспериментально по максимуму возбуждения и регистрации. Спектры поглощения растворов измеряли спектрофотометром СФ-102, фирма “Аквилон”, Россия. Коэффициенты экстинкции определяли экспериментально по калиброванным растворам. Величину pH измеряли прибором Эксперт 001 фирмы “Эконикс”, Россия. Окислительно-восстановительный потенциал E (ОВПХСЭ) измеряли платиновым электродом относительно хлор-серебряного. Удельную электропроводность воды измеряли прибором Эксперт 002, фирма “Эконикс”. Спектры излучения разряда измеряли спектрометром Ocean Insight USB2000+. Для приготовления пробных растворов использовалась дистиллированная вода, pH 7.5, и химически чистые реактивы. Каждая серия измерений повторялась не менее 5 раз, результаты усреднялись.
РЕЗУЛЬТАТЫ И ОБСУЖДЕНИЕ
Характеристики обработанной воды
Спектр излучения полости кавитационного разряда представлен на рис. 2. Из рисунка видно, что в разряде образуются гидроксильные радикалы, атомы водорода и кислорода. Других продуктов нет.
Рис. 2. Спектр излучения разряда в кавитационной полости.
Выход гидроксильных радикалов, рассчитанный из выхода окисления щавелевой кислоты, составил 2 ± 0.3 (100 эВ)−1. В работе [3] показано, что в случае генерации гидроксильных радикалов в присутствии кислорода образуется полный спектр активных форм кислорода (АФК). Долгоживущей среди них является перекись водорода. Время жизни остальных АФК в воде не превышает нескольких микросекунд [14].
Электрохимические характеристики воды (pH, Е – окислительно-восстановительный потенциал относительно хлор-серебряного электрона (ОВПХСЭ) и G – удельная электропроводность), измеренные сразу после обработки воды дозой 240 Дж/10 мл и в течение 14 суток после представлены в табл. 1. Видно, что величина pH увеличивается, на вторые сутки достигает значения pH 9.1 и дальше за время наблюдения до 14 суток не меняется. Такое значение pH соответствует концентрации ионов [OH−] ~10−5 моль/л. Концентрация окислителей и восстановителей составляет ~10−3 моль/л (см. рис. 3). Это означает, что образующиеся продукты проявляют слабо щелочные свойства.
Рис. 3. Зависимость концентрации [C] ммоль/л, восстановителей (1) и окислителей (2), образовавшихся в воде под действием электрического разряда в кавитационной полости от дозы, Дж/10 мл.
Электропроводность воды по сравнению с исходной не меняется. Значение E сразу после обработки становится отрицательным (–34 мВ), потом медленно возрастает, но не достигает исходного значения. Такой характер зависимости E от времени после обработки характерен для случая, когда потенциал определяется растворенным водородом. Сразу после обработки в растворе достигается максимальная концентрация водорода и устанавливается минимальное значение E. По окончании обработки накопившийся водород улетучивается, и потенциал постепенно увеличивается. Наличие водорода в воде после обработки гидродинамической кавитацией в плазменном разряде обнаружено в работе [7]. Его содержание в газовой фазе над поверхностью воды составляло 55%.
Концентрации восстановителей и окислителей, образовавшихся в воде в кавитационной полости при разных дозах энергии, выделившейся в электрическом разряде, представлены на рис. 3. Концентрация окислителей и восстановителей, наработанных сразу после однократного прохождения через область кавитационного разряда, оказалась одинаковой и составила 0.01 ± 0.001 ммоль/л. Это означает, что в данном случае роль окислителя и восстановителя играет одно и то же вещество. Далее концентрация окислителей практически линейно возрастает с увеличением дозы, а концентрация восстановителей возрастает быстрее. Отсюда можно предположить, что при обработке по циклу из первично образовавшихся веществ генерируются другие восстановители, которые начинают давать вклад. С ростом дозы концентрации окислителей и восстановителей сближаются, и при дозе ~300 Дж/10мл становятся примерно одинаковыми в пределах ошибок измерений. Это может означать, что концентрация дополнительно образующихся восстановителей перестает расти и дает относительно меньший вклад по сравнению с веществом, которое одновременно играет роль окислителя и восстановителя.
Возможный механизм образования активных частиц
Среди электрохимических характеристик, приведенных в табл. 1, наибольший интерес вызывают увеличение pH и отрицательное значение потенциала E. Рассмотрим возможные механизмы образования вторичных продуктов реакции после циклической обработки воды в кавитационном потоке под действием импульсного электрического разряда. Основной является реакция (1) между первичными гидроксильными радикалами, образующимися непосредственно в разряде. Продуктом реакции является перекись водорода:
OH●+ OH●+ M → H2O + M. (1)
Таблица 1. Изменения электрохимических характеристик воды, исходной и обработанной кавитационным разрядом дозой 240 Дж/10мл, в течение 14 суток после обработки
Время, сутки | pH | Е, мВ | G, мкСм/см |
0, исходная | 7.5 ± 0.1 | 410 ± 20 | 440 ±10 |
0.1 | 8.3 ± 0.1 | –34 ± 2 | 438 ± 10 |
1 | 8.7 ± 0.1 | 11 ± 1 | 456 ± 10 |
2 | 9.1 ± 0.1 | 35 ± 4 | 446 ± 10 |
4 | 9.1 ± 0.1 | 226 ± 19 | 508 ± 10 |
10 | 9.1 ± 0.1 | 299 ± 25 | 448 ± 10 |
14 | 9.1 ± 0.1 | 280 ± 25 | 440 ± 10 |
Эта реакция возможна только в присутствии третьего тела M, которое берет на себя отдачу, и оно необходимо для выполнения закона сохранения энергии и импульса. Третьим телом могут быть молекулы воды. Без участия третьего тела продуктами взаимодействия гидроксильных радикалов являются кислород и вода (реакция (2)):
. (2)
Конкуренция между реакциями (1) и (2) зависит от концентрации третьего тела М. Конкуренция может быть значительной, когда реакция происходит в парах воды, в частности в кавитационном разряде (облаке), где концентрация молекул воды меньше, чем в жидкости. При малой концентрации третьего тела M может давать значительный вклад реакция (2), при этом вероятность образования перекиси водорода уменьшится.
Далее перекись водорода, образовавшаяся в реакции (1), может при повторном прохождении через область разряда взаимодействовать с гидроксильными радикалами с образованием радикалов HO2, реакция (3):
. (3)
В области разряда в кавитационных пузырьках при высокой концентрации продуктов, генерируемых в импульсном разряде, возможны реакции образования полиоксидов водорода (4) и (5). Предположение о возможности реакций (4) и (5) не противоречит термодинамике, так как в них увеличивается энтропия (образуются газообразные продукты):
. (4)
. (5)
Образование тетраоксида водорода H2O4 наблюдалось в работах [4, 5] во взаимодействиях радикалов c при температуре жидкого азота, а также при взаимодействии атомов H с жидким озоном. Установлено, что время жизни тетраоксида мало и он распадается с ростом температуры на водород и кислород. Октаоксид водорода H2O8, который может образовываться в реакции (5), по аналогии с молекулами воды (реакция (6)) может подвергаться гидролизу:
. (6)
Гидролиз октаоксида водорода:
. (7)
В реакции (7) образуется ион гидроксила, а ион водорода оказывается связанным. Поэтому после реакции (7) вода может приобретать щелочную реакцию. Щелочная реакция воды, обработанной кавитационным разрядом, экспериментально наблюдалась в работе [6].
Образование молекулярного водорода при плазменном разряде в кавитационной полости, которое возможно согласно реакциям (4) и (5), было обнаружено в работе [7]. Водород, растворенный в воде, приводит к уменьшению ОВП. Механизм активации водорода в воде, которая возможна под действием электрического разряда, рассмотрен в работе [15].
Воздействие обработанной воды на белок
В табл. 2 приведена зависимость флуоресценции альбумина от концентрации восстановителей в обработанной кавитационным разрядом воде и от концентрации перекиси водорода. С увеличением концентрации восстановителей и перекиси водорода выход флуоресценции уменьшается. Уменьшение флуоресценции примерно в два раза происходит при концентрации восстановителей, намного меньшей концентрации перекиси водорода. Это означает, что продукты, образующиеся под действием кавитационного разряда, обладают бактерицидным действием, намного превышающим действие перекиси водорода.
Таблица 2. Флуоресценция альбумина (Фл) в контрольной пробе (концентрация активных частиц равна нулю), в пробах с восстановителями, образовавшимися в кавитационном плазменном разряде, и в пробах с перекисью водорода в зависимости от концентрации восстановителей [Red] и перекиси водорода [H2O2]
Кавитационный разряд | Перекись водорода | ||
[Red], ммоль/л | Фл, отн. ед. | [H2O2], ммоль/л | Фл, отн. ед. |
0 | 25.5 ± 400 | 0 | 25.5 ± 400 |
0.24 ± 0.02 | 19 ± 3 | 8.8 ± 0.7 | 23.4 ± 300 |
00.5 ± 0.04 | 20 ± 3 | 17.6 ± 0.11 | 21.9 ± 200 |
00.8 ± 0.06 | 17 ± 30 | 44 ± 4 | 17.8 ± 200 |
1.2 ± 0.1 | 15.5 ± 200 | 80 ± 7 | 13 ± 1.5 |
ЗАКЛЮЧЕНИЕ
Выполненные эксперименты дают основание предполагать возможность образования октаоксида водорода в кавитационном плазменном разряде. Эти основания следующие:
- Уменьшение окислительно-восстановительного потенциала воды относительно хлор-серебряного электрода до отрицательных значений, которое может быть связано с образованием атомарного водорода.
- Увеличение pH обработанной воды и сохранение этого значения в течение длительного времени, что может быть обусловлено гидролизом H2O8.
- Продукты, образующиеся под действием кавитационного плазменного разряда, обладают антимикробным действием, превышающим действие перекиси водорода.
About the authors
N. A. Aristova
Nizhny Tagil Technological Institute, Yeltsin Ural Federal University
Email: i.m.piskarev@gmail.com
Russian Federation, Nizhny Tagil
I. P. Ivanova
Institute of Biology and Biomedicine
Email: i.m.piskarev@gmail.com
Russian Federation, Nizhny Novgorod
N. K. Gul`ko
IPLASMA
Email: i.m.piskarev@gmail.com
Russian Federation, Moscow
A. A. Makarov
IPLASMA
Email: i.m.piskarev@gmail.com
Russian Federation, Moscow
I. M. Piskarev
Skobeltsyn Research Institute of Nuclear Physics, Moscow State University
Author for correspondence.
Email: i.m.piskarev@gmail.com
Russian Federation, Moscow, 119992
References
- Rezaei F., Vanraes P., Nikiforov A. et al. // Materials. 2019. V. 12. P. 2751.
- Ihara S., Sakai T., Yoshida Y., Nishiyama H. // J. Electrostatics. 2018. V. 93. P. 110.
- Piskarev I.M. // IEEE Transactions on Plasma Science. 2021. V. 49. № 4. P. 1363.
- Levanov A.V., Sakharov D.V., Dashkova A.V. et al. // Eur. J. Inorg. Chem. 2011. P. 5144.
- Levanov A.V., Isaikina O.Ya. // J. Phys. Chem. 2022. V. 96. № 6. P. 843.
- Betul A.Y. // Word J. Adv. Res. Rev. 2021. V. 12. № 2. P. 179.
- Abramov V.O., Abramova A.V., Cravotto G. et al. // Ultrasonics – Sonochemistry. 2021. V. 70. 105323.
- Marsalek B., Marsalkova E., Odehnalova K. et al. // Water. 2020. V. 12. P. 8.
- Filipi A., Dobnik D., Guti'errez-Aguirre I. et al. // Env. Int. 2023. V. 182. 108285.
- Ihara S., Hirohata T., Kominato Y. et al. // Electrical Eng. Japan. 2014. V. 186. № 4. P. 656.
- Estifaee P., Su X., Yannam S.k. et al. // Sci. Rep. 2019. V. 9. Article 2326.
- Piskarev I.M., Ivanova I.P. // Plasma Chemistry and Plasma Processing. 2021. V. 41. P. 447.
- Charlot G. Les methods de la chimie analytique. in analyse quantitative menerale. Part II. Ed. Paris. France. Masson et Cie, 1961.
- Pikaev A.K. Modern radiation chemistry. Radiolysis of gases and liquids. M.: Nauka, 1986.
- Piskarev I.M., Ushkanov V.A., Aristova N.A., et al. // Biophysics. 2010. V. 55. № 1. P. 19.
Supplementary files





