Кинетика реакции газофазного гидрогенолиза бутиллактата с получением 1,2-пропиленгликоля на катализаторе Cu/SiO2. Обзор
- Авторы: Козловский Р.А.1, Воронов М.С.1, Сапунов В.Н.1, Сучков Ю.П.1, Дубровский В.С.1, Князев Д.С.1, Козловский И.А.1, Ефимкин Д.Ю.2
-
Учреждения:
- Российский химико-технологический университет им. Д.И. Менделеева
- ООО “Цифровые технологии и платформы”
- Выпуск: Том 65, № 4 (2024)
- Страницы: 398-413
- Раздел: ОБЗОРЫ
- URL: https://journal-vniispk.ru/0453-8811/article/view/279285
- DOI: https://doi.org/10.31857/S0453881124040022
- EDN: https://elibrary.ru/RIHWDC
- ID: 279285
Цитировать
Полный текст
Аннотация
Изучены кинетические закономерности реакции газофазного гидрогенолиза утиллактата на гетерогенном катализаторе 45.5% Cu/SiO2, обеспечивающем высокую удельную производительность (до 6 гПГ гкат–1 ч–1), конверсию бутиллактата (до 99.5%) и селективность образования 1,2-пропиленгликоля (до 97%) при 180°С, что позволяет рассматривать изучаемую реакцию в качестве перспективной для промышленного синтеза данного продукта. В результате исследований установлено влияние условий проведения процесса (давления, соотношения реагентов, концентрации продуктов, температуры) на скорость реакции, получено кинетическое уравнение, определены значения кинетических параметров этого уравнения, что делает возможным адекватное описание экспериментальных данных, и рассчитана наблюдаемая энергия активации реакции.
Ключевые слова
Полный текст
Сокращения и обозначения: 1,2-ПГ – 1,2-пропиленгликоль; МК – молочная кислота; БЛ – бутиллактат; βH2 – начальное мольное соотношение потоков водорода и бутиллактата; βBuOH – начальное мольное соотношение потоков бутанола и бутиллактата; βПГ – начальное мольное соотношение потоков пропиленгликоля и бутиллактата; bi – коэффициент адсорбции i-того компонента; Рi – парциальное давление i-того компонента; r – скорость реакции; k – константа скорости реакции; kи – истинная константа скорости реакции; Ki – константа адсорбции i-го компонента; Еа – энергия активации; τ – время контакта.
ВВЕДЕНИЕ
1,2-Пропиленгликоль (1,2-ПГ) – многотоннажный продукт органического синтеза, мировой объем производства которого в 2024 г. достиг 4.09 млн тонн, а ожидаемый ежегодный прирост рынка составляет более 7% [1]. 1,2-ПГ в промышленности производят на основе нефтегазохимического сырья путем нескольких последовательных технологических переделов по цепочке превращений сырье → пропилен → оксид пропилена → 1,2-ПГ [2]. Каждый из технологических переделов достаточно энергозатратный, и на каждом из них образуются побочные продукты и отходы.
В качестве альтернативной сырьевой базы для получения 1,2-ПГ уже более 10 лет назад стала рассматриваться глюкоза как возобновляемое сырье. Цепочка технологических переделов включает ферментативный синтез из глюкозы молочной кислоты (МК) с последующим гидрогенолизом молочной кислоты или ее алкиловых эфиров до пропиленгликоля [3]. Развитие прикладных исследований в этом направлении сдерживалось невысокими показателями конверсии, селективности и удельной производительности реакторов как на стадии ферментации глюкозы, так и на стадии гидрогенолиза МК и ее эфиров, что делало экономически неприемлемым такой путь производства 1,2-ПГ.
Однако последние достижения в разработке способов ферментации глюкозы, а также катализаторов гидрогенолиза позволяют достигать экономически выгодных показателей по выходу молочной кислоты и 1,2-ПГ, вследствие чего исследования в данном направлении снова приобрели актуальность. Так, А.Е. Кузнецов, Р.А. Козловский и сотр. разработали усовершенствованный метод ферментации глюкозы до L-молочной кислоты в проточном мембранном биореакторе в отъемно-доливном режиме и способ выделения L-молочной кислоты из ферментационной среды в виде бутиллактата [4–6]. Этот способ дает возможность синтезировать L-молочную кислоту с оптической чистотой не менее 99%, выходом 90–95% и удельной производительностью биореактора 30–50 г л–1 ч–1, причем последний показатель на порядок превышает удельную производительность периодических ферментеров, применяемых в настоящее время в промышленности. Разработанный способ выделения молочной кислоты в виде бутиллактата исключает накопление отходов сульфата кальция, который в современных технологиях получения молочной кислоты образуется в количестве 1 т на 1 т продукта.
А.А. Хасин, Т.П. Минюкова и сотр. синтезировали медьсодержащий катализатор 45.5% Cu/SiO2 со структурой типа хризоколлы Сu2H2[Si2O5](OH)4 · nH2O, который обеспечивает газофазный гидрогенолиз алкиловых эфиров молочной кислоты до 1,2-ПГ с высокими показателями конверсии и селективности (выше 95%) в относительно мягких условиях проведения процесса (при давлении водорода 1–10 ат и температуре 170–220°С) [7–10].
Интерес к изучению катализаторов гидрогенолиза молочной кислоты и ее алкиловых эфиров до пропиленгликоля возник достаточно давно. В работе [11] приведен подробный обзор достижений в этой области за период 2001–2016 гг., из которого следует, что наиболее активными и селективными каталитическими системами являются Ru/C и Cu/SiO2. К этому обзору можно добавить результаты работы [12], в которой исследовали катализатор Ru/TiO2 в реакции гидрирования 1 М водного раствора молочной кислоты в автоклаве при давлении водорода 4 МПа, температуре 130°С, в результате чего после 20 ч реакции был получен пропиленгликоль с выходом 70% при конверсии МК 79%.
Гораздо меньше внимания в научной литературе уделено установлению вида кинетических уравнений для описания процесса гидрогенолиза МК и ее эфиров. В работе [13] была изучена кинетика гидрогенолиза МК в проточном реакторе (Trickle Bed Reactor) со стационарным слоем катализатора Ru(5%)/C при давлении водорода 8.3 МПа, в диапазоне температур 80–100°С. Авторами получено кинетическое уравнение, соответствующее механизму Ленгмюра–Хиншельвуда:
, (1)
где k = k0 exp(–Ea/RT) – уравнение температурной зависимости константы скорости реакции; Ki = A0,i exp(–ΔHi/RT) – уравнение температурной зависимости константы адсорбции i-го компонента; CМК – концентрация МК, моль/м3; PH2 – парциальное давление водорода, Па. Были определены параметры этих уравнений: k0 = 0.024 мр-ра3 мкат–3 МПа–1 с–1, А0,МК = 8.0 × × 10–8 м3/кмоль, А0,Н2 = 1.6 × 10–13 МПа–1, Ea = 12.4 кДж/кмоль, ΔHМК = –47.8 кДж/кмоль, ΔHН2 = –79.8 кДж/кмоль.
Кинетическое описание реакции гидрогенолиза бутиллактата (БЛ) до 1,2-ПГ до настоящего времени отсутствует. Целью настоящей работы было изучение кинетических закономерностей газофазного гидрогенолиза БЛ на медьсодержащем катализаторе 45.5% Cu/SiO2 с установлением вида кинетического уравнения и определением численных значений кинетических параметров этого уравнения.
ЭКСПЕРИМЕНТАЛЬНАЯ ЧАСТЬ
Исходным реагентом служил бутиллактат марки “ч”, который дополнительно очищали ректификацией при атмосферном давлении с отбором фракции с температурой кипения 186–187°С и содержанием основного вещества не менее 99.7%. Водород использовали особой чистоты марки 6.0 (содержание основного вещества – 99.9999%).
В качестве гетерогенного катализатора применяли гранулированный АКН-М состава CuO/SiO2 с содержанием меди 45.5 мас. %, синтезированный в Институте катализа им. Г.К. Борескова СО РАН. Исходный катализатор представлял собой формованные гранулы зеленого цвета с насыпной плотностью 0.34 г/см3. Для кинетических исследований его измельчали и просеивали через сита с отбором фракции 0.125–0.25 мм. Перед использованием катализатор восстанавливали непосредственно в реакторе сначала азотно-водородной смесью, затем чистым водородом с постепенным подъемом температуры по программе, приведенной в табл. 1.
Таблица 1. Параметры программы восстановления катализатора
Этап | Содержание H2 в смеси с азотом, % | Температура, °С | Скорость нагрева, °С/мин | Длительность этапа, мин |
1 | 2 | от 20 до 100 | 1 | 80 |
2 | 2 | от 100 до 130 | 0.2 | 150 |
3 | 2 | 130 | 0 | 60 |
4 | 2 | от 130 до 175 | 0.2 | 225 |
5 | 2 | 175 | 0 | 60 |
6 | 2 | от 175 до 230 | 0.2 | 275 |
7 | 2 | от 230 до 270 | 1 | 40 |
8 | 100 | 270 | 0 | 40 |
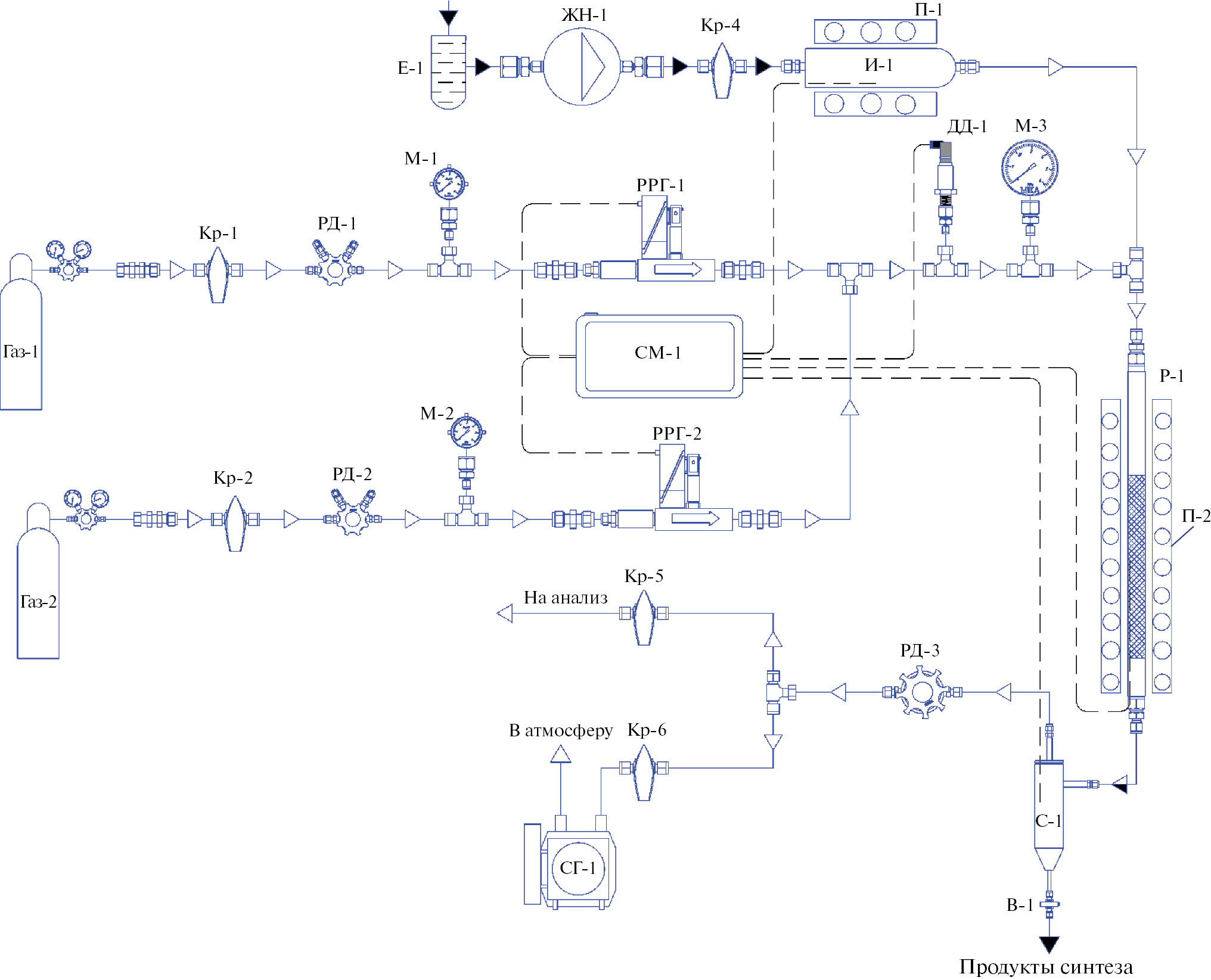
Кинетические эксперименты проводили на автоматизированной лабораторной реакторной каталитической установке ПУ-1 производства ООО НПП “ИНТОР”, схема которой представлена на рис. 1. Реактор представляет собой трубку из нержавеющей стали с внутренним диаметром 10 мм, снабженный внутренней термопарой, расположенной в слое катализатора, для контроля и регулировки температуры реакции.
Рис. 1. Схема лабораторной каталитической установки: Е1 – емкость с исходными жидкими компонентами, ЖН-1 – насос жидкостный, Газ-1 – баллон с водородом, Газ-2 – баллон с азотом, Кр-1–Кр-6 – кран шаровый, РД1, РД2 – регулятор давления, М-1, М-2, М-3 – манометр, РРГ-1, РРГ-2 – регулятор расхода газа, ДД-1 – датчик давления, СМ-1 – смеситель, И-1 – испаритель, П-1 – печь испарителя, Р-1 – реактор, П-2 – печь реактора, С-1 – сепаратор, РД-3 – регулятор давления в реакторе, СГ-1 – счетчик газа
Состав жидких продуктов гидрогенолиза, накапливающихся в сепараторе С-1, определяли методом газо-жидкостной хроматографии на хроматографе Хроматек Кристаллюкс 2000 (ЗАО СКБ “Хроматэк”, Россия) с пламенно ионизационным детектором и капиллярной колонкой длиной 50 м с нанесенной фазой FFAP, газ-носитель – азот. Количественный анализ осуществляли методом внутреннего стандарта, в качестве стандарта использовали н-гептанол. Количественно находили концентрации следующих веществ: бутиллактат, бутанол, 1,2-ПГ, ацетол, пропанол-1, пропанол-2.
РЕЗУЛЬТАТЫ И ИХ ОБСУЖДЕНИЕ
Определение диапазона мольного соотношения Н2/БЛ
Для планирования условий кинетических экспериментов при повышенном давлении были определены граничные условия по мольному соотношению Н2 : БЛ, обеспечивающие полноту испарения БЛ и нахождения его в газовой фазе, чтобы избежать его конденсации в условиях реакции. С этой целью были проведены расчеты в программе Aspen plus 8.2, результаты которых представлены в табл. 2. Во всех кинетических экспериментах использовали мольное соотношение Н2 : БЛ выше, чем указано в табл. 2 для соответствующих значений температуры и давления.
Таблица 2. Значения минимально допустимого мольного отношения Н2 : БЛ, обеспечивающего газообразное состояние БЛ для разных температур и давлений смеси
Температура, °С | Давление насыщенных паров БЛ, ат | Минимальное мольное отношение Н2 : БЛ для соответствующего давления смеси | |||
2 ат | 5 ат | 10 ат | 15 ат | ||
170 | 0.65 | 3.07 | 7.68 | 15.36 | 23.04 |
175 | 0.76 | 2.64 | 6.60 | 13.20 | 19.81 |
180 | 0.88 | 2.28 | 5.70 | 11.40 | 17.09 |
185 | 1.01 | 1.97 | 4.94 | 9.87 | 14.81 |
190 | 1.16 | 1.72 | 4.29 | 8.59 | 12.88 |
195 | 1.33 | 1.50 | 3.75 | 7.50 | 11.25 |
200 | 1.52 | 1.31 | 3.28 | 6.57 | 9.85 |
Определение стабильности работы катализатора и селективности образования 1,2-ПГ
Для оценки стабильности работы катализатора был проведен эксперимент при 180°С, 10 ат, мольном соотношении Н2 : БЛ = 40, загрузке катализатора 0.4 г, условном времени пребывания τ = 0.15 г л–1 ч. Условное время пребывания (далее – время контакта) рассчитывали по формуле:
, (2)
где mК – масса катализатора, г; Wсм – объемный расход смеси на входе в реактор при температуре и давлении эксперимента, л/ч.
Зависимости конверсии БЛ и селективности образования 1,2-ПГ от времени работы катализатора представлены на рис. 2. За 200 ч работы конверсия БЛ падает с 99.5 до 96.3%, т.е. всего на 3.2%. Селективность за это время практически не изменяется и остается на уровне 97%. Удельная производительность катализатора по пропиленгликолю снижается незначительно с 6.0 до 5.8 гПГ гкат–1 ч–1 и сохраняется на достаточно высоком уровне. На основании полученных результатов принято решение проводить кинетические эксперименты на одной загрузке свежего катализатора в течение не более 100 ч суммарного времени его работы.
Рис. 2. Зависимости конверсии БЛ (XБЛ) и селективности образования 1,2-ПГ (SПГ) от времени работы катализатора
Анализ реакционной массы свидетельствует, что наиболее значимыми побочными продуктами процесса являются ацетол, пропанол-1 и пропанол-2, что хорошо соответствует данным о селективности реакции и предполагаемой схеме превращений на изучаемом катализаторе, представленным в работе [10]. На рис. 3 приведены графики изменения массовой концентрации этих веществ в жидких продуктах гидрогенолиза в зависимости от конверсии БЛ при следующих условиях реакции: 180°С, 10 ат, мольное соотношение Н2 : БЛ = 40. На рис. 4 показана зависимость селективности образования 1,2-ПГ от конверсии БЛ. Полученные данные говорят о том, что мольная доля образования побочных продуктов не превышает 3.5% даже при степени конверсии БЛ близкой к 100%. Это дает нам основание считать наблюдаемую в экспериментах скорость расходования БЛ равной скорости реакции гидрогенолиза БЛ до 1,2-ПГ:
Рис. 3. Зависимость концентрации побочных продуктов от конверсии БЛ
Рис. 4. Зависимость селективности образования 1,2-ПГ от конверсии БЛ
Влияние линейной скорости потока и размеров частиц катализатора
Для определения влияния линейной скорости потока реагентов и размера частиц катализатора на скорость реакции проведены эксперименты при давлении 10 ат, мольном соотношении Н2 : БЛ = 40 и температурах 170 и 180°С. При каждой температуре выполнено по два эксперимента при одинаковом времени контакта τ = 0.14 г л–1 ч, но с разной загрузкой катализатора 0.7 и 2.8 г так, чтобы линейная скорость потока значительно различалась и составляла 1.64 и 6.6 см/с соответственно. В табл. 3 приведены значения конверсии БЛ в этих экспериментах. Как видно, для каждой температуры изменение линейной скорости потока в 4 раза практически не влияет на конверсию и селективность: эти показатели меняются не более чем на 1.5%, что укладывается в допустимую экспериментальную погрешность.
Таблица 3. Конверсия БЛ и селективность образования 1,2-ПГ в реакции гидрогенолиза бутиллактата в присутствии катализатора 45.5% Cu/SiO2
Температура, °С | Линейная скорость реакционной смеси, см/с | Конверсия БЛ, % | Селективность образования 1,2-ПГ, % |
170 | 1.64 | 94.8 | 98.1 |
6.6 | 96.1 | 97.6 | |
180 | 1.64 | 97.0 | 96.1 |
6.6 | 98.2 | 95.5 |
Для определения влияния размера частиц катализатора были подготовлены два образца катализатора с разным средним размером частиц: 0.125 мм и 0.4 мм. В экспериментах, проведенных на этих образцах при вышеуказанных условиях, конверсия БЛ составляет 97.0 и 95.8% для фракций 0.125 и 0.4 мм соответственно.
На основании полученных результатов сделан вывод об отсутствии внешнедиффузионного и внутридиффузионного торможения при температурах 170–180°С и ниже и при размере гранул катализатора менее 0.4 мм, т.е. в этих условиях реакция протекает в кинетической области. Далее все кинетические эксперименты проводили, используя фракцию катализатора со средним размером частиц 0.125 мм. Загрузка катализатора составляла 0.7 г.
Влияние начального мольного соотношения H2/БЛ
Были проведены эксперименты при 180°С и 10 ат и различном начальном мольном соотношении водорода к бутиллактату на входе в реактор (βH2): 20, 40, 60, 80, 100. Зависимости парциального давления БЛ (PБЛ) от времени контакта в экспериментах с разным значением βH2 представлены на рис. 5а. Из рисунка видно, что начальное парциальное давление водорода практически не меняется (находится в диапазоне от 9.52 до 9.9 ат). В то же время, при значительном уменьшении начального парциального давления БЛ с 0.48 до 0.1 ат наблюдается небольшое повышение начальной скорости реакции с 3.7 до 4.2 ат л г–1 ч–1. Из этого можно сделать вывод, что величина давления БЛ находится как в числителе, так и знаменателе кинетического уравнения, и порядок по БЛ в числителе меньше, чем в знаменателе.
Рис. 5. Зависимость парциального давления бутиллактата (PБЛ) от времени контакта (τ) при 180°С и следующих условиях: а – общее давление 10 ат, начальное мольное соотношение водород : бутиллактат (βH2) равно 20 (♦), 40 (■), 60 (▲), 80 (●), 100 (*); б – βH2 = 40 , общее давление равно 2 (♦), 5 (■), 10 (▲), 15 (×) ат; в – общее давление 10 ат, βH2 = 40 моль/моль, начальное мольное соотношение бутанол : бутиллактат (βBuOH) равно 0 (▲), 0.5 (●), 1.0 (■); г – общее давление 10 ат, βH2 = 40, начальное мольное соотношение пропиленгликоль : бутиллактат (βПГ) равно 0 (×), 0.5 (♦), 1.0 (■), 3.5 (▲)
Влияние общего давления
Эксперименты проводили при 180°С, начальном мольном соотношении потоков водорода и бутиллактата βH2 = 40 и разном общем давлении 2, 5, 10 и 15 ат. Зависимости парциального давления БЛ (PБЛ) от времени контакта в экспериментах при различных значениях βH2 представлены на рис. 5б. Из рисунка видно, что с увеличением общего давления (а значит, и парциального давления реагентов) в 7.5 раз начальная скорость реакции увеличилась менее чем в 2 раза (с 2.98 до 5.58 ат л г–1 ч–1). Это свидетельствует о том, что адсорбция реагентов на поверхности катализатора влияет на скорость реакции, при этом величины парциальных давлений реагентов должны находиться как в числителе, так и в знаменателе кинетического уравнения, и порядок по реагентам в числителе меньше, чем в знаменателе.
Влияние бутанола
Эксперименты осуществляли при 180°С и 10 ат, постоянном начальном мольном соотношении потоков водорода и бутиллактата βH2 = 40 с добавлением бутанола в начальную реакционную смесь. Начальное мольное соотношение потоков бутанола и бутиллактата (βBuOH) составляло 0.0, 0.5 и 1.0. Зависимости парциального давления БЛ (PБЛ) от времени контакта при разных значениях βBuOH приведены на рис. 5в. Из рисунка видно, что добавление БЛ в начальную реакционную смесь практически не влияет на скорость реакции. Это говорит о том, что адсорбцией бутанола на активных центрах катализатора можно пренебречь.
Влияние 1,2-пропиленгликоля
Эксперименты осуществляли при 180°С и 10 ат, постоянном начальном мольном соотношении потоков водорода и бутиллактата βH2 = 40 с добавлением 1,2-ПГ в начальную реакционную смесь. Начальное мольное соотношение потоков пропиленгликоля и бутиллактата (βПГ) составляло 0.0, 0.5, 1.0, 3.5. Зависимости парциального давления БЛ (PБЛ) от времени контакта для экспериментов с различным значением βПГ представлены на рис. 5г. Из рисунка следует, что добавление пропиленгликоля в начальную реакционную смесь заметно снижает скорость реакции. Это свидетельствует о конкурентной адсорбции пропиленгликоля на активных центрах катализатора. Полученные данные далее были использованы для определения вида кинетического уравнения (рис. 6в, уравнение (5)) и оценки значения коэффициента адсорбции пропиленгликоля.
Рис. 6. Линейные корреляции, полученные при преобразовании кинетического уравнения: а – зависимость от PБЛ,0 для серии экспериментов с варьированием βH2; б – зависимость от PБЛ,0 для серии экспериментов с варьированием общего давления при βH2 = 40; в – зависимость от PПГ,0 для серии экспериментов с варьированием PПГ,0
Анализ результатов кинетических экспериментов и определение вида кинетического уравнения
Как было продемонстрировано выше, в исследуемых условиях реакция протекает в кинетической области: скорость процесса лимитируется скоростью химических превращений на каталитических центрах поверхности катализатора. На скорость реакции влияет адсорбция водорода, БЛ и 1,2-ПГ, при этом порядок по водороду и БЛ в числителе кинетического уравнения меньше, чем в знаменателе. На основании этого выдвинуто предположение, что кинетическое уравнение может иметь вид уравнения Ленгмюра–Хиншельвуда для бимолекулярной реакции. Подобное уравнение (уравнение (1)) использовалось авторами в работе [13] для описания кинетики гидрогенолиза МК. Исследования по влиянию парциального давления компонентов показали, что скорость реакции возрастает с увеличением давления водорода и БЛ (рис. 5а, 5б). Также было обнаружено, что скорость реакции заметно снижается при добавлении в исходную реакционную массу 1,2-ПГ (рис. 5г). Результаты экспериментов с добавлением в реакционную массу бутанола свидетельствуют, что этот продукт практически не влияет на скорость реакции (рис. 5в). На основании этих наблюдений сделан вывод, что для описания скорости исследуемой реакции можно использовать псевдогомогенную кинетическую модель, соответствующую уравнению Ленгмюра–Хиншельвуда при конкурирующей адсорбции водорода, бутиллактата и пропиленгликоля, без учета адсорбции бутанола, но с учетом диссоциативной адсорбции водорода:
, (3)
где ; k – наблюдаемая константа скорости; kи – истинная константа скорости; bБЛ, bПГ, bН2 – коэффициенты адсорбции БЛ, ПГ и водорода соответственно.
Для оценки применимости данного уравнения к описанию кинетики реакции была проведена серия линеаризаций экспериментальных зависимостей начальной скорости реакции (r0) от начальных парциальных давлений компонентов. Начальные скорости находили по величине производной полиномиальной аппроксимирующей функции зависимости PБЛ от τ в точке τ = 0. На рис. 6а представлена линейная корреляция значений от PБЛ,0, полученная обработкой экспериментальных кинетических зависимостей, приведенных на рис. 5а, в серии экспериментов с варьированием βH2 и соответствующая уравнению:
, (4)
где r0 – начальная скорость реакции, ат/ч; PБЛ,0 – начальное парциальное давление БЛ, ат; PН2,0 – начальное парциальное давление водорода, ат.
В этой серии экспериментов значения PН2,0 изменялись в очень узком интервале от 9.52 до 9.9 ат, поэтому первое слагаемое в правой части уравнения (4) можно считать примерно постоянной величиной. Экспериментальные данные аппроксимируются линейной зависимостью, соответствующей уравнению (4), с удовлетворительной точность корреляции R2 = 0.965 (рис. 6а).
В серии экспериментов с варьированием общего начального давления при постоянном мольном соотношении водорода к БЛ (рис. 5б) наилучшей корреляции удалось добиться для зависимости от PБЛ,0, которая приведена на рис. 6б. Такая зависимость соответствует уравнению скорости (3), если предположить низкое значение коэффициента адсорбции водорода (bН2 << bБЛ, bПГ):
. (5)
В серии опытов с добавлением в исходную реакционную смесь 1,2-ПГ (рис. 5г) начальные парциальные давления БЛ и водорода изменяются в узких диапазонах: для БЛ – от 0.22 до 0.24 ат, а для водорода – от 8.99 до 9.76 ат. При этом величину начального парциального давления ПГ варьировали сильно, она составляла 0, 0.12, 0.238 и 0.787 ат. Начальная скорость в этих экспериментах значительно снижается с увеличением начального давления ПГ, что говорит о существенном влиянии адсорбции ПГ на кинетику реакции. Учитывая почти постоянные значения начальных давлений БЛ и водорода, можно считать сумму () в знаменателе уравнения (3) практически постоянной величиной. При таком допущении следовало ожидать линейную корреляцию, соответствующую уравнению:
. (6)
Данное предположение подтвердилось, как показано на рис. 6в.
Как видно из рис. 6а–6в, экспериментальные кинетические данные, полученные экстраполяцией в точке τ = 0, линеаризуются с достаточно высокой точностью (точность линейной корреляции R2 лежит в области 0.96–0.99). Это говорит о том, что предположение о виде кинетического уравнения (3) верно и может быть использовано для кинетического описания реакции. Следующим этапом стал расчет (оптимизация) значений констант, входящих в это уравнение и обеспечивающих адекватное описание всего массива экспериментальных кинетических данных.
Оптимизация констант кинетического уравнения
Полученные параметры линейных корреляций (рис. 6а–6в) позволили вычислить начальные приближения для констант уравнения (3). Из линейной аппроксимации на рис. 6б следует, что отношение углового коэффициента в уравнении (5) к свободному коэффициенту (отсекаемому отрезку) численно равно коэффициенту адсорбции БЛ bБЛ, т.е. начальное приближение bБЛ = 0.4682/0.0447 ≈ 10.5 ат–1.
Начальное приближение эффективной константы скорости можно оценить через угловой коэффициент в уравнении (4) линейной корреляции, приведенной на рис. 6а, который соответствует отношению и равен 1.0972. С учетом ранее найденного начального приближения bБЛ рассчитано начальное приближение этой константы: k = (10.5/1.0972)2 ≈ 91.6 ат–0.5 ч–1. В уравнении (4) свободный коэффициент (отсекаемый отрезок) равен 0.1393, а по физическому смыслу он соответствует выражению . В серии экспериментов с варьированием βH2 значение изменяется в узком интервале 9.5–9.9 ат, поэтому, принимая среднее значение = 9.7 ат и найденное ранее начальное приближение k, было вычислено начальное приближение коэффициента адсорбции водорода bН2 ≈ 0.011 ат–1.
Угловой коэффициент в уравнении (6) линейной корреляции, приведенной на рис. 6в, соответствует отношению и равен 0.9761. С учетом начального приближения k рассчитано начальное приближение коэффициента адсорбции 1, 2-ПГ: bПГ = 0.9761k0.5 ≈ 9.3 ат–1.
Для решения нелинейной задачи оптимизации параметров кинетического уравнения (3) оно преобразовано в дифференциальное уравнение изменения степени конверсии БЛ (ХБЛ) от времени контакта:
. (7)
Оптимизацию значений констант проводили в программе Microsoft Excel в пакете MS Office методом обобщенного приведенного градиента (ОПГ), задавая последовательно на каждом этапе итераций новые “уточненные” начальные приближения параметров кинетического уравнения. Критерием оптимизации был минимум суммы квадратов отклонений экспериментальных и расчетных величин конверсии БЛ. При этом на каждой итерации сужали диапазон изменения значений констант. В результате оптимизации был получен рассчитанный вектор констант кинетического уравнения (7), обеспечивающий глобальный минимум суммы квадратов отклонений экспериментальных и расчетных значений конверсии БЛ всего массива экспериментальных данных: kи = 27.50 ат/ч; bБЛ = 25.90 ат–1; bПГ = 13.20 ат–1; bН2 = 0.56 ат–1.
Сравнение экспериментальных данных о конверсии БЛ с расчетными значениями, вычисленными по уравнению (7) при использовании оптимизированных значений кинетических параметров, представлено на рис. 7. Из рисунка можно сделать вывод о достаточно точном описании кинетики реакции полученной кинетической моделью (7).
Рис. 7. Сравнение экспериментальных и расчетных значений конверсии бутиллактата от времени контакта при 180°С и следующих условиях: а – общее давление 2 ат, начальное мольное отношение водород : бутиллактат βH2 = 40; б – общее давление 5 ат, βH2 = 40; в – общее давление 10 ат, βH2 = 40; г – общее давление 15 ат, βH2 = 40; д – общее давление 10 ат, βH2 = 60; е – общее давление 10 ат, βH2 = 80; ж – общее давление 10 ат, βH2 = 100; з – общее давление 10 ат, βH2 = 40, βПГ = 0.5; и – общее давление 10 ат, βH2 = 40, βПГ = 1; к – общее давление 10 ат, βH2 = 40, βПГ = 0.25, βBuOH = 0.25; л – общее давление 10 ат, βH2 = 40, βПГ = 1.75, βBuOH = 1.75
Из графика, представленного на рис. 8, видно, что коэффициент корреляции экспериментальных и расчетных значений конверсии бутиллактата для всего массива экспериментов равен 0.996 с высокой достоверностью аппроксимации R2 = 0.99. С учетом точности определения конверсии БЛ (отклонение от среднего значения в параллельных экспериментах составляло не более 5%) это свидетельствует об адекватности предложенной кинетической модели процесса с найденными значениями кинетических параметров.
Рис. 8. Корреляция экспериментальных и расчетных значений конверсии бутиллактата для всего массива экспериментов
Влияние температуры
Для оценки влияния температуры на скорость реакции проведены кинетические эксперименты в интервале температур 170–200°С, результаты которых представлены на рис. 9а. Полученные кинетические кривые сначала обработаны методом начальных скоростей. Для каждой температуры начальную скорость (r0) находили по значению производной полиномиальной аппроксимирующей функции зависимости ХБЛ от τ в точке τ = 0. Далее была построена зависимость ln(r0) от температуры в линейных координатах уравнения Аррениуса (рис. 10а). Из величины углового коэффициента данной зависимости получено значение наблюдаемой энергии активации реакции (Ea), равное 71 кДж/моль.
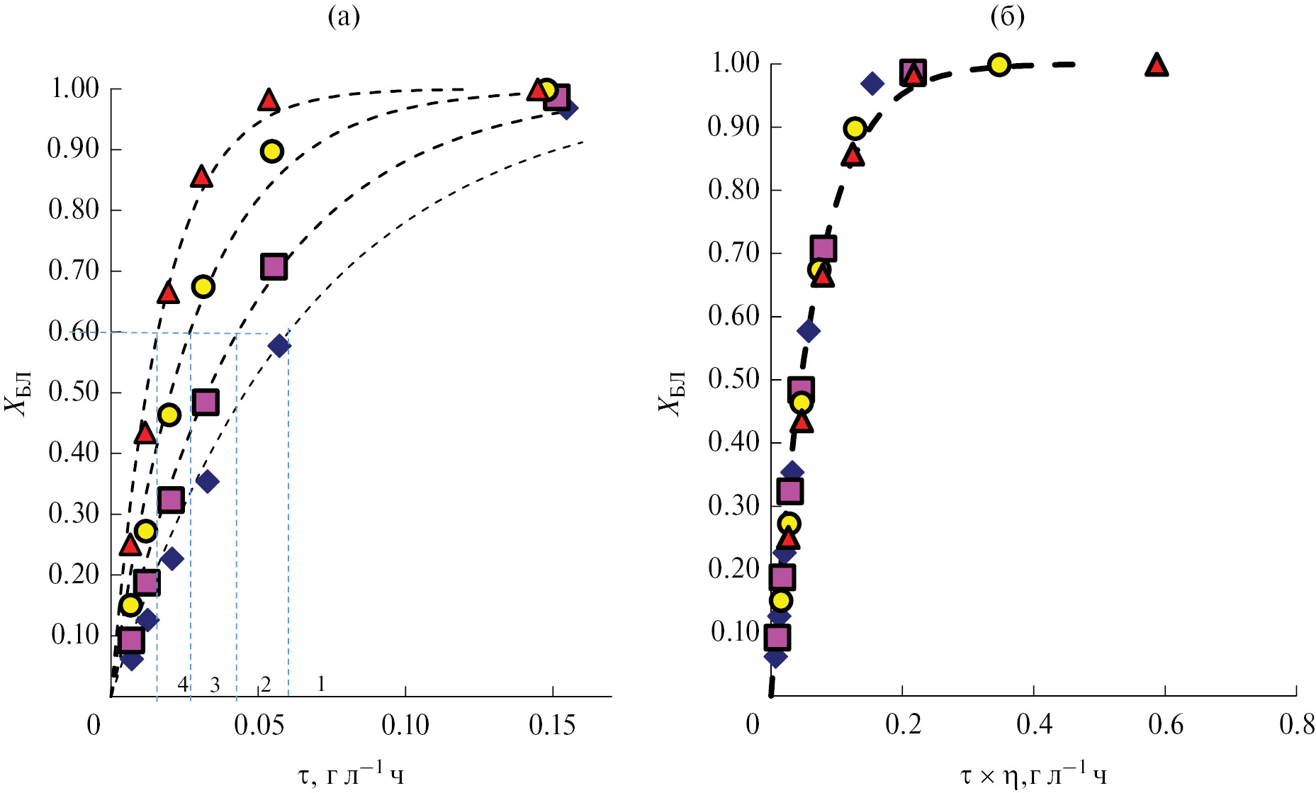
Рис. 9. Изменение конверсии бутиллактата от времени контакта (τ) (а) и приведенного времени контакта (η × τ) (б) при температурах 170 (♦), 180 (■), 190 (●) и 200°С (▲)
Рис. 10. Температурная зависимость начальной скорости реакции (а) и коэффициента трансформации (б) в линейных координатах уравнения Аррениуса
Для сравнения кинетические кривые, представленные на рис. 9а, были обработаны методом трансформации по времени контакта, суть которого подробно изложена в книге [14]. Этот метод удобен для обработки сложных кинетических кривых, которые нельзя привести к линейному виду с помощью классических координат. Один из частных случаев метода трансформации заключается в подборе коэффициентов трансформации (η) к координате времени реакции (времени контакта), при умножении на который координаты времени контакта τ кинетические кривые в серии однофакторных экспериментов становятся конгруэнтными (совпадают). Метод вычисления η показан на рис. 9а. В серии экспериментов с варьированием температуры в качестве стандартной кинетической кривой выбрана зависимость конверсии бутиллактата от τ при 170°C. Далее были определены соотношения абсцисс ηi = τi/τ1 (рис. 9а), при которых все кинетические кривые становятся конгруэнтными во всем диапазоне значений конверсии (совмещаются со стандартной кривой) при умножении абсцисс в i-ом эксперименте на ηi (рис. 9б). Это говорит о том, что вид кинетического уравнения не меняется в данной серии экспериментов, и коэффициент трансформации отражает коэффициент увеличения скорости реакции от температуры, причем не только в начальный момент времени, а во всем исследуемом диапазоне конверсии БЛ, как показано на рис. 9б. Поскольку начальные концентрации реагентов в этой серии опытов одинаковые, а меняется только температура, то коэффициент трансформации для эксперимента при i-ой температуре по физическому смыслу является множителем, отражающим отношение константы скорости при i-ой температуре к константе скорости при 170°С. Значения η для температур 170, 180, 190, 200°С составили соответственно 1.0, 1.4, 2.25, 3.8.
С использованием полученных коэффициентов трансформации была построена зависимость их значений от температуры в линейных координатах уравнения Аррениуса (рис. 10б). Из величины углового коэффициента этой зависимости определена наблюдаемая энергия активации реакции (Ea), равная 78 кДж/моль. Эта величина достаточно близка к значению энергии активации, определенному из температурной зависимости величины начальной скорости процесса. Различие между значениями Ea, найденными разными методами, обусловлено тем, что энергия активации 71 кДж/моль характеризует зависимость начальной скорости реакции от температуры, а величина 78 кДж/моль отражает зависимость константы скорости реакции (kи) от температуры. Значение kи входит в уравнение (7) и позволяет описывать экспериментальные данные во всем исследованном диапазоне конверсии БЛ.
ЗАКЛЮЧЕНИЕ
В настоящей работе изучена кинетика гидрогенолиза бутиллактата на катализаторе 45.5% Cu/SiO2, обладающем высокой активностью и селективностью образования 1,2-пропиленгликоля. Подтверждена высокая удельная производительность катализатора по 1,2-пропиленгликолю, которая составила до 6 гПГ гкат–1 ч–1 при конверсии БЛ до 99.5% и селективности образования 1,2-пропиленгликоля до 97% при 180°С и давлении водорода до 10 ат.
В результате кинетического исследования определено кинетическое уравнение реакции (3) и вычислены значения параметров этого уравнения: kи = 27.50 ат/ч; bБЛ = 25.90 ат-1; bПГ = 13.20 ат-1; bН2 = 0.56 ат-1. Эксперименты по влиянию температуры на скорость реакции позволили вычислить наблюдаемую энергию активации, которая составила 71 кДж/моль при обработке по начальным скоростям и 78 кДж/моль при использовании метода трансформации.
Полученное кинетическое уравнение с хорошей точностью описывает скорость реакции в изученном диапазоне условий и может быть использовано для математического моделирования реактора синтеза 1,2-пропиленгликоля по реакции гидрогенолиза бутиллактата при масштабировании реактора.
ФИНАНСИРОВАНИЕ
Работа выполнена в рамках государственного задания Министерства науки и высшего образования Российской Федерации (FSSM-2023-0004).
БЛАГОДАРНОСТИ
Авторы выражают глубокую благодарность сотрудникам Института катализа имени Г.К. Борескова СО РАН д.х.н. Хасину А.А., д.х.н. Юрьевой Т.М. и д.х.н. Минюковой Т.П., предоставившим образец катализатора 45.5% Cu/SiO2 для проведения исследований.
КОНФЛИКТ ИНТЕРЕСОВ
Авторы заявляют об отсутствии конфликта интересов, требующего раскрытия в данной статье.
Об авторах
Р. А. Козловский
Российский химико-технологический университет им. Д.И. Менделеева
Автор, ответственный за переписку.
Email: kozlovskii.r.a@muctr.ru
Россия, Москва
М. С. Воронов
Российский химико-технологический университет им. Д.И. Менделеева
Email: kozlovskii.r.a@muctr.ru
Россия, Москва
В. Н. Сапунов
Российский химико-технологический университет им. Д.И. Менделеева
Email: kozlovskii.r.a@muctr.ru
Россия, Москва
Ю. П. Сучков
Российский химико-технологический университет им. Д.И. Менделеева
Email: kozlovskii.r.a@muctr.ru
Россия, Москва
В. С. Дубровский
Российский химико-технологический университет им. Д.И. Менделеева
Email: kozlovskii.r.a@muctr.ru
Россия, Москва
Д. С. Князев
Российский химико-технологический университет им. Д.И. Менделеева
Email: kozlovskii.r.a@muctr.ru
Россия, Москва
И. А. Козловский
Российский химико-технологический университет им. Д.И. Менделеева
Email: kozlovskii.r.a@muctr.ru
Россия, Москва
Д. Ю. Ефимкин
ООО “Цифровые технологии и платформы”
Email: EfimkinDIu@digtp.com
Россия, Москва
Список литературы
- https://www.mordorintelligence.com/ru/industry-reports/propylene-glycol-market
- Weissermel K., Arpe H.-J. Industrial Organic Chemistry. Weinheim: WILEY‐VCH Verlag GmbH & Co. KGaA, 2003. doi: 10.1002/9783527619191
- Taylor R., Nattrass L., Alberts G., Robson P., Chudziak C., Bauen A., Libelli I.M., Lotti G., Prussi M., Nistri R., Chiaramonti D., López-Contreras A.M., Bos H.L., Eggink G., Springer J., Bakker R., Ree R.V. From the Sugar Platform to biofuels and biochemicals: Final report for the European Commission Directorate-General Energy. № ENER/C2/423-2012/SI2.673791. E4tech (UK) Ltd, April 2015. doi: 10.13140/RG.2.1.2060.9127
- Kozlovskiy R., Shvets V., Kuznetsov A. Technological aspects of the production of biodegradable polymers and other chemicals from renewable sources using lactic acid // J. Clean. Prod. 2017. V. 155. P. 157. doi: 10.1016/j.jclepro.2016.08.092
- Kuznetsov A., Beloded A., Derunets A., Grosheva V., Vakar L., Kozlovskiy R., Shvets V. Biosynthesis of lactic acid in a membrane bioreactor for cleaner technology of polylactide production // Clean Technol. Environ. Policy. 2017. V. 19. № 3. P. 869. doi: 10.1007/s10098-016-1275-z
- Кузнецов А.Е., Козловский Р.А., Белодед А.В., Козловский И.А., Козловский М.Р., Кучеренко В.В., Насиров И.Р. Потенциал совершенствования технологии получения молочной кислоты для синтеза полилактида // Химическая промышленность сегодня. 2022. № 2. С. 2. doi: 10.53884/27132854_2022_3_2
- Yurieva T.M., Kustova G.N., Minyukova T.P., Poels E.K., Bliek A., Demeshkina M.P., Plyasova L.M., Kriger T.A., Zaikovskii V.I. Non-hydrothermal synthesis of copper-, zinc- and copper-zinc hydrosilicates // Mater. Res. Innov. 2001. V. 5. № 1. Р. 3.
- Yurieva T.M., Minyukova T.P., Kustova G.N., Plyasova L.M., Kriger T.A., Demeshkina V.I., Zaikovskii M.P., Malakhov V.V., Dovlitova L.S. Copper ions distribution in synthetic copper-zinc hydrosilicate // Mater. Res. Innov. 2001. V. 5. № 2. P. 74.
- Симонов М.Н., Симакова И.Л., Минюкова Т.П., Хасин А.А. Гидрирование молочной кислоты на восстановленных медьсодержащих катализаторах // Изв. РАН, серия хим. 2009. Т. 58. № 6. С. 1086. (Simonov M.N., Simakova I.L., Minyukova T.P., Khassin A.A. Hydrogenation of lactic acid on reduced copper-containing catalysts // Russ. Chem. Bull. 2009. V. 58. № 6. P. 1114.)
- Simonov M.N., Zaikin P.A., Simakova I.L. Highly selective catalytic propylene glycol synthesis from alkyl lactate over copper on silica: Performance and mechanism // Appl. Catal. B: Environ. 2012. V. 119–120. P. 340. doi: 10.1016/j.apcatb.2012.03.003
- Marchesan A.N., Oncken M.P., Filho R.M., Maciel M.R.W. A roadmap for renewable C2–C3 glycols production: A process engineering approach // Green Chem. 2019. № 19. P. 1.
- Xi Y., Jackson J.E., Miller D.J. Hydrogenation of Lactic Acid to 1,2-Propanediol over Ru-Based Catalysts // ChemCatChem 10(4), 2017, Open Access doi: 10.1002/cctc.201701329.
- Xi Y., Jackson J.E., Miller D.J. Characterizing Lactic Acid Hydrogenolysis Rates in Laboratory Trickle Bed Reactors // Ind. Eng. Chem. Res. 2011. V. 50. P. 5440. dx.doi.org/10.1021/ie1023194
- Шмид Р., Сапунов В.Н. Неформальная кинетика. В поисках путей химических реакций. Москва: Мир, 1985. 264 с. (Schmid R., Sapunov V.H. Non-formal Kinetics. In Search for Chemical Reaction Pathways. Verlag Chemie, Weinheim–Deerfield Beach–Base1 1982. 199 P. doi: 10.1002/cite.330550907)
Дополнительные файлы














