Разработка методики построения нелинейной модели метаморфного 0.15 мкм МHEMT InAlAs/InGaAs транзистора
- Авторлар: 1, 1, 1
-
Мекемелер:
- Национальный исследовательский ядерный университет “МИФИ”
- Шығарылым: Том 52, № 1 (2023)
- Беттер: 58-67
- Бөлім: МОДЕЛИРОВАНИЕ ТЕХНОЛОГИЧЕСКИХ ПРОЦЕССОВ
- URL: https://journal-vniispk.ru/0544-1269/article/view/138491
- DOI: https://doi.org/10.31857/S0544126922700053
- EDN: https://elibrary.ru/CXYGKP
- ID: 138491
Дәйексөз келтіру
Толық мәтін
Аннотация
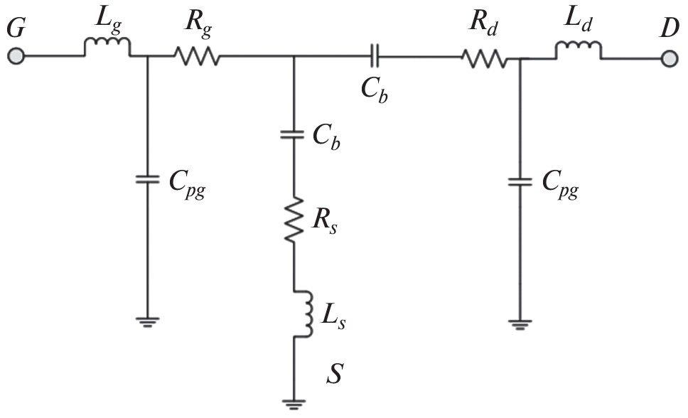
В статье рассматривается высокоточная методика моделирования InAlAs/InGaAs MHEMT транзисторов СВЧ диапазона частот с длиной затвора 0.15 мкм. Описанная методика учитывает нелинейные зависимости внутренних параметров от приложенных напряжений. Установлено, что максимальная ошибка моделирования не превышает 1.5% в диапазоне частот от 1 до 50 ГГц.
Негізгі сөздер
Авторлар туралы
Национальный исследовательский ядерный университет “МИФИ”
Хат алмасуға жауапты Автор.
Email: vasilii.lokotko@gmail.com
Россия, Москва
Национальный исследовательский ядерный университет “МИФИ”
Email: vasilii.lokotko@gmail.com
Россия, Москва
Национальный исследовательский ядерный университет “МИФИ”
Email: vasilii.lokotko@gmail.com
Россия, Москва
Әдебиет тізімі
- Dambrine G. et al. A new method for determining the FET small-signal equivalent circuit // IEEE Transactions on microwave theory and techniques. 1988. V. 36. № 7. P. 1151–1159.
- Yanagawa S., Ishihara H., Ohtomo M. Analytical method for determining equivalent circuit parameters of GaAs FETs // IEEE Transactions on microwave theory and techniques. 1996. V. 44. № 10. P. 1637–1641.
- Anholt R., Swirhun S. Equivalent-circuit parameter extraction for cold GaAs MESFET’s // IEEE transactions on microwave theory and techniques. 1991. V. 39. № 7. P. 1243–1247.
- Manohar S., Pham A., Evers N. Direct determination of the bias-dependent series parasitic elements in SiC MESFETs // IEEE transactions on microwave theory and techniques. 2003. V. 51. № 2. P. 597–600.
- Ooi B.L., Zhong Z., Leong M.S. Analytical extraction of extrinsic and intrinsic FET parameters // IEEE transactions on microwave theory and techniques. 2009. V. 57. № 2. P. 254–261.
- Jarndal A., Kompa G. A new small-signal modeling approach applied to GaN devices // IEEE Transactions on Microwave Theory and Techniques. 2005. V. 53. № 11. P. 3440–3448.
- Brady R.G., Oxley C.H., Brazil T.J. An improved small-signal parameter-extraction algorithm for GaN HEMT devices // IEEE Transactions on Microwave Theory and Techniques. 2008. V. 56. № 7. P. 1535–1544.
- Berroth M., Bosch R. High-frequency equivalent circuit of GaAs FETs for large-signal applications // IEEE transactions on Microwave Theory and Techniques. 1991. V. 39. № 2. P. 224–229.
- Chigaeva E. et al. Determination of small-signal parameters of GaN-based HEMTs // Proceedings 2000 IEEE/Cornell Conference on High Performance Devices (Cat. No. 00CH37122). IEEE, 2000. P. 115–122.
- Angelov I., Zirath H., Rosman N. A new empirical nonlinear model for HEMT and MESFET devices // IEEE Transactions on Microwave Theory and Techniques. 1992. V. 40. № 12. P. 2258–2266.
- Fukui H. Design of microwave GaAs MESFET’s for broad-band low-noise amplifiers // IEEE Transactions on Microwave Theory and Techniques. 1979. V. 27. № 7. P. 643–650.
- Gorelov A.A. et al. Parametrization of a Microwave and the Noise Model of a Metamorphic 0.15 µm MHET InAlAs/InGaAs Transistor //Russian Microelectronics. 2021. V. 50. № 3. P. 170–177.
Қосымша файлдар












